За сколько можно продать Ваш VW Polo?




Правила форума


Вся реклама, предложения, только по согласованию с администрацией.



Начать новую тему Ответить на тему  [ Сообщений: 2 ] 
Автор Сообщение
Не в сети
Модератор
Аватара пользователя

Зарегистрирован: 14 май 2012, 12:50
Сообщения: 478
Откуда: Moscow
Благодарил (а): 15 раз.
Поблагодарили: 248 раз.
Информация предоставленная ниже собрана на просторах интернета и переведенного мною материала. Если есть чем дополнить пишите.

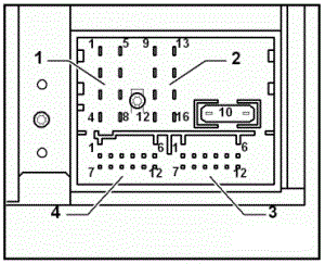
RCD 310 назначение проводов
Вложение:
F.A.Q. По проводам в штатных магнитолах, коннекторах
volkswagen_rcd_310.gif [ 9.06 КБ | Просмотров: 45075 ]

1. Антенный разъем, вход DAB, опция или SDARS вход для связи транспортных средств, для США и Канады
2. Многоконтактный разъем, 8-контактный, для динамиков
3. Многоконтактный разъем, 8-контактный, питание, CAN шина
4. Многоконтактный разъем, 12-контактный, сигналы телефона и микрофона
5. Многоконтактный разъем, 12-контактный, управление CD чейнджером, вход сигнала аудио CD
6. Антенный разъем, AM/FM сигнал с антенны
7. Антенный разъем, FM2 сигнал с антенны
Вложение:
F.A.Q. По проводам в штатных магнитолах, коннекторах
Connector.gif [ 14.25 КБ | Просмотров: 45075 ]

Многоконтактный разъем 1, 8-контактный, для динамиков
1 - Задний правый динамик, плюс
2 - Передний правый динамик, плюс
3 - Передний левый динамик, плюс
4 - Задний левый динамик, плюс
5 - Задний правый динамик, минус
6 - Передний правый динамик, минус
7 - Передний левый динамик, минус
8 - Задний левый динамик, минус
При наличии внешнего усилителя эти выходы используются в качестве линейного входа для усилителя. Ресивер в этом случаи программируется на режим "линейный вход 12дБ" вместо "силовой выход 26дБ"
Многоконтактный разъем 2, 8-контактный, питание, CAN шина
9 - шина CAN High
10 - шина CAN Low
11 - электропитания дисплея, плюс
12 - электропитания, минус, клейма 31
13 - дисплей HS CAN-Bus Low
14 - дисплей HS CAN-Bus High
15 - электропитания, плюс, клейма 30
16 - сигнал управления системы защиты от краж, SAFE\CODE, плюс
Многоконтактный разъем 3, 12-контактный, сигналы телефона и микрофона
1 - вход микрофона, минус
2 - выход AUX аудио, правый канал
3 - выход AUX аудио, общая земля
4 - выход микрофона, минус
5 - входящий аудиосигнал телефона, левый канал, минус
6 - входящий аудиосигнал телефона, правый канал, минус
7 - вход микрофона, плюс
8 - выход AUX аудио, леывй канал
9 - выход микрофона, плюс
10 - приглушение звука при разговоре по телефону
11 - входящий аудиосигнал с телефона, левый, плюс
12 - входящий аудиосигнал с телефона, правый, плюс
Многоконтактный разъем 4, 12-контактный, управление CD чейнджером, вход сигнала аудио CD
1 - вход сигнала AUX, левый канал
2 - AUX земля
3 - CD чейнджер, аудиосегнал масса
4 - CD чейнджер, электропитание, плюс, клейма 30, дополнительная нагрузка 1А, кратковременная нагрузка до 5А
5 - не используется
6 - CD чейнджер, DATA OUT, (обмен данными для управления CD чейнджер)
7 - вход сигнала AUX, правый канал
8 - CD чейнджер, левый канал, CD\L
9 - CD чейнджер, правый канал, CD\R
10 - CD чейнджер, провод управления, коммутируемый плюс
11 - CD чейнджер, DATA IN, (обмен данными для управления CD чейнджер)
12 - CD чейнджер, CLOCK, (внутренний протокол проверки для контроля данных)

Аналогичное подключение проводов у RCD 510 и RNS 510
В RNS 510 и RCD 510 есть дополнительные разъемы (у RCD 510 опция)
Вложение:
F.A.Q. По проводам в штатных магнитолах, коннекторах
26Pin.jpg [ 18.68 КБ | Просмотров: 45075 ]

1 - Зарезервирован для протокола Debug RX
2 - Зарезервирован для протокола Debug TX
3 - не используется
4 - вход видеосигнала RGBS, минус
5 - не используется
6 - встроенный универсальный комплект для подключения мобильного телефона, распознавание мобильного телефона
7 - встроенный универсальный комплект для подключения мобильного телефона, крэдл и распознавание клавиш
8 - встроенный универсальный комплект для подключения мобильного телефона, крэдл, диагностика антенны
9 - вход видеосигнала RGBS, минус
10 - вход видеосигнала NF, правый
11 - вход видеосигнала, масса экрана
12 - вход видеосигнала, синхронизация по вертикали и горизонтали
13 - вход видеосигнала, зеленый
14 - не используется
15 - не используется
16 - не используется
17 - не используется
18 - не используется
19 - встроенный универсальный комплект для подключения мобильного телефона, крэдл, минус
20 - встроенный универсальный комплект для подключения мобильного телефона, коммутируемая клейма 30
21 - не используется
22 - вход видеосигнала NF, минус
23 - вход видеосигнала NF, левый
24 - вход видеосигнала RGBS, минус
25 - вход видеосигнала, синий
26 - вход видеосигнала, красный

Quad Lock - используется в Volkswagen, Skoda, Seat и Audi
Вид в собранном состоянии
Вложение:
F.A.Q. По проводам в штатных магнитолах, коннекторах
QuadLock.JPG [ 62.9 КБ | Просмотров: 45075 ]

Корпус
Вложение:
F.A.Q. По проводам в штатных магнитолах, коннекторах
3B7035444.png [ 128.96 КБ | Просмотров: 45075 ]

Код для заказа 3B7 035 444
Вложение:
F.A.Q. По проводам в штатных магнитолах, коннекторах
Broun.jpg [ 48.98 КБ | Просмотров: 45075 ]

Код для заказа 3B7 035 447
Вложение:
F.A.Q. По проводам в штатных магнитолах, коннекторах
Blue.jpg [ 41.07 КБ | Просмотров: 45075 ]

Код для заказа 3B7 035 447 A
Вложение:
F.A.Q. По проводам в штатных магнитолах, коннекторах
Green.jpg [ 42.65 КБ | Просмотров: 45075 ]

Код для заказа 3B7 035 447 B

Для зеленой и синий фишки используются вот такой провод ( Код для заказа 000 979 009 1,0mm / коннектора для самостоятельной обжимки N 907 647 01)
Вложение:
F.A.Q. По проводам в штатных магнитолах, коннекторах
000979009.jpg [ 34.21 КБ | Просмотров: 45075 ]

Для черной и коричневой (питание и динамики) используются вот такие провода (Код для заказа: провод 000 979 133 1,0mm2 коннектора для самостоятельной обжимки N 906 844 05 / провод 000 979 225 2,5мм2 коннектора для самостоятельной обжимки N 906 845 05)
Вложение:
F.A.Q. По проводам в штатных магнитолах, коннекторах
000979225_000979133.jpg [ 26.72 КБ | Просмотров: 45075 ]

Так же в некоторых комплектациях используются обыкновенные ISO разъемы (Код для заказа черный 357 035 447 коричневый 357 035 447 A)
Вложение:
F.A.Q. По проводам в штатных магнитолах, коннекторах
ISO.jpg [ 27.7 КБ | Просмотров: 45075 ]

Назначение разъемов в ISO (переводил с немецкого, могут быть корявости перевода)
Черная фишка
1 - GALA (Функция управления звуком в зависимости от скорости движения автомобилем)
2 - выключения звука (Mute)
3 - диагностика (К-линия)
4 - зажигание
5 - сигнал управления системы защиты от краж, SAFE\CODE, плюс
6 - освещение (скорее всего иллюминация/подсветка кнопок магнитолы)
7 - постоянный плюс
8 - масса
Коричневая фишка (динамики)
1 - динамик, задний правый, плюс
2 - динамик, задний правый, минус
3 - динамик, передний правый, плюс
4 - динамик, передний правый, минус
5 - динамик, передний левый, плюс
6 - динамик, передний левый, минус
7 - динамик, задний левый, плюс
8 - динамик, задний левый, минус
Используются провода 000 979 133 и 000 979 225 (Код для заказа: провод 000 979 133 1,0mm2 коннектора для самостоятельной обжимки N 906 844 05 / провод 000 979 225 2,5мм2 коннектора для самостоятельной обжимки N 906 845 05)


 Профиль  
 
 

Не в сети
АвтоСтажер
Аватара пользователя

Зарегистрирован: 26 июл 2016, 21:36
Сообщения: 1
Откуда: Россия, Нижний Новгород
Благодарил (а): 0 раз.
Поблагодарили: 0 раз.
Хотел купить rds 330 но задумался о подключении разъемов,я второй владелец от предыдущий хозяин говорил что устанавливали магнитолу в салоне. Решил перед покупкой проверить подключение и оказалось,что подключили на скрутки. Кто может сказать код на фишку(штекер) магнитолы или скинуть ссылку.polo sedan 2014 г.в.


 Профиль  
 
 

Показать сообщения за:  Поле сортировки  
Начать новую тему Ответить на тему  [ Сообщений: 2 ] 


Кто сейчас на конференции

Сейчас этот форум просматривают: нет зарегистрированных пользователей и гости: 3


Вы не можете начинать темы
Вы не можете отвечать на сообщения
Вы не можете редактировать свои сообщения
Вы не можете удалять свои сообщения
Вы не можете добавлять вложения

Найти:
Перейти: