Клубный полоподбор со скидкой до 35% Найдем Polo по вашим требованиям, с гарантией!






Начать новую тему Ответить на тему  [ Сообщений: 14 ] 
Автор Сообщение
Не в сети
Опытный водитель

Зарегистрирован: 09 авг 2012, 08:08
Сообщения: 184
Откуда: москва
Благодарил (а): 162 раз.
Поблагодарили: 28 раз.
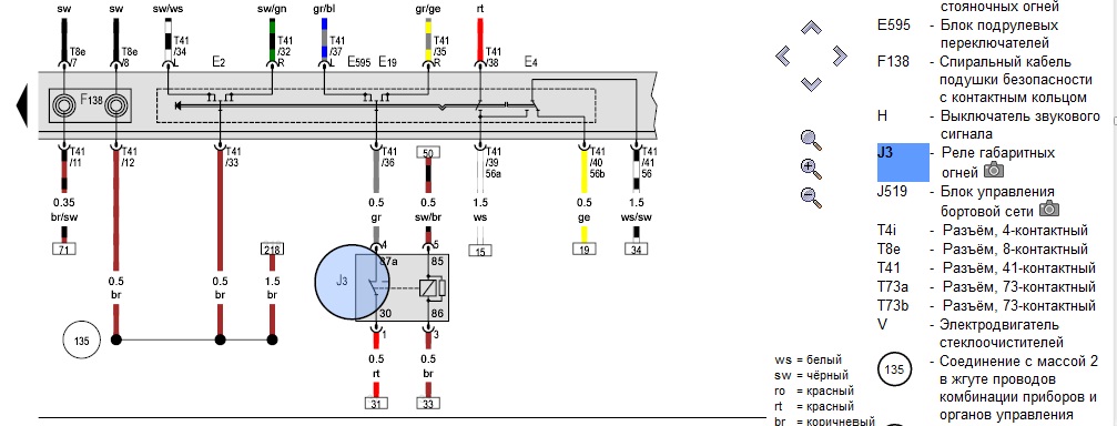
Вот немного решил разобраться в электрике авто и наткнулся на реле габаритных огней.
Я думал, что оно выполняет функцию разгрузочного реле, а оказывается, нет, вот отсюда, и возник вопрос.

По электрической схеме реле замыкает контакты, когда вынуть клочь зажигания. И если переключить указатель поворотов скажем влево-то, загораются левые габариты, а если вправо-то правые габариты.

Реле габаритных огней для чего оно и какую функцию выполняет в поло седане?


Вложения:
Для чего нужно реле габаритных огней?
rele.jpg [ 118.03 КБ | Просмотров: 8795 ]
 Профиль  
 
 

Не в сети
АвтоСпециалист
Аватара пользователя
Volkswagen Polo седан (2012)

Зарегистрирован: 25 янв 2013, 01:02
Сообщения: 501
Откуда: Москва
Благодарил (а): 28 раз.
Поблагодарили: 67 раз.
Возможно. Если включен ближний свет и в это время выключить зажигание, то автоматом переключается в габариты.
ИМХО может для этого? Но очень удобная штука для забывчивых


 Профиль  
 
 

Не в сети
Опытный водитель

Зарегистрирован: 09 авг 2012, 08:08
Сообщения: 184
Откуда: москва
Благодарил (а): 162 раз.
Поблагодарили: 28 раз.
Нет, эту функцию выполняет замок зажигания, он выключает реле ближнего света когда ключь повернут в состояние 0.


 Профиль  
 
 

Не в сети
АвтоГуру
Аватара пользователя

Зарегистрирован: 12 июн 2012, 19:24
Сообщения: 4390
Откуда: 23RUS-Полтавская
Благодарил (а): 1875 раз.
Поблагодарили: 2082 раз.

Имя: Николай
Сдается мне-это реле нужно для подачи на соответствующий поворотник (через переключатель поворота) постоянного+12 при выключении зажигания.При включении зажигания эта цепь разрывается и на лампы поступает импульсное напряжение из блока ВСМ.Одновременно контролируется целостность спиралей ламп-при перегорании частота импульсов удваивается,что является индикатором перегорания лампы


 Профиль  
 
 

Не в сети
АвтоЗнаток
Аватара пользователя
Volkswagen Polo седан (2013)

Зарегистрирован: 24 июн 2013, 12:21
Сообщения: 318
Изображения: 2
Откуда: Москва (Волгоград)
Благодарил (а): 46 раз.
Поблагодарили: 88 раз.
Dimon_1000 писал(а):
По электрической схеме реле замыкает контакты, когда вынуть клочь зажигания. И если переключить указатель поворотов скажем влево-то, загораются левые габариты, а если вправо-то правые габариты.

Ну Вы сами и ответили на свой вопрос. У нас в машине реализована система, которую мне приятней называть "парковочные огни" или "Парковочно-габаритные", потому что они обозначают габариты слева или справа именно во время стоянки.
Если бы не было этого реле, то во время движения при включении поворотника у Вас каждый раз загорались бы габариты соответствующего борта, а это неправильно.
А в нашем случае:
1) зажигание выключено. Поворотники не работают, т.к. они после замка зажигания. А реле нормально-замкнуто, и работают парковочные огни.
2) зажигание включено, поворотники работают от зажигания, а питание парковочных огней разомкнуто, чтобы они не работали вместе с поворотниками.

P.S. меня удивляет другое. Согласно схеме, на БУ приходит сигнал только от подсветки приборов, а это отдельная цепь от левого и правого борта габаритов. Тогда получается, что БУ не "знает" о включёных парковочных огнях. Однако, если открываешь дверь - БУ "жалуется" на них колокольчиком.
В то же время на Polo хетч в БУ есть отдельные входы именно под контроль левого и правого борта. Эти входы в распиновки нашего БУ числятся как "не используется". Видимо используются ;)


 Профиль Персональный альбом  
 
 

Не в сети
Опытный водитель

Зарегистрирован: 09 авг 2012, 08:08
Сообщения: 184
Откуда: москва
Благодарил (а): 162 раз.
Поблагодарили: 28 раз.
Да действительно есть такое понятие как парковочные огни, и они у нас в машине реализованы.
А я не знал о такой системе.
Вот нашел на просторах инета, что такое парковочные огни.

«Парковочные огни - это оптимизированный по энергопотреблению вариант включения габаритных огней во время стоянки в темное время суток. Парковочные огни отличаются от габаритных огней тем, что при включении парковочных огней НЕ включаются одновременно с ними:
- подсветка номерного знака;
- подсветка приборной доски;
- на некоторых моделях - кое-что еще.

Таким образом, при включении парковочных огней потребляемая мощность составляет не более 20 ватт (4 лампочки по 5 ватт), а при включении габаритных огней - не менее 40-45 ватт (плюс 2 лампочки подсветки номерного знака, плюс 3 лампочки подсветки приборной доски). Как говорится, ощутите разницу.

Есть еще более экономичные варианты парковочных огней, когда включаются только лампочки той стороны машины (левой или правой), которая находится дальше от бордюра (обочины). В этом случае потребление снижается вообще до 10 ватт. Обычно при выключенном зажигании этот режим включается вместо указателя поворота (т.е. перемещением переключателя "поворотников" в соответствующую сторону).»


 Профиль  
 
 

Не в сети
АвтоГуру
Аватара пользователя

Зарегистрирован: 12 июн 2012, 19:24
Сообщения: 4390
Откуда: 23RUS-Полтавская
Благодарил (а): 1875 раз.
Поблагодарили: 2082 раз.

Имя: Николай
И для реализации этого режима (поворотники вместо габаритов) и служит данное реле


 Профиль  
 
 

Не в сети
Опытный водитель

Зарегистрирован: 09 авг 2012, 08:08
Сообщения: 184
Откуда: москва
Благодарил (а): 162 раз.
Поблагодарили: 28 раз.
Да. Только не поворотники, а габариты. И зажигаются они только по одному борту, либо справа либо слева, в зависимости от того в какую сторону включен поворотник.
Но есть один не достаток такой системы, нужно постоянно контролировать положение поворотника, когда уходите надолго, а, то сядет аккумулятор.


 Профиль  
 
 

Не в сети
АвтоЗнаток
Аватара пользователя
Volkswagen Polo седан (2013)

Зарегистрирован: 24 июн 2013, 12:21
Сообщения: 318
Изображения: 2
Откуда: Москва (Волгоград)
Благодарил (а): 46 раз.
Поблагодарили: 88 раз.
Dimon_1000 писал(а):
Но есть один не достаток такой системы, нужно постоянно контролировать положение поворотника, когда уходите надолго, а, то сядет аккумулятор.

Van Highlander писал(а):
Тогда получается, что БУ не "знает" о включёных парковочных огнях. Однако, если открываешь дверь - БУ "жалуется" на них колокольчиком.

А у вас разве не сигнализирует о парковочных огнях?


 Профиль Персональный альбом  
 
 

Не в сети
Опытный водитель

Зарегистрирован: 09 авг 2012, 08:08
Сообщения: 184
Откуда: москва
Благодарил (а): 162 раз.
Поблагодарили: 28 раз.
Сегодня проверил.
Да действительно пищит приборка при открытии двери.


 Профиль  
 
 

Не в сети
АвтоЗнаток
Аватара пользователя
Volkswagen Polo седан (2013)

Зарегистрирован: 24 июн 2013, 12:21
Сообщения: 318
Изображения: 2
Откуда: Москва (Волгоград)
Благодарил (а): 46 раз.
Поблагодарили: 88 раз.
Кстати, я заметил, что сигнализировать БУ начинает уже в не фиксированном положении переключателя, а борт начинает гореть только в фиксированном )) Отсюда получается, что БУ действительно не "знает" о включённом парковочном огне наверняка. Но зато он "знает" о включённом поворотнике, а из этого делает вывод, что включён парковочный огонь.


 Профиль Персональный альбом  
 
 

Не в сети
АвтоСтажер

Зарегистрирован: 27 июл 2014, 12:44
Сообщения: 10
Откуда: Novosibirsk
Благодарил (а): 3 раз.
Поблагодарили: 6 раз.
Подскажите пожалста, где это реле находится. Хочу выдернуть (супруга регулярно оставляет включенный борт)


 Профиль  
 
 

Не в сети
АвтоЗнаток
Аватара пользователя
Volkswagen Polo седан (2013)

Зарегистрирован: 24 июн 2013, 12:21
Сообщения: 318
Изображения: 2
Откуда: Москва (Волгоград)
Благодарил (а): 46 раз.
Поблагодарили: 88 раз.
estar, Все реле располагаются слева от основания педалей (если смотреть по ходу машины). Увидеть их можно, если снять боковую облицовку панели, или лечь головой в педали.
Реле стояночных огней - это прямоугольное, как бы половинчаное реле. Стоит в паре с реле ближнего света. Скорее всего в нижнем ряду. Реле с одной стороны держит защёлка.

Однако, замечено, что коммутация габаритов изменилась с 2014 модельного года: габариты скорее всего включаются через блок управления, следовательно, стояночные огни надо отключать ВагКом-ом.


 Профиль Персональный альбом  
 
 

Не в сети
АвтоСтажер

Зарегистрирован: 27 июл 2014, 12:44
Сообщения: 10
Откуда: Novosibirsk
Благодарил (а): 3 раз.
Поблагодарили: 6 раз.
Итак, реле выдернул. Проблема решена. Подробности на картинке.
Вложение:
Для чего нужно реле габаритных огней?
рсо.jpg [ 274.77 КБ | Просмотров: 8003 ]

В двух источниках видел разное расположение реле, у меня не совпало ни с тем, ни с другим.
Снять переключатель освещения не удалось, поэтому выдергивал засунув руку снизу. Защелок нет, покачивал и тянул. На работу остальных систем не повлияло. Минус с акк. не скидывал.
Корпоративный Volkswagen Polo седан, Comfortline, МКПП, ноябрь 2011.

Было бы здорово реле оставить на месте и организовать на нем ДХО пересоединив подходящие к нему провода. Но это совсем другая история.

Фразы для поиска: как снять реле стояночных огней , отключение стояночных огней , как отключить габаритные огни .


 Профиль  
 
 

Показать сообщения за:  Поле сортировки  
Начать новую тему Ответить на тему  [ Сообщений: 14 ] 


Кто сейчас на конференции

Сейчас этот форум просматривают: нет зарегистрированных пользователей и гости: 2


Вы не можете начинать темы
Вы не можете отвечать на сообщения
Вы не можете редактировать свои сообщения
Вы не можете удалять свои сообщения
Вы не можете добавлять вложения

Найти:
Перейти: