Клубный полоподбор со скидкой до 35% Найдем Polo по вашим требованиям, с гарантией!






Начать новую тему Ответить на тему  [ Сообщений: 30 ] 
Автор Сообщение
Не в сети
АвтоГуру
Аватара пользователя

Зарегистрирован: 28 сен 2011, 20:38
Сообщения: 2398
Изображения: 6
Откуда: Волгоград
Благодарил (а): 1613 раз.
Поблагодарили: 1335 раз.

Имя: Юрий/Drive1.4TSI+DSG
В данной теме предлагаю отписываться об установке передних ПТФ на наших ФПС.

Сегодня подключали передние ПТФ через обычную кнопку (от Приоры) и реле с замыкающим контактом. Включение реле, которое включает силовую цепь ПТФ, осуществляется от прикуривателя.
Ниже выкладываю фотоотчет с комментариями.


Вложения:
Комментарий к файлу: Подключение передних ПТФ осуществлено по такой схеме (только вместо одного общего предохранителя на 15 А, были установлены два предохранителя по 7,5 А на каждый ПТФ
Волгоград. Установка ПТФ.
Подключени ПТФ через кнопку.JPG [ 36.04 КБ | Просмотров: 8078 ]
Комментарий к файлу: Реле и предохранители установлены в подкапотном пространстве
Волгоград. Установка ПТФ.
DSC01220.JPG [ 412.63 КБ | Просмотров: 8078 ]
Комментарий к файлу: Чтобы добраться до отвеной части прикуривателя пришлось снять обшивку тоннеля
Волгоград. Установка ПТФ.
DSC01221.JPG [ 386.74 КБ | Просмотров: 8078 ]
Волгоград. Установка ПТФ.
DSC01222.JPG [ 429.83 КБ | Просмотров: 8078 ]
Волгоград. Установка ПТФ.
DSC01223.JPG [ 390.99 КБ | Просмотров: 8078 ]
Комментарий к файлу: Кнопка передних ПТФ от Приоры и заглушка около прикуривателя
Волгоград. Установка ПТФ.
DSC01227.JPG [ 346.93 КБ | Просмотров: 8078 ]
Комментарий к файлу: Примеряем кнопку. По размера она чуть больше, поэтому нужно немного поработать натфилем
Волгоград. Установка ПТФ.
DSC01225.JPG [ 399.77 КБ | Просмотров: 8078 ]
Комментарий к файлу: Результат
Волгоград. Установка ПТФ.
DSC01224.JPG [ 377.24 КБ | Просмотров: 8078 ]
 Профиль  
 
 

Не в сети
АвтоЗнаток
Аватара пользователя

Зарегистрирован: 08 июл 2011, 11:03
Сообщения: 483
Откуда: Волгоград
Благодарил (а): 192 раз.
Поблагодарили: 228 раз.
Вот и моя часть фотоотчета.


Вложения:
Волгоград. Установка ПТФ.
Фото0242.jpg [ 1.67 МБ | Просмотров: 8077 ]
Волгоград. Установка ПТФ.
Фото0245.jpg [ 1.42 МБ | Просмотров: 8077 ]
Волгоград. Установка ПТФ.
Фото0246.jpg [ 1.33 МБ | Просмотров: 8077 ]
Волгоград. Установка ПТФ.
Фото0247.jpg [ 1.2 МБ | Просмотров: 8077 ]
Волгоград. Установка ПТФ.
Фото0248.jpg [ 1.32 МБ | Просмотров: 8077 ]
Волгоград. Установка ПТФ.
Фото0249.jpg [ 1.63 МБ | Просмотров: 8077 ]
Волгоград. Установка ПТФ.
Фото0255.jpg [ 1.47 МБ | Просмотров: 8077 ]
Волгоград. Установка ПТФ.
Фото0256.jpg [ 1.35 МБ | Просмотров: 8077 ]
Волгоград. Установка ПТФ.
Фото0257.jpg [ 1.3 МБ | Просмотров: 8077 ]
Волгоград. Установка ПТФ.
Фото0258.jpg [ 1.28 МБ | Просмотров: 8077 ]
 Профиль  
 
 

Не в сети
АвтоСтажер

Зарегистрирован: 02 фев 2012, 23:58
Сообщения: 57
Откуда: Борисоглебск Воронежской
Благодарил (а): 141 раз.
Поблагодарили: 9 раз.
Привет, соседи. Изучаю эту тему так как собираю комплектующие для этого девайса. Был в нашем магазине в Марьиной Роще, прикупил то что хотел, теперь дело за учтановкой.
Не заметил момента как силовой провод провели от кнопки через салон и моторную панель. Сложно, есть ли там отверстия в моторный отсек? Отпишите пож. если не напрягает.

_________________
Если бы знал, чем обернётся моя покупка, честное слово- не торопился бы за этим приобретением.


 Профиль  
 
 

Не в сети
АвтоЗнаток
Аватара пользователя

Зарегистрирован: 04 сен 2011, 16:29
Сообщения: 443
Откуда: Новосибирск
Благодарил (а): 486 раз.
Поблагодарили: 408 раз.
scientific_brain
Frion
og_luzhok Поздравляю, молодцы!!!


 Профиль  
 
 

Не в сети
АвтоГуру
Аватара пользователя

Зарегистрирован: 28 сен 2011, 20:38
Сообщения: 2398
Изображения: 6
Откуда: Волгоград
Благодарил (а): 1613 раз.
Поблагодарили: 1335 раз.

Имя: Юрий/Drive1.4TSI+DSG
Шурика писал(а):
Не заметил момента как силовой провод провели от кнопки через салон и моторную панель. Сложно, есть ли там отверстия в моторный отсек? Отпишите пож. если не напрягает.

Мы на этой машине не протягивали провод в салон. Был использован провод от сигнализации, который идет от концевика капота, т.к. концевик сгнил и сам хозяин решил, что данный концевик является ненужным для него. Провод откусили с двух сторон и подключили его на кнопку и обмотку реле. Хочу заметить, что данный провод является управляющим и через него проходит всего 150-200 мА. А силовой провод проятнули в подкапотном пространстве от реле, до ПТФ через два предохранителя.

alexnj писал(а):
scientific_brain
Frion
og_luzhok Поздравляю, молодцы!!!

Алексей, нас поздравлять пока не с чем, т.к. мы только принимали участие и заодно учились на чужом автомобиле :grin: . В будущем скоро будем показывать свои фотоотчеты.


 Профиль  
 
 

Не в сети
АвтоСпециалист
Аватара пользователя

Зарегистрирован: 08 мар 2011, 14:56
Сообщения: 733
Откуда: Новосибирск
Благодарил (а): 673 раз.
Поблагодарили: 504 раз.
scientific_brain
Frion


Учиться ни когда не поздно, поздравляю!!! respekt :grin:


 Профиль  
 
 

Не в сети
АвтоЗнаток
Аватара пользователя

Зарегистрирован: 08 июл 2011, 11:03
Сообщения: 483
Откуда: Волгоград
Благодарил (а): 192 раз.
Поблагодарили: 228 раз.
Спасибо , respekt скоро будет продолжение. tuzemec tachka2


 Профиль  
 
 

Не в сети
АвтоЗнаток
Аватара пользователя

Зарегистрирован: 08 июл 2011, 11:03
Сообщения: 483
Откуда: Волгоград
Благодарил (а): 192 раз.
Поблагодарили: 228 раз.
И так теперь моя очередь. bayan take_example
Сегодня вечером получил свой заказ: ПТФ "DEPO" и заглушки в бампер для ПТФ.
Так как из-за резкого подорожания draka :evil: заглушек с хром окантовкой,было решено использовать бюджетный вариант.В дальнейшем скорее всего эта окантовка будет выкрашена в цвет автомобиля :geek: . И были куплены для пробного пуска лампочки "МАЯК" HB4 12V55 .В будущем хочется установить ксенон :ugeek: :geek: 8-) .
Теперь ждем процесс установки .


Вложения:
Волгоград. Установка ПТФ.
Фото0264.jpg [ 1.1 МБ | Просмотров: 7919 ]
Волгоград. Установка ПТФ.
Фото0265.jpg [ 1.13 МБ | Просмотров: 7919 ]
Волгоград. Установка ПТФ.
Фото0266.jpg [ 1.01 МБ | Просмотров: 7919 ]
Волгоград. Установка ПТФ.
Фото0268.jpg [ 1.24 МБ | Просмотров: 7919 ]
Волгоград. Установка ПТФ.
Фото0269.jpg [ 1011.71 КБ | Просмотров: 7919 ]
Волгоград. Установка ПТФ.
Фото0271.jpg [ 883.39 КБ | Просмотров: 7919 ]
Волгоград. Установка ПТФ.
Фото0272.jpg [ 1.02 МБ | Просмотров: 7919 ]
Волгоград. Установка ПТФ.
Фото0273.jpg [ 1.08 МБ | Просмотров: 7919 ]
 Профиль  
 
 

Не в сети
АвтоГуру
Аватара пользователя

Зарегистрирован: 28 сен 2011, 20:38
Сообщения: 2398
Изображения: 6
Откуда: Волгоград
Благодарил (а): 1613 раз.
Поблагодарили: 1335 раз.

Имя: Юрий/Drive1.4TSI+DSG
Впринципе и бюджетные крышки смотрятся хорошо. На мой взгляд можно даже ничего не трогать (т.е. не подкрашивать). Будем ждать отчета по подключению. popcorm2


 Профиль  
 
 

Не в сети
АвтоСпециалист
Аватара пользователя

Зарегистрирован: 18 дек 2011, 20:56
Сообщения: 699
Откуда: Волжский Волгоградской обл.
Благодарил (а): 262 раз.
Поблагодарили: 338 раз.
Frion, по моему смотрятся прилично и без покраски. Где куплено? И цена вопроса?


 Профиль  
 
 

Не в сети
АвтоЗнаток
Аватара пользователя

Зарегистрирован: 08 июл 2011, 11:03
Сообщения: 483
Откуда: Волгоград
Благодарил (а): 192 раз.
Поблагодарили: 228 раз.
kork

Я у брата заказывал,он запчастями занимается :idea: . цена ПТФ+заглушки=3300 р.


 Профиль  
 
 

Не в сети
АвтоГуру
Аватара пользователя
Volkswagen Polo седан (2010)

Зарегистрирован: 25 июл 2010, 17:19
Сообщения: 9611
Изображения: 46
Откуда: Новосибирск.
Благодарил (а): 9223 раз.
Поблагодарили: 5285 раз.

Имя: Евгений
Привет, друзья.
Прошу вас не забывать, о том, что такое форум. Мы в Новосибирске все детальки с номерочками выкладываем. Прошу и вас о том же. Только такие посты, будут действительно полезны, в которых будет максимум информации!!!
Давайте учиться друг у друга!


 Профиль Персональный альбом  
 
 

Не в сети
АвтоЗнаток
Аватара пользователя

Зарегистрирован: 08 июл 2011, 11:03
Сообщения: 483
Откуда: Волгоград
Благодарил (а): 192 раз.
Поблагодарили: 228 раз.
Ну вот установили Сергеем мои ПТФ oleole pirat :drinks: :man_in_love: .Смотрим!!!
А так же все варианты освещения при помощи кнопки на ПТФ.


Вложения:
Комментарий к файлу: вид кнопки ввечером
Волгоград. Установка ПТФ.
Фото0290.jpg [ 817.21 КБ | Просмотров: 7855 ]
Комментарий к файлу: Сергей за работой
Волгоград. Установка ПТФ.
Фото0275.jpg [ 1.44 МБ | Просмотров: 7855 ]
Волгоград. Установка ПТФ.
Фото0276.jpg [ 1.24 МБ | Просмотров: 7855 ]
Комментарий к файлу: плюс подведен к аккумулятору
Волгоград. Установка ПТФ.
Фото0277.jpg [ 1.34 МБ | Просмотров: 7855 ]
Комментарий к файлу: релешку брал обычную Тазовскую 4-х контактную
Волгоград. Установка ПТФ.
Фото0279.jpg [ 995.96 КБ | Просмотров: 7855 ]
Волгоград. Установка ПТФ.
Фото0280.jpg [ 1.66 МБ | Просмотров: 7855 ]
Волгоград. Установка ПТФ.
Фото0281.jpg [ 1.43 МБ | Просмотров: 7855 ]
Комментарий к файлу: первый (пробный) пуск от аккумулятора.
Волгоград. Установка ПТФ.
Фото0282.jpg [ 1.39 МБ | Просмотров: 7855 ]
Комментарий к файлу: место протяжки провода в салон,с другой стороны через это место в салон проходит тросик от замка капота.
Волгоград. Установка ПТФ.
Фото0283.jpg [ 1005.01 КБ | Просмотров: 7855 ]
Волгоград. Установка ПТФ.
Фото0284.jpg [ 1.19 МБ | Просмотров: 7855 ]
Волгоград. Установка ПТФ.
Фото0285.jpg [ 1.13 МБ | Просмотров: 7855 ]
Волгоград. Установка ПТФ.
Фото0286.jpg [ 1.11 МБ | Просмотров: 7855 ]
Волгоград. Установка ПТФ.
Фото0287.jpg [ 1.02 МБ | Просмотров: 7855 ]
Волгоград. Установка ПТФ.
Фото0288.jpg [ 997.87 КБ | Просмотров: 7855 ]
Волгоград. Установка ПТФ.
Фото0289.jpg [ 1.04 МБ | Просмотров: 7855 ]
 Профиль  
 
 

Не в сети
АвтоГуру
Аватара пользователя

Зарегистрирован: 28 сен 2011, 20:38
Сообщения: 2398
Изображения: 6
Откуда: Волгоград
Благодарил (а): 1613 раз.
Поблагодарили: 1335 раз.

Имя: Юрий/Drive1.4TSI+DSG
На этих выходных посвятил всего себя прокладке проводов под ПТФ. В один день у меня не получилось уложиться, поэтому захватил два дня. В общем потратил 10 часов жизни (это без учета времени на закупку необходимых материалов). После танцев и ползания возле своего ФПС теперь болят поясница и ягодичные мышцы. :) Теперь перейду к делу.
Материалы:
1. Провода сечением:
- 2,5 мм.кв. - 2 м.
- 1,5 мм.кв. - 7 м.
2. Защитная гофра внутренним диаметром 8 мм - 3 м.
3. Изолента ПВХ черная - 2 шт.
4. Стяжки черного цвета - 20 шт. коротких и 10 шт. длинных.

Комплектующие:
1. Наконечники - 3 шт под крепежное отверстие 6 мм и под провод не менее 1,5 мм. кв.
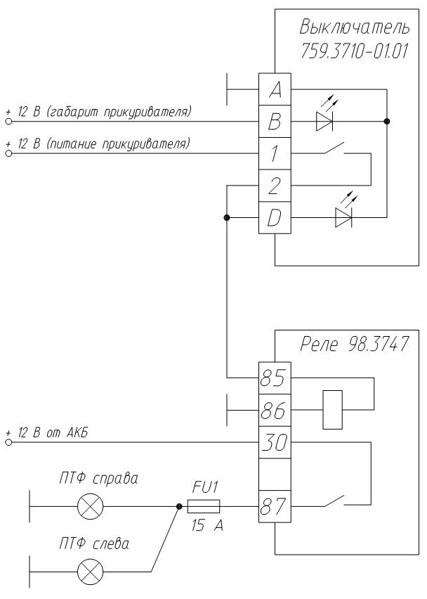
2. Реле 90.3747-10 - 1 шт. (силовая цепь до 30 А, один замыкающих контакт)
3. Соединительная колодка для реле - 1 шт.
4. Выключатель 759.3710-01.01 - 1 шт. (от Приоры для включения передних ПТФ).
5. Соединительная колодка для выключателя - 1 шт.
6. Предохранитель на 15 А - 1 шт.
7. Держатель предохранителя - 1 шт.
8. Соединитель HB4 для подключения ламп передних ПТФ - 2 шт.

Очень трудно было определиться с местом установки реле. После долгого раздумья выбрал место на задней стенке моторного отсека в районе расширительного бачка. Но на этом трудности не закончились, т.к. пришлось думать, как лучше проложить провод от АКБ до реле и от реле до левой передней ПТФ (если смотреть по ходу движения автомобиля). Хотел проложить провода под декоративной пластмассовой крышкой дворников, но если ее не снимать, то провода будут лежать на каких-то острых гранях, поэтому от этого варианта отказался. Остановился на варианте - проложить провод над радиатором сверху (этот вариант мне не нравится тем, что если придется снимать бампер или выполнять какие-то демотнажные работы через передок автомобиля, то эти провода будут мешаться, но пока сойдет).
Провод в салон завел через заглушку справа, как сделал Сергей (Frion). В салоне, чтобы проложить провод, пришлось снимать бардачок. Чтобы "подцепиться" к проводам прикуривателя пришлось снять тоннель (как делали у Сергея электрика на машине).
Изоленту я не жалел, поэтому израсходовал полтора мотка. Все провода обмотаны черной изолентой, поэтому хорошо вписались на фоне заводских жгутов.
На провода, в местах контакта с кромками кузова, одевал защитную гофру.
Предохранитель на 15 А установил в цепь сразу после АКБ.

Теперь осталось дождаться ПТФ :-)

Ниже небольшой фотоочет.


Вложения:
Комментарий к файлу: Схема подключения передних ПТФ через кнопку
Волгоград. Установка ПТФ.
Схема подкл. ПТФ 1.jpg [ 24.07 КБ | Просмотров: 7822 ]
Комментарий к файлу: Место установки предохранителя
Волгоград. Установка ПТФ.
DSC01255.JPG [ 429.51 КБ | Просмотров: 7822 ]
Комментарий к файлу: Место установки реле
Волгоград. Установка ПТФ.
DSC01256.JPG [ 351.05 КБ | Просмотров: 7822 ]
Комментарий к файлу: Соединители НВ4 для подключени ПТФ
Волгоград. Установка ПТФ.
DSC01247.JPG [ 434.82 КБ | Просмотров: 7822 ]
Волгоград. Установка ПТФ.
DSC01248.JPG [ 386.87 КБ | Просмотров: 7822 ]
Комментарий к файлу: Выключатель установлен
Волгоград. Установка ПТФ.
DSC01258.JPG [ 350.55 КБ | Просмотров: 7822 ]
Комментарий к файлу: Чужеродная зеленая подсветка
Волгоград. Установка ПТФ.
DSC01259.JPG [ 300.29 КБ | Просмотров: 7822 ]
 Профиль  
 
 

Не в сети
АвтоЗнаток
Аватара пользователя

Зарегистрирован: 08 июл 2011, 11:03
Сообщения: 483
Откуда: Волгоград
Благодарил (а): 192 раз.
Поблагодарили: 228 раз.
вот ,молодец, всё классно получилось.


 Профиль  
 
 

Показать сообщения за:  Поле сортировки  
Начать новую тему Ответить на тему  [ Сообщений: 30 ] 


Кто сейчас на конференции

Сейчас этот форум просматривают: нет зарегистрированных пользователей и гости: 1


Вы не можете начинать темы
Вы не можете отвечать на сообщения
Вы не можете редактировать свои сообщения
Вы не можете удалять свои сообщения
Вы не можете добавлять вложения

Найти:
Перейти: