Клубный полоподбор со скидкой до 35% Найдем Polo по вашим требованиям, с гарантией!






Начать новую тему Ответить на тему  [ Сообщений: 997 ] 
Автор Сообщение
Не в сети
АвтоГуру
Аватара пользователя

Зарегистрирован: 28 сен 2011, 20:38
Сообщения: 2398
Изображения: 6
Откуда: Волгоград
Благодарил (а): 1613 раз.
Поблагодарили: 1335 раз.

Имя: Юрий/Drive1.4TSI+DSG
Найди электрика и объясни ему, что именно ты хочешь. В этом ничего сложного нет для людей, которые разбираются в электричестве.


 Профиль  
 
 

Не в сети
АвтоСтажер

Зарегистрирован: 11 май 2012, 22:10
Сообщения: 22
Откуда: Ульяновск
Благодарил (а): 0 раз.
Поблагодарили: 2 раз.
Фара линза противотуманная vw polo sd L (левая) - 1500 р. за шт.
Фара противотуманная vw polo sd R - 1170 р. за шт.
Фара противотуманная 1ТО941699С - 2332 р. за шт.
Фара противотуманная DEPO 441-2025L-UQ

Чем они все отличаются друг от друга, кроме цены? И какие лучше брать?


 Профиль  
 
 

Не в сети
АвтоСпециалист
Аватара пользователя

Зарегистрирован: 08 мар 2011, 14:56
Сообщения: 733
Откуда: Новосибирск
Благодарил (а): 673 раз.
Поблагодарили: 504 раз.
panmax писал(а):
Фара линза противотуманная vw polo sd L (левая) - 1500 р. за шт.
Фара противотуманная vw polo sd R - 1170 р. за шт.
Фара противотуманная 1ТО941699С - 2332 р. за шт.
Фара противотуманная DEPO 441-2025L-UQ

Чем они все отличаются друг от друга, кроме цены? И какие лучше брать?



viewtopic.php?f=81&t=5102&p=188260#p188260 все описано у нас в этой теме :arrow:

первый и второй вариант лучше не брать, но это мое только мнение :arrow:
лучше Фара противотуманная 1ТО941699С это оригинал, который ставят на Highline, они идут без линзы, но с лампами НВ4,в комплекте
Фара противотуманная DEPO 441-2025L-UQ с линзой, лампы Н11, в комплекте не идут :!: ( Я на свой POLOседан такие поставил!!!!) :-)
еще есть DEPO 441-2039L-E ,без линзы, лампы НВ4, в комплекте не идут :!:
Производитель "Hella" 1N0 271 289-031 (л.), 1N0 271 289-041 (п.) (Без линз)
1N0 270 596-051 (л.), 1N0 270 596-061 (п.) (С линзами)
ПТФ HELLA идут в комплекте с лампочками HB4 :!:


 Профиль  
 
 

Не в сети
АвтоГуру
Аватара пользователя

Зарегистрирован: 28 сен 2011, 20:38
Сообщения: 2398
Изображения: 6
Откуда: Волгоград
Благодарил (а): 1613 раз.
Поблагодарили: 1335 раз.

Имя: Юрий/Drive1.4TSI+DSG
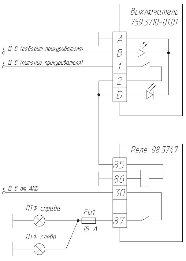
Установили передние ПТФ по данной схеме
Все об установке ПТФ . VW Polo sedan

Фотоотчет приведен в этой теме


 Профиль  
 
 

Не в сети
АвтоСтажер
Аватара пользователя

Зарегистрирован: 20 май 2012, 22:14
Сообщения: 57
Откуда: Москва
Благодарил (а): 2 раз.
Поблагодарили: 13 раз.
А такие ни кто не ставил? http://www.caroptics.ru/volkswagen_polo_10.html
Все об установке ПТФ . VW Polo sedan


 Профиль  
 
 

Не в сети
АвтоСпециалист

Зарегистрирован: 18 дек 2011, 10:20
Сообщения: 544
Откуда: Выкса, Нижегородская обл
Благодарил (а): 253 раз.
Поблагодарили: 157 раз.
r.i.m.
в начале темы обсуждалось. Не подходят они для поло седана, только для хетча.

_________________
Машина вполне надежна, не сильно балует комфортом, но хорошо управляется, достаточно компактна и маневренна, в тоже время удобна и вместительна в роли...


 Профиль  
 
 

Не в сети
АвтоЗнаток
Аватара пользователя

Зарегистрирован: 23 дек 2010, 03:18
Сообщения: 286
Изображения: 14
Откуда: Moscow city
Благодарил (а): 73 раз.
Поблагодарили: 97 раз.
r.i.m. писал(а):
А такие ни кто не ставил? http://www.caroptics.ru/volkswagen_polo_10.html


я поставил, только чуть покруче... На этих фарах ТОЛЬКО ПТФ, а у меня еще и габаритные лампочки) но соответственно поменяли и хачовский бампер

+ сайт ты даешь екатеренбурга, их можно купить и в москве и ценик у них чуть меньше 2кусков за пару


 Профиль  
 
 

Не в сети
АвтоЭксперт

Зарегистрирован: 27 ноя 2011, 10:41
Сообщения: 1038
Откуда: Москва
Благодарил (а): 116 раз.
Поблагодарили: 512 раз.
r.i.m. писал(а):
А такие ни кто не ставил? http://www.caroptics.ru/volkswagen_polo_10.html
Все об установке ПТФ . VW Polo sedan

Такие у меня стоят, тока сдвоенные.

Golubets писал(а):

я поставил, только чуть покруче... На этих фарах ТОЛЬКО ПТФ, а у меня еще и габаритные лампочки) но соответственно поменяли и хачовский бампер

[
А где фото ?)))Установленных


 Профиль  
 
 

Не в сети
АвтоСтажер
Аватара пользователя

Зарегистрирован: 20 май 2012, 22:14
Сообщения: 57
Откуда: Москва
Благодарил (а): 2 раз.
Поблагодарили: 13 раз.
Ivan.Ko спасибо, жаль...


 Профиль  
 
 

Не в сети
АвтоЗнаток
Аватара пользователя

Зарегистрирован: 23 дек 2010, 03:18
Сообщения: 286
Изображения: 14
Откуда: Moscow city
Благодарил (а): 73 раз.
Поблагодарили: 97 раз.
ну вот всем кому интересно и кто еще не в курсе что птф от хачика нам можно поставить на машину вам сюда


 Профиль  
 
 

Не в сети
АвтоЛюбитель
Аватара пользователя

Зарегистрирован: 22 мар 2012, 14:21
Сообщения: 67
Откуда: Москва
Благодарил (а): 3 раз.
Поблагодарили: 6 раз.
а насколько сильно будет разниться свет ПТФ обычных и линзованных если в них ксенон поставить???


 Профиль  
 
 

Не в сети
АвтоГуру
Аватара пользователя

Зарегистрирован: 28 сен 2011, 20:38
Сообщения: 2398
Изображения: 6
Откуда: Волгоград
Благодарил (а): 1613 раз.
Поблагодарили: 1335 раз.

Имя: Юрий/Drive1.4TSI+DSG
Мой отчет о прокладке проводов для подключения ПТФ (см. тут).


 Профиль  
 
 

Не в сети
АвтоЗнаток

Зарегистрирован: 04 окт 2011, 23:45
Сообщения: 368
Благодарил (а): 391 раз.
Поблагодарили: 71 раз.

Имя: Александр
Помогите пожалуйста, не могу снять переключатель света, делаю всё как написано в руководстве по ремонту: нажал на ручку переключателя пытаюсь повернуть по часовой стрелке, но не поворачивается, шевелится весь, кроме правой стороны, я снял заглушку слева, уже за корпус пытался повернуть, но стоит как прикрученный справа, ломать не хочется. Может кто-нибудь сталкивался с этой бедой?


 Профиль  
 
 

Не в сети
АвтоЭксперт
Аватара пользователя

Зарегистрирован: 13 июл 2011, 10:56
Сообщения: 1594
Изображения: 0
Откуда: Москва
Благодарил (а): 512 раз.
Поблагодарили: 777 раз.
sasechka писал(а):
Помогите пожалуйста, не могу снять переключатель света, делаю всё как написано в руководстве по ремонту: нажал на ручку переключателя пытаюсь повернуть по часовой стрелке, но не поворачивается, шевелится весь, кроме правой стороны, я снял заглушку слева, уже за корпус пытался повернуть, но стоит как прикрученный справа, ломать не хочется. Может кто-нибудь сталкивался с этой бедой?

А если поиском воспользоваться?никак??-
viewtopic.php?f=14&t=5252&p=167151&hilit=%D1%81%D0%BD%D1%8F%D1%82%D1%8C+%D0%BF%D0%B5%D1%80%D0%B5%D0%BA%D0%BB%D1%8E%D1%87%D0%B0%D1%82%D0%B5%D0%BB%D1%8C+%D1%81%D0%B2%D0%B5%D1%82%D0%B0#p167151


 Профиль  
 
 

Не в сети
АвтоСпециалист
Аватара пользователя

Зарегистрирован: 19 апр 2011, 16:46
Сообщения: 546
Откуда: г.Тамбов
Благодарил (а): 317 раз.
Поблагодарили: 154 раз.

Имя: Сергей
sasechka писал(а):
нажал на ручку переключателя

Она должна находиться в выкл. состоянии , затем , когда на неё нажмёшь она должна утопиться во внутрь ,и вот здесь поворачивай по час. стрелке до символа "габариты" .Затем потяни на себя ,должна выйти как " по маслу " , пробуй , усилий быть не должно.


 Профиль  
 
 

Показать сообщения за:  Поле сортировки  
Начать новую тему Ответить на тему  [ Сообщений: 997 ] 


Кто сейчас на конференции

Сейчас этот форум просматривают: нет зарегистрированных пользователей и гости: 3


Вы не можете начинать темы
Вы не можете отвечать на сообщения
Вы не можете редактировать свои сообщения
Вы не можете удалять свои сообщения
Вы не можете добавлять вложения

Найти:
Перейти: