Клубный полоподбор со скидкой до 35% Найдем Polo по вашим требованиям, с гарантией!






Начать новую тему Ответить на тему  [ Сообщений: 997 ] 
Автор Сообщение
Не в сети
АвтоЭксперт
Volkswagen Polo седан (2011)

Зарегистрирован: 03 сен 2011, 17:27
Сообщения: 1194
Изображения: 4
Откуда: Пермь
Благодарил (а): 203 раз.
Поблагодарили: 112 раз.

Имя: Иван
а тем временем я сделал вот такую подборку ссылок на схемы подключения туманок, которые нашел в этих трех темах:

download/file.php?id=6203&mode=view
http://radikal.ru/F/s019.radikal.ru/i60 ... f.jpg.html
download/file.php?id=12083&mode=view
download/file.php?id=15098&mode=view
download/file.php?id=15510&mode=view
download/file.php?id=15833&mode=view

вы мне сейчас скажите - мне для подключения ПТФ на комфорте надо покупать т.н. монтажный комплект проводов (как выкладывал фотку ув. alexnj:
Все об установке ПТФ . VW Polo sedan) или вся необходимая проводка уже есть, в любом случае вопрос - откуда куда тянуть провода и куда подключать...

ps сорри за кучу дурацких вопросов, но надо все хорошо изучить сначала, потом уже рисковать проводкой в своей новой машине...

_________________
считаю что машина своих денег стоит и даже больше того.


 Профиль Персональный альбом  
 
 

Не в сети
АвтоГуру
Аватара пользователя

Зарегистрирован: 20 дек 2011, 15:02
Сообщения: 2215
Изображения: 5
Откуда: Новосибирск
Благодарил (а): 1673 раз.
Поблагодарили: 721 раз.
Я себе проводку сделаю сам, куплю ингредиенты и по месту (по размеру, по длине) проложу.


 Профиль Персональный альбом  
 
 

Не в сети
АвтоСтажер

Зарегистрирован: 20 фев 2012, 13:15
Сообщения: 38
Откуда: МСК
Благодарил (а): 1 раз.
Поблагодарили: 16 раз.
Fan_FERRARI писал(а):
...мне б на пальцах...
Берешь полметра 1,5мм2 провода сажаешь с одной стороны наконечник N 906 845 05, и вставляешь его в pin8 на разъеме переключателя света. С другой стороны сажаешь наконечник N 904 219 01 - и вставляешь в блок предохранителей под предохранитель F54. Далее берешь провод с наконечником N 904 219 01, соединяешь в блоке предохранителей под предохранитель F54 и выводишь под капот. Далее уже на 2 туманки разводку.
Под левую туманку есть земляная клемма, а под правую нет. Сажал на шпильку крепления бачка омывателя


 Профиль  
 
 

Не в сети
АвтоЭксперт
Volkswagen Polo седан (2011)

Зарегистрирован: 03 сен 2011, 17:27
Сообщения: 1194
Изображения: 4
Откуда: Пермь
Благодарил (а): 203 раз.
Поблагодарили: 112 раз.

Имя: Иван
kozzy писал(а):
С другой стороны сажаешь наконечник N 904 219 01

а где пару таких наконечников найти? в экзисте нету...

_________________
считаю что машина своих денег стоит и даже больше того.


 Профиль Персональный альбом  
 
 

Не в сети
Опытный водитель
Аватара пользователя

Зарегистрирован: 22 окт 2011, 14:51
Сообщения: 233
Изображения: 13
Откуда: Нижегородская область
Благодарил (а): 18 раз.
Поблагодарили: 47 раз.
Fan_FERRARI писал(а):
а где пару таких наконечников найти? в экзисте нету...

+1 ?


 Профиль Персональный альбом  
 
 

Не в сети
АвтоСтажер

Зарегистрирован: 20 фев 2012, 13:15
Сообщения: 38
Откуда: МСК
Благодарил (а): 1 раз.
Поблагодарили: 16 раз.
Fan_FERRARI писал(а):
а где пару таких наконечников найти? в экзисте нету...
Это редкий гусь :grin:
В отдельной продаже поискать, типа на авто или радиорынке с клеммами.

Либо сколхозить:
Все об установке ПТФ . VW Polo sedan
000 979 135 - это провод с двумя наконечниками N 904 219 01
Все об установке ПТФ . VW Polo sedan
000 979 133 - это провод с двумя наконечниками N 906 845 05

Разрезаешь оба пополам. Сращиваешь (скрутка, пайка обжим - как твоя религия позволяет) половину 000 979 133 с 000 979 135.
Одна стороны пойдет к переключателю, другая к блоку предохраниетелей.
Ко второй половине 000 979 135 подпаиваешь подготовленный монтажный провод и выводишь под капот.


 Профиль  
 
 

Не в сети
АвтоСтажер

Зарегистрирован: 20 фев 2012, 13:15
Сообщения: 38
Откуда: МСК
Благодарил (а): 1 раз.
Поблагодарили: 16 раз.
Отпишусь о своей установке и в данной теме

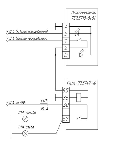
Подключал по, неоднократно публикуемой здесь, схеме подключения ПТФ
Использовал:
  • Фара противотуманная левая 441-2025L-UQ - 1 шт.
  • Фара противотуманная правая 441-2025R-UQ - 1 шт.
  • Лампа накаливания Hella 8GH 008 358-121 - 2 шт.
  • Накладка бампера без хрома 6RU853665A 9B9 - 1 шт.
  • Накладка бампера без хрома 6RU853666A 9B9 - 1 шт.
  • Корпус разъема электропроводки N 906 845 05 - 1 шт. (под pin8 на разъеме переключателя света)
  • Корпус разъема электропроводки N 904 219 01 - 2 шт. (под предохранитель F54 в блок предохранителей)
  • Переключатель света наружнего Jp Group 941310004 - 1 шт.
  • Предохранитель 15А N 017 13 16 - 1 шт.
  • Разъем Н11 - 2 шт.
  • Провод монтажный 1,5мм2
  • Труба гофрированная
Метраж проводки и гофры не фиксировал ;)

Процедура подключения на пальцах:
Берется полметра 1,5мм2 провода сажается с одной стороны наконечник N 906 845 05, и вставляется в pin8 на разъеме переключателя света.
С другой стороны сажается наконечник N 904 219 01 - и вставляется в блок предохранителей под предохранитель F54.
  • Примечание: для осуществления доступа к блоку предохранителей необходимо демонтировать воздуховод, направленный в ноги водителя.
Далее берется провод с наконечником N 904 219 01, соединяется в блоке предохранителей под предохранитель F54 и выводится под капот.
Далее уже прокладывается разводка на 2 туманки.
Под левую туманку есть земляная клемма, а под правую нет. Для этого можно использовать шпильку крепления бачка омывателя.

Если имеются проблемы с приобретением наконечников, то можно сколхозить:
Все об установке ПТФ . VW Polo sedan
000 979 135 - это провод с двумя наконечниками N 904 219 01
Все об установке ПТФ . VW Polo sedan
000 979 133 - это провод с двумя наконечниками N 906 845 05

Разрезаются оба пополам. Сращиваются (скрутка, пайка, обжим - как религия позволяет) половина 000 979 133 с 000 979 135.
Одна сторона пойдет к переключателю, другая к блоку предохранителей.
Ко второй половине 000 979 135 подпаивается подготовленный монтажный провод и выводится под капот.


 Профиль  
 
 

Не в сети
АвтоЭксперт
Volkswagen Polo седан (2011)

Зарегистрирован: 03 сен 2011, 17:27
Сообщения: 1194
Изображения: 4
Откуда: Пермь
Благодарил (а): 203 раз.
Поблагодарили: 112 раз.

Имя: Иван
kozzy писал(а):
...
Использовал:
...
[*]Предохранитель 15А N 017 13 16 - 1 шт.
...

а предохранитель для чего покупать? или в тренде/комфорте раз нет ПТФ, то нет и предохранителя F54 ?

_________________
считаю что машина своих денег стоит и даже больше того.


 Профиль Персональный альбом  
 
 

Не в сети
АвтоСтажер

Зарегистрирован: 20 фев 2012, 13:15
Сообщения: 38
Откуда: МСК
Благодарил (а): 1 раз.
Поблагодарили: 16 раз.
Fan_FERRARI
Сам ответил на свой вопрос ;)


 Профиль  
 
 

Не в сети
АвтоЭксперт
Volkswagen Polo седан (2011)

Зарегистрирован: 03 сен 2011, 17:27
Сообщения: 1194
Изображения: 4
Откуда: Пермь
Благодарил (а): 203 раз.
Поблагодарили: 112 раз.

Имя: Иван
kozzy писал(а):
Fan_FERRARI
Сам ответил на свой вопрос ;)

нда, я фигею с этих экономистов, думаю многие владельцы уж переплатили бы 15-20 рублей то...

эх, заказ в экзист уже отправил без этого предохранителя, а коль процесс пошел, то есть несколько вопросов:

1. судя по описанию везде использовался провод 1.5 мм2, а судя по схеме там к туманкам подключаются по 2.5 мм2, есть резон брать все таки 2.5 мм2?
2. "земляная клемма под левую туманку" это какой номер на схеме и как ее найти "на местности"?
3. а с правой туманки заземление к левой земляной клемме не понянул просто потому чтобы лишнюю проводку не делать?
4. предохранителя N 017 13 16 в экзисте нету, говорят что устаревший, предлагают N 017 131 12, такой пойдет?

kozzy, заранее спасибо и respekt

_________________
считаю что машина своих денег стоит и даже больше того.


 Профиль Персональный альбом  
 
 

Не в сети
АвтоСтажер

Зарегистрирован: 20 фев 2012, 13:15
Сообщения: 38
Откуда: МСК
Благодарил (а): 1 раз.
Поблагодарили: 16 раз.
Fan_FERRARI
Смысла нет добавлять этот предохранитель, если его посадочное место пустое (без наконечников)
Купи не в Экзисте. Это обычный широкий предохранитель как на ПП ВАЗе

По вопросам:
1. Прикинул, что по току и 1,5мм2 за глаза;
2. Что за земляная клемма? Если ты про наконечники, то он у меня был и потому не были отражены в спеке, хотя надо ;)
Все об установке ПТФ . VW Polo sedan
3. Да, сделал именно поэтому. Да и черного монтажного провода у меня столько не было. Ты можешь сделать как тебе нравится ;)
4. Предохранитель он и в Африке предохранитель, только вот в Китае - не совсем :grin: Китайский не ставь
Jp Group N..0171316 этот еще дешевле


 Профиль  
 
 

Не в сети
АвтоЭксперт
Volkswagen Polo седан (2011)

Зарегистрирован: 03 сен 2011, 17:27
Сообщения: 1194
Изображения: 4
Откуда: Пермь
Благодарил (а): 203 раз.
Поблагодарили: 112 раз.

Имя: Иван
очередной вопрос - в как снять заглушки, которые стоят на месте куда ставить птф? несмотря на то что они пойдут под замену, не хотелось бы их сломать...

_________________
считаю что машина своих денег стоит и даже больше того.


 Профиль Персональный альбом  
 
 

Не в сети
Модератор
Аватара пользователя

Зарегистрирован: 30 сен 2010, 18:49
Сообщения: 548
Откуда: Красноярск-Шушенское
Благодарил (а): 138 раз.
Поблагодарили: 70 раз.
Fan_FERRARI, посмотри 1 страницу пост samsoni найдешь ответ на свой вопрос.

P.S. Поставил себе ПТФ с линзами, реально стало больше света.


 Профиль  
 
 

Не в сети
АвтоЭксперт
Volkswagen Polo седан (2011)

Зарегистрирован: 03 сен 2011, 17:27
Сообщения: 1194
Изображения: 4
Откуда: Пермь
Благодарил (а): 203 раз.
Поблагодарили: 112 раз.

Имя: Иван
kozzy писал(а):
Под левую туманку есть земляная клемма, а под правую нет. Для этого можно использовать шпильку крепления бачка омывателя.

kozzy, а можешь сфоткать эти 2 вывода? чтобы понять где их искать

_________________
считаю что машина своих денег стоит и даже больше того.


 Профиль Персональный альбом  
 
 

Не в сети
АвтоСтажер

Зарегистрирован: 20 фев 2012, 13:15
Сообщения: 38
Откуда: МСК
Благодарил (а): 1 раз.
Поблагодарили: 16 раз.
Fan_FERRARI
Когда снимешь накладки, и заглянешь внутрь, вопросы сами собой отпадут.
Вот навскидку нашел фото в сети (кликабельно)
Все об установке ПТФ . VW Polo sedan


 Профиль  
 
 

Показать сообщения за:  Поле сортировки  
Начать новую тему Ответить на тему  [ Сообщений: 997 ] 


Кто сейчас на конференции

Сейчас этот форум просматривают: нет зарегистрированных пользователей и гости: 3


Вы не можете начинать темы
Вы не можете отвечать на сообщения
Вы не можете редактировать свои сообщения
Вы не можете удалять свои сообщения
Вы не можете добавлять вложения

Найти:
Перейти: