Использование ближнего света в качестве дневных ходовых огней (ДХО).
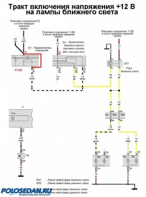
Описание работы штатной схемы включения ближнего света. (См. прилагаемую схему).
Схема составлена из фрагментов схем электрооборудования автомобиля VW Polo sedan.
При включении реле ближнего света J331 через его нормально разомкнутые контакты 7-8 напряжение +12 В от не отключаемой от аккумулятора цепи по желтому проводу поступает на предохранители SB59 и SB 39 и далее на лампы М29 и М31 левой и правой фар соответственно.
Цепь управления реле J331: напряжение +12В (при включенном зажигании) через контакты Т17/1 – Т17/4 переключателя освещения Е1 (в третьем положении «ближний/дальний свет включен») поступает на контакт Т41/11 и далее на средний вывод двухпозиционного левого подрулевого переключателя Е4 ближнего света и светового сигнала. В положении переключателя «ближний свет» напряжение +12 В поступает далее на контакт Т41/40 и далее на обмотку реле J331 контакт 8. Реле включается и замыканием контактов 7-8 подает напряжение +12 В на лампы ближнего света, как было описано ранее.
Доработка обеспечивает: - автоматическое включение ламп ближнего света при включении зажигания. При этом лампы габаритов не включаются, что позволяет экономить их ресурс и уменьшить нагрузку на генератор (аккумулятор); (При включении "стандартного" ДХО "габариты" не включаются);
- при выключении зажигания лампы ближнего света автоматически выключаются;
- все штатные режимы переключателя освещения сохраняются, то есть: при включении ламп габаритов (поворотом ручки переключателя освещения во второе положение) лампы ближнего света автоматически выключаются; в третьем положении все цепи работают в штатном режиме, доработка отключается;
- режим «светового сигнала» сохраняется, т.е. при нажатии подрулевого выключателя света «ближний/дальний» «на себя» включаются лампы дальнего света, лампы ближнего света отключаются;
- при стоянке (стояночный тормоз затянут) ближний свет автоматически выключается; все штатные режимы переключателя освещения сохраняются.
Доработка заключается в установке трех дополнительных слаботочных реле, показанных на схеме красным цветом. Это могут быть любые радиотехнические или автомобильные реле – одно с нормально разомкнутыми контактами и два с нормально замкнутыми контактами.
Назначение реле:
Реле Р1 доп включает реле J331 ближнего света.
Реле Р2 доп выключает реле Р1 доп при включении стояночного тормоза («ручника»).
Реле Р3 доп выключает реле Р1 доп при включении переключателя освещения в режим «габариты» или «ближний/дальний свет».
Описание работы схемы доработки.При включении зажигания ток от контакта 1 разъема Т17 (Т17/1) переключателя освещения поступает на контакт1 реле Р1 доп, через обмотку реле, нормально замкнутые контакты 3-4 реле Р2 доп, нормально замкнутые контакты 3-4 реле Р3 доп, на корпус (-12В). Реле Р1 доп сработает и через нормально разомкнутые контакты подаст напряжение +12В от контакта Т17/1 на обмотку штатного реле ближнего света J331, которое сработав, подаст напряжение +12 В штатным образом. При этом все остальные свето-сигнальные лампы не включаются.
При затягивании «ручника» (автомобиль на стоянке, ДХО выключаются) контакт F321 выключателя стояночного тормоза замкнется на корпус, реле Р2 доп включится, нормальнозамкнутые контакты 3-4 Р2 доп разомкнутся, цепь питания реле Р1 доп разорвется. Реле Р1 доп обесточившись, отключит цепь +12В от реле J331. Лампы ближнего света отключатся.
При включении на переключателе освещения («крутилка» в положении 1 или 2) напряжение +12В от контакта Т17/16 поступает на обмотку реле Р3 доп, которое сработав, обесточит реле Р1 доп.
При этом «по штатному» включатся лампы «габаритов» в положении переключателя «2» и плюс ближний свет в положении «3».
Два дополнительных реле отключения Р1 доп пришлось поставить в связи с тем, что управляющий сигнал от «ручника» - «корпус», а от «габаритов» - +12В.
Всего необходимо подключить 5 проводов – 3 провода к переключателю освещения и по одному к выключателю ближнего света и светового сигнала и выключателю стояночного тормоза.
Реализация.Реле приклеил ко дну небольшой пластмассовой коробочки, вывел 5 цветных проводов. Три провода пойдут к переключателю освещения («крутилке»), один провод к разъему панели приборов, один провод – к левому подрулевому переключателю.
Ход работ.
1. Отключить «минус» аккумуляторной батареи – все работы выполняем на обесточенном оборудовании!
2. Выдвинув на себя и опустив вниз руль, снимаем верхнюю часть кожуха рулевой колонки, просто потянув ее вверх той части, что ближе к рулю. Ничего не сломалось. К дальней стороне кожуха прикреплен довольно большой резиновый «фартук», защищающий стык между панелью приборов и рулевой колонки от мусора. Дальняя часть «фартука» сделана заодно с небольшой пластмассовой дугообразной пластмассовой деталью, вставляемой в панель приборов. В этой «дуге» есть три выступающие пластины, которые входят в пружинные фиксаторы передней панели, т.е. эту дугу, в принципе, вместе с кожухом рулевой колонки можно снять (только не тянуть за резиновый фартук – оторвете!). Я устройства этого места не знал, поэтому просто отвернул все это вверх. Под фартуком есть два винта (видны), открутив которые панель приборов вместе с фартуком и кожухом легко выдвигаются вперед. Винты могут упасть в нижний кожух рулевой колонки. Вылавливаются магнитом на проволоке. При сборке лучше закрыть зазор ветошью – легче винты подбирать

.
Сзади приборной панели один разъем с нетолстым жгутом. Разъем снимается выдвиганием специальной скобы, которую надо освободить от стопора (нажать).
Вытащив приборную панель, снимаем фартук (отжав отверткой плоские пружины фиксаторов – так потом легче будет ставить все на место.
3. На разъеме передней панели находим коричневый с черной полоской провод (контакт Т32/25; контакты на разъеме подписаны. Можно прозвонить тестером – при поднятом «ручнике» на проводе «корпус». К этому проводнику подсоединяем провод, идущий от контакта 2 реле Р2 доп.
4. Тут же виден разъем и жгут левого подрулевого переключателя. Разъем снять не удалось – упирается в выступ, поэтому подтянув жгут, выделяем желтый провод и подключаем провод, идущий от контакта 5 реле Р1 доп.
5. Дальше легче.
Коробочку с реле двусторонним скотчем прикрепил за Торпедо слева от панели приборов – там много места и есть плоские ребра.
6. Остальные три провода подсоединяем к жгуту переключателя освещения он легко доступен.
Открыв дверь водителя и поддев ножом, снимаем левую торцевую заглушку торпедо. Левой рукой лезем внутрь и нажав на две защелки разъема, расположенные на узких его гранях, покачивая, вытаскиваем кабельную часть разъема. И выводим его наружу.
Сам переключатель демонтировать не имеет особого смысла жгут проводов с кабельной частью разъема больше выходит через отверстие, куда заходили левой рукой.
На всякий случай опишу порядок демонтажа переключателя освещения.
- ставим ручку переключателя в положение «0» и надавливаем на ручку, чтобы она «утопилась» внутрь переключателя;
- удерживая ручку в утопленном состоянии медленно поворачиваем ее к положению «включены габариты». При этом запирающие выступы переключателя утапливаются в корпус переключателя;
- одновременно левой рукой изнутри торпедо (через отверстие в торцевой части торпедо) выталкиваем переключатель наружу.
Проводник от контактов 1,3 реле Р1доп., контакта 1 реле Р2доп. подключаем к черно/красному проводнику (контакт Т17/1) переключателя освещения (цепь +12В при включении зажигания).
Проводник от контактов 2,4 реле Р3доп. подключить к коричневому тонкому проводнику переключателя освещения (цепь «корпус»).
Проводник от контакта 1 реле Р3доп. подключить к серо/синему проводнику (контакт Т17/16) переключателя освещения (цепь +12В «габариты» включить).
7. Проверив еще раз, все заизолировав, подключаем аккумулятор и проверяем работу доработки.
8. Ставим все снятое на свои места.
Приношу свои извинения, что без фотоотчета – помогать было некому, а одному делать и фотографировать неудобно.