Клубный полоподбор со скидкой до 35% Найдем Polo по вашим требованиям, с гарантией!






Начать новую тему Ответить на тему  [ Сообщений: 1870 ] 
Автор Сообщение
Не в сети
Партнер клуба
Аватара пользователя

Зарегистрирован: 25 фев 2011, 00:18
Сообщения: 37
Откуда: Москва
Благодарил (а): 0 раз.
Поблагодарили: 12 раз.
Приветствую всех на этом форуме !

От лица Команды АвтоАдаптер.РУ всем приветы и благодарности за поддержку на Фестивале :) Некоторые из Клуба до нас добрались и позадавали вопросы. Мы поняли, что поло-седановодов уже мнооого!

В этой теме будем рассказывать, обсуждать и совместными с вами усилиями собирать информацию о тех или иных "фишках" автомобилей Поло-Седан.
- Что можно включать-выключать из имеющихся функций (скажем, предупреждение о непристегнутых ремнях, автозапирание дверей, включение ближнего света и пр.)
- Как доустанавливать доп. опции (круиз-контроль, дневной свет, различная электроника штатная)
- Какие ошибки уже кто-то видел или сталкивался, как отследить качество заливаемого топлива и пр.
- Различные адаптации (заслонки, уровни света и пр.)

Касательно самих адаптеров я запросил разрешения у администрации создать тему, поэтому здесь - не о покупке, а именно про эксплуатацию адаптеров.

Если конкретных вопросов до завтра не будет, начну с этого же сайта смотреть какие вопросы наиболее актуальны и информацию сюда публиковать.

Рады общению ! :) А сами - фанаты авто-электронного дела )) Спрашивайте, вопросами нас не замучать :)
_________________________________________________________
Добавлено ewgen.
проверенное описание включения доступных функций: https://www.polosedan.ru/forum/viewtopic ... 95#p181595 .(ilia2108).
_________________________________________________________
Добавлено zwe
:!:
Эта тема сугубо предметная!Поиск адаптера в постоянное или временное пользование, поиск у кого и где "закодироваться" - либо в разделе Барахолка, либо в своем региональном разделе
_________________________________________________________
Добавлено Борисович
:!:
Обсуждение ошибок ЭБУ в теме Ошибки ЭБУ Здесь просьба на эту тему не флудить!!!


 Профиль  
 
 

Не в сети
АвтоЛюбитель

Зарегистрирован: 11 мар 2011, 19:04
Сообщения: 75
Откуда: Таганрог
Благодарил (а): 54 раз.
Поблагодарили: 9 раз.
fang писал(а):
комрады, посмотрите шнурок http://www.ebay.com/itm/VAG-Tool-VAGCOM ... 6a&vxp=mtr брать или нет???

Я себе брал точно такой-же. Всё активировал что можно было.


 Профиль  
 
 

Не в сети
АвтоСпециалист

Зарегистрирован: 09 окт 2010, 10:58
Сообщения: 671
Откуда: Рыбинск
Благодарил (а): 166 раз.
Поблагодарили: 323 раз.

Имя: Всеволод
fang писал(а):
комрады, посмотрите шнурок http://www.ebay.com/itm/VAG-Tool-VAGCOM ... 6a&vxp=mtr брать или нет???


Берите, только здесь за 15$ , а не за 30$

Работоспособность проверена самолично
Трудностей с подключением быть не должно, если четко следовать инструкции и переставить дату компьютера на <= 01.06.2013


 Профиль  
 
 

Не в сети
АвтоСпециалист

Зарегистрирован: 09 окт 2010, 10:58
Сообщения: 671
Откуда: Рыбинск
Благодарил (а): 166 раз.
Поблагодарили: 323 раз.

Имя: Всеволод
MVG писал(а):
Возможно ли через VAG-COM изменить интервал времени взмаха дворников для прерывистых режимов ?



Мне бы хотелось сделать up своему вопросу. Профессионалы, подскажите....


 Профиль  
 
 

Не в сети
АвтоСпециалист
Аватара пользователя

Зарегистрирован: 26 мар 2012, 18:29
Сообщения: 606
Откуда: Москва, ЮАО
Благодарил (а): 82 раз.
Поблагодарили: 228 раз.

Имя: Вовик
Нет, взмахи от компа не зависят, там в самом рычаге на плате четыре резистора, они и задают интервал.


 Профиль  
 
 

Не в сети
АвтоЗнаток
Аватара пользователя
Volkswagen Polo седан (2013)

Зарегистрирован: 24 июн 2013, 12:21
Сообщения: 318
Изображения: 2
Откуда: Москва (Волгоград)
Благодарил (а): 46 раз.
Поблагодарили: 88 раз.
MVG писал(а):
MVG писал(а):
Возможно ли через VAG-COM изменить интервал времени взмаха дворников для прерывистых режимов ?



Мне бы хотелось сделать up своему вопросу. Профессионалы, подскажите....

Wowik[c@$peR] писал(а):
Нет, взмахи от компа не зависят, там в самом рычаге на плате четыре резистора, они и задают интервал.

Не соглашусь. Поставил себе флаг "Зависимость интервалов от скорости" (см. ссылку в шапке темы) и это работает. Например на "4" стоя - интервал 5сек, в движении - 3сек. Другое дело, что мне такой разницы недостаточно, на длинном светофоре приходится переключаться на позицию вниз.

В связи с этим думал, может где-то есть таблица интервалов для позиций и скоростей, но на вскидку не нашёл и забил.

P.S. Это в русских машинах сопротивления прямо влияет на задержку в реле. У нас сопротивления - только метки для БУ.


 Профиль Персональный альбом  
 
 

Не в сети
АвтоСпециалист

Зарегистрирован: 09 окт 2010, 10:58
Сообщения: 671
Откуда: Рыбинск
Благодарил (а): 166 раз.
Поблагодарили: 323 раз.

Имя: Всеволод
Van Highlander писал(а):
В связи с этим думал, может где-то есть таблица интервалов для позиций и скоростей,


Вот то что надо, если она есть, я поищу ее, но я не профи, может кто-то знает где она ?


 Профиль  
 
 

Не в сети
АвтоЭксперт
Аватара пользователя

Зарегистрирован: 26 окт 2012, 16:35
Сообщения: 1401
Изображения: 0
Откуда: г. Владимир
Благодарил (а): 56 раз.
Поблагодарили: 534 раз.
Друзья, так как уже начал реализовывать проект Cornering Lights, есть пару вопросов тем, кто уже знает от и до блоки управления бортовой сети.
1) Можно ли как то закодировать блок шнурком, не подключая его к автомобилю? Какие пины нужно запитать (номера) для подачи "+", "-", чтобы блок зафункционировал, а также какие пины достаточно подлючить к шнурку чтобы с домашеного компа шнурок увидел блок?
2) Есть ли в блоке 6R0....087H функция "DRL" через габариты? А также управление яркостью? Я понимаю что эту менюшку не получится активировать на седане без переделки проводки в части косающейся коммутации габаритных огней. Просто интересно есть или нет.
Заранее спасибо!
Для оперативности выкладываю распиновку блока BCM


Вложения:
Работа с адаптерами VAG-COM, VCDS: допы, функции, ошибки (+)
BCM 087H.jpg [ 1.82 МБ | Просмотров: 8374 ]
 Профиль Персональный альбом  
 
 

Не в сети
АвтоСтажер
Аватара пользователя

Зарегистрирован: 30 июн 2013, 19:27
Сообщения: 6
Откуда: Пермь
Благодарил (а): 0 раз.
Поблагодарили: 4 раз.

Имя: Макс
У вас блок - такой же как на Фабе II FL. Готовый рецепт по доработке Фабы под корнер + суперстробоскопы - тута.
по п. 2. - нет.


 Профиль  
 
 

Не в сети
АвтоЭксперт
Аватара пользователя

Зарегистрирован: 26 окт 2012, 16:35
Сообщения: 1401
Изображения: 0
Откуда: г. Владимир
Благодарил (а): 56 раз.
Поблагодарили: 534 раз.
MaoSan писал(а):
У вас блок - такой же как на Фабе II FL. Готовый рецепт по доработке Фабы под корнер + суперстробоскопы - тута.
по п. 2. - нет.

Пасиб за ответ.
По п. 2 еще вопрос.
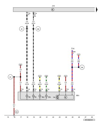
А как же выходы T73A 40 и T43A 41? Они же расчитаны на габариты. Есть ли кодировки в блоке для управления яркостью габаритов или что то в этом роде?


Вложения:
Работа с адаптерами VAG-COM, VCDS: допы, функции, ошибки (+)
6R1-052031011.jpg [ 109.67 КБ | Просмотров: 8357 ]
 Профиль Персональный альбом  
 
 

Не в сети
АвтоЭксперт
Аватара пользователя

Зарегистрирован: 26 окт 2012, 16:35
Сообщения: 1401
Изображения: 0
Откуда: г. Владимир
Благодарил (а): 56 раз.
Поблагодарили: 534 раз.
Ro....maN писал(а):
1) Можно ли как то закодировать блок шнурком, не подключая его к автомобилю? Какие пины нужно запитать (номера) для подачи "+", "-", чтобы блок зафункционировал, а также какие пины достаточно подлючить к шнурку чтобы с домашеного компа шнурок увидел блок?

В общем все получилось. Запитал только нужные пины. Сменил кодировку блока, а также адаптировал выкидные ключики 8-). Делалось именно так, потому, что нет под рукой ноутбука, а бегать брать его у друзей уже задолбало, а также нет необходимости бегать заряжать батарею ноута.
Выглядит это так
Работа с адаптерами VAG-COM, VCDS: допы, функции, ошибки (+)


Последний раз редактировалось Ro....maN 14 ноя 2013, 09:41, всего редактировалось 2 раз(а).

 Профиль Персональный альбом  
 
 

Не в сети
АвтоЭксперт
Аватара пользователя

Зарегистрирован: 27 май 2012, 08:50
Сообщения: 1469
Откуда: Магнитогорск
Благодарил (а): 585 раз.
Поблагодарили: 290 раз.

Имя: Егор
Ro....maN, А что это такое Cornering Lights и с чем его едят?


 Профиль  
 
 

Не в сети
АвтоГуру
Аватара пользователя

Зарегистрирован: 12 июн 2012, 19:24
Сообщения: 4390
Откуда: 23RUS-Полтавская
Благодарил (а): 1874 раз.
Поблагодарили: 2082 раз.

Имя: Николай
Ro....maN писал(а):
Запитал только нужные пины.

Рома!
Можешь выложить таблицу пинов ВСМ-на какой что подается или снимается?

это к тому-чтобы не рыться в схемах-а сразу глянув в таблицу было понятно -что подключено или можно подключить.


 Профиль  
 
 

Не в сети
АвтоЭксперт
Аватара пользователя

Зарегистрирован: 26 окт 2012, 16:35
Сообщения: 1401
Изображения: 0
Откуда: г. Владимир
Благодарил (а): 56 раз.
Поблагодарили: 534 раз.
kolba-60 писал(а):
Рома!
Можешь выложить таблицу пинов ВСМ-на какой что подается или снимается?
это к тому-чтобы не рыться в схемах-а сразу глянув в таблицу было понятно - что подключено или можно подключить.

Пожалуйста

Распиновка BCM для его активации без установки на автомобиль:
А39 - "масса опорная" нужен контакт N 103 358 07
А42 - "зажигание" нужен контакт N 907 647 01
А44 - "зажигание" нужен контакт N 907 647 01
В39 - "+ опорное питание" нужен контакт N 103 358 07
В51 - "зажигание" нужен контакт N 907 647 01
В59 - "+ постоянный" нужен контакт N 907 647 01
В60 - "масса" нужен контакт N 907 647 01

Для подключения шнурка к блоку необходимо присоеденить еще 6 проводов. Если подключать шнурок без колодки, то понадобятся пины типа 000979011E.
Я подключал через колодку 3A0972695A от ауди. Все равно валяется без дела.
Работа с адаптерами VAG-COM, VCDS: допы, функции, ошибки (+)
Работа с адаптерами VAG-COM, VCDS: допы, функции, ошибки (+)

1 пин шнурка - на "зажигание"
4 или 5 пин шнурка - "масса"
6 пин шнурка - на В23 нужен контакт N 907 647 01
7 пин шнурка - на В37 нужен контакт N 907 647 01
14 пин шнурка - на В22 нужен контакт N 907 647 01
16 пин шнурка - постоянный +

Внимание! Ввиду того, что пинов в BCM очень много и они расположены очень близко друг к другу существует высокая вероятность "промахнуться". Вышеперечисленное делаем на свой страх и риск!


Последний раз редактировалось Ro....maN 14 ноя 2013, 23:17, всего редактировалось 5 раз(а).

 Профиль Персональный альбом  
 
 

Не в сети
АвтоЭксперт
Аватара пользователя

Зарегистрирован: 26 окт 2012, 16:35
Сообщения: 1401
Изображения: 0
Откуда: г. Владимир
Благодарил (а): 56 раз.
Поблагодарили: 534 раз.
Set писал(а):
Ro....maN, А что это такое Cornering Lights и с чем его едят?

Так все же уже давно есть на других ресурсах, например здесь
Не понимаю почему на нашем форуме еще никто про это не писал и не делал.


 Профиль Персональный альбом  
 
 

Не в сети
АвтоГуру
Аватара пользователя

Зарегистрирован: 12 июн 2012, 19:24
Сообщения: 4390
Откуда: 23RUS-Полтавская
Благодарил (а): 1874 раз.
Поблагодарили: 2082 раз.

Имя: Николай
А какая разница между опорной и простой массой и аналогично -опорное питание и зажигание?
и обязательно выложи подключение разъема ОБД2


 Профиль  
 
 

Показать сообщения за:  Поле сортировки  
Начать новую тему Ответить на тему  [ Сообщений: 1870 ] 


Кто сейчас на конференции

Сейчас этот форум просматривают: нет зарегистрированных пользователей и гости: 2


Вы не можете начинать темы
Вы не можете отвечать на сообщения
Вы не можете редактировать свои сообщения
Вы не можете удалять свои сообщения
Вы не можете добавлять вложения

Найти:
Перейти: