Клубный полоподбор со скидкой до 35% Найдем Polo по вашим требованиям, с гарантией!






Начать новую тему Ответить на тему  [ Сообщений: 34 ] 
Автор Сообщение
Не в сети
АвтоСтажер

Зарегистрирован: 24 окт 2013, 13:17
Сообщения: 7
Откуда: Москва
Благодарил (а): 2 раз.
Поблагодарили: 0 раз.

Имя: Владимир
Подскажите кто нибудь что означают эти цифры?


Вложения:
Электрические схемы VW Polo Sedan
Буфер обмена01.jpg [ 156.94 КБ | Просмотров: 12448 ]
 Профиль  
 
 

Не в сети
Кулибин клуба
Аватара пользователя

Зарегистрирован: 14 сен 2011, 23:17
Сообщения: 1470
Откуда: М.О. Серпуховский район.
Благодарил (а): 1549 раз.
Поблагодарили: 1607 раз.

Имя: Сергей
kokosik6 писал(а):
Подскажите кто нибудь что означают эти цифры?
В самом низу есть линия с точками и цифрами. Так вот эти цифры обозначают куда приходит данная цепь.


 Профиль  
 
 

Не в сети
АвтоСтажер

Зарегистрирован: 24 окт 2013, 13:17
Сообщения: 7
Откуда: Москва
Благодарил (а): 2 раз.
Поблагодарили: 0 раз.

Имя: Владимир
Спасибо за ответ


 Профиль  
 
 

Не в сети
Опытный водитель

Зарегистрирован: 28 мар 2012, 21:06
Сообщения: 147
Откуда: Обнинск
Благодарил (а): 7 раз.
Поблагодарили: 4 раз.
Poloногий писал(а):
kokosik6 писал(а):
Подскажите кто нибудь что означают эти цифры?
В самом низу есть линия с точками и цифрами. Так вот эти цифры обозначают куда приходит данная цепь.

Тоесть смотришь какая цифра находишь ее и что дальше? можно поточнее объяснить не могу понять куда и как и где эти цифры соединить?
Спасибо!


 Профиль  
 
 

Не в сети
АвтоГуру
Аватара пользователя

Зарегистрирован: 12 июн 2012, 19:24
Сообщения: 4390
Откуда: 23RUS-Полтавская
Благодарил (а): 1874 раз.
Поблагодарили: 2082 раз.

Имя: Николай
линия с номерами внизу-плашка -это мысленное продолжение провода на другой фрагмент схемы.
если провод на первом фрагменте схемы имеет число в прямоугольнике-ищем на плашке это число-напротив него будет продолжение этого провода в другом фрагменте и оно будет иметь число плашки из первого фрагмента.


 Профиль  
 
 

Не в сети
Опытный водитель

Зарегистрирован: 28 мар 2012, 21:06
Сообщения: 147
Откуда: Обнинск
Благодарил (а): 7 раз.
Поблагодарили: 4 раз.
kolba-60 писал(а):
линия с номерами внизу-плашка -это мысленное продолжение провода на другой фрагмент схемы.
если провод на первом фрагменте схемы имеет число в прямоугольнике-ищем на платке это число-напротив него будет продолжение этого провода в другом фрагменте и оно будет иметь число плашки из первого фрагмента.

Спасибо конечно, а если подсказать примером, возьмем схему- систем комфорта -номер схемы №4/5-провод от блока J386 -номер 34 в прямоугольнике -идет в блок J519 и на какой вот куда он там приходит??


 Профиль  
 
 

Не в сети
АвтоГуру
Аватара пользователя

Зарегистрирован: 12 июн 2012, 19:24
Сообщения: 4390
Откуда: 23RUS-Полтавская
Благодарил (а): 1874 раз.
Поблагодарили: 2082 раз.

Имя: Николай
ave39 писал(а):
провод от блока J386 -номер 34 в прямоугольнике -идет в блок J519 и на какой вот куда он там приходит??

Он не идет в блок J519 ! провод с номером 34 находится напротив плашки 54
Смотри на схеме 4-4 на плашке 34- виден провод с номером 54 !
А на схеме в кружочке -номер общего соединения с массой и и в таблице справа указывается -где это соединение находится на авто.
И это соединение с массой обозначают черной горизонтальной линией.


 Профиль  
 
 

Не в сети
Модератор
Аватара пользователя

Зарегистрирован: 16 янв 2014, 09:49
Сообщения: 2967
Откуда: Псков
Благодарил (а): 918 раз.
Поблагодарили: 1626 раз.

Имя: Андрей
ave39 писал(а):
Спасибо конечно, а если подсказать примером, возьмем схему- систем комфорта -номер схемы №4/5-провод от блока J386 -номер 34 в прямоугольнике -идет в блок J519 и на какой вот куда он там приходит??

Не идет этот провод в блок J519 (блок управления бортовой сети), это масса (минус), которая заходит в блок J386 (блок управления двери водителя) - на 8 контакт 16-ти контактного разъема T16g.
P.S. Обычно, коричневые провода на всех схемах, да еще и соединенные черными линиями - это масса авто.


Вложения:
Электрические схемы VW Polo Sedan
Распиновка 16-ти контактного разъема блока управления двери водителя.jpg [ 35.72 КБ | Просмотров: 11585 ]
 Профиль  
 
 

Не в сети
Опытный водитель

Зарегистрирован: 28 мар 2012, 21:06
Сообщения: 147
Откуда: Обнинск
Благодарил (а): 7 раз.
Поблагодарили: 4 раз.
kolba-60 писал(а):
ave39 писал(а):
провод от блока J386 -номер 34 в прямоугольнике -идет в блок J519 и на какой вот куда он там приходит??

Он не идет в блок J519 ! провод с номером 34 находится напротив плашки 54
Смотри на схеме 4-4 на плашке 34- виден провод с номером 54 !
А на схеме в кружочке -номер общего соединения с массой и и в таблице справа указывается -где это соединение находится на авто.
И это соединение с массой обозначают черной горизонтальной линией.

Привет! я вот про какой провод имел ввиду


Вложения:
Электрические схемы VW Polo Sedan
Снимок экрана 2015-04-06 в 17.23.37.jpg [ 83.1 КБ | Просмотров: 11550 ]
 Профиль  
 
 

Не в сети
Кулибин клуба
Аватара пользователя

Зарегистрирован: 14 сен 2011, 23:17
Сообщения: 1470
Откуда: М.О. Серпуховский район.
Благодарил (а): 1549 раз.
Поблагодарили: 1607 раз.

Имя: Сергей
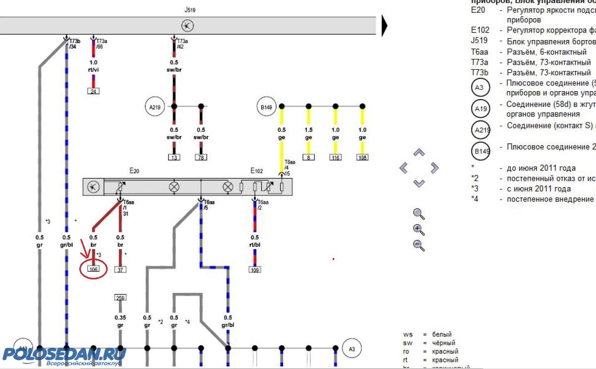
ave39 писал(а):
Привет! я вот про какой провод имел ввиду
В конечном итоге этот провод приходит в блок ВСМ разъем B - контакт №17. Это Lin-шина. К ней так же цепляется мультируль. ;)
Вот, проследи цепочку по номерам внизу схемы и на конце искомого провода. И все станет понятно:

Вложение:
Электрические схемы VW Polo Sedan
Схема...jpg [ 205.72 КБ | Просмотров: 11481 ]


 Профиль  
 
 

Не в сети
Опытный водитель

Зарегистрирован: 28 мар 2012, 21:06
Сообщения: 147
Откуда: Обнинск
Благодарил (а): 7 раз.
Поблагодарили: 4 раз.
Poloногий писал(а):
ave39 писал(а):
Привет! я вот про какой провод имел ввиду
В конечном итоге этот провод приходит в блок ВСМ разъем B - контакт №17. Это Lin-шина. К ней так же цепляется мультируль. ;)
Вот, проследи цепочку по номерам внизу схемы и на конце искомого провода. И все станет понятно:

Спасибо большое за подробный и понятный ответ! forza_russia


 Профиль  
 
 

Не в сети
Кулибин клуба
Аватара пользователя

Зарегистрирован: 14 сен 2011, 23:17
Сообщения: 1470
Откуда: М.О. Серпуховский район.
Благодарил (а): 1549 раз.
Поблагодарили: 1607 раз.

Имя: Сергей
Клубни!
В шапку темы добавлены схемы на обновленный VW Polo 2015! В архиве собраны все схемы на авто с мая 2015г.
За помощь большое спасибо со клубнику - Zemster


 Профиль  
 
 

Не в сети
АвтоСтажер

Зарегистрирован: 14 ноя 2015, 17:17
Сообщения: 3
Откуда: Питер
Благодарил (а): 2 раз.
Поблагодарили: 0 раз.

Имя: Александр
Poloногий писал(а):
В шапку темы добавлены схемы на обновленный VW Polo 2015! В архиве собраны все схемы на авто с мая 2015г.
Спасибо за подборку. Очень помогло. Но не нашёл переключателя света трендлайнового. Пришлось смотреть в схеме 2010. А там немного по другому что-ли... У меня машина апрель 2015.


 Профиль  
 
 

Не в сети
АвтоСтажер

Зарегистрирован: 14 ноя 2015, 17:17
Сообщения: 3
Откуда: Питер
Благодарил (а): 2 раз.
Поблагодарили: 0 раз.

Имя: Александр
Бяда... Нет у меня предохранителей 57 и 58. Всё прозвонил. Нет ни одного, где появляется + при габаритах через переключатель поворотов и выключенном зажигании... Тренд Апрель 2015 Эльзу скачал. Но там не открываются схемы :-x Как быть?


 Профиль  
 
 

Не в сети
Опытный водитель
Аватара пользователя

Зарегистрирован: 24 ноя 2011, 22:58
Сообщения: 190
Изображения: 2
Откуда: Нижнекамск
Благодарил (а): 68 раз.
Поблагодарили: 97 раз.
Ищется схема обогрева заднего стекла, прошу отозваться и выложить в тему, в архиве первого поста нету этой схемы. Спасибо заранее.


 Профиль Персональный альбом  
 
 

Показать сообщения за:  Поле сортировки  
Начать новую тему Ответить на тему  [ Сообщений: 34 ] 


Кто сейчас на конференции

Сейчас этот форум просматривают: нет зарегистрированных пользователей и гости: 2


Вы не можете начинать темы
Вы не можете отвечать на сообщения
Вы не можете редактировать свои сообщения
Вы не можете удалять свои сообщения
Вы не можете добавлять вложения

Найти:
Перейти: