Клубный полоподбор со скидкой до 35% Найдем Polo по вашим требованиям, с гарантией!




Правила форума


Вся реклама, предложения, только по согласованию с администрацией.



Начать новую тему Ответить на тему  [ Сообщений: 742 ] 
Автор Сообщение
Не в сети
Опытный водитель

Зарегистрирован: 21 июн 2010, 18:22
Сообщения: 173
Откуда: Святой город Петра
Благодарил (а): 18 раз.
Поблагодарили: 25 раз.
+[Показать] Spoiler: Текст автора на него отвечать не надо
Друзья, создаю новую тему т.к. приходится искать мало-мальски по всему форуму АВТОЗВУК про установку штатной системы. Прошу здесь, отписываться о установки ШТАТНЫХ аудиосистем в свои ФПС. Сам хочу установить RCD-210, ломаю голову т.к. вся информация противоречивая. Готов подключить переходник с ИСО на ваг переходник, без кан-шины, даже если магнитолу придется включать и выключать самостоятельно.


Уважаемые форумчане!

Далее размещаю пост Wowik[c@$peR], ссылка на размещение (не забываем говорить спасибо автору)


По просьбам трудящихся! Небольшое обобщение информации.

Вот здесь хороший отчет с фотками от mityai1976. https://www.polosedan.ru/forum/viewtopic ... 50#p206003
Здесь фото подключения CAN к блоку центральной электроники от Сергей KZN https://www.polosedan.ru/forum/viewtopic ... 50#p204769
Про CAN шину https://www.polosedan.ru/forum/viewtopic ... 25#p233603
Про Media-in и AUX от Алексей73 https://www.polosedan.ru/forum/viewtopic ... 25#p188419
Фото переходников от кока https://www.polosedan.ru/forum/viewtopic ... 25#p159692

Ну и немного от себя. На пины № 15, 16 разъема RCD 310 подаем постоянные +12 В, на № 12 - "минус"(земля)
После всех подключений прописываем RCD 310 в мозгах авто.
Для этого добавляем новое оборудование(56 блок магнитолы) в 19 блоке.
В 56 блоке проверяем нужные настройки. Возможно активируем доп функции.

У кого больше знаний может дополнить пост.


==========================================================
У нас в разделе Автозвук уже создано достаточное количество тем про стандартную магнитолу RCD-310, поэтому с целю лучшей навигацией между ними, решил создать этот топик с ссылками, что в какой теме обсуждаем. Для того, чтобы можно было быстро найти ответ или задать вопрос по магнитоле.
Установка RCD 310 НЕ своими руками в Москве –здесь делимся советами и рекомендациями, где кто устанавливал RCD-310 НЕ своими руками, также не забываем, что можно установить у партнеров (Москва и область, Питер и Лениградская область, Саратов).
подключение USB к RCD-310 - –здесь делимся советами и рекомендациями, как подключить USB к RCD-310
Нужен совет по rсd 310 – для тех кто покупает б/у RCD-310 и возникают вопросы по комплектации или просто вопросы по магнитоле.

Пост добавлен 3 июня 2011 г, Виден на всех страницах.

С Уважением,
Борисович


 Профиль  
 
 

Не в сети
АвтоЗнаток
Аватара пользователя

Зарегистрирован: 09 окт 2012, 09:06
Сообщения: 417
Откуда: Волгодонск
Благодарил (а): 13 раз.
Поблагодарили: 64 раз.

Имя: Сергей
158 писал(а):
RCD-30 смотрится намного интереснее.

надо признать, что обе они смотрятся не очень)))


 Профиль  
 
 

Не в сети
Опытный водитель

Зарегистрирован: 12 май 2012, 13:33
Сообщения: 131
Откуда: Йошкар-Ола
Благодарил (а): 11 раз.
Поблагодарили: 21 раз.
Ктонибудь знает можно ли после того как поставил галочку на против пункта 56 radia, сразу через VCDS проверить связь с магнитоллой? Потому что после того как поставил галку в меню installed появляется пункт 56 Radio, но если на него нажать начинается какоето сканирование и выдается ошибка! Я так понимаю магнитоллу не находит программа...

P.S. Сегодня с помошью программы VCDS перепробовал все варианты, нету связи с контроллером! :-( Видимо либо брак магнитоллы, либо несовместимость версий кан шины! Грустно, придется ездить так..


 Профиль  
 
 

Не в сети
АвтоСтажер

Зарегистрирован: 07 авг 2012, 22:38
Сообщения: 1
Откуда: Николаев
Благодарил (а): 0 раз.
Поблагодарили: 0 раз.
Von Graf писал(а):
ФОТКА КАН ЛИНИИ. то что дилер ее подключил в колодку 20тым и 21вым пинами


Как выглядят пины? И где они есть в продаже?


 Профиль  
 
 

Не в сети
АвтоСтажер

Зарегистрирован: 21 май 2012, 07:55
Сообщения: 57
Изображения: 0
Откуда: Старый Оскол/Москва
Благодарил (а): 1 раз.
Поблагодарили: 36 раз.
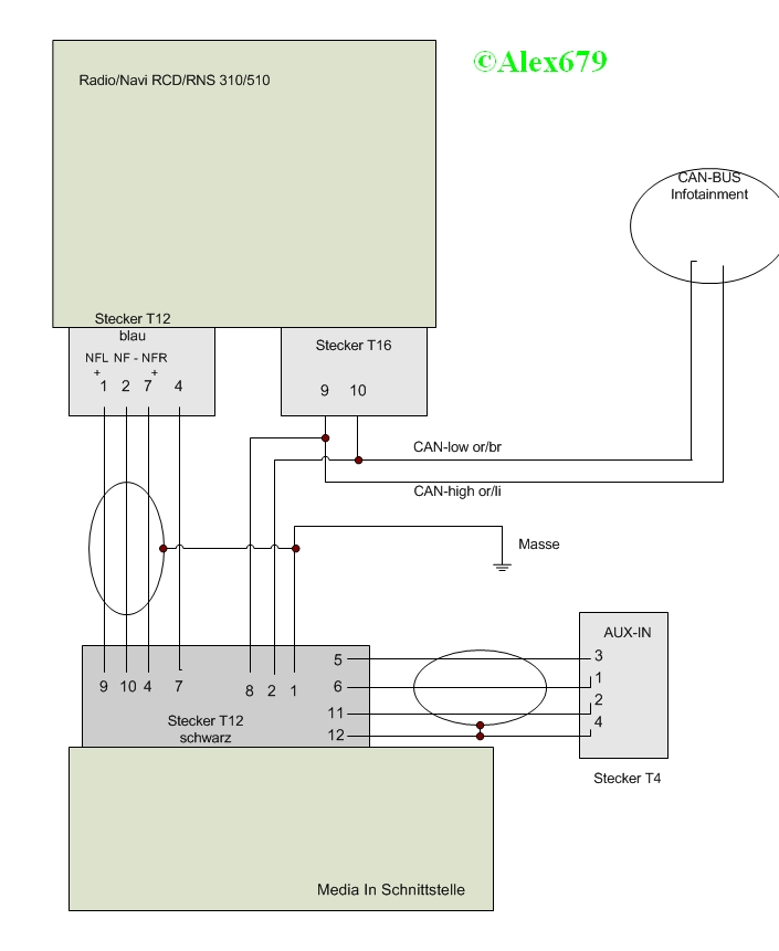
Помогите разобраться. Имеется RCD310 и установленный блок MEDIA IN. Хочу установить вместо заглушки возле прикуривателя AUX IN. Материал от Алексей73 проштудировал. Вопрос в следующем. Правильно ли я понимаю ситуацию. AUX IN подключается в параллель сигналу от блока MEDIA IN? Таким образом для воспроизведения через AUX IN надо выдернуть флэшку с USB шнурка установленного в MEDIA IN. Иначе звук будет с 2 источников. Т.е. выбрать источник воспроизведения AUX IN или MEDIA IN (флэшка в моем случае) возможности нет. Так? Отсюда вытекает следующий вопрос. Возможно ли реализовать схему включения AUX IN с возможностью выбора источника звука (между AUX IN и MEDIA IN)?


 Профиль  
 
 

Не в сети
АвтоСтажер

Зарегистрирован: 21 май 2012, 07:55
Сообщения: 57
Изображения: 0
Откуда: Старый Оскол/Москва
Благодарил (а): 1 раз.
Поблагодарили: 36 раз.
Кажется я нашел ответ на свой вопрос на этом форуме.


Вложения:
Установка RCD-310 в VW Polo sedan своими руками
Stromlaufplan.jpg [ 69.66 КБ | Просмотров: 6010 ]
 Профиль  
 
 

Не в сети
АвтоСтажер

Зарегистрирован: 26 мар 2013, 20:56
Сообщения: 2
Откуда: Гатчина
Благодарил (а): 0 раз.
Поблагодарили: 0 раз.
Алексей73, прошу простистить, может вопрос уже был, просто ненашел, с питанием, и каном понятно, но в какие именно пины вставлять остальные 3 провода?


 Профиль  
 
 

Не в сети
АвтоСтажер

Зарегистрирован: 05 ноя 2011, 17:44
Сообщения: 20
Откуда: Белгородская обл. Старый Оскол
Благодарил (а): 9 раз.
Поблагодарили: 7 раз.

Имя: Сергей
anabios99 писал(а):
Алексей73, прошу простистить, может вопрос уже был, просто ненашел, с питанием, и каном понятно, но в какие именно пины вставлять остальные 3 провода?


Посмотри тут: http://forum.tiguans.ru/showthread.php?t=3801&page=6


 Профиль  
 
 

Не в сети
АвтоСтажер

Зарегистрирован: 01 июн 2013, 20:43
Сообщения: 2
Откуда: Владимир
Благодарил (а): 6 раз.
Поблагодарили: 0 раз.
Огромное спасибо всем за конструктивные пояснения и фото! ob_+mil Сам за 2 дня научился ставить RCD 310 в Polo sedan. Готов помочь с этим вопросом во Владимире. RCD есть в наличии. Желающие, welcome в личку)))


 Профиль  
 
 

Не в сети
Кулибин клуба
Аватара пользователя

Зарегистрирован: 14 сен 2011, 23:17
Сообщения: 1470
Откуда: М.О. Серпуховский район.
Благодарил (а): 1549 раз.
Поблагодарили: 1607 раз.

Имя: Сергей
Спасибо всем кто здесь отписался, благодаря данной теме, недавно установил себе в "комфорт" RCD 510 (европеец, Bosch).


Вложения:
Установка RCD-310 в VW Polo sedan своими руками
RCD 510.jpg [ 963.65 КБ | Просмотров: 5821 ]
 Профиль  
 
 

Не в сети
АвтоЭксперт
Аватара пользователя

Зарегистрирован: 26 окт 2012, 16:35
Сообщения: 1401
Изображения: 0
Откуда: г. Владимир
Благодарил (а): 56 раз.
Поблагодарили: 534 раз.
Poloногий писал(а):
недавно установил себе в "комфорт" RCD 510 (европеец, Bosch).

Уважаю за выбор именно европейской модели. Уверен что звуком останешься доволен ;) .


 Профиль Персональный альбом  
 
 

Не в сети
Кулибин клуба
Аватара пользователя

Зарегистрирован: 14 сен 2011, 23:17
Сообщения: 1470
Откуда: М.О. Серпуховский район.
Благодарил (а): 1549 раз.
Поблагодарили: 1607 раз.

Имя: Сергей
Как бы ее не хаяли (на др. форумах есть такое), а я звуком и функционалом полностью доволен. Есть мысли в будущем стойки от хэтча поставить и камеру к ней примастырить (она с видеовходом).


 Профиль  
 
 

Не в сети
АвтоСпециалист
Аватара пользователя

Зарегистрирован: 26 мар 2012, 18:29
Сообщения: 606
Откуда: Москва, ЮАО
Благодарил (а): 82 раз.
Поблагодарили: 228 раз.

Имя: Вовик
Poloногий, Даешь черную SDишку!
А по теме, так сам юзаю 510 с камеркой, больше и не надо!


 Профиль  
 
 

Не в сети
Кулибин клуба
Аватара пользователя

Зарегистрирован: 14 сен 2011, 23:17
Сообщения: 1470
Откуда: М.О. Серпуховский район.
Благодарил (а): 1549 раз.
Поблагодарили: 1607 раз.

Имя: Сергей
Wowik[c@$peR] писал(а):
Poloногий, Даешь черную SDишку!
А по теме, так сам юзаю 510 с камеркой, больше и не надо!
:grin: Wowik[c@$peR], я с тобой полностью согласен, и на счет флешки, и на счет функциональности, что больше и не надо. Черная карта смотрится гармоничнее. Но как то исторически сложилось, что все USB флешки и карты памяти покупаю transcend, и эта не исключение. Взял карту по-шустрее, а она только синяя бывает. Так что вот так. Но мне не принципиально.


 Профиль  
 
 

Не в сети
АвтоСтажер
Аватара пользователя

Зарегистрирован: 13 фев 2012, 21:31
Сообщения: 1
Откуда: Жуковский
Благодарил (а): 0 раз.
Поблагодарили: 0 раз.
Граждане! После 4 часовой установки RNS-510 столкнулся с некоторыми проблемами. Да, понимаю, что тема про RCD-310. Но по сути подключения и проводки они одинаковы.

На первый взгляд все прекрасно. Код не просит, подсветка работает. И даже на ночной режим навигации переходит после включения фар.

НО:
- после выключения магнитолы (либо принудительно руками, либо выключая зажигание), диск в приводе продолжает вращаться. Хотя система гаснет.
- после включения зажигания включается и магнитола. После чего продолжает вести по навигатору и проигрывать музыку. Как будто она и не выключалась. Это мило, с одной стороны. А с другой мне порой не нужно это мгновенное включение и воспроизведение...

От всего этого помогает только полное выключение особой комбинацией клавиш сверху. Неужели через кнопку вкл/выкл и зажигание она не выключается?

P.S. Уточните, пожалуйста чем отличается 'Safe' провод от обычного '+'...


 Профиль  
 
 

Не в сети
АвтоСтажер
Аватара пользователя

Зарегистрирован: 13 июл 2011, 22:46
Сообщения: 30
Откуда: г.Мончегорск
Благодарил (а): 13 раз.
Поблагодарили: 11 раз.
Замена головы RCD 310 на голову NAVI интересно кому посмотрите http://forum.tiguans.ru/showthread.php?t=12256


 Профиль  
 
 

Показать сообщения за:  Поле сортировки  
Начать новую тему Ответить на тему  [ Сообщений: 742 ] 


Кто сейчас на конференции

Сейчас этот форум просматривают: нет зарегистрированных пользователей и гости: 8


Вы не можете начинать темы
Вы не можете отвечать на сообщения
Вы не можете редактировать свои сообщения
Вы не можете удалять свои сообщения
Вы не можете добавлять вложения

Найти:
Перейти: