За сколько можно продать Ваш VW Polo?




Правила форума


Вся реклама, предложения, только по согласованию с администрацией.



Начать новую тему Ответить на тему  [ Сообщений: 720 ] 
Автор Сообщение
Не в сети
Опытный водитель
Аватара пользователя

Зарегистрирован: 24 ноя 2011, 22:58
Сообщения: 190
Изображения: 2
Откуда: Нижнекамск
Благодарил (а): 68 раз.
Поблагодарили: 97 раз.
varelik2002 писал(а):
vpv1982
Судя по даташитам, ни одна.. :( Возможно ошибаюсь... Сам ищу аналог 9711, в маленьком городишке оказывается проблема найти

Необязательно на микросхеме, у меня на транзисторе все работает замечательно 8-) Юзаю IRF7307


 Профиль Персональный альбом  
 
 

Не в сети
АвтоСтажер

Зарегистрирован: 12 апр 2012, 10:08
Сообщения: 36
Откуда: Москва
Благодарил (а): 0 раз.
Поблагодарили: 10 раз.
В Москве может кто-нибудь пропатчить магнитолу, чтобы читала USB/AUX?


 Профиль  
 
 

Не в сети
АвтоСтажер

Зарегистрирован: 08 окт 2012, 10:57
Сообщения: 2
Откуда: Samara
Благодарил (а): 0 раз.
Поблагодарили: 0 раз.
kisel39 писал(а):
в магнитоле 2 микросхемы, одна из них TEF6902A в ней приемник и коммутатор с темброблоком и регулятор громкости, управляется по шине i2c. вывод процессора для включения AUX чуть позже.


Всем доброго времени суток!

Кто регулярно перетряхивает магнитолы, расскажите, пожалуйста, если можно, поподробнее про "вывод процессора для включения AUX" и про вывод процессора для включения USB, т.е. какой тип микросхемы процессора (DSP) и на какие контакты "приходят" перемычки. Также интересно узнать, контакты от USB куда уходят - в DSP, в шлейф CD привода или в TEA?



Сколько ни рассматривал имеющиеся фотки, не смог углядеть.

Я хочу поискать аналогичную возможность в Skoda Dance MP3 (DSP - TDA 7505).


 Профиль  
 
 

Не в сети
Опытный водитель
Аватара пользователя

Зарегистрирован: 31 май 2012, 21:08
Сообщения: 180
Изображения: 1
Откуда: Саратов
Благодарил (а): 95 раз.
Поблагодарили: 181 раз.

Имя: Козьма Прутков
Устанавливаем USB-вход в штатную урезанную RCD 30.
Для этого понадобится 200 рублей и около 5 часов времени. Поскольку найти требуемую микросборку (с минимум переделок) RT9711 практически анреал, то использован вариант переделки с микросборкой IRF7307. За информацию отдельное спасибо kisel39, Faleex WK и vostsash. Далее смотрим в картинках.


Вложения:
Комментарий к файлу: Чтобы начать переделку, нам понадобится примерно такой набор (smd мишуру берите с запасом):
1. Керамический конденсатор smd 0,1мкФ - 2 шт.
2. Резистор smd 10кОм - 1шт.
3. Резистор smd 0кОм - 3шт.
4. Электролитический конденсатор 100мкФ х 10В - 2шт.
5. USB разъем - 1шт.
6. Микросборка - IRF7307
7. Удлинитель USB - минимум 50см, оптимально было бы 60см.
8. Снятая штатная заглушка.
Дополнительно:
9. Один день свободного времени
10. Жуткое желание совершить подвиг
11. Крайне прямые руки

Доработка входа AUX и USB в RCD 30
22.jpg [ 58.83 КБ | Просмотров: 11915 ]
Комментарий к файлу: Поддеваем декоративную накладку ножом и стаскиваем с креплений, одну за другой. Вид креплений есть на фото, можно сдергивать смело, не боясь сломать (ломаться нечему).
Доработка входа AUX и USB в RCD 30
21.jpg [ 73.31 КБ | Просмотров: 11915 ]
Комментарий к файлу: Отвинчиваем четыре самореза (шестигранная звездочка). Вытаскиваем магнитолу, отцепляем 2 стандартных разъема и антенный (там про штыречек-фиксатор не забываем).
Доработка входа AUX и USB в RCD 30
20.jpg [ 93.96 КБ | Просмотров: 11915 ]
Комментарий к файлу: А вот тут 10 раз подумай, прежде чем разрезать гарантийную наклейку, сможешь ли ты сделать то, что собираешься или проще будет купить FM-модулятор.
Доработка входа AUX и USB в RCD 30
17.jpg [ 57.08 КБ | Просмотров: 11915 ]
Комментарий к файлу: Вот участки нашей работы. Первый (сверху) основной и второй (снизу) там только один элемент впаять.
Доработка входа AUX и USB в RCD 30
16.jpg [ 130.14 КБ | Просмотров: 11915 ]
Комментарий к файлу: Для пайки пользуемся маломощным паяльником с гальванической развязкой от сети и не пренебрегаем антистатическим браслетом.
Доработка входа AUX и USB в RCD 30
13.jpg [ 64.33 КБ | Просмотров: 11915 ]
Комментарий к файлу: Отмечаем место под разъем и вырезаем его дремелем.
Доработка входа AUX и USB в RCD 30
09.jpg [ 54.17 КБ | Просмотров: 11915 ]
Комментарий к файлу: Такая дырочка должна получится. Размеры на глаз, под разъем, плюс 2-3мм на высоту, на то, что потом разъем подожмется крышкой.
Доработка входа AUX и USB в RCD 30
08.jpg [ 59.18 КБ | Просмотров: 11915 ]
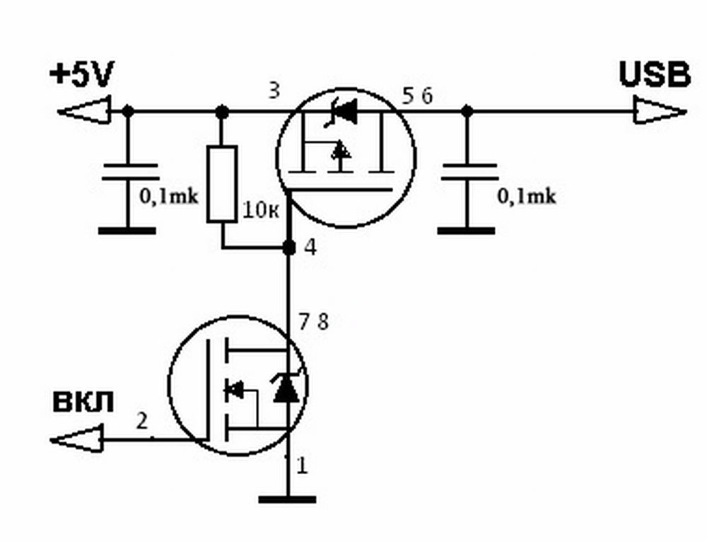
Комментарий к файлу: Вот такую схемку надо изобразить, чтобы имелась возможность отключения питания от флешки и безопасного ее удаления.
Доработка входа AUX и USB в RCD 30
f7328cu-960.jpg [ 42.5 КБ | Просмотров: 11915 ]
Комментарий к файлу: Вот так выглядит результат переделки. Наши действия в следующий последовательности:
1. Готовим микросбрку, отжимаем ноги 2,4,7,8. Ногу 5 отламываем за ненадобностью. Впаиваем микросборку за ноги 1,3,6. В воздухе висят выводы 2,4,7,8.
2. Впаиваем керамику на места С515 и С516.
3. Между С516 и выводом 4 микросборки впаиваем 10кОм, т.к. места под него нет, то один конец вешаем на конденсатор, а второй будет висеть в воздухе, далее зафиксируем перемычкой к ноге микросборки.
4. Цепляем перемычку на ноги 4,7,8 и к припаянному ранее резистору на 10кОм.
5. Цепляем изолированную перемычку между ногой 2 микросборки и резистором R212, т.к. на фото.
6. Впаиваем нулевые сопротивления на поз. L500, L501 и на позицию R25 (второй участок работ).
7. Для того, чтобы впаять разъем, надо поменять местами дата-линии, т.к. они перепутаны, для этого убираем сопротивления R510 и R509 на 27 Ом. Одно из них впаиваем по диагонали, а заместо второго подбираем и устанавливаем так же по диагонали резистор с выводами.
8. Впаиваем USB - разъем.
9. Впаиваем электролиты С500 и С501.
10. Удаляем остатки канифоли ацетоном и радуемся проделанной работе.

Доработка входа AUX и USB в RCD 30
07.jpg [ 112.88 КБ | Просмотров: 11915 ]
Комментарий к файлу: Собираем магнитолу. Задняя крышка подожмет и зафиксирует разъем. Вот такая красотища.
Доработка входа AUX и USB в RCD 30
06.jpg [ 63.91 КБ | Просмотров: 11915 ]
Комментарий к файлу: Высверливаем, вырезаем, вытачиваем или выгрызаем, кому как удобнее, прямоугольное отверстие в штатной заглушке.
Доработка входа AUX и USB в RCD 30
05.jpg [ 57.17 КБ | Просмотров: 11915 ]
Комментарий к файлу: Обрезаем на маме пластик по длине, чтобы влез, вставляем, при необходимости фиксируем термоклеем и вот такая хрень у нас в итоге должна получится.
Доработка входа AUX и USB в RCD 30
04.jpg [ 68.43 КБ | Просмотров: 11915 ]
Комментарий к файлу: Протягиваем кабель. Ставим магнитолу на место.
Доработка входа AUX и USB в RCD 30
02.jpg [ 79.5 КБ | Просмотров: 11915 ]
Комментарий к файлу: Ставим заглушку на место, втыкаем флешку.
Доработка входа AUX и USB в RCD 30
03.jpg [ 103.31 КБ | Просмотров: 11915 ]
Комментарий к файлу: И вот оно счастье.
Доработка входа AUX и USB в RCD 30
1.jpg [ 84.95 КБ | Просмотров: 11915 ]


Последний раз редактировалось Allexanderr 08 окт 2012, 22:05, всего редактировалось 1 раз.
 Профиль  
 
 

Не в сети
АвтоСтажер

Зарегистрирован: 07 окт 2012, 18:56
Сообщения: 27
Откуда: СПб
Благодарил (а): 0 раз.
Поблагодарили: 5 раз.
В Питере ищу спецов сделать звуковой вход и вход ЮСБ...
Есть такие за умеренное вознаграждение??


 Профиль  
 
 

Не в сети
АвтоЗнаток

Зарегистрирован: 13 мар 2011, 10:11
Сообщения: 319
Откуда: г.Подольск МО
Благодарил (а): 43 раз.
Поблагодарили: 121 раз.
TUX0H писал(а):
Сколько ни рассматривал имеющиеся фотки, не смог углядеть.
Я хочу поискать аналогичную возможность в Skoda Dance MP3 (DSP - TDA 7505).

Я что-бы подключить защиту к AUX см. viewtopic.php?f=15&t=6082&start=175#p200607 вертел плату полчаса, а вы хотите по фото.
Может к выходным ближе соберусь подключить блок активных фильтров, - гляну, а так может у кого дохлая есть на запчасти.
По поводу AUX, - защитить вход процессора, можно установив отдельную платку:
Вложение:
Доработка входа AUX и USB в RCD 30
плата защиты AUX.JPG [ 340.74 КБ | Просмотров: 9812 ]
Вложение:
Доработка входа AUX и USB в RCD 30
общий вид.JPG [ 701.69 КБ | Просмотров: 9812 ]

Плата из одностороннего стеклотекстолита крепится пайкой через земляные контакты , дополнительно термоклей.
Все примитивно и есть возможность отдохнуть после 603 элементов. В формате sPrintLayout здесь не выкладывается, но кому надо легко начертит по фото. Светодиоды,- любые малогабаритные, можно невидимого спектра, но напряжение открывания должно быть не менее 2вольт. Вместо светодиодов лучше поставить по одному двуханодному стабилитрону на канал,- например КС162.из импорта можно поискать применяемые для защите кнопок от статики в пультах магнитол, так-же супрессоры наподобие 1,5SMC6.8CA.
Конденсаторы, рекомендуется для применения в звуковых цепях,- из SMD типа NPO, либо пленочные (не обязательно SMD) На номинал 0,1-0,33мкф, хотя выше 0,1 NPO найти сложно и размеры у них больше..
Вложение:
Доработка входа AUX и USB в RCD 30
AUX зашита на КС162.JPG [ 256.06 КБ | Просмотров: 9428 ]

Вложение:
Доработка входа AUX и USB в RCD 30
печать платы AUX.JPG [ 37.71 КБ | Просмотров: 9781 ]

Добавлю о тонкостях подключения магнитолы на столе.
Все устройства, подключаемые к магнитоле (блок питания, осциллограф, компьютер и т.д.) должны быть связаны общей шиной для уравнивания потенциалов и заземлены.
Пример:
Магнитола запитана от импульсного или старого трансформаторного (часто использовалась цепочка из конденсаторов по сети на землю) и подключается к заземленному компьютеру,- имеем 110вольт разницы для убивания магнитолы.
Или подключение к незаземленному компу , да еще с CRT монитором аналогичные проблемы, так-же вопрос с антеннами (коллективная может иметь потенциал).
И паяльник стоит использовать только низковольтный, через понижающий трансформатор.


Последний раз редактировалось garikello 15 апр 2013, 10:03, всего редактировалось 3 раз(а).

 Профиль  
 
 

Не в сети
АвтоСтажер

Зарегистрирован: 08 окт 2012, 10:57
Сообщения: 2
Откуда: Samara
Благодарил (а): 0 раз.
Поблагодарили: 0 раз.
По поводу защиты AUX - у меня в штатной реализации стоит также конденсатор в разрыв сигнальной земли, т.е. с корпусом магнитолы не "звонится".


 Профиль  
 
 

Не в сети
АвтоЗнаток

Зарегистрирован: 13 мар 2011, 10:11
Сообщения: 319
Откуда: г.Подольск МО
Благодарил (а): 43 раз.
Поблагодарили: 121 раз.
К сожалению конденсатор тут совершенно не в помощь,- для переменки не помеха,- пропускает и от статики не поможет , - пробьет если не высоковольтный.
Я такой фокус проходил на радиостанциях, где применили незамкнутый тип антенны,- перед грозой заряд постепенно накапливался, пока не пробивал разделительный конденсатор, вместе с выходным каскадом.
А поставили его что-бы исключить вариант лишней земли от другого устройства.
Allexanderr писал(а):
Поддеваем декоративную накладку ножом и стаскиваем с креплений, одну за другой....
10. Удаляем остатки канифоли ацетоном и радуемся проделанной работе.

-Ножом вы легко ее поцарапаете,- снизу рамки есть пазы под обычную отвертку.
-Ацетон более токсичен и может повредить защитное лаковое покрытие деталей лучше использовать спирт..
-Разъем неплохо дополнительно закрепить петлей из луженого провода, впаяного через отверстия массы платы.
И все-таки такой вариант подключения менее предпочтителен,- лишние сопли отсутствие защиты и обратной связи с процессором для аварийного отключения питания.


 Профиль  
 
 

Не в сети
АвтоСтажер

Зарегистрирован: 10 окт 2012, 14:54
Сообщения: 5
Откуда: Украина
Благодарил (а): 0 раз.
Поблагодарили: 1 раз.
в магнитоле rcd 30 есть желтый вход(не знаю как называется) дак вот покупаете себе такой девайс http://www.ebay.com/itm/VW-USB-extended ... b4&vxp=mtr и ваши проблемы решены, и еще если немцы пишут,что есть USB вход значить он есть, надо просто поискать umnik


 Профиль  
 
 

Не в сети
Опытный водитель
Аватара пользователя

Зарегистрирован: 09 ноя 2011, 08:15
Сообщения: 219
Откуда: Пермь
Благодарил (а): 4 раз.
Поблагодарили: 32 раз.
Li4nost писал(а):
в магнитоле rcd 30 есть желтый вход(не знаю как называется) дак вот покупаете себе такой девайс http://www.ebay.com/itm/VW-USB-extended ... b4&vxp=mtr и ваши проблемы решены, и еще если немцы пишут,что есть USB вход значить он есть, надо просто поискать umnik

В RCD30 нет желтого входа


 Профиль  
 
 

Не в сети
АвтоГуру
Аватара пользователя

Зарегистрирован: 09 фев 2011, 16:37
Сообщения: 2972
Изображения: 3
Откуда: г.Волхов
Благодарил (а): 2128 раз.
Поблагодарили: 1366 раз.

Имя: Дмитрий
Li4nost писал(а):
что есть USB вход значить он есть, надо просто поискать

нифигасе :shock: А все те кто искал редкую микруху, покупат смдшную мишуру, кондёры и прочее разбирали/паЯли/резали/собирали, значит просто не нашли юсбишный (жёлтый) вход?!

_________________
Вообщем и целом доволен своим Поло. На мелочи плевать.


 Профиль  
 
 

Не в сети
Модератор
Аватара пользователя

Зарегистрирован: 14 май 2012, 12:50
Сообщения: 478
Откуда: Moscow
Благодарил (а): 15 раз.
Поблагодарили: 248 раз.
Предположу, что этот желтый вход не распаян и где он находится загадка. А паяли там где нашли. Да и не факт, что он там вапще в нашей версии должен быть.


 Профиль  
 
 

Не в сети
АвтоСтажер

Зарегистрирован: 16 фев 2012, 20:05
Сообщения: 8
Откуда: Омск
Благодарил (а): 13 раз.
Поблагодарили: 3 раз.
Вообще-то по ссылке магнитола RCD-510


 Профиль  
 
 

Не в сети
АвтоСтажер
Аватара пользователя

Зарегистрирован: 23 ноя 2011, 19:52
Сообщения: 22
Откуда: СПб
Благодарил (а): 1 раз.
Поблагодарили: 1 раз.
motoazart писал(а):
В Питере ищу спецов сделать звуковой вход и вход ЮСБ...
Есть такие за умеренное вознаграждение??

+1


 Профиль  
 
 

Не в сети
Опытный водитель
Аватара пользователя

Зарегистрирован: 31 май 2012, 21:08
Сообщения: 180
Изображения: 1
Откуда: Саратов
Благодарил (а): 95 раз.
Поблагодарили: 181 раз.

Имя: Козьма Прутков
garikello писал(а):
-Ножом вы легко ее поцарапаете,- снизу рамки есть пазы под обычную отвертку.
-Ацетон более токсичен и может повредить защитное лаковое покрытие деталей лучше использовать спирт..
-Разъем неплохо дополнительно закрепить петлей из луженого провода, впаяного через отверстия массы платы.
И все-таки такой вариант подключения менее предпочтителен,- лишние сопли отсутствие защиты и обратной связи с процессором для аварийного отключения питания.

Если корни рук находятся где то ниже пояса, то можно не просто поцарапать, но и отверткой разрезать элементарно. У кого есть неограниченные запасы спирта, может пользоваться спиртом, в свободной продаже его давно нет, в отличие от ацетона. Если разъем закрепить, то потом придется вырезать паз и в крышке (мне лично было лень). На счет вариантов подключения - все фломастеры на вкус разные, каждый выбирает свой. Этот красив тем, что магнитола не имеет "хвоста" и легко снимается.

Li4nost писал(а):
если немцы пишут,что есть USB вход значить он есть, надо просто поискать umnik

Про RCD-30 они пишут, что USB входа там нет, не было и не может быть по определению, а для того, чтобы он там появился, необходимо приобрести у официального дилера RCD-310. Но реальность часто оказывается немного интереснее того, что пишут.


 Профиль  
 
 

Показать сообщения за:  Поле сортировки  
Начать новую тему Ответить на тему  [ Сообщений: 720 ] 


Кто сейчас на конференции

Сейчас этот форум просматривают: нет зарегистрированных пользователей и гости: 3


Вы не можете начинать темы
Вы не можете отвечать на сообщения
Вы не можете редактировать свои сообщения
Вы не можете удалять свои сообщения
Вы не можете добавлять вложения

Найти:
Перейти: