Клубный полоподбор со скидкой до 35% Найдем Polo по вашим требованиям, с гарантией!






Начать новую тему Ответить на тему  [ Сообщений: 1576 ] 
Автор Сообщение
Не в сети
Опытный водитель

Зарегистрирован: 31 окт 2013, 22:04
Сообщения: 223
Откуда: Москва
Благодарил (а): 31 раз.
Поблагодарили: 47 раз.
Saboter писал(а):
Оба провода идут с блока управления подушек безопасности 30 контакт - желтый провод, 35 - коричневый.

У меня нет боковых подушек! Комплектация КомфортЛайн СочиЭдишн.


 Профиль  
 
 

Не в сети
АвтоСпециалист

Зарегистрирован: 28 дек 2011, 14:40
Сообщения: 581
Откуда: Киев
Благодарил (а): 28 раз.
Поблагодарили: 143 раз.
RusT_1982 писал(а):
У меня нет боковых подушек!

Это абсолютно не играет роли. Фронтальные ведь есть.
Если есть подогрев сидений можно взять разрешающий сигнал от бортсети - там должен появиться плюс после запуска. Или бензонасос


 Профиль  
 
 

Не в сети
Опытный водитель

Зарегистрирован: 31 окт 2013, 22:04
Сообщения: 223
Откуда: Москва
Благодарил (а): 31 раз.
Поблагодарили: 47 раз.
Saboter писал(а):
RusT_1982 писал(а):
У меня нет боковых подушек!

Это абсолютно не играет роли. Фронтальные ведь есть.
Если есть подогрев сидений можно взять разрешающий сигнал от бортсети - там должен появиться плюс после запуска. Или бензонасос

И машина на автозапуске стоит и светит соседям в окна, или чел назад сдаёт а ты ему по шарам светиш пока двиг не заглушеш.

Может кто подскажет провод на приборке который от замка ремня идёт?!( получется управляемый "-"
Управляемый "+" полагаю взять с IGN.

Добавлено спустя 4 минуты 47 секунд:
Хотя нет, с лампочки ремня будет приходить управляемый "+" (когда цепь разомкнута) или вообще лампочка с катушкой реле будет запитана последовательно :-(

Может кто прояснит данный вопрос?! А то эл.схемы отсутсвуют.


 Профиль  
 
 

Не в сети
АвтоСпециалист

Зарегистрирован: 28 дек 2011, 14:40
Сообщения: 581
Откуда: Киев
Благодарил (а): 28 раз.
Поблагодарили: 143 раз.
RusT_1982 писал(а):
Может кто подскажет провод на приборке который от замка ремня идёт?!

Нет такого провода, еще раз говорю. Приборка о ремне узнает через CAN от блока подушек безопасности.
А для автозапуска можно поставить еще одно реле, которое отключит ваш свет при работе двигателя от автозапуска


 Профиль  
 
 

Не в сети
Опытный водитель

Зарегистрирован: 31 окт 2013, 22:04
Сообщения: 223
Откуда: Москва
Благодарил (а): 31 раз.
Поблагодарили: 47 раз.
Saboter писал(а):
RusT_1982 писал(а):
Может кто подскажет провод на приборке который от замка ремня идёт?!

Нет такого провода, еще раз говорю. Приборка о ремне узнает через CAN от блока подушек безопасности.
А для автозапуска можно поставить еще одно реле, которое отключит ваш свет при работе двигателя от автозапуска


Ага, вот он как значит это видит! В теме автоматическое включение ближнего света" выкладывалась схема через замок, но я её что то не понял. Сделана не профи и совершенно не читаема. Может кто подправит?


Вложения:
Схема двт вкл ближн света.ppt [30 КБ]
Скачиваний: 291
 Профиль  
 
 

Не в сети
АвтоСпециалист

Зарегистрирован: 15 сен 2013, 08:55
Сообщения: 859
Откуда: Пермь
Благодарил (а): 136 раз.
Поблагодарили: 237 раз.

Имя: Артем
Сегодня появилось время и я таки осилил всю тему в итоге увидел, что ни кто не смог реализовать ДХО как написано в книжке.
Между тем он у нас есть, и наверно да же в любой комплектации, а именно вариант 2 с помощью перемычки (я уже про данный способ писал, но там тему закрыли).
Итак все по порядку.
Начал интересоваться об установке ПТФ и искать все нужно, кроме всего прочего нам нужен комбинированный переключатель света 6R0941531 GAPV. Зашел в магазин экcист и увидел на против данной маркироки следующую надпись: "Многопозиц. перекл. дневн. режима освещ. , стоян. огней и ближн. света и противотуманных фар, "Черный/chrom"" Вас ни чего не смутило? А меня смутило фраза "дневн. режима освещ.", но ведь на полосден нет ДХО. Тогда я начал копать работу данного переключателя и нарыл в инете 2 схемы, для comfortline и highline, прада на них не указана подсветка иконок положений переключаиеля. Схему для comfortline я прозвонил на своем переключателе, все соответсвует.
Из схем выходит, что на контактах "TFL" и "B" есть плюс при включеном зажигании и положение переключателя в режиме ноль, т.е. замкнуты контакты "Xz", "TFL" и "B". И плюса на контактах "TFL" и "B" нет если положения переключателя находится на габаритах или ближнем/дальнем свете.
Таким образом для реализации ДХО нам нужно просто взять плюс с контакта "TFL" или "B" и подсоединить к лампам ДХО. А для реализации ближнего света фар в режиме ДХО просто замкнуть контакты "TFL" или "B" и контакт 56. Ну и для реализации ПТФ в режиме ДХО замкнуть контакты "TFL" или "B" и контакт NL. Но есть ньюанс в колодке контактов "TFL" и "B" нет, зато их можно вставить самому.
Что то подобное было описано, но там брался плюс напрямую с замка зажигания, а именно с контакта "Xz" или контакта "Xr", а для отключения ДХО по габаритам/ближнему/дальнему реализовывалось через реле.
Я так понимаю это и есть скандинавский свет. Плохо лишь, то что ДХО будет гореть как при зажигании, так и при заводе машины. Как исправить, в данной теме так же описывалось.


Вложения:
Комментарий к файлу: Схема переключателя highline
Дневные ходовые огни на VW Polo седан
highline.gif [ 15.1 КБ | Просмотров: 6284 ]
Комментарий к файлу: Схема переключателя comfortline
Дневные ходовые огни на VW Polo седан
comfortline.gif [ 13.91 КБ | Просмотров: 6284 ]
 Профиль  
 
 

Не в сети
Опытный водитель

Зарегистрирован: 31 окт 2013, 22:04
Сообщения: 223
Откуда: Москва
Благодарил (а): 31 раз.
Поблагодарили: 47 раз.
Вот! Молодец! взял и решил длиннотему :-)
Жаль с замком ремня ничего не придумать :-( как вариант взять за привычку дёргать ручник до первого щелчка(при езде на ручнике работает зумер) и соответсвенно завязать "автосвет" на ручник.

Добавлено спустя 7 минут 5 секунд:
Может на "Парковку" завязать или туда вообще ни стоит суваться?

Добавлено спустя 13 минут 24 секунды:
Вбил в гугл "автосвет паркавка" и увидел что ТоётаВоды во всю используют сигнал "P" с приборки для полной реализации проэкта "автосвет". Может у нас тоже получится?! Спецы по эл. схемам, прозба "кокурить" данную мысль :-)

Добавлено спустя 45 минут 20 секунд:
Вот тут предлагают использовать датчик скорости http://mgp-avto.ru/index.php?option=com ... Itemid=112


 Профиль  
 
 

Не в сети
Кулибин клуба
Аватара пользователя

Зарегистрирован: 30 июн 2010, 05:15
Сообщения: 1391
Изображения: 1
Откуда: Барнаул
Благодарил (а): 786 раз.
Поблагодарили: 2089 раз.

Имя: Илья
darkbai писал(а):
Но есть ньюанс в колодке контактов "TFL" и "B" нет, зато их можно вставить самому.
Зачем? Смысл?
Кстати, есть еще один нюанс:
alex-1968 писал(а):
...Только перемкнул 2-й и 4-й, потому как на 1-ом при включении зажигания висит + постоянно, в том числе и когда стартер крутит, а это зимой может быть критично. Ну а на 2-ом на время работы стартера + пропадает. Соответсвенно и фары на время работы стартера гаснут.
Так лучше.
RusT_1982
По-моему самый простой и бюджетный вариант здесь - viewtopic.php?p=117626#p117626. Если этого недостаточно, вскройте декор. накладку селектора, найдите светодиод отвечающий за "Р" и подключите к нему провод, предназначенный для ручника.


 Профиль Персональный альбом  
 
 

Не в сети
АвтоЗнаток
Аватара пользователя

Зарегистрирован: 12 мар 2011, 16:10
Сообщения: 379
Откуда: Красноярский край Шарыпово
Благодарил (а): 84 раз.
Поблагодарили: 144 раз.

Имя: Игорь Николаевич
Что вы мозг ломаете? Вот схема viewtopic.php?f=18&t=595&start=575, которую я сделал еще два года назад, сначала на ПТФ, а затем переделал на ближний свет(по причине лопнувшего стекла на ПТФ от холодной воды осенью, стоимость 2300р, в отличии от ламп накаливания-300р). При "дернутом" ручнике ничего не горит, при опущенном-только ПТФ или БС.

_________________
С моей точки зрения, данный автомобиль одно из лучших решений в компромиссе бюджетность-качество-надёжность.


 Профиль  
 
 

Не в сети
Опытный водитель

Зарегистрирован: 31 окт 2013, 22:04
Сообщения: 223
Откуда: Москва
Благодарил (а): 31 раз.
Поблагодарили: 47 раз.
Может кто посмотрит? Реализуемо?!


Вложения:
6-ступенчатая АКП с июня 2011 года.pdf [761.75 КБ]
Скачиваний: 238
 Профиль  
 
 

Не в сети
АвтоСпециалист

Зарегистрирован: 15 сен 2013, 08:55
Сообщения: 859
Откуда: Пермь
Благодарил (а): 136 раз.
Поблагодарили: 237 раз.

Имя: Артем
electrik писал(а):
Вот схема viewtopic.php?f=18&t=595&start=575


Ваша схема хороша (подобным образом я реализовывал ДХО на калине), но только для ручной коробки передач, на автоматической коробке передач рычником пользуются редко, а пользоваться им для того чтоб выключить ДХО вряд ли кто то будет, поэтому ищем другие пути реализации выключения ДХО при простое автомобиля.

А с учетом моего поста про переключатель света, Ваша схема упращается до одного реле.


Вложения:
Комментарий к файлу: Схема подключения ДХО к выключателю света с управлением от ручника
Дневные ходовые огни на VW Polo седан
IMG_20140205_122849.jpg [ 611.4 КБ | Просмотров: 6204 ]
 Профиль  
 
 

Не в сети
Опытный водитель

Зарегистрирован: 31 окт 2013, 22:04
Сообщения: 223
Откуда: Москва
Благодарил (а): 31 раз.
Поблагодарили: 47 раз.
darkbai писал(а):

Ваша схема хороша (подобным образом я реализовывал ДХО на калине), но только для ручной коробки передач, на автоматической коробке передач рычником пользуются редко, а пользоваться им для того чтоб выключить ДХО вряд ли кто то будет.

Я на 2107 реализовал включение от ручника(реле#1) и от лампы генератора(реле#2).
На АКПП точно ручник не хочется дёргать. Как то проще свет включить штатно. Разве что зумер с ручником напомнит.


 Профиль  
 
 

Не в сети
АвтоГуру
Аватара пользователя

Зарегистрирован: 12 июн 2012, 19:24
Сообщения: 4390
Откуда: 23RUS-Полтавская
Благодарил (а): 1875 раз.
Поблагодарили: 2082 раз.

Имя: Николай
darkbai,
а нет циклограммы соединения контактов в зависимости от положения переключателя?
к примеру(условно) -положение "0"-замкнуты х х х
положение "1"-замкнуты -у у у
положение "2"-замкнуты -z z z

был бы очень признателен!


 Профиль  
 
 

Не в сети
АвтоСпециалист

Зарегистрирован: 15 сен 2013, 08:55
Сообщения: 859
Откуда: Пермь
Благодарил (а): 136 раз.
Поблагодарили: 237 раз.

Имя: Артем
kolba-60 писал(а):
а нет циклограммы соединения контактов в зависимости от положения переключателя?

Посмотрите на схемы переключателя внимательно. Там верхние контакты соеденени с одной(двумя) черточками, всего их три на контакт, так это и есть положения выключателя, слева направо 0, габариты, ближний/дальний. E1 это первое положение по вертикали, E2 и E3 второе и третье соответсвенно.

Добавлено спустя 20 минут 5 секунд:
Огромное спасибо RusT_1982 за предоставленные схемы (сам думал реализовывать именно вариант с подключением через паркинг, но не знал как и искал инфу).
Реализация ДХО для автоматической коробки.
Режим работы:
Переключатель света в режиме 0, зажигание включено, АКПП находится в любом положении кроме паркинг - ДХО горит.
Во всех остальных комбинациях ДХО не горит.
Вот схема подключения (но основе схемы 24/5 из поста
RusT_1982 писал(а):
Может кто посмотрит? Реализуемо?!
элемент F319 (сине серый провод, соединяющийся с серым проводом gf/bl на 49 позиции) и N376 (серый провод под номером T2fj/2)):

Добавлено спустя 10 минут 18 секунд:
Добалю, управление берется с блокировки замка зажигания, у машин с АКПП ключ можно вытащить только в положени Паркинг, а в любом другом положении он блокируется, от этого и оттолкнулся.

Добавлено спустя 8 минут:
Кстати вместо контакта "Xz" или "Xr" или 30 можно взять с контакта "P" (он напрямую подсоеденен с контактом 30 и так же отсутствует в колодке его прийдется добавлять) в этом случае Вам не надо будет придумывать как подсоединятся к проводам, а просто добавить контакты "TFL" и "P" в колодку и подцепить их к Реле, еще не забудьте предохранитель если у Вас отдельные лампы ДХО.


Вложения:
Комментарий к файлу: Схема подключения ДХО на АКПП к выключателю света с по режиму Паркинг
Дневные ходовые огни на VW Polo седан
IMG_20140205_141304.jpg [ 899.12 КБ | Просмотров: 6156 ]
 Профиль  
 
 

Не в сети
Кулибин клуба

Зарегистрирован: 21 янв 2011, 21:38
Сообщения: 693
Откуда: Нижний Новгород
Благодарил (а): 154 раз.
Поблагодарили: 1547 раз.

Имя: Сергей
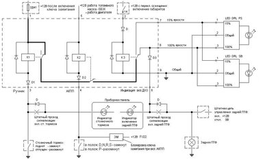
Использую свою схему управления ДХО Шкоды Фабии RS, третий вариант которой родился из первых двух: viewtopic.php?f=18&t=595&start=550#p114618 и viewtopic.php?f=18&t=595&start=625#p126836
На первый взгляд сложно - три реле, но сейчас уже можно было бы отказаться от рудимента цепи стояночного тормоза и первого реле. Но так как все провода были прокинуты ранее, то не стал и переделывать. Сигнал работы двигателя - с цепи питания топливного насоса. Можно было извратиться и исключить вторую цепь управления топливного насоса с блока управления бортсети, но для работы ДХО это не мешает. А вот с подключением цепи блокировки от АКПП так с осени и не дошли руки протянуть новый провод до модуля - повесил на вход перемычку на землю и оставил до тепла. Для авто с МКПП - это штатный режим.
Цепь индикации включения ДХО на приборке - на любителя, мне очень нравится и уже привычно. На РХО-22 тоже есть такой выход, но надо было его дополнительно инвертировать для приборки, поэтому не прижилась.
Вложение:
Дневные ходовые огни на VW Polo седан
ДХО_3 вариант для АКПП.JPG [ 76.04 КБ | Просмотров: 6118 ]


 Профиль  
 
 

Показать сообщения за:  Поле сортировки  
Начать новую тему Ответить на тему  [ Сообщений: 1576 ] 


Кто сейчас на конференции

Сейчас этот форум просматривают: нет зарегистрированных пользователей и гости: 11


Вы не можете начинать темы
Вы не можете отвечать на сообщения
Вы не можете редактировать свои сообщения
Вы не можете удалять свои сообщения
Вы не можете добавлять вложения

Найти:
Перейти: