Клубный полоподбор со скидкой до 35% Найдем Polo по вашим требованиям, с гарантией!






Начать новую тему Ответить на тему  [ Сообщений: 45 ] 
Автор Сообщение
Не в сети
АвтоСтажер
Аватара пользователя

Зарегистрирован: 08 авг 2012, 20:18
Сообщения: 41
Изображения: 47
Откуда: Украина
Благодарил (а): 55 раз.
Поблагодарили: 138 раз.
skynetrussian, в теме :"Установка сигнализации своими руками" alex давал ссылку, посмотрите , интересный материал download/file.php?id=1869


 Профиль Персональный альбом  
 
 

Не в сети
АвтоЛюбитель
Аватара пользователя

Зарегистрирован: 10 сен 2012, 22:25
Сообщения: 60
Откуда: Питер
Благодарил (а): 0 раз.
Поблагодарили: 8 раз.
skynetrussian писал(а):
при данной схеме блокировки (разрыв общего +) на нашей машине приведет к ошибке (однозначного ответа не нашел)? есть практика?

практика показывает , что ошибка с первого раза может и не выскочить, но если постоянно вызывать блокировку вылезет точно. на других авто бывает еще хуже: после 10 блокировки мозги просто вырубаются. приходиться везти машину к ОД.


 Профиль  
 
 

Не в сети
АвтоЛюбитель

Зарегистрирован: 27 окт 2010, 12:24
Сообщения: 87
Благодарил (а): 7 раз.
Поблагодарили: 11 раз.
..настораживает. а что тогда безопасно можно "отрубить"? в задачу не входит особо "хитрые" блокировки под капотом, т.к. полагаю, если вскрыли капот, то уж 12_1


 Профиль  
 
 

Не в сети
АвтоСпециалист
Аватара пользователя

Зарегистрирован: 26 мар 2012, 18:29
Сообщения: 606
Откуда: Москва, ЮАО
Благодарил (а): 82 раз.
Поблагодарили: 228 раз.

Имя: Вовик
skynetrussian
Я конечно не специалист, но выскажу одну мысль.
Если вы рвете цепь форсунок сигнализацией, то она становится неактивной только в момент постановки машины на сигнализацию(соответственно мотор заглушен, зажигание выключено). Опрос всех блоков, теоретически, происходит при включенном зажигании. Поэтому могу предположить, что словить ошибку ЭБУ можно лишь при проверке работоспособности блокируемой цепи, либо уже когда машину будут, не дай Бог конечно, вскрывать и пытаться на ней уехать без вашего на то желания. А при нормальной работе сигнализации никаких ошибок выскакивать не должно.
К сожалению не указан город вашего нахождения. Это я к тому, что например если выскочит ошибка, то её можно затереть с помощью диагностического шнурка одноклубника за пиво или за спасибо, не прибегая к услугам ОД, тем более если вы сами на свой страх и риск устанавливаете сигнализацию.


 Профиль  
 
 

Не в сети
АвтоЛюбитель

Зарегистрирован: 27 окт 2010, 12:24
Сообщения: 87
Благодарил (а): 7 раз.
Поблагодарили: 11 раз.
блокировка будет пандектом 650, т.е. блокировка заведенного двигателя при попытке тронуться, я думаю по "мозгам" это "даст", отсюда и вопросы....


 Профиль  
 
 

Не в сети
АвтоГуру

Зарегистрирован: 29 июн 2010, 12:07
Сообщения: 2010
Благодарил (а): 44 раз.
Поблагодарили: 303 раз.
у меня форсунки рвутся, это вообще одна из немногих безобидных цепей, которую можно рвать...


 Профиль  
 
 

Не в сети
АвтоЛюбитель
Аватара пользователя

Зарегистрирован: 10 сен 2012, 22:25
Сообщения: 60
Откуда: Питер
Благодарил (а): 0 раз.
Поблагодарили: 8 раз.
skynetrussian
уточнил- чека не будет 100% вход сине-белый выход красно-черный( как уже ранее говорили)
почему 2 разных цвета? после разъема цвет может измениться. Да, форсунки это.


 Профиль  
 
 

Не в сети
АвтоЛюбитель

Зарегистрирован: 27 окт 2010, 12:24
Сообщения: 87
Благодарил (а): 7 раз.
Поблагодарили: 11 раз.
спасибо! определился - форсунки...
в разъем форсунки входят 2 провода, у всех 4-х одинаковые черно-красные - в разъеме соединяются в сине-белый (по схеме, реально он где расположен?), значит надо "резануть" сине-белый... я правильно понимаю????


 Профиль  
 
 

Не в сети
АвтоЛюбитель
Аватара пользователя

Зарегистрирован: 10 сен 2012, 22:25
Сообщения: 60
Откуда: Питер
Благодарил (а): 0 раз.
Поблагодарили: 8 раз.
skynetrussian
режь то, что ближе к форсункам, что бы не было после блокировки разъема.


 Профиль  
 
 

Не в сети
АвтоЛюбитель

Зарегистрирован: 27 окт 2010, 12:24
Сообщения: 87
Благодарил (а): 7 раз.
Поблагодарили: 11 раз.
Это как??? Перед разьемом 1 провод, а после - 4... реле одно... Получается только перед... В чем особенность?


 Профиль  
 
 

Не в сети
АвтоЛюбитель
Аватара пользователя

Зарегистрирован: 10 сен 2012, 22:25
Сообщения: 60
Откуда: Питер
Благодарил (а): 0 раз.
Поблагодарили: 8 раз.
на форсунах красно-черный общий. он в косе объединяется где то . вскрой косу сразу за аккумом. там есть промежуток без гофры.


 Профиль  
 
 

Не в сети
АвтоЛюбитель

Зарегистрирован: 27 окт 2010, 12:24
Сообщения: 87
Благодарил (а): 7 раз.
Поблагодарили: 11 раз.
Ок, как доберусь до машины - посмотрю


 Профиль  
 
 

Не в сети
Кулибин клуба

Зарегистрирован: 21 янв 2011, 21:38
Сообщения: 693
Откуда: Нижний Новгород
Благодарил (а): 154 раз.
Поблагодарили: 1547 раз.

Имя: Сергей
skynetrussian писал(а):
Ок, как доберусь до машины - посмотрю


Ув. skynetrussian

Вариантов для создания блокировки форсунок в МО как минимум 4 - можно накрутить и пару для comando и не только вокруг форсунок ...

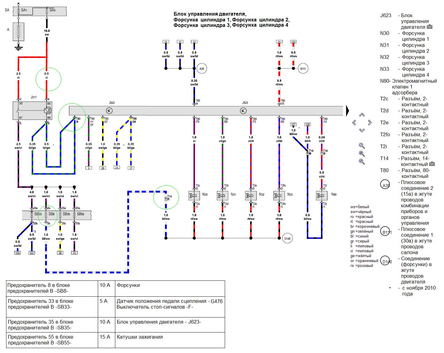
Вложение:
Блокировка двигателя под капотом
Питание форсунок.JPG [ 199.52 КБ | Просмотров: 5528 ]


;)


 Профиль  
 
 

Не в сети
АвтоСтажер

Зарегистрирован: 14 окт 2013, 09:49
Сообщения: 59
Откуда: ivanovo
Благодарил (а): 10 раз.
Поблагодарили: 3 раз.

Имя: mihail
черно-фиолет на мозги приходит зажигание.рви без ошибок. снимаешь блок предохр в салоне,находишь предохр из которого выходит черно-фиолет вроде 2 по счету в верхнем ряду 10ампер,заводишь дергаешь глохнет. затем вставляешь предохр назад .ищешь на мозгах черно-фиол подключаешь пробник вкл зажигание пробник засветится,выдергиваешь предохранитель пробник потух - значит провод тот самый.режешь ставишь реле. получится супер если снять воздушку и открутить 8 болтов крышки дворников и там спрятать реле. не забывая про влажность под капотом.


 Профиль  
 
 

Не в сети
АвтоСтажер

Зарегистрирован: 14 окт 2013, 09:49
Сообщения: 59
Откуда: ivanovo
Благодарил (а): 10 раз.
Поблагодарили: 3 раз.

Имя: mihail
предохранитель 2 по счету, но под номером 3, т.к 1 место пустое. Аккуратно не ошибитесь предохр под номером 2 airbag.!!!!!

Добавлено спустя 2 минуты 48 секунд:
предохранитель бензонасоса номер 17, предохранитель форсунок номер 31, и вроде глохнет от номера 10.


 Профиль  
 
 

Показать сообщения за:  Поле сортировки  
Начать новую тему Ответить на тему  [ Сообщений: 45 ] 


Кто сейчас на конференции

Сейчас этот форум просматривают: нет зарегистрированных пользователей и гости: 21


Вы не можете начинать темы
Вы не можете отвечать на сообщения
Вы не можете редактировать свои сообщения
Вы не можете удалять свои сообщения
Вы не можете добавлять вложения

Найти:
Перейти: