Клубный полоподбор со скидкой до 35% Найдем Polo по вашим требованиям, с гарантией!






Начать новую тему Ответить на тему  [ Сообщений: 748 ] 
Автор Сообщение
Не в сети
АвтоЗнаток
Аватара пользователя

Зарегистрирован: 20 июн 2010, 05:50
Сообщения: 418
Откуда: Москва
Благодарил (а): 125 раз.
Поблагодарили: 110 раз.
+[Показать] Spoiler: Оригинальный текст автора, отвечать на него не надо
парктроник за 7 тыщ это дорого вот подумываю камеру поставить

вроде как есть куда камеру прикрутить
Камера заднего вида для VW Polo sedan

а вы что думаете :?:

+[Показать] Spoiler: Характеристики на которые желательно ориентироваться при покупки камеры, с более худшими характеристиками будет более худшее качество отображения
Характеристики:
Предпочтительны матрицы CCD, поскольку они дают более качественное изображение, создают меньше помех. Стоят матрицы CCD дороже, чем матрицы CMOS
- разрешение 420 ТВ линий - меньше не стоит рассматривать
- система PAL/NTSC
- количество пикселей 656*492 - меньше будет хуже
- минимальная освещенность <0.1Lux - для ночной съемки хорошая чувствительность у камеры должна быть не выше 0.08-0.1 Lux, 0.2Lux - минималка при которой, что-то можно увидеть такую лучше не брать.
- видимый угол по диагонали - от 170 градусов, по горизонтали от 123 градуса, по вертикали от 102 градуса
- рабочая температура -25+65 градусов
- рабочее напряжение 12V DC
- возможность отображения парковочных линий.


Обсуждаем камеры заднего вида, выбираем лучшую. Если выбрали то обязательно пишем под какую голову.

На лучшие отзывы о камерах, здесь в этом посте прикреплю ссылки

Фото с размерами посадочного места. Плафон подсветки номерного знака. Фото PLV-CAM-AU03

svyatosl, отчет об установке камеры PLV-CAM-AU03
francs, отчет об установке камеры PLV-AVG-AU03
AvdeeFF, отчет об установке камеры Sky CA-UNI-4
Autostudio.Vitaliy, отчет об установке камеры
pyc1uk, отчет об работе камеры OM-047, фото и видео
rassigor отчет об установке камеры WIRELESS Car Reverse Camera for VW POLO Tiguan Touareg
Nark52 отчет об установке камеры похожий на PLV-AVG-AU03 (для Audi A4L A5 TT)
zikа отчет об установке камеры от Гольф Плюс без траекторий, на RNS-510
yavada отчет об установке камеры VW Passat 2011-2012
servo отчет об установке камеры похожий на PLV-AVG-AU03 (для Audi A4L A5 TT)



С Уважением,
Борисович

пост виден на всех страницах первым постом.


 Профиль  
 
 

Не в сети
АвтоСтажер

Зарегистрирован: 28 сен 2011, 10:26
Сообщения: 4
Благодарил (а): 2 раз.
Поблагодарили: 4 раз.
Установил камеру Intro VDC-042. Брал в магазине за 2600р. На всех сайтах у данной модели указано что она для поло седана, но при установке стало ясно что это не так, понадобился напильник (камера длиннее чем надо из-за чего не прижимается плотно). Получилось закрепить одним болтом с гайкой и широкой шайбой, на двухсторонний скотч и по контуру силиконом залил. Посмотрим как держаться будет, пока решил не сверлить ни чего. В общем расстроило что камера не подходит без доработки. Подключил к AS-7609, питающий провод от камеры кинул на синий провод магнитолы (питание антенны), а с фонаря заднего хода протянул провод к коричневому на магнитоле (который вкл. экран при вкл. задней). В результате на магнитоле изображение с камеры появляется автоматом при вкл. задней или можно в любой момент вручную зайти в меню камеры и видеть картинку. Это удобно в ситуациях когда разворачиваешься в узких пространствах и несколько раз подряд приходится включать заднюю, не надо ждать пока экран прейдет из одного режима в другой. По качеству камера не плохая, есть вкл/выкл парковочная разметка.


 Профиль  
 
 

Не в сети
Опытный водитель
Аватара пользователя

Зарегистрирован: 16 дек 2011, 12:03
Сообщения: 211
Откуда: Прокопьевск
Благодарил (а): 10 раз.
Поблагодарили: 51 раз.
Установил камеру Sho-me CA-9030D цена 1450 есть парковачные линии на фото видно


Вложения:
Камера заднего вида для VW Polo sedan
2012-06-19 16.23.32.jpg [ 1.2 МБ | Просмотров: 6884 ]
Камера заднего вида для VW Polo sedan
2012-06-19 11.38.19.jpg [ 1.09 МБ | Просмотров: 6884 ]
 Профиль  
 
 

Не в сети
Опытный водитель
Аватара пользователя

Зарегистрирован: 24 июн 2012, 01:11
Сообщения: 131
Откуда: Москва
Благодарил (а): 39 раз.
Поблагодарили: 25 раз.
stas.volk писал(а):
кому надо могу достать за 250 евро

чем же эта камера так знаменита, если цена такая? сама руль крутит? или препятствия отодвигает?


 Профиль  
 
 

Не в сети
АвтоЭксперт

Зарегистрирован: 27 ноя 2011, 10:41
Сообщения: 1038
Откуда: Москва
Благодарил (а): 116 раз.
Поблагодарили: 512 раз.
Это оригинальная камера а не поделка из Китая


 Профиль  
 
 

Не в сети
АвтоСпециалист

Зарегистрирован: 31 мар 2012, 16:59
Сообщения: 694
Откуда: Севастополь - Гордость русских моряков!
Благодарил (а): 346 раз.
Поблагодарили: 328 раз.
Krakatuk
Есть камеры и по 600 евро, которые вычисляют и рисуют изменяющуюся траекторию, в зависимости от поворота руля, прогресс не стоит на одном месте...

Камера заднего вида для VW Polo sedan Камера заднего вида для VW Polo sedan


 Профиль  
 
 

Не в сети
АвтоЗнаток
Аватара пользователя

Зарегистрирован: 07 июн 2012, 17:13
Сообщения: 497
Откуда: Самара
Благодарил (а): 217 раз.
Поблагодарили: 72 раз.
sergeant писал(а):
Krakatuk
Есть камеры и по 600 евро, которые вычисляют и рисуют изменяющуюся траекторию, в зависимости от поворота руля, прогресс не стоит на одном месте...

Камера заднего вида для VW Polo sedan Камера заднего вида для VW Polo sedan

только при наличии системы курсовой устойчивости в автомобиле


 Профиль  
 
 

Не в сети
АвтоЭксперт

Зарегистрирован: 27 ноя 2011, 10:41
Сообщения: 1038
Откуда: Москва
Благодарил (а): 116 раз.
Поблагодарили: 512 раз.
SamaraRaider писал(а):
sergeant писал(а):
Krakatuk
Есть камеры и по 600 евро, которые вычисляют и рисуют изменяющуюся траекторию, в зависимости от поворота руля, прогресс не стоит на одном месте...

Камера заднего вида для VW Polo sedan Камера заднего вида для VW Polo sedan

только при наличии системы курсовой устойчивости в автомобиле

Наличие системы курсовой устойчивости ваобще никак не связано. На поло тренд поставить камеру с изменяющейся траекторией оригинальную не проблема


 Профиль  
 
 

Не в сети
АвтоЗнаток
Аватара пользователя

Зарегистрирован: 07 июн 2012, 17:13
Сообщения: 497
Откуда: Самара
Благодарил (а): 217 раз.
Поблагодарили: 72 раз.
grafik
ну тогда расскажите, плиз, как это сделать и куда подключаться?
и как же камера будет понимать, что колёса поворачиваются?


 Профиль  
 
 

Не в сети
АвтоЭксперт

Зарегистрирован: 27 ноя 2011, 10:41
Сообщения: 1038
Откуда: Москва
Благодарил (а): 116 раз.
Поблагодарили: 512 раз.
Камера работает только с оригинальной головой RNS510, камера подключается к этой голове. Для того что бы работала изменяющаяся траектория движения- необходим блок траектории, который ставиться в разрыв RNS и камеры.
Блок траектории (а не камера) понимает что колеса поварачиваются беря сигнал с Кан модуля, на которые соответственно передает сигнал электроусилитель руля.
Ну и после всей установки камеру хорошо бы откалибровать.

Тут на форуме уже кто то помоему ставил оригинальную камеру.


 Профиль  
 
 

Не в сети
Опытный водитель
Аватара пользователя

Зарегистрирован: 24 июн 2012, 01:11
Сообщения: 131
Откуда: Москва
Благодарил (а): 39 раз.
Поблагодарили: 25 раз.
что-то я поотстал в данной области. вон, оказывается, куда прогресс шагнул. а кто может посоветовать, где хорошую камеру приобрести и качественно установить на кавминводах? или в Ростове, который на Дону.


 Профиль  
 
 

Не в сети
АвтоСтажер

Зарегистрирован: 07 июн 2012, 13:11
Сообщения: 36
Откуда: Санкт-Петербург
Благодарил (а): 15 раз.
Поблагодарили: 45 раз.
Установил камеру заднего вида. Подробный отчет здесь:
http://www.polosedan.ru/forum/viewtopic.php?f=15&t=4041&start=100


 Профиль  
 
 

Не в сети
Опытный водитель
Аватара пользователя

Зарегистрирован: 16 дек 2011, 12:03
Сообщения: 211
Откуда: Прокопьевск
Благодарил (а): 10 раз.
Поблагодарили: 51 раз.
Krakatuk писал(а):
что-то я поотстал в данной области. вон, оказывается, куда прогресс шагнул. а кто может посоветовать, где хорошую камеру приобрести и качественно установить на кавминводах? или в Ростове, который на Дону.

Вот смотри у вас в ростове http://avtogsm.ru/


 Профиль  
 
 

Не в сети
АвтоЭксперт
Аватара пользователя

Зарегистрирован: 27 май 2012, 08:50
Сообщения: 1469
Откуда: Магнитогорск
Благодарил (а): 585 раз.
Поблагодарили: 290 раз.

Имя: Егор
Товарищи, кто ставил, камеру, подскажите пожалуйста, после того как сняли обшивку с крышки багажника, провод питания от камеры нужно тащить в угол левый багажника и после этого через уплотнитель совать, а потом снимать обшивку слева и искать синий провод который идет от фонаря заднего хода и туда врезаться?


 Профиль  
 
 

Не в сети
АвтоЭксперт
Аватара пользователя

Зарегистрирован: 27 май 2012, 08:50
Сообщения: 1469
Откуда: Магнитогорск
Благодарил (а): 585 раз.
Поблагодарили: 290 раз.

Имя: Егор
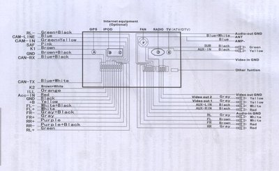
Помогите пожалуйста граждане, вот распиновка мафона, куда нужно подключить плюс от фонаря заднего хода?


Вложения:
Камера заднего вида для VW Polo sedan
1111111111.jpg [ 72.08 КБ | Просмотров: 5925 ]
 Профиль  
 
 

Не в сети
АвтоЭксперт
Аватара пользователя

Зарегистрирован: 13 сен 2010, 00:18
Сообщения: 1446
Изображения: 1
Откуда: From Moscow City baby
Благодарил (а): 104 раз.
Поблагодарили: 382 раз.
Set писал(а):
Помогите пожалуйста граждане, вот распиновка мафона, куда нужно подключить плюс от фонаря заднего хода?

Плюс от фонаря надо на камеру кидать, а не на майфун


 Профиль  
 
 

Показать сообщения за:  Поле сортировки  
Начать новую тему Ответить на тему  [ Сообщений: 748 ] 


Кто сейчас на конференции

Сейчас этот форум просматривают: нет зарегистрированных пользователей и гости: 5


Вы не можете начинать темы
Вы не можете отвечать на сообщения
Вы не можете редактировать свои сообщения
Вы не можете удалять свои сообщения
Вы не можете добавлять вложения

Найти:
Перейти: