Клубный полоподбор со скидкой до 35% Найдем Polo по вашим требованиям, с гарантией!






Начать новую тему Ответить на тему  [ Сообщений: 1576 ] 
Автор Сообщение
Не в сети
АвтоГуру
Аватара пользователя

Зарегистрирован: 21 дек 2011, 20:53
Сообщения: 2344
Откуда: Краснодар
Благодарил (а): 334 раз.
Поблагодарили: 926 раз.
Вот скомпонованная схема дальнего света от лампы до подрулевого переключателя. Реле там нет :)


Вложения:
Дневные ходовые огни на VW Polo седан
ds.gif [ 40.73 КБ | Просмотров: 4351 ]

_________________
автомобиль за свою цену - отличный. Хороший экстерьер, удобство, современный, но сбалансированный интерьер, динамика - все на уровне.
 Профиль  
 
 

Не в сети
АвтоГуру
Аватара пользователя

Зарегистрирован: 21 дек 2011, 20:53
Сообщения: 2344
Откуда: Краснодар
Благодарил (а): 334 раз.
Поблагодарили: 926 раз.
Collins писал(а):
Кроме того, насколько знаю, есть ещё требование к минимальной площади светящейся поверхности, а она у поворотников значительно меньше.

Меньше чем что? Чем требования? А какие требования по площади и какая площадь у поворотников? :)
Единственное с чем я согласен в доводах против поворотников, это с тем, что лампу поворотников если и умудриться вкорячить в габариты, то сигнал поворота станет малозаметным и может оплавиться отражатель. Так что это колхоз :)

_________________
автомобиль за свою цену - отличный. Хороший экстерьер, удобство, современный, но сбалансированный интерьер, динамика - все на уровне.


 Профиль  
 
 

Не в сети
АвтоЗнаток
Аватара пользователя

Зарегистрирован: 11 окт 2011, 08:42
Сообщения: 301
Изображения: 0
Откуда: Нововоронеж
Благодарил (а): 81 раз.
Поблагодарили: 35 раз.
AndyBig писал(а):
Вот скомпонованная схема дальнего света от лампы до подрулевого переключателя. Реле там нет :)

Супер!!! Вы меня успокоили! Спасибо!!! ob_+mil


 Профиль  
 
 

Не в сети
АвтоЛюбитель
Аватара пользователя

Зарегистрирован: 31 янв 2012, 11:19
Сообщения: 101
Изображения: 0
Откуда: Воронеж
Благодарил (а): 16 раз.
Поблагодарили: 23 раз.
AndyBig писал(а):
Вот скомпонованная схема дальнего света от лампы до подрулевого переключателя. Реле там нет :)


Спасибо за уточнение. Если не секрет какая версия ElsaWin? и на какую машину ориентироваться?


 Профиль  
 
 

Не в сети
АвтоЗнаток
Аватара пользователя

Зарегистрирован: 11 окт 2011, 08:42
Сообщения: 301
Изображения: 0
Откуда: Нововоронеж
Благодарил (а): 81 раз.
Поблагодарили: 35 раз.
Taks71 писал(а):
AndyBig писал(а):
Вот скомпонованная схема дальнего света от лампы до подрулевого переключателя. Реле там нет :)


Спасибо за уточнение. Если не секрет какая версия ElsaWin? и на какую машину ориентироваться?


Вечером сделаю скрин окна выбора авто. По памяти: V, Поло 612, CNF, механика, тредлайн,


 Профиль  
 
 

Не в сети
АвтоЗнаток
Аватара пользователя

Зарегистрирован: 09 сен 2011, 12:28
Сообщения: 283
Откуда: Моск. обл. Подлипки
Благодарил (а): 43 раз.
Поблагодарили: 105 раз.
AndyBig писал(а):
Вот скомпонованная схема дальнего света от лампы до подрулевого переключателя. Реле там нет :)

Опаньки!.. Если так, то всё упрощается. Честно говоря, давно не встречал непосредственного подключения ламп фар к переключателю без рэле. Ток там немалый. На всякий случай всё ж надо прозвонить цепь, вдруг есть несоответствие схеме...

_________________
В итоге катаюсь на VW, о чём пока не пожалел, чего и вами желаю! Да, о своих перосональных косяках. Сдуру не заказал лобовое с обогревом, о чём жутко ...


 Профиль  
 
 

Не в сети
АвтоЗнаток
Аватара пользователя

Зарегистрирован: 11 окт 2011, 08:42
Сообщения: 301
Изображения: 0
Откуда: Нововоронеж
Благодарил (а): 81 раз.
Поблагодарили: 35 раз.
Taks71
viewtopic.php?f=65&t=2001&start=425
Вот, собственно, клубная встреча. Планируется в эту субботу, приходите, много нового узнаете!))


 Профиль  
 
 

Не в сети
АвтоГуру
Аватара пользователя

Зарегистрирован: 21 дек 2011, 20:53
Сообщения: 2344
Откуда: Краснодар
Благодарил (а): 334 раз.
Поблагодарили: 926 раз.
Taks71 писал(а):
Если не секрет какая версия ElsaWin?

3.91, кажется.
Taks71 писал(а):
на какую машину ориентироваться?

V, 2012 модельный год, 612 Polo, CFNA, MAB (механика), Хайлайн
Только что посмотрел в Тредлайне - тоже самое :)


Вложения:
Дневные ходовые огни на VW Polo седан
autoselect.gif [ 12.55 КБ | Просмотров: 4322 ]

_________________
автомобиль за свою цену - отличный. Хороший экстерьер, удобство, современный, но сбалансированный интерьер, динамика - все на уровне.
 Профиль  
 
 

Не в сети
АвтоЭксперт
Аватара пользователя

Зарегистрирован: 30 авг 2011, 08:29
Сообщения: 1127
Откуда: Мичуринск
Благодарил (а): 0 раз.
Поблагодарили: 587 раз.

Имя: Николай
Ребята, ну вы опять возродили мою делему. Посмотрел ща на осраме и действительно все есть ))) Есть оранжевый поворотник 7504 WY21W 12 21 WX3x16d правда не уверен по цоколю, вроде немного отличаеться по названию от стандартных габаритов. Но на рисунке такой же. Что качается отражателя ничего с ним не будт. Места там много , да и моргает поворотник слишком мало времени что бы что то расплавить. И есть двухнитивые 7528 P21/5W 12 21/5 BAY15d, правда цоколь и здесь чуть чуть отличается. То есть можно поставить на сесто поворотника дневной ходовой в 21 ВТ, еще раз повторюсь ездит такой поло у нас по городу, видно его очень из далека и смотрится СУПЕР, а во время включения габарита будет загораться другая нить на 5 Вт, при чем вара будет по моему смотреться целостнее ))) В общем мысли мысли мысли )))))) Есть до тепла время подумать, с вами подискусировать.
ПО поводу 30% дальнего меня смущает: горение пиктгораммы дальнего на приборке, возможность моргания дальним при работе дневных ходовых. У кого какие мысли )))

Вот ссылка на сайт посмотреть на лампочки и цоколи кому интересно. цены не большие )) http://www.osram-auto.ru/consumers/prod ... /STANDARD/

Вот еще ссылочка интересная http://www.diodmag.ru/auto-lamps/p214w. ... gory_id=24
Доработка в принципе минимальна. Можно даже не резать проводку, а просто повесить переходники и есть возможность отката к стоку....


 Профиль  
 
 

Не в сети
АвтоГуру

Зарегистрирован: 17 июн 2010, 00:54
Сообщения: 2171
Откуда: Пермь,Киров
Благодарил (а): 409 раз.
Поблагодарили: 273 раз.
ходил в салон, смотрел специально почти весь модельный ряд фольца) почти у всего модельного ряда фары примерно одинаковые в плане дизайна, и там где у нас стоит габарит в фаре, в этом месте у многих фольцев стоит поворотник.
Правильно тут мысли, что можно лампы заменить немного доработав проводку. я только склоняюсь, чтобы совместить передний габарит и ДХО по функциональности. можно поискать еще ледовские лампы с подходящим цеколем)

_________________
ожидал большего


 Профиль  
 
 

Не в сети
АвтоГуру
Аватара пользователя

Зарегистрирован: 21 дек 2011, 20:53
Сообщения: 2344
Откуда: Краснодар
Благодарил (а): 334 раз.
Поблагодарили: 926 раз.
Ники писал(а):
горение пиктгораммы дальнего на приборке, возможность моргания дальним при работе дневных ходовых.

Мощный диод с малым падением избавит от пиктограммки :) А моргать дальним и так никто не мешает.

_________________
автомобиль за свою цену - отличный. Хороший экстерьер, удобство, современный, но сбалансированный интерьер, динамика - все на уровне.


 Профиль  
 
 

Не в сети
АвтоЛюбитель
Аватара пользователя

Зарегистрирован: 15 апр 2011, 20:07
Сообщения: 100
Благодарил (а): 4 раз.
Поблагодарили: 41 раз.
Заезжал сегодня к ОД и увидел в качестве дооборудования дневные ходовые огни на Туарег от Фольксвагена и ради интереса спросил, а на Поло седан ставите. Да без проблем, если противотуманки есть то 14 000,а если нет то немного дороже. Мне интересно ставил себе кто фирменные дневные ходовые огни от Фольксвагена на Поло Седан из форумчан и если да то что получилось и как выглядит? umnik


 Профиль  
 
 

Не в сети
АвтоЭксперт
Аватара пользователя

Зарегистрирован: 13 сен 2010, 00:18
Сообщения: 1446
Изображения: 1
Откуда: From Moscow City baby
Благодарил (а): 104 раз.
Поблагодарили: 382 раз.
vld писал(а):
Заезжал сегодня к ОД и увидел в качестве дооборудования дневные ходовые огни на Туарег от Фольксвагена и ради интереса спросил, а на Поло седан ставите. Да без проблем, если противотуманки есть то 14 000,а если нет то немного дороже. Мне интересно ставил себе кто фирменные дневные ходовые огни от Фольксвагена на Поло Седан из форумчан и если да то что получилось и как выглядит? umnik


Да за такую цену я 5 лет буду ездить спокойно с ближним светом, покупая регулярно хорошие лампы, доплачивая за перерасход бензина и изредка платя за забывчивость штрафы tuzemec


 Профиль  
 
 

Не в сети
АвтоГуру
Аватара пользователя

Зарегистрирован: 21 дек 2011, 20:53
Сообщения: 2344
Откуда: Краснодар
Благодарил (а): 334 раз.
Поблагодарили: 926 раз.
Не понял... Вроде это было мое сообщение, а втруг стало сообщением ===TAT=== :shock:

_________________
автомобиль за свою цену - отличный. Хороший экстерьер, удобство, современный, но сбалансированный интерьер, динамика - все на уровне.


 Профиль  
 
 

Не в сети
Кулибин клуба

Зарегистрирован: 21 янв 2011, 21:38
Сообщения: 693
Откуда: Нижний Новгород
Благодарил (а): 154 раз.
Поблагодарили: 1547 раз.

Имя: Сергей
При замене штатной оптики ФПС на оптику от хэтча viewtopic.php?f=19&t=187&start=25 можно реализовать не колхозный вариант ДХО на современном мощном светодиоде, устанавливаемом в отражателе ДС взамен лампочки габаритов. Если применить светодиод Cree XMLAWT-00-0000-000LT60E3 на 30% от его максимальной мощности получим требуемые 400 лм с каждой фары при токе драйвера 1А. В этом случае удовлетворительно решается главная проблемма примения светодиодов в автосветильниках - деградация и выход из строя при перегреве светоизлучающего кристалла. Нанотехнологии vs галогенки - "у каждого свои недостатки", на каждый ватт излучаемой мощности хороший светодиод для своей долгой жизни требует 10 кв.см теплоотвода.

Реальный пример реализации ДХО и не только - http://ledway.ru/topic1308.html

Для себя пока не решил - остаться на шкодовских DRL в ПТФ или вместе с установкой головного света от хетча откатиться на штатные ПТФ и установить ДХО в габариты. Подкупает простота возможности ПРОВЕРИТЬ работу светодиода на его полной мощности. а это уже 1000лм - по светоодаче сравнимо с галогенкой на 55Вт. Но понимаю и насколько трудно будет сделать систему охлаждения для такого режима и подстроить диаграмму направленности ...

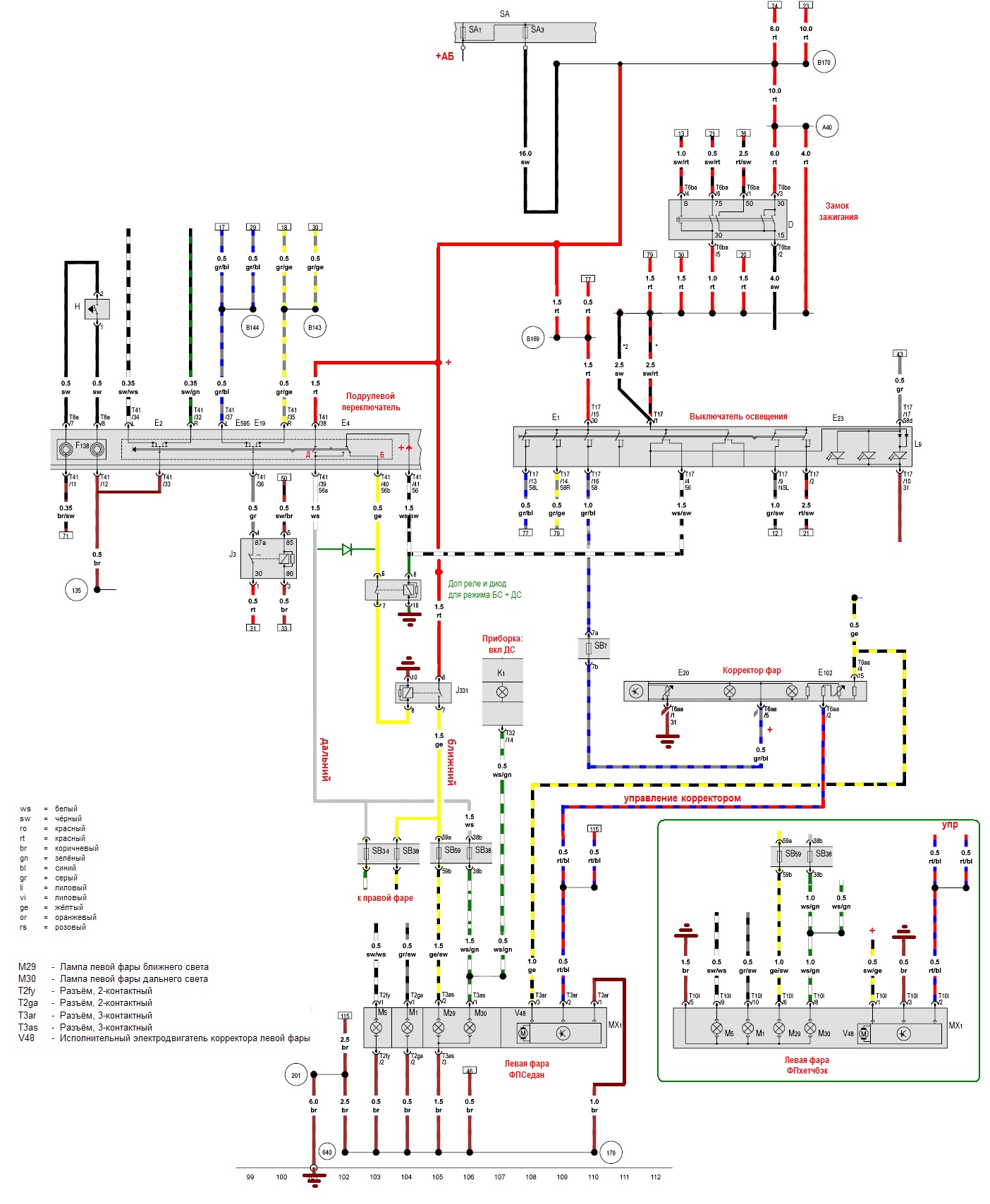
Кому интересно - схема включения света на ФПС для штатной оптики и фары от хетча с возможностью одновременного включения БС и ДС (конечно, только для фары с раздельными лампами). Себе хочу дополнительно установить реле ДС для разгрузки подрулевого переключателя.


Вложения:
Дневные ходовые огни на VW Polo седан
Коммутация света на ФПС_БС и ДС.jpg [ 387.29 КБ | Просмотров: 8490 ]
 Профиль  
 
 

Показать сообщения за:  Поле сортировки  
Начать новую тему Ответить на тему  [ Сообщений: 1576 ] 


Кто сейчас на конференции

Сейчас этот форум просматривают: нет зарегистрированных пользователей и гости: 2


Вы не можете начинать темы
Вы не можете отвечать на сообщения
Вы не можете редактировать свои сообщения
Вы не можете удалять свои сообщения
Вы не можете добавлять вложения

Найти:
Перейти:  
cron