Клубный полоподбор со скидкой до 35% Найдем Polo по вашим требованиям, с гарантией!






Начать новую тему Ответить на тему  [ Сообщений: 1588 ] 
Автор Сообщение
Не в сети
АвтоСтажер

Зарегистрирован: 01 июл 2010, 13:38
Сообщения: 51
Откуда: Питер
Благодарил (а): 0 раз.
Поблагодарили: 5 раз.
Здесь выкладываем фотки оптики.Я думаю как и на все VW будут в скором времени.какие нибудь светодиодные фонарики будут наверно отпад как смотреться ;)
_____________________________________________________________________________________________________
Полезные ссылки по замене штатной оптики,прежде чем задать вопрос ,просмотрите их,возможно ответ где то рядом:

Дневные ходовые огни DRL в Главной дороге на НТВ
фары от хетча у AvdeeFF
установка фар by AvdeeFF
как светят фары у AvdeeFF
фары GTI у wrill
схема фары от AvdeeFF
электро-схема POLO GTI 6R1 от AvdeeFF
Биксенон от ===TAT===
куда подключать адаптивку (датчик руля) от AvdeeFF
фары от GTI у grafik
полная схема коммутации БС и ДС для штатной оптики и для фары хетча от Wart_123
установка фар с БС/ДС от leha---83
фары Дектан, черные у vadiasnz
отчет по фарам Дектан by vadiasnz
фары DayLine у Golubets
Биксенон у Dinamit
пошаговая инструкция установки оптики от wrill


 Профиль  
 
 

Не в сети
АвтоЛюбитель

Зарегистрирован: 11 фев 2011, 21:39
Сообщения: 60
Откуда: Москва
Благодарил (а): 0 раз.
Поблагодарили: 6 раз.
Iceman2 писал(а):
Nek писал(а):
Iceman2
Без замены никак там все подключения внутри фары котрые выводятся на один 10 контактный разъем, а на наших к каждой лампе свой штекер.
Со светом оставил как есть, да и эффект стробоскопа порадовал, ночью зеленый коридор себе делаю на дороге, правда не все ведутся :grin:
P.S Замена лампы ближнего света теперь только со снятием фары иначе не подлезть никак

Ну так, может, все наши разъёмы в одну колодку и встанут...

Ну если и есть способ то я его не знаю. :-(
6R0 973 735 - колодка
(Придумаешь как сделать без резки проводов, расскажи как)


Вложения:
Комментарий к файлу: вот сюда колодка нужна
Тюнинг Оптика
Photo 20.08.11 12 33 29.jpg [ 1.26 МБ | Просмотров: 4616 ]
 Профиль  
 
 

Не в сети
АвтоЗнаток
Аватара пользователя

Зарегистрирован: 18 окт 2010, 21:05
Сообщения: 325
Откуда: Ростов-на-Дону
Благодарил (а): 47 раз.
Поблагодарили: 68 раз.
Получил свои фары Hella сделано в Чехии, все лампы стоят уже в фаре, но купил 4 H7 +90%, т.к. писали, что лампы в комплекте не идут, на лампе ближнего со стороны отражателя стоит какой-то колпачок. Ещё бы разобраться, как поменять лампы в этой фаре...


 Профиль  
 
 

Не в сети
АвтоЗнаток

Зарегистрирован: 08 ноя 2010, 21:58
Сообщения: 278
Благодарил (а): 6 раз.
Поблагодарили: 42 раз.
Iceman2 писал(а):
Получил свои фары Hella сделано в Чехии, все лампы стоят уже в фаре, но купил 4 H7 +90%, т.к. писали, что лампы в комплекте не идут, на лампе ближнего со стороны отражателя стоит какой-то колпачок. Ещё бы разобраться, как поменять лампы в этой фаре...

Сделай, плииз, хороший отчет по установке этих фар. Чтобы все вышеназванные домыслы и предположения в этой теме подтвердить или опровергнуть.


 Профиль  
 
 

Не в сети
АвтоЗнаток
Аватара пользователя

Зарегистрирован: 18 окт 2010, 21:05
Сообщения: 325
Откуда: Ростов-на-Дону
Благодарил (а): 47 раз.
Поблагодарили: 68 раз.
Сделаю обязательно, жаль гаража у меня нет, а на улице морозец... Но, блин, так руки чешутся и выходной ещё.


 Профиль  
 
 

Не в сети
АвтоЗнаток

Зарегистрирован: 08 ноя 2010, 21:58
Сообщения: 278
Благодарил (а): 6 раз.
Поблагодарили: 42 раз.
Посмотри ссылочку, что я выше выкладывал с украинского форума, там на хэтче фары на аналогичные меняли. Так там все все просто оказалось. Автор той ветки тоже сначала долго разбирался со схемами, а оказалось что достаточно провод перекинуть. Не думаю что у нас на седане VAG по другому со схемой мудрил.


 Профиль  
 
 

Не в сети
АвтоЗнаток
Аватара пользователя

Зарегистрирован: 18 окт 2010, 21:05
Сообщения: 325
Откуда: Ростов-на-Дону
Благодарил (а): 47 раз.
Поблагодарили: 68 раз.
Короче штекер надо менять, искал фото фары H4 с хэтча, там другой штекер, идентичный оптике H7. Придётся искать электрика.


 Профиль  
 
 

Не в сети
Кулибин клуба

Зарегистрирован: 21 янв 2011, 21:38
Сообщения: 693
Откуда: Нижний Новгород
Благодарил (а): 154 раз.
Поблагодарили: 1547 раз.

Имя: Сергей
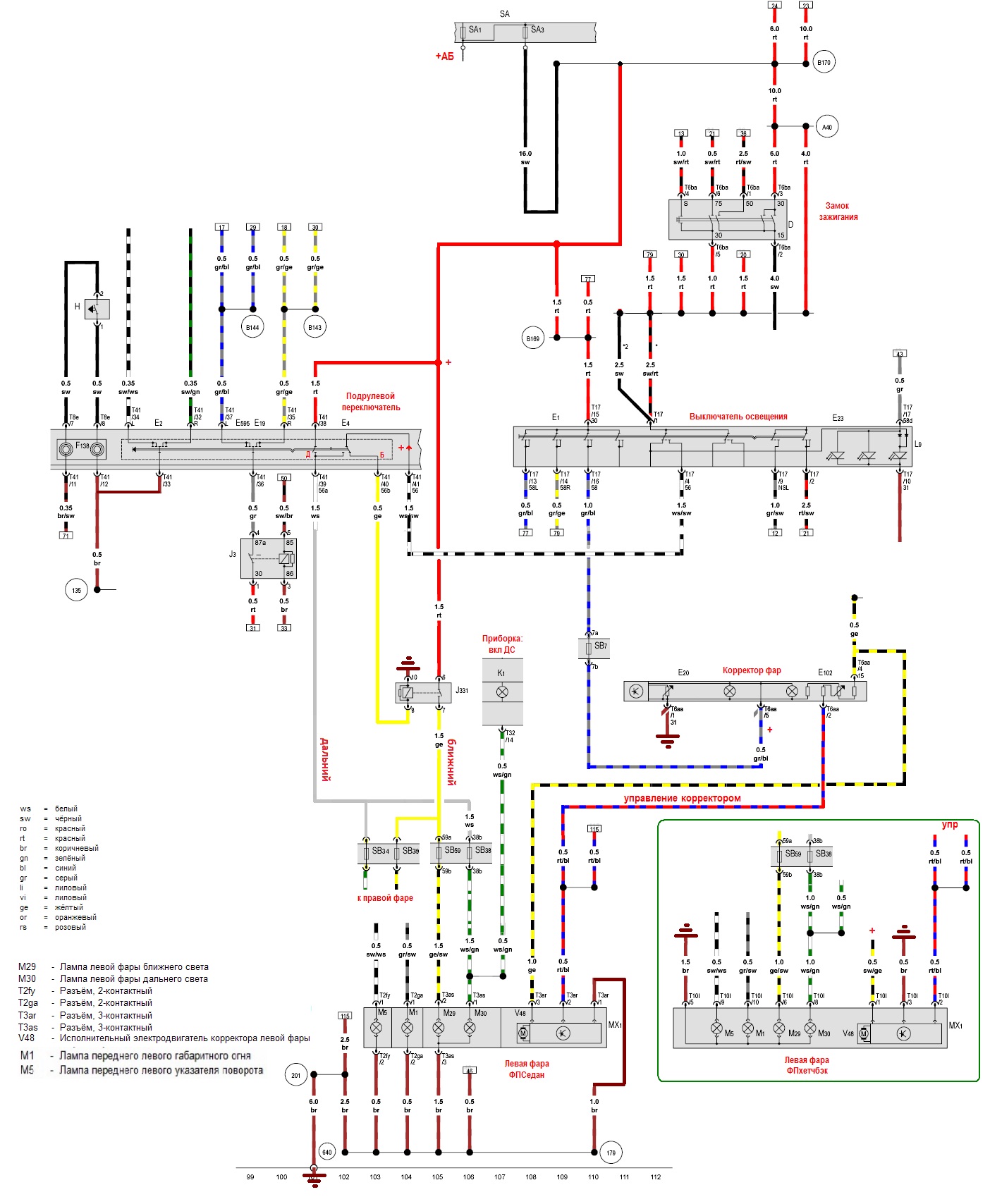
Недавно уже выкладывал в теме по ДХО полную схему коммутации (для компл-комфорт) БС и ДС для штатной оптики и для фары хетча. Для замены не забудьте запастись парой разъемов 6R0 973 735 + 20 пинов.

Вложение:
Тюнинг Оптика
Коммутация света на ФПС.jpg [ 389.77 КБ | Просмотров: 6928 ]


Вторая схема - возможный вариант реализации включения БС+ДС на оптике от хетча и разгрузка подрулевого переключателя по коммутируемому току ДС (аналогично БС).

Вложение:
Тюнинг Оптика
Коммутация света на ФПС для оптики от хетча_режим БС+ДС.jpg [ 410.89 КБ | Просмотров: 6928 ]


 Профиль  
 
 

Не в сети
АвтоЗнаток
Аватара пользователя

Зарегистрирован: 18 окт 2010, 21:05
Сообщения: 325
Откуда: Ростов-на-Дону
Благодарил (а): 47 раз.
Поблагодарили: 68 раз.
Так а что мне электрику показывать? Какую из схем, чтоб от себя рычаг горели все четыре фары, ну и на себя тоже?


 Профиль  
 
 

Не в сети
АвтоЭксперт
Аватара пользователя

Зарегистрирован: 13 сен 2010, 00:18
Сообщения: 1446
Изображения: 1
Откуда: From Moscow City baby
Благодарил (а): 104 раз.
Поблагодарили: 382 раз.
Iceman2 писал(а):
Так а что мне электрику показывать? Какую из схем, чтоб от себя рычаг горели все четыре фары, ну и на себя тоже?

У вас четыре фары и вы хотите, чтобы они горели ? :-D


 Профиль  
 
 

Не в сети
АвтоЗнаток
Аватара пользователя

Зарегистрирован: 18 окт 2010, 21:05
Сообщения: 325
Откуда: Ростов-на-Дону
Благодарил (а): 47 раз.
Поблагодарили: 68 раз.
Неправильно выразился: фары две, но ламп четыре (будет, когда поставлю новые фары от хэтча с двойной оптикой) - две на ближнем, две на дальнем.


 Профиль  
 
 

Не в сети
Опытный водитель
Аватара пользователя

Зарегистрирован: 23 ноя 2010, 07:49
Сообщения: 245
Изображения: 0
Откуда: Омск
Благодарил (а): 29 раз.
Поблагодарили: 90 раз.
Собрался купить фары, решил устроить опрос.
Голосуем!

На вопросы буду отвечать когда они приедут!


Вложения:
Комментарий к файлу: Вариант №1
Тюнинг Оптика
c1ed598e949690f7291eab567cc2b041.jpg [ 105.75 КБ | Просмотров: 6887 ]
Комментарий к файлу: Вариант №2
Тюнинг Оптика
T2osCoXepXXXXXXXXX_!!674929619.jpg [ 66.76 КБ | Просмотров: 6887 ]
 Профиль  
 
 

Не в сети
АвтоСтажер
Аватара пользователя

Зарегистрирован: 02 мар 2012, 12:41
Сообщения: 15
Изображения: 0
Откуда: Владимир
Благодарил (а): 1 раз.
Поблагодарили: 0 раз.
кстати как ксенон поставить сложно??? "не разу не сталкивался"
laie_68


 Профиль  
 
 

Не в сети
Модератор
Аватара пользователя

Зарегистрирован: 18 фев 2011, 19:44
Сообщения: 4559
Откуда: Орёл
Благодарил (а): 8459 раз.
Поблагодарили: 3259 раз.

Имя: Максим
Evgenomsk
№ 1 аля Фольксваген
а
№ 2 аля Ауди

Оба варианта будут хорошо смотреться, главное чтобы качество света было хорошее, по крайней мере не хуже штатного.
Evgenomsk, бери вариант, какой самому больше нравится, не слушай никого


 Профиль  
 
 

Не в сети
АвтоСтажер
Аватара пользователя

Зарегистрирован: 02 мар 2012, 12:41
Сообщения: 15
Изображения: 0
Откуда: Владимир
Благодарил (а): 1 раз.
Поблагодарили: 0 раз.
красиво как светить будет китай


 Профиль  
 
 

Не в сети
АвтоСтажер
Аватара пользователя

Зарегистрирован: 02 мар 2012, 12:41
Сообщения: 15
Изображения: 0
Откуда: Владимир
Благодарил (а): 1 раз.
Поблагодарили: 0 раз.
вариант номер 2


 Профиль  
 
 

Показать сообщения за:  Поле сортировки  
Начать новую тему Ответить на тему  [ Сообщений: 1588 ] 


Кто сейчас на конференции

Сейчас этот форум просматривают: нет зарегистрированных пользователей и гости: 2


Вы не можете начинать темы
Вы не можете отвечать на сообщения
Вы не можете редактировать свои сообщения
Вы не можете удалять свои сообщения
Вы не можете добавлять вложения

Найти:
Перейти: