Клубный полоподбор со скидкой до 35% Найдем Polo по вашим требованиям, с гарантией!






Начать новую тему Эта тема закрыта, вы не можете редактировать и оставлять сообщения в ней.  [ Сообщений: 7 ] 
Автор Сообщение
Не в сети
Опытный водитель

Зарегистрирован: 21 мар 2015, 21:31
Сообщения: 146
Откуда: 63
Благодарил (а): 47 раз.
Поблагодарили: 23 раз.

Имя: Алексей
Куплю в Самаре задние поставки для увеличения клиренса 10-20 мм.


 Профиль  
 
 

Не в сети
Опытный водитель

Зарегистрирован: 21 окт 2013, 11:35
Сообщения: 195
Откуда: Переславль-Залесский
Благодарил (а): 13 раз.
Поблагодарили: 11 раз.
Если пружины не осевшие (от центра ступицы до кромки арки крыла 395мм), то больше 15 мм ставить не советую (отбои).Себе поставил 16 мм потом сточил до минимума а именно 12 мм.Стало отлично .Токарь есть знакомый,переслать тоже реально- почем купите стальные ?


 Профиль  
 
 

Не в сети
Опытный водитель

Зарегистрирован: 21 мар 2015, 21:31
Сообщения: 146
Откуда: 63
Благодарил (а): 47 раз.
Поблагодарили: 23 раз.

Имя: Алексей
В интернетах нашел 30 мм за 960 руб. На авито нашел 20 мм из алюминия за 1000. Вот и считай.
Свое предложение можешь в личку кинуть?

ЗЫ На одном из сайтов: передние проставки +20 мм – 1210 руб., а заводские в Экзисте +20 мм – 620 руб.


 Профиль  
 
 

Не в сети
Опытный водитель

Зарегистрирован: 21 окт 2013, 11:35
Сообщения: 195
Откуда: Переславль-Залесский
Благодарил (а): 13 раз.
Поблагодарили: 11 раз.
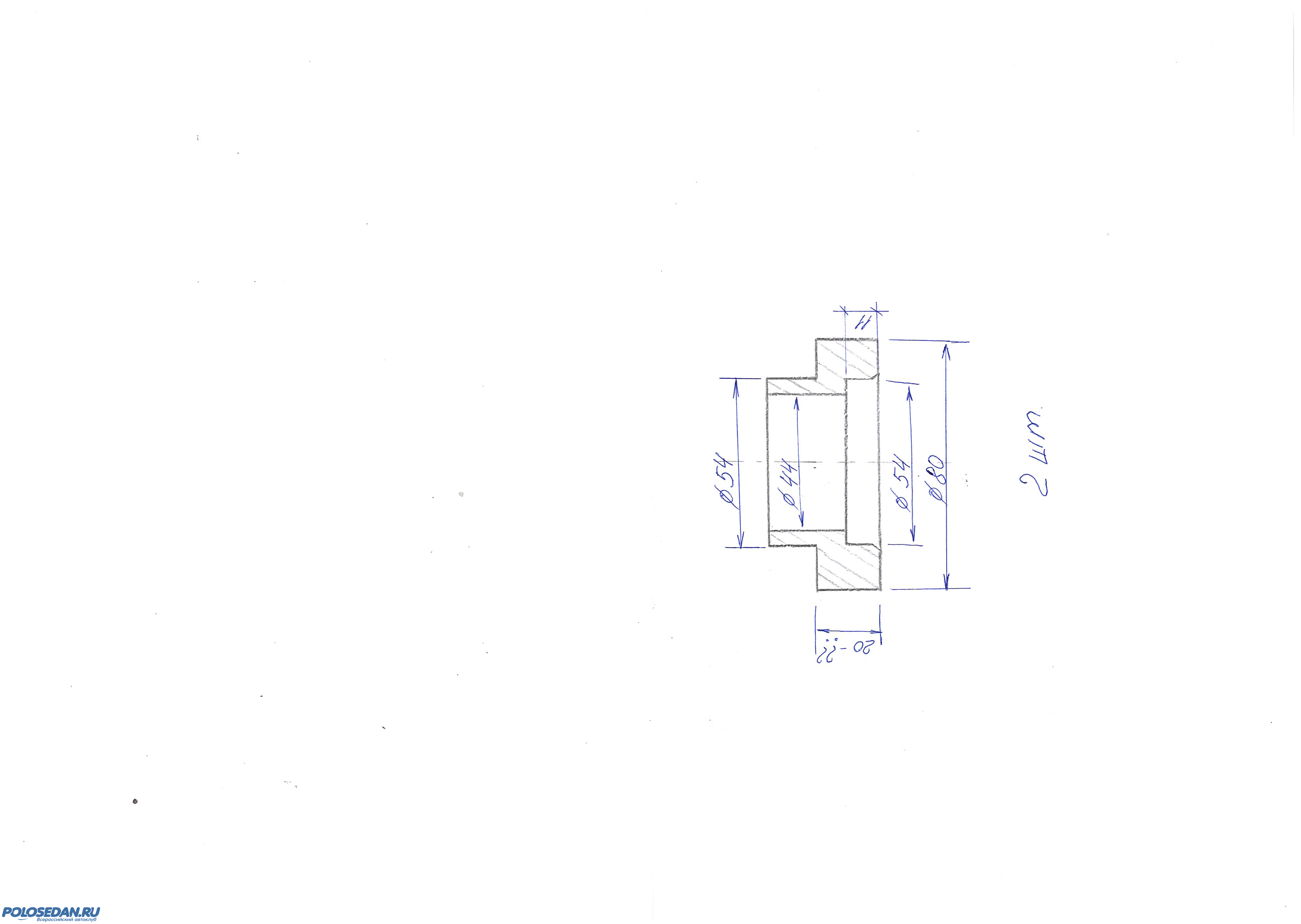
Мои размеры такие.


Вложения:
Куплю задние поставки для увеличения клиренса 10-20. Самара
проставка задняя.png [ 341.7 КБ | Просмотров: 2366 ]
 Профиль  
 
 

Не в сети
Опытный водитель

Зарегистрирован: 21 мар 2015, 21:31
Сообщения: 146
Откуда: 63
Благодарил (а): 47 раз.
Поблагодарили: 23 раз.

Имя: Алексей
В теме "Увеличение клиренса VW Polo" седан. на 1 стр. немного другие размеры, это из-за некой алюминиевой прокладки?


 Профиль  
 
 

Не в сети
АвтоЗнаток

Зарегистрирован: 05 май 2012, 20:15
Сообщения: 289
Откуда: эль-прогрессо
Благодарил (а): 196 раз.
Поблагодарили: 126 раз.
Тубус писал(а):
В теме "Увеличение клиренса VW Polo" седан. на 1 стр. немного другие размеры, это из-за некой алюминиевой прокладки?
да!,себе точил по чертежу на 1ой стр,стало все отлично,колечко алюминиевое снимал с балки и ставил на проставку.


 Профиль  
 
 

Не в сети
Опытный водитель

Зарегистрирован: 21 мар 2015, 21:31
Сообщения: 146
Откуда: 63
Благодарил (а): 47 раз.
Поблагодарили: 23 раз.

Имя: Алексей
Сергунчик, все получил, спасибо.

Тему можно удалить.


 Профиль  
 
 

Показать сообщения за:  Поле сортировки  
Начать новую тему Эта тема закрыта, вы не можете редактировать и оставлять сообщения в ней.  [ Сообщений: 7 ] 


Кто сейчас на конференции

Сейчас этот форум просматривают: нет зарегистрированных пользователей и гости: 17


Вы не можете начинать темы
Вы не можете отвечать на сообщения
Вы не можете редактировать свои сообщения
Вы не можете удалять свои сообщения
Вы не можете добавлять вложения

Найти:
Перейти: