Клубный полоподбор со скидкой до 35% Найдем Polo по вашим требованиям, с гарантией!






Начать новую тему Ответить на тему  [ Сообщений: 147 ] 
Автор Сообщение
Не в сети
Опытный водитель

Зарегистрирован: 12 фев 2011, 12:52
Сообщения: 171
Откуда: г.Королёв
Благодарил (а): 9 раз.
Поблагодарили: 17 раз.

Имя: Сергей
Мне кажется разобрать надо до такого состояния. Затем в отверстие ( что "внутри " пружины ) попытаться просунуть провода. Ваше мнение?


Вложения:
Электрообогрев зеркал в тренде + разборка зеркала
P1070323.jpg [ 223.51 КБ | Просмотров: 22132 ]
 Профиль  
 
 

Не в сети
АвтоСпециалист
Аватара пользователя

Зарегистрирован: 11 авг 2010, 22:21
Сообщения: 765
Изображения: 0
Откуда: Московская обл. Одинцовский р-он ГОРКИ 10
Благодарил (а): 213 раз.
Поблагодарили: 56 раз.
блин , у фордов диллер 3800 просит за у становку, с запчастями , обогрева зеркал , а у нас фиг ? сам кто нить намутил ? кстати на форд фьюжн фордовские форумчане говорят что зеркальные элементы с обогревом стоят по 1000 р за штуку , а у нас смех -300 р . Осталось подключить . Вот чем плохо - новая модель , нет разработок , ни кто не решаеться делать пока гарантия есть .


 Профиль  
 
 

Не в сети
Опытный водитель

Зарегистрирован: 12 фев 2011, 12:52
Сообщения: 171
Откуда: г.Королёв
Благодарил (а): 9 раз.
Поблагодарили: 17 раз.

Имя: Сергей
Всем привет. Сегодня дошли руки до зеркал. Начал с правого, провозился часа 3 . ( Нужно было понять как корпуса разобрать ).
С левым быстрее. Всё поставил ,всё собрал . Но с электрикой беда. С левой стороны у заднего стекла коричневый провод. Нашёл его в ногах у водителя. Но от него питания нет . Я в электрике профан. Поэтому вопрос - где плюс-то искать ?


 Профиль  
 
 

Не в сети
АвтоЭксперт
Аватара пользователя

Зарегистрирован: 13 сен 2010, 00:18
Сообщения: 1446
Изображения: 1
Откуда: From Moscow City baby
Благодарил (а): 104 раз.
Поблагодарили: 382 раз.
zerk-serg писал(а):
Всем привет. Сегодня дошли руки до зеркал. Начал с правого, провозился часа 3 . ( Нужно было понять как корпуса разобрать ).
С левым быстрее. Всё поставил ,всё собрал . Но с электрикой беда. С левой стороны у заднего стекла коричневый провод. Нашёл его в ногах у водителя. Но от него питания нет . Я в электрике профан. Поэтому вопрос - где плюс-то искать ?

А подскажи поподробнее, как корпус крашеный снять с основания поподробнее, а то я никак не могу боюсь сломать, одну застежку отстегиваю, но дальше не идет..


 Профиль  
 
 

Не в сети
АвтоГуру
Аватара пользователя

Зарегистрирован: 15 ноя 2010, 02:18
Сообщения: 2283
Откуда: замкадье
Благодарил (а): 244 раз.
Поблагодарили: 542 раз.

Имя: Леха
zerk-serg писал(а):
С левой стороны у заднего стекла коричневый провод. Нашёл его в ногах у водителя. Но от него питания нет . Я в электрике профан. Поэтому вопрос - где плюс-то искать ?

а ты на кнопочку обогрева то нажми.. авось появится ;)

как вариант делать по уму - крутилку в дверь, релюшку и напрямую с аккума через предохранитель кидать провод на зеркала


 Профиль  
 
 

Не в сети
Опытный водитель

Зарегистрирован: 12 фев 2011, 12:52
Сообщения: 171
Откуда: г.Королёв
Благодарил (а): 9 раз.
Поблагодарили: 17 раз.

Имя: Сергей
а ты на кнопочку обогрева то нажми.. авось появится ;)


Умный какой. Нажимал, однако.
По правому борту ,говорят, идёт белый провод. Он вроде и есть +.
В следующие выходные буду проверять.
Разборка.
1. Снимаем зеркало ( стекло ).
2. Снимаем рамку.
3. Снимаем верхнюю часть корпуса, сдвигая её вперёд(по ходу движения).
4. Поворачивая оставшийся корпус ( складывая к боковому стеклу и к ветровому), выворачиваем 3 винта-звёздочки. Корпус будет у вас в руках и болтаться на тросиках регулировки.
5. Дальше увидите отверстие, в которое и надо протянуть провода.
6. а точнее пункт №1 - необходимо снять обшивку двери.
7. Гофра из двери вытаскивается обычной отвёрткой. Из стойки кузова ( нужно быть аккуратным)- нажимая плоской отвёрткой сверху или снизу на фиксатор . Вообщем аккуратно сверху нажимаем и одновременно от кузова.
ОЙ. Понятно или нет ? Пластик довольно мягкий, так что поувереннее. Я тоже по-началу боялся...


 Профиль  
 
 

Не в сети
АвтоЭксперт
Аватара пользователя

Зарегистрирован: 13 сен 2010, 00:18
Сообщения: 1446
Изображения: 1
Откуда: From Moscow City baby
Благодарил (а): 104 раз.
Поблагодарили: 382 раз.
Чтобы снять верхнюю часть корпуса, помимо того чтобы отогнуть защелку(на фото) какие надо действия сделать еще подскажитеЭлектрообогрев зеркал в тренде + разборка зеркала


 Профиль  
 
 

Не в сети
Опытный водитель

Зарегистрирован: 12 фев 2011, 12:52
Сообщения: 171
Откуда: г.Королёв
Благодарил (а): 9 раз.
Поблагодарили: 17 раз.

Имя: Сергей
Если рамка снята...
Верхнюю часть корпуса нужно слегка отогнуть от основания в части, которая ближе к стеклу. А потом сдвигать вперёд ( по ходу ). У меня с ней проблем меньше было , чем с самой рамкой.


 Профиль  
 
 

Не в сети
Опытный водитель

Зарегистрирован: 12 фев 2011, 12:52
Сообщения: 171
Откуда: г.Королёв
Благодарил (а): 9 раз.
Поблагодарили: 17 раз.

Имя: Сергей
фото.


Вложения:
Электрообогрев зеркал в тренде + разборка зеркала
P1070332.jpg [ 260.15 КБ | Просмотров: 21888 ]
Электрообогрев зеркал в тренде + разборка зеркала
P1070322.jpg [ 253.36 КБ | Просмотров: 21888 ]
Электрообогрев зеркал в тренде + разборка зеркала
P1070321.jpg [ 242.38 КБ | Просмотров: 21888 ]
Электрообогрев зеркал в тренде + разборка зеркала
P1070321.jpg [ 242.38 КБ | Просмотров: 21888 ]
Электрообогрев зеркал в тренде + разборка зеркала
P1070320.jpg [ 258.62 КБ | Просмотров: 21888 ]
Электрообогрев зеркал в тренде + разборка зеркала
P1070319.jpg [ 229.07 КБ | Просмотров: 21890 ]
 Профиль  
 
 

Не в сети
АвтоЗнаток
Аватара пользователя
Volkswagen Polo седан (2010)

Зарегистрирован: 14 июл 2010, 09:58
Сообщения: 339
Изображения: 0
Откуда: Москва ЮВАО
Благодарил (а): 340 раз.
Поблагодарили: 269 раз.

Имя: Александр
Привет однополчане хочу поделиться информацией по стеклышкам с подогревом.


Вложения:
Комментарий к файлу: Пока все. Продолжение следует.
Электрообогрев зеркал в тренде + разборка зеркала
27092011620.jpg [ 410.24 КБ | Просмотров: 21852 ]
Комментарий к файлу: Лудим
Электрообогрев зеркал в тренде + разборка зеркала
27092011619.jpg [ 359.66 КБ | Просмотров: 21852 ]
Электрообогрев зеркал в тренде + разборка зеркала
27092011618.jpg [ 436.49 КБ | Просмотров: 21852 ]
Электрообогрев зеркал в тренде + разборка зеркала
27092011616.jpg [ 334.67 КБ | Просмотров: 21852 ]
Комментарий к файлу: Внутреннея колодка
Электрообогрев зеркал в тренде + разборка зеркала
27092011615.jpg [ 283.69 КБ | Просмотров: 21852 ]
Комментарий к файлу: Вид с боку
Электрообогрев зеркал в тренде + разборка зеркала
27092011614.jpg [ 422.4 КБ | Просмотров: 21852 ]
Комментарий к файлу: Россия хоть и велика а провода тянуть нада. Сделал так.
Электрообогрев зеркал в тренде + разборка зеркала
27092011613.jpg [ 363.12 КБ | Просмотров: 21852 ]
Комментарий к файлу: С двух сторон разъемы, посреди колодка. вытаскивается не трудно с обеих сторон.
Электрообогрев зеркал в тренде + разборка зеркала
27092011611.jpg [ 361.12 КБ | Просмотров: 21852 ]
Комментарий к файлу: Далее засада.
Электрообогрев зеркал в тренде + разборка зеркала
27092011610.jpg [ 324.61 КБ | Просмотров: 21852 ]
Комментарий к файлу: Эту хрень тоже нада целиком снимать
Электрообогрев зеркал в тренде + разборка зеркала
27092011604.jpg [ 291.03 КБ | Просмотров: 21852 ]
Комментарий к файлу: Дырдочку придеться все таки просверлить по другому никак
Электрообогрев зеркал в тренде + разборка зеркала
27092011606.jpg [ 309.88 КБ | Просмотров: 21852 ]
Комментарий к файлу: Меняю не глядя
Электрообогрев зеркал в тренде + разборка зеркала
27092011607.jpg [ 618.04 КБ | Просмотров: 21852 ]

_________________
5 из 5
 Профиль  
 
 

Не в сети
АвтоЭксперт
Аватара пользователя

Зарегистрирован: 13 сен 2010, 00:18
Сообщения: 1446
Изображения: 1
Откуда: From Moscow City baby
Благодарил (а): 104 раз.
Поблагодарили: 382 раз.
А дырочку зачем сверлить ?!


 Профиль  
 
 

Не в сети
Опытный водитель

Зарегистрирован: 12 фев 2011, 12:52
Сообщения: 171
Откуда: г.Королёв
Благодарил (а): 9 раз.
Поблагодарили: 17 раз.

Имя: Сергей
abarkaev1
А подключать к чему Будешь ? По левому борту к заднему стеклу идёт коричневый провод. Это по моим испытаниям - масса. Люди подсказали что + к стеклу подходит с правой стороны. ( это всё - если подключать к обогреву заднего стекла ). Осталось найти этот плюс. Обшивку с пр. стороны у стекла отгибал- там толстый белый провод и при включении обогр. зад. стекла там контролька загорается. Осталось найти этот толстый белый провод. Слева или справа По борту ? Просто лишний раз накладки с порогов не хотся сдёргивать


 Профиль  
 
 

Не в сети
АвтоЗнаток
Аватара пользователя
Volkswagen Polo седан (2010)

Зарегистрирован: 14 июл 2010, 09:58
Сообщения: 339
Изображения: 0
Откуда: Москва ЮВАО
Благодарил (а): 340 раз.
Поблагодарили: 269 раз.

Имя: Александр
zerk-serg

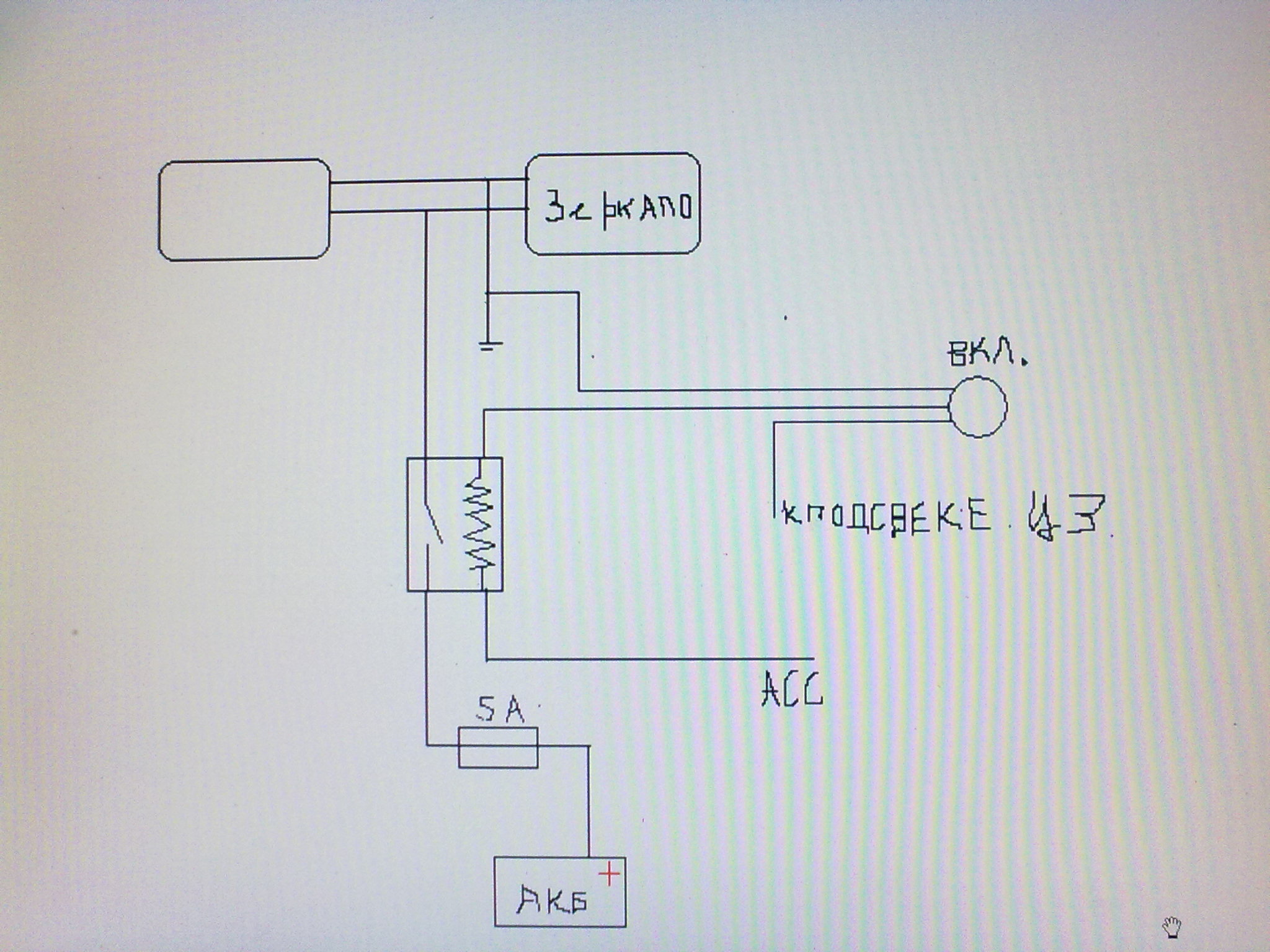
Подключать буду через реле на оригинальный включатель, обогрева зеркал .
Он кстати не соеденен с обогревом заднего стекла. Обогревы раздельны!
Масса к кузову под центральной тонелькой есть 2 контакта.Выбираем любой!
+ на реле возьму от АКБ через предохранитель 5А .
Включение катушки реле от АСС
Подсветка кнопок включателя от блокиратора ЦЗ.
Ща схемку набросаю.

===TAT===
Можно и не сверлить ищите другие пути.


Вложения:
Электрообогрев зеркал в тренде + разборка зеркала
28092011626.jpg [ 412.63 КБ | Просмотров: 21121 ]
Электрообогрев зеркал в тренде + разборка зеркала
28092011621.jpg [ 305.36 КБ | Просмотров: 21154 ]
Электрообогрев зеркал в тренде + разборка зеркала
28092011624.jpg [ 374.47 КБ | Просмотров: 21154 ]

_________________
5 из 5


Последний раз редактировалось abarkaev1 28 сен 2011, 22:03, всего редактировалось 2 раз(а).
 Профиль  
 
 

Не в сети
АвтоЗнаток
Аватара пользователя
Volkswagen Polo седан (2010)

Зарегистрирован: 14 июл 2010, 09:58
Сообщения: 339
Изображения: 0
Откуда: Москва ЮВАО
Благодарил (а): 340 раз.
Поблагодарили: 269 раз.

Имя: Александр
Схема


Вложения:
Электрообогрев зеркал в тренде + разборка зеркала
28092011625.jpg [ 451.67 КБ | Просмотров: 21144 ]

_________________
5 из 5
 Профиль  
 
 

Не в сети
Опытный водитель

Зарегистрирован: 12 фев 2011, 12:52
Сообщения: 171
Откуда: г.Королёв
Благодарил (а): 9 раз.
Поблагодарили: 17 раз.

Имя: Сергей
abarkaev1

На Шеви - Ланос я цеплял к обогреву стекла. Как думаешь на Поло не будет криминала если я так же сделаю ?


 Профиль  
 
 

Показать сообщения за:  Поле сортировки  
Начать новую тему Ответить на тему  [ Сообщений: 147 ] 


Кто сейчас на конференции

Сейчас этот форум просматривают: нет зарегистрированных пользователей и гости: 2


Вы не можете начинать темы
Вы не можете отвечать на сообщения
Вы не можете редактировать свои сообщения
Вы не можете удалять свои сообщения
Вы не можете добавлять вложения

Найти:
Перейти: