Клубный полоподбор со скидкой до 35% Найдем Polo по вашим требованиям, с гарантией!






Начать новую тему Ответить на тему  [ Сообщений: 1588 ] 
Автор Сообщение
Не в сети
АвтоСтажер

Зарегистрирован: 01 июл 2010, 13:38
Сообщения: 51
Откуда: Питер
Благодарил (а): 0 раз.
Поблагодарили: 5 раз.
Здесь выкладываем фотки оптики.Я думаю как и на все VW будут в скором времени.какие нибудь светодиодные фонарики будут наверно отпад как смотреться ;)
_____________________________________________________________________________________________________
Полезные ссылки по замене штатной оптики,прежде чем задать вопрос ,просмотрите их,возможно ответ где то рядом:

Дневные ходовые огни DRL в Главной дороге на НТВ
фары от хетча у AvdeeFF
установка фар by AvdeeFF
как светят фары у AvdeeFF
фары GTI у wrill
схема фары от AvdeeFF
электро-схема POLO GTI 6R1 от AvdeeFF
Биксенон от ===TAT===
куда подключать адаптивку (датчик руля) от AvdeeFF
фары от GTI у grafik
полная схема коммутации БС и ДС для штатной оптики и для фары хетча от Wart_123
установка фар с БС/ДС от leha---83
фары Дектан, черные у vadiasnz
отчет по фарам Дектан by vadiasnz
фары DayLine у Golubets
Биксенон у Dinamit
пошаговая инструкция установки оптики от wrill


 Профиль  
 
 

Не в сети
Опытный водитель
Аватара пользователя

Зарегистрирован: 23 ноя 2010, 07:49
Сообщения: 245
Изображения: 0
Откуда: Омск
Благодарил (а): 29 раз.
Поблагодарили: 90 раз.
mkovalevskiy Павлуша
Да я определился. Просто хотел услышать мнение.
Китай но продаётся в германий.


 Профиль  
 
 

Не в сети
АвтоСтажер
Аватара пользователя

Зарегистрирован: 02 мар 2012, 12:41
Сообщения: 15
Изображения: 0
Откуда: Владимир
Благодарил (а): 1 раз.
Поблагодарили: 0 раз.
будем смотреть как установиш


 Профиль  
 
 

Не в сети
АвтоЭксперт

Зарегистрирован: 27 ноя 2011, 10:41
Сообщения: 1038
Откуда: Москва
Благодарил (а): 116 раз.
Поблагодарили: 512 раз.
Evgenomsk писал(а):
mkovalevskiy Павлуша
Да я определился. Просто хотел услышать мнение.
Китай но продаётся в германий.

Cкока стоит?


 Профиль  
 
 

Не в сети
Опытный водитель
Аватара пользователя

Зарегистрирован: 23 ноя 2010, 07:49
Сообщения: 245
Изображения: 0
Откуда: Омск
Благодарил (а): 29 раз.
Поблагодарили: 90 раз.
grafik
На следующей недели человек едет за товарам. Позвонит скажет. потом всё отпишу.


 Профиль  
 
 

Не в сети
АвтоЛюбитель

Зарегистрирован: 20 июл 2011, 13:22
Сообщения: 103
Откуда: Пермь (Чернушка)
Благодарил (а): 6 раз.
Поблагодарили: 38 раз.

Имя: Алексей
Прикупил фары от хетча без разъемов, поехал в первый же местный магазин и увидел что на приоровскаой оптике почти такой же разъем (расстояние между ножками и габариты одинаковы)
Изображение

А вот с переделкой света (дальний 4 лампочки) пока не совсем ясно, выше где-то была ссылка что типа перебросить провод с переключателя на переключатель, но не совсем ясно описано

_________________
За 500т.р + 10т.р на фары отличная машина, все остальное современем доработаю.


 Профиль  
 
 

Не в сети
АвтоЛюбитель

Зарегистрирован: 20 июл 2011, 13:22
Сообщения: 103
Откуда: Пермь (Чернушка)
Благодарил (а): 6 раз.
Поблагодарили: 38 раз.

Имя: Алексей
Изображение

А кто мешает поставить перемычку между Т41/40 и Т41/41 на Е4 разъеме?

_________________
За 500т.р + 10т.р на фары отличная машина, все остальное современем доработаю.


 Профиль  
 
 

Не в сети
АвтоЭксперт
Аватара пользователя

Зарегистрирован: 13 сен 2010, 00:18
Сообщения: 1446
Изображения: 1
Откуда: From Moscow City baby
Благодарил (а): 104 раз.
Поблагодарили: 382 раз.
Evgenomsk
1 вариант помоему лучше будет, да и ближе к концепции стилистики VW


 Профиль  
 
 

Не в сети
АвтоЗнаток
Аватара пользователя

Зарегистрирован: 23 июл 2010, 12:53
Сообщения: 473
Изображения: 0
Откуда: Самара
Благодарил (а): 205 раз.
Поблагодарили: 326 раз.
leha---83
точно! через неделю после установки своих уже увидел сам, что разъёмы-то приоровские)


 Профиль  
 
 

Не в сети
Кулибин клуба

Зарегистрирован: 21 янв 2011, 21:38
Сообщения: 693
Откуда: Нижний Новгород
Благодарил (а): 154 раз.
Поблагодарили: 1547 раз.

Имя: Сергей
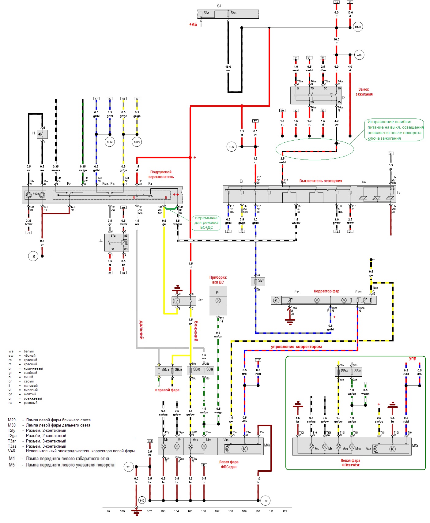
leha---83 писал(а):
А кто мешает поставить перемычку между Т41/40 и Т41/41 на Е4 разъеме?


Вложение:
Тюнинг Оптика
Коммутация света на ФПС_корректировка 100312.jpg [ 408.68 КБ | Просмотров: 5402 ]



Согласен, никто не мешает - режим БС+ДС будет работать и с предлагаемой Вами перемычкой. Исправил свою ошибку в части подачи питания на переключатель (выключатель) освещения - стоят ДХО, поэтому отключение питания на БС после вытаскивания ключа меня уже давно не волнует, вот и накосячил - подрисовал не к той точке на схеме.


 Профиль  
 
 

Не в сети
АвтоЛюбитель

Зарегистрирован: 20 июл 2011, 13:22
Сообщения: 103
Откуда: Пермь (Чернушка)
Благодарил (а): 6 раз.
Поблагодарили: 38 раз.

Имя: Алексей
На фаре, на колодке нет нумерации разъемов.
Кто подскажет какой куда, желательно с фото

_________________
За 500т.р + 10т.р на фары отличная машина, все остальное современем доработаю.


 Профиль  
 
 

Не в сети
АвтоЗнаток
Аватара пользователя

Зарегистрирован: 23 июл 2010, 12:53
Сообщения: 473
Изображения: 0
Откуда: Самара
Благодарил (а): 205 раз.
Поблагодарили: 326 раз.
leha---83
Есть нумерация, ближе к стыку с фарой.


 Профиль  
 
 

Не в сети
Кулибин клуба

Зарегистрирован: 21 янв 2011, 21:38
Сообщения: 693
Откуда: Нижний Новгород
Благодарил (а): 154 раз.
Поблагодарили: 1547 раз.

Имя: Сергей
leha---83 писал(а):
На фаре, на колодке нет нумерации разъемов.
Кто подскажет какой куда, желательно с фото



Не знаю как на приоровском разъеме, а на родной ваговской "маме" 6R0 973 735 всё пронумеровано.
На фаре соответственно так.


Вложения:
Тюнинг Оптика
Разъем фары.jpg [ 149.73 КБ | Просмотров: 5286 ]
 Профиль  
 
 

Не в сети
АвтоЭксперт

Зарегистрирован: 27 ноя 2011, 10:41
Сообщения: 1038
Откуда: Москва
Благодарил (а): 116 раз.
Поблагодарили: 512 раз.
я себе ставил от GTI фары и разъемы менялись, как видим на оригинале нумерация есть


Вложения:
Тюнинг Оптика
IMG_0993.JPG [ 170.1 КБ | Просмотров: 5270 ]
 Профиль  
 
 

Не в сети
АвтоЛюбитель

Зарегистрирован: 20 июл 2011, 13:22
Сообщения: 103
Откуда: Пермь (Чернушка)
Благодарил (а): 6 раз.
Поблагодарили: 38 раз.

Имя: Алексей
Что то я не нашел на самой фаре. Спасибо что выложили.

_________________
За 500т.р + 10т.р на фары отличная машина, все остальное современем доработаю.


 Профиль  
 
 

Не в сети
АвтоЭксперт

Зарегистрирован: 27 ноя 2011, 10:41
Сообщения: 1038
Откуда: Москва
Благодарил (а): 116 раз.
Поблагодарили: 512 раз.
А зачем нумерация на фаре если есть на разьеме?????


 Профиль  
 
 

Показать сообщения за:  Поле сортировки  
Начать новую тему Ответить на тему  [ Сообщений: 1588 ] 


Кто сейчас на конференции

Сейчас этот форум просматривают: нет зарегистрированных пользователей и гости: 0


Вы не можете начинать темы
Вы не можете отвечать на сообщения
Вы не можете редактировать свои сообщения
Вы не можете удалять свои сообщения
Вы не можете добавлять вложения

Найти:
Перейти: