Клубный полоподбор со скидкой до 35% Найдем Polo по вашим требованиям, с гарантией!






Начать новую тему Ответить на тему  [ Сообщений: 2501 ] 
Автор Сообщение
Не в сети
Опытный водитель

Зарегистрирован: 17 июн 2010, 00:55
Сообщения: 174
Благодарил (а): 1 раз.
Поблагодарили: 47 раз.
Друзья, начинаем всё по второму кругу :roll:

Внимательно и вдумчиво читаем потом высказываемся :geek:

http://alarminfo.ru/index.php?option=com_content&task=view&id=20&Itemid=36

====================================================
Уважаемые форумчане!

В этой теме проводим обсуждение и сравнение сигнализаций для которых НЕ создано отдельных тем! А также всех новинок которые появляются на рынке автосигнализаций.

Для сравнения сигнализаций и решения вопросов по особо популярным сигнализациям есть темы (смотри ниже список), в них также необходимо обсуждать проблемы возникающие в ходе их эксплуатации.
Обсуждение автосигнализации StarLine A61 - обсуждение и сравнение автосигнализации StarLine A61 с другими + проблемы её эксплуатации
Обсуждение автосигнализации StarLine A62 - обсуждение и сравнение автосигнализации StarLine A62 с другими + проблемы её эксплуатации
Обсуждение автосигнализации Pandora DeLuxe 1870/1870i - обсуждение и сравнение автосигнализации Pandora DeLuxe 1870/1870i с другими + проблемы её эксплуатации
Обсуждение автосигнализации Pandora DXL 3000 - обсуждение и сравнение автосигнализации Pandora DXL 3000 с другими + проблемы её эксплуатации
Обсуждение автосигнализации Pandora DXL 3100 - обсуждение и сравнение автосигнализации Pandora DXL 3100 с другими + проблемы её эксплуатации
Обсуждение автосигнализации Pandora DXL 3500 - обсуждение и сравнение автосигнализации Pandora DXL 3500 с другими+ проблемы её эксплуатации
Обсуждение автосигнализации Pandora DXL 5000 - обсуждение и сравнение автосигнализации Pandora DXL 5000 с другими + проблемы её эксплуатации

багажник открытие с кнопки брелка сигнализации (тренд) - обсуждение открытия багажника с кнопки брелка, обсуждаем релюхи и возможность сделать это самому а также работу дилеров (сервисов) по реализации открытия багажника с кнопки брелка.

С Уважением,
Борисович


 Профиль  
 
 

Не в сети
Партнер клуба
Аватара пользователя

Зарегистрирован: 28 окт 2010, 16:19
Сообщения: 672
Откуда: Москва
Благодарил (а): 129 раз.
Поблагодарили: 151 раз.
Стасян писал(а):
Без обид, но рассуждать не охото на эту тему, а то это может затянуться на несколько страниц.
Я сигнализацию рассматриваю только как удобство открытии машины, ну и кому нужен автозапуск. Для меня лучший вариант это штатная сигнализация и каско. Но в моей комплектации нет ее. Так что придется ставить самому.


Я согласен с тем, что обсуждать и доказывать можно друг-другу долго и все-равно каждый в итоге окажется по-своему прав. Я лишь хочу донести до Вас мысль о том, что если планируете установку сигнализации (да еще и с автозапуском?), то разумнее всего выбрать для установки ту модель, которая не подвержена электронному взлому кодграбберами.

С Уважением, Виталий.


 Профиль  
 
 

Не в сети
АвтоЛюбитель

Зарегистрирован: 28 апр 2012, 23:00
Сообщения: 81
Откуда: kazan
Благодарил (а): 7 раз.
Поблагодарили: 5 раз.
Извините если вопрос был. не нашел или плохо смотрел. Что про 9й шерхан скажете? стоит ли вообще приобретать? Спасибо


 Профиль  
 
 

Не в сети
Партнер клуба
Аватара пользователя

Зарегистрирован: 28 окт 2010, 16:19
Сообщения: 672
Откуда: Москва
Благодарил (а): 129 раз.
Поблагодарили: 151 раз.
niger122 писал(а):
Извините если вопрос был. не нашел или плохо смотрел. Что про 9й шерхан скажете? стоит ли вообще приобретать? Спасибо


Если внимательно перечитаете всю тему или воспользуетесь поиском по форуму, то вполне легко найдете такие слова, как "кодграббер" и ссылку на данный ресурс: http://kodgrabber.ru/list.html

С Уважением, Виталий.


 Профиль  
 
 

Не в сети
Партнер клуба
Аватара пользователя

Зарегистрирован: 28 окт 2010, 16:19
Сообщения: 672
Откуда: Москва
Благодарил (а): 129 раз.
Поблагодарили: 151 раз.
Ro....maN писал(а):
Хотелось тогда у Вас Autostudio.Vitaliy спросить. Раз уж я купил Старлайн А92 диалог кан флекс и собираюсь ставить сам. Какие кроме двух проводов шины кан мне нужно будет еще подключать? Особенно интересуют провода для реализации автозапуска. Я правильно понимаю, что еще нужен обходчик иммобилайзера? И в него достаточно засадить личинку (чип) из второго ключа, и автозапуск будет фурычить?
Заранее спасибо )


Добрый день.

Если Вы воспользуетесь поиском по форуму, то довольно быстро выйдите на соседнюю с данной тему под названием "установка сигнализации своими руками", где уже довольно давно дали ответы на Ваши вопросы, либо же погуглив в сети Вы довольно быстро можете найти размещенную на сайте производителя в открытом доступе карту монтажа StarLine A92CAN Dialog на Volkswagen Polo Sedan, где все ответы на Ваши вопросы по-моему даже с картинками ;)
Обходчик понадобится в любом случае, питание на него должно подаваться только в момент команды на дистанционный запуск двигателя, а в любой другой момент при запуске двигателя должен считываться чип из ключа, вставляемого в замок зажигания.

С Уважением, Виталий.


 Профиль  
 
 

Не в сети
АвтоЭксперт
Аватара пользователя

Зарегистрирован: 26 окт 2012, 16:35
Сообщения: 1401
Изображения: 0
Откуда: г. Владимир
Благодарил (а): 56 раз.
Поблагодарили: 534 раз.
Autostudio.Vitaliy писал(а):
Если Вы воспользуетесь поиском по форуму, то довольно быстро выйдите на соседнюю с данной тему под названием "установка сигнализации своими руками", где уже довольно давно дали ответы на Ваши вопросы, либо же погуглив в сети Вы довольно быстро можете найти размещенную на сайте производителя в открытом доступе карту монтажа StarLine A92CAN Dialog на Volkswagen Polo Sedan, где все ответы на Ваши вопросы по-моему даже с картинками ;)
Обходчик понадобится в любом случае, питание на него должно подаваться только в момент команды на дистанционный запуск двигателя, а в любой другой момент при запуске двигателя должен считываться чип из ключа, вставляемого в замок зажигания.

Спасибо за инструкцию. Сам бы такой мануальчик наверное не нашел. Правда не особенно там все ясно расписано, например: обходчик иммобилайзера подключаем в разрыв штатного считывателя. Это как понимать?


 Профиль Персональный альбом  
 
 

Не в сети
Партнер клуба
Аватара пользователя

Зарегистрирован: 28 окт 2010, 16:19
Сообщения: 672
Откуда: Москва
Благодарил (а): 129 раз.
Поблагодарили: 151 раз.
Ro....maN писал(а):
Спасибо за инструкцию. Сам бы такой мануальчик наверное не нашел. Правда не особенно там все ясно расписано, например: обходчик иммобилайзера подключаем в разрыв штатного считывателя. Это как понимать?

Кмк, вполне логично, что если речь идет про обходчик штатного иммобилайзера, в который требуется поместить распознаваемый машиной ключ/чип, то "штатным считываетем" вполне даже может оказаться считывающая антенна штатного иммобилайзера: вставили ключ в замок зажигания, включили зажигание, считался чип, потом стартер и потом завелся двигатель..

В итоге исходя из задаваемых Вами вопросов я бы на всякий случай порекомендовал бы Вам все-таки задуматься о том, чтобы найти в своем регионе толковых установщиков и доверить свой авто к установке тем, кто занимается этим профессионально..

С Уважением, Виталий.


 Профиль  
 
 

Не в сети
АвтоЭксперт
Volkswagen Polo седан (2011)

Зарегистрирован: 03 сен 2011, 17:27
Сообщения: 1194
Изображения: 4
Откуда: Пермь
Благодарил (а): 203 раз.
Поблагодарили: 112 раз.

Имя: Иван
снова возник у меня этот вопрос, возможно немного странный:
возможно ли сделать съемный блок автозапуска, ибо нужен автозапуск реально (ну не на полоседане, а вообще) только зимой, в остальное время этот блок снят, зимой же если машина стоит в надежном месте - блок оставляется в машине, если в ненадежном - блок снимаем и забираем с собой, при этом блок должен быть видимо не под приборной панелью, а где то в более доступном месте...

_________________
считаю что машина своих денег стоит и даже больше того.


 Профиль Персональный альбом  
 
 

Не в сети
Опытный водитель
Аватара пользователя

Зарегистрирован: 21 июн 2012, 18:47
Сообщения: 166
Откуда: Москва
Благодарил (а): 10 раз.
Поблагодарили: 88 раз.
Fan_FERRARI писал(а):
возможно ли сделать съемный блок автозапуска


сейчас быстро посмотрел ради интереса старлайн-а92, там модуль встроенный, можно снять обходчик, команда на дистанционный запуск пройдет, но не заведется .
снимаем и уносим обходчик, а в удобном месте прячем секретную кнопку или разъем и вставляем в него перемычку чтоб с ключа можно было завести авто (как вариант под панелью геркон,а снаружи магнитик прикладывать при необходимости)заодно так появляется еще одна "секретка" на случай кражи ключа и пульта.
теоретически,думаю, можно и с другими системами сделать,правда для этого надо "курить" инструкцию для конкретной системы.
смотреть как и какие цепи подключаются, потом делать фишку-заглушку с перемычками которая будет вставляться вместо модуля или параллельно ему но в другом месте.

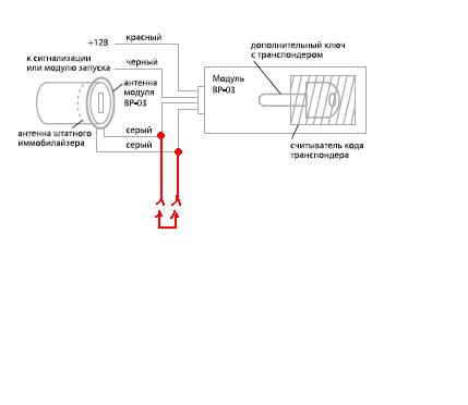
P/S: извиняюсь спросонья попутал draka , ВР-03 может не в разрыв штатной катушки ставиться а параллельно,тогда просто снимаем модуль и уносим, а схема для случая "в разрыв" пригодиться.


Вложения:
Выбор сигнализации
bp-03.JPG [ 11.74 КБ | Просмотров: 4208 ]
 Профиль  
 
 

Не в сети
Партнер клуба
Аватара пользователя

Зарегистрирован: 28 окт 2010, 16:19
Сообщения: 672
Откуда: Москва
Благодарил (а): 129 раз.
Поблагодарили: 151 раз.
Fan_FERRARI писал(а):
снова возник у меня этот вопрос, возможно немного странный:
возможно ли сделать съемный блок автозапуска, ибо нужен автозапуск реально (ну не на полоседане, а вообще) только зимой, в остальное время этот блок снят, зимой же если машина стоит в надежном месте - блок оставляется в машине, если в ненадежном - блок снимаем и забираем с собой, при этом блок должен быть видимо не под приборной панелью, а где то в более доступном месте...


Добрый день.

Откровенно говоря, не совсем понимаю смысла в подобного рода "временном автозапуске", а также не совсем понимаю понятия "машина стоит в надежном месте"..
Однако, не смотря на это все, лично я не вижу смысла в подобного рода "съемных" обходчиках и т.п., так как в любом случае подобное решение подразумевает размещение оборудования в легком доступе - с этой точки зрения, если действительно "надежное место", возможно проще будет оставить ключ в замке зажигания, и при команде на автозапуск чип будет считываться таким образом...

С Уважением, Виталий.


 Профиль  
 
 

Не в сети
Опытный водитель
Аватара пользователя

Зарегистрирован: 21 июн 2012, 18:47
Сообщения: 166
Откуда: Москва
Благодарил (а): 10 раз.
Поблагодарили: 88 раз.
Autostudio.Vitaliy писал(а):

Добрый день.

Откровенно говоря, не совсем понимаю смысла в подобного рода "временном автозапуске", а также не совсем понимаю понятия "машина стоит в надежном месте"..
Однако, не смотря на это все, лично я не вижу смысла в подобного рода "съемных" обходчиках и т.п., так как в любом случае подобное решение подразумевает размещение оборудования в легком доступе - с этой точки зрения, если действительно "надежное место", возможно проще будет оставить ключ в замке зажигания, и при команде на автозапуск чип будет считываться таким образом...

С Уважением, Виталий.

+1 respekt
я-то сонный чисто с технической стороны подходил к вопросу, а вот "нафига" не спросил...
сделать наверняка можно, но по логике смысла особого нет в таком изврате.
а с другой стороны: если очень хочется ? :-)


 Профиль  
 
 

Не в сети
Партнер клуба
Аватара пользователя

Зарегистрирован: 28 окт 2010, 16:19
Сообщения: 672
Откуда: Москва
Благодарил (а): 129 раз.
Поблагодарили: 151 раз.
zaezd24 писал(а):
+1 respekt
я-то сонный чисто с технической стороны подходил к вопросу, а вот "нафига" не спросил...
сделать наверняка можно, но по логике смысла особого нет в таком изврате.
а с другой стороны: если очень хочется ? :-)


Однако, тут надо учитывать такой момент, как "надежность того самого места" - иначе "очень хочется" может незаметно превратиться в "машину не жалко" ;)

С Уважением, Виталий.


 Профиль  
 
 

Не в сети
АвтоСтажер

Зарегистрирован: 18 янв 2013, 19:06
Сообщения: 8
Откуда: Санкт-Петербург
Благодарил (а): 0 раз.
Поблагодарили: 0 раз.
На Поло какую сигнализацию без автозапуска посоветуете поставить? Нужно только защита от угона. Автозапуск не нужен.


 Профиль  
 
 

Не в сети
АвтоЭксперт
Volkswagen Polo седан (2011)

Зарегистрирован: 03 сен 2011, 17:27
Сообщения: 1194
Изображения: 4
Откуда: Пермь
Благодарил (а): 203 раз.
Поблагодарили: 112 раз.

Имя: Иван
Comrad писал(а):
На Поло какую сигнализацию без автозапуска посоветуете поставить? Нужно только защита от угона. Автозапуск не нужен.


pandora 3210...

_________________
считаю что машина своих денег стоит и даже больше того.


 Профиль Персональный альбом  
 
 

Не в сети
Партнер клуба
Аватара пользователя

Зарегистрирован: 28 окт 2010, 16:19
Сообщения: 672
Откуда: Москва
Благодарил (а): 129 раз.
Поблагодарили: 151 раз.
Comrad писал(а):
На Поло какую сигнализацию без автозапуска посоветуете поставить? Нужно только защита от угона. Автозапуск не нужен.


Добрый вечер.

Если речь идет именно о противоугонных свойствах авто, то есть смысл строить комплексное решение, состоящее из нескольких рубежей охраны, т.к. сама по-себе сигнализация в подавляющем большинстве случаев является лишь средством оповещения о происходящем с машиной, но не обладает серьезными противоугонными свойствами.
Как вариант, если почитаете последние страницы обсуждения, то я уже привел пример того, каким образом на базе той же Пандоры 3210 можно построить противоугонный комплекс.

С Уважением, Виталий.


 Профиль  
 
 

Не в сети
Опытный водитель
Аватара пользователя

Зарегистрирован: 21 июн 2012, 18:47
Сообщения: 166
Откуда: Москва
Благодарил (а): 10 раз.
Поблагодарили: 88 раз.
Comrad писал(а):
На Поло какую сигнализацию без автозапуска посоветуете поставить? Нужно только защита от угона. Автозапуск не нужен.

ну понимаю, тема большая и всё читать долго... :-)
тут в теме и её близких Autostudio.Vitaliy много советовал, почитайте его посты.
защита от угона вопрос очень философский, она дожна быть (желательно) комплексная.
я себе сам старлайн-А62 can flex ставил (снята с производства, но в продаже есть).
а уже потом А-64 появился, Пандоры всякие толковые есть...
но у меня были достаточно простые требования: бюджетная открывашка-закрывашка дверей/багажника и устойчивость к код-грабберу.
лично моё мнение: как минимум должна быть кан-шина и диалоговый код (устойчивость к код-грабберу), как дополнение иногда ставят секретные кнопки , штука нестандартная по своей реализации и именно по этому весьма полезная.
П/С: уже опередил :-)


 Профиль  
 
 

Показать сообщения за:  Поле сортировки  
Начать новую тему Ответить на тему  [ Сообщений: 2501 ] 


Кто сейчас на конференции

Сейчас этот форум просматривают: нет зарегистрированных пользователей и гости: 10


Вы не можете начинать темы
Вы не можете отвечать на сообщения
Вы не можете редактировать свои сообщения
Вы не можете удалять свои сообщения
Вы не можете добавлять вложения

Найти:
Перейти: