Клубный полоподбор со скидкой до 35% Найдем Polo по вашим требованиям, с гарантией!






Начать новую тему Ответить на тему  [ Сообщений: 133 ] 
Автор Сообщение
Не в сети
АвтоЗнаток
Аватара пользователя

Зарегистрирован: 08 дек 2011, 22:27
Сообщения: 440
Изображения: 1
Откуда: Волжский
Благодарил (а): 121 раз.
Поблагодарили: 178 раз.
igorek0_0
Я смотрю, Вы не прочитали схему блока от ХАЯ,
Дело в том что там нет трех-позиционного переключателя и сигнал на открытие и закрытие стекла проходит по одному проводу!


igorek0_0 писал(а):
Просто подвести провода к контактам платы

А дальше какие действия? куда тянуть эти провода?


 Профиль  
 
 

Не в сети
АвтоСтажер

Зарегистрирован: 09 янв 2012, 18:27
Сообщения: 11
Откуда: Краснодар
Благодарил (а): 3 раз.
Поблагодарили: 0 раз.
vady писал(а):
igorek0_0
Я смотрю, Вы не прочитали схему блока от ХАЯ,
нет трех-позиционного переключателя и сигнал на открытие и закрытие стекла проходит по одному проводу!

Посмотрел внимательно на плату... действительно не все так просто.(

Цитата:
igorek0_0 писал(а):
Просто подвести провода к контактам платы

А дальше какие действия? куда тянуть эти провода?

А дальше никуда. Все на заводе сделано. Воткнул фишку в разъем. Но, с учетом первого пункта, уже не получится.
Хотя, если создать свою печатную плату))) Все комплектующие для этого есть в магазине радиотехники)

ЗЫ я не понял по последней схеме. В двери будут 2 блока управления? 2-х кнопочный и 4-х кнопочный?


 Профиль  
 
 

Не в сети
АвтоЗнаток
Аватара пользователя

Зарегистрирован: 08 дек 2011, 22:27
Сообщения: 440
Изображения: 1
Откуда: Волжский
Благодарил (а): 121 раз.
Поблагодарили: 178 раз.
igorek0_0 писал(а):
я не понял по последней схеме. В двери будут 2 блока управления? 2-х кнопочный и 4-х кнопочный?

Конечно будет стоять блок от ХАЯ.
А в блоке от КОМФОРТА есть плата с контроллером для водительского стекла, он управляет через реле автоматическим опусканием стекла и отключает его при перегрузках. В последней схеме управление водительского стекла построено именно через контроллер от КОМФОРТА! Но на сегодняшний момент я склоняюсь воплотить управление водительского стекла без контроллера от КОМФОРТА, т.к.
во первых: мало свободного места за обшивкой двери для устройства платы контроллера;
во вторых: я никогда не опускаю до конца стекло и функция автоматического опускания только мешает фиксации стекла.


 Профиль  
 
 

Не в сети
АвтоСтажер

Зарегистрирован: 19 фев 2011, 21:33
Сообщения: 28
Откуда: Челябинск
Благодарил (а): 1 раз.
Поблагодарили: 1 раз.
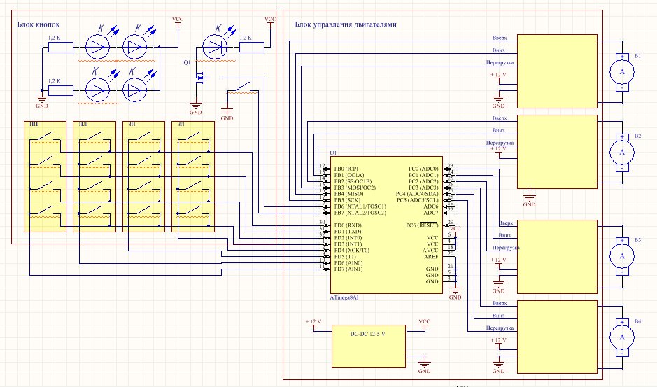
Предварительная схема блока управления стеклоподъемниками:

Блоки управления двигателями под вопросом. Неизвестно что там стоит. Может кто-нибудь знает какой ток потребляют двигатели?


Вложения:
Стеклоподъемники в Тренде, VW Polo седан.
Безымянный.png [ 58.48 КБ | Просмотров: 12650 ]
 Профиль  
 
 

Не в сети
АвтоЗнаток
Аватара пользователя

Зарегистрирован: 08 дек 2011, 22:27
Сообщения: 440
Изображения: 1
Откуда: Волжский
Благодарил (а): 121 раз.
Поблагодарили: 178 раз.
ОТЧЕТ: по переделки управления стеклоподъемниками с водительского места.
По потребностям:
Блок управления 4-мя стеклоподъемниками (от Хая) – 2100 руб.;
Рамка на блок управления – 150 руб.;
Разъем на блок управления – 100 руб.;
Реле 12В 20Ампер 8шт (по 2 на дверь) – 300 руб.;
Реле 12В 30Ампер 1шт (для блокировки задних стеклоподъемников) – 80 руб.;
Монтажная коробка 3шт (для реле) – 300 руб.;
Провода сечением 0,5 и 2,5 мм. 20м – 300 руб.;
Еще: изолента, термоусадка, припои, пины и т.д.
1. Подготовительные работы:
Переделываем внутреннюю начинку блока управления 4-мя стеклоподъемниками. А именно:
• Убирается сопротивление с контактов подъема опускания (перемыкаются), прокладывается еще по дорожке от контакта к разъему, получается что управление с 4-х кнопок опускание и подъем забрал 8 пинов в разъеме;
• Один пин (№10) остается под массу;
• Пин (№9) подается питание +12В для подсветки кнопок;
• Монтируется на плату микрокнопка с фиксацией для блокировки задних стеклоподъемников, к выводам этой кнопки подключаются два SMD светодиота (желтый и красный) для сигнализации режимов, также от этой кнопки выводится отдельный провод (№11) для подачи сигнала на реле блокировки.
Затем все собирается и проверяется.
2. Приступаем к переделыванию управления на самой машине, а именно:
• На задних дверях, разбираем обшивку, в жгуте проводов прокладываем дополнительные два сигнальных провода (от каждой двери) от существующего разъема кнопки в двери до водительской двери, при этом разбирается обшивка порогов боковых стоек (где ремень безопасности), снимается заднее сидение для прокладки проводов по салону;
• На задних дверях, кнопки управления стеклоподъемниками разбираются и переделываются из переключателей в замыкающие в зависимости от команды на опускание или подъем, чтобы избавиться от подачи отрицательного постоянного напряжения в состоянии нейтрального положения кнопки;
• Существующие провода, идущие к кнопкам отсоединяются от штекера и к проводам присоединяется собранный из реле блок. Также к нему подводятся сигнальные провода от кнопки в двери и от главного блока в водительской двери;
• Блок из реле прикрепляется на внутренней части двери (в моем случае прятался между виброй и шумкой). Затем вся обшивка ставится на место;
• Правая передняя дверь не трогается, управление в ней остается без изменений;
• В водительскую дверь заводим сигнальные провода от задних дверей, к ним присоединяются пины и вставляются в разъем блока управления;
• Отсоединяем провода от старого разъема блока управления стеклоподъемниками и соединяем с собранным блоком реле, в котором установлено реле: блокировки задних стеклоподъемников, управления водительским и правым стеклоподъемниками;
• Сигнальные провода блокировки задних стеклоподъемников и передних стеклоподъемников также подключаем к блоку управления стеклоподъемниками через пины и разъем;
• Питание подводим в блок реле и блок управления стеклоподъемниками;
• Все это размещаем в двери под обшивкой, жгуты проводов перематываем изолентой, блока управления стеклоподъемниками устанавливаем в пластиковую обшивку и подключаем.
После проделанной работы у меня все заработало!
Подробная схема в пиркрепленном файле.


Вложения:
Схема-Model.pdf [657.44 КБ]
Скачиваний: 1091
 Профиль  
 
 

Не в сети
АвтоСтажер

Зарегистрирован: 29 июл 2013, 18:24
Сообщения: 11
Откуда: Нижневартовск
Благодарил (а): 0 раз.
Поблагодарили: 1 раз.
Valek74 писал(а):
Предварительная схема блока управления стеклоподъемниками:

По схеме похоже светодиоды никогда светиться не будут (катодом к плюсу подключены)...


 Профиль  
 
 

Не в сети
АвтоСтажер

Зарегистрирован: 29 июл 2013, 18:24
Сообщения: 11
Откуда: Нижневартовск
Благодарил (а): 0 раз.
Поблагодарили: 1 раз.
vady писал(а):
Вам в помощь скидываю фото блока от ХАЯ.
А можно фото в сборе и вид разъема


 Профиль  
 
 

Не в сети
АвтоСтажер

Зарегистрирован: 29 июл 2013, 18:24
Сообщения: 11
Откуда: Нижневартовск
Благодарил (а): 0 раз.
Поблагодарили: 1 раз.
Офисный хомячище писал(а):
Фото прилагаю . Снял верхнюю и нижнюю крышку. А дальше как ?
Выложите, пожалуйста, фото разъема


 Профиль  
 
 

Не в сети
АвтоЗнаток
Аватара пользователя

Зарегистрирован: 08 дек 2011, 22:27
Сообщения: 440
Изображения: 1
Откуда: Волжский
Благодарил (а): 121 раз.
Поблагодарили: 178 раз.
vx86 писал(а):
А можно фото в сборе и вид разъема

Разъем не фоткал, тока каталожный номер остался: 1K0972776


Вложения:
Стеклоподъемники в Тренде, VW Polo седан.
037.JPG [ 429.48 КБ | Просмотров: 12383 ]
Стеклоподъемники в Тренде, VW Polo седан.
057.JPG [ 376.54 КБ | Просмотров: 12383 ]
Стеклоподъемники в Тренде, VW Polo седан.
058.JPG [ 398.04 КБ | Просмотров: 12383 ]
 Профиль  
 
 

Не в сети
АвтоЗнаток
Аватара пользователя
Volkswagen Polo седан (2013)

Зарегистрирован: 24 июн 2013, 12:21
Сообщения: 318
Изображения: 2
Откуда: Москва (Волгоград)
Благодарил (а): 46 раз.
Поблагодарили: 88 раз.
vady писал(а):
ОТЧЕТ: по переделки управления стеклоподъемниками с водительского места.

Отличное решение! Просто и доступно.
Одно только меня смущает. Получается, что при блокировке задних дверей, водитель тоже не может ими управлять.
Я бы предложил убрать реле блокировки вовсе. А блокировку реализовать по-другому. Просто "массу" для пассажирских кнопок брать как раз после кнопки блокировки (у них при заблокированных кнопках даже подсветка заодно будет тухнуть).
Конечно есть вариант, что водитель закрывает скажем правое окно, в этот момент правый пассажир тоже нажимает кнопку на закрытие, а левый получает "незаконную" "массу". Но если кого-то пугает такой расклад, то можно диодами локализовать кнопки )

А ещё можно разделить "+" для обмоток реле и силовой "+" для контактов реле. Для контактов (силовой) брать постоянный, а для обмоток брать с питания светильника. Это даст возможность управлять ЭСП даже без зажигания, но заблокирует все ЭСП когда отрубается питание светильника, в частности - на закрытой снаружи машине.

P.S. Ещё, когда буду ставить себе кнопки, везде под кнопки приклею упоры, чтобы не давать кнопкам уходить во второе (авто) положение.


 Профиль Персональный альбом  
 
 

Не в сети
Опытный водитель

Зарегистрирован: 05 окт 2010, 15:18
Сообщения: 154
Откуда: Санкт-Петербург
Благодарил (а): 18 раз.
Поблагодарили: 18 раз.
Подскажите, а кнопки стеклоподъемников в комфорте на передней и задних дверях одинаковые?
Просто я смотрю в эл.схему Поло в книжке и там почему-то к передней и задней кнопкам идентичные провода подходят на разные номера контактов. (к примеру мотор стеклоподъемника на передней двери подключен ко 2 и 6 контакту кнопки, а на задней- к 1 и 6)


 Профиль  
 
 

Не в сети
Опытный водитель
Аватара пользователя

Зарегистрирован: 27 ноя 2011, 17:08
Сообщения: 131
Откуда: Санкт-Петербург
Благодарил (а): 0 раз.
Поблагодарили: 0 раз.
+[Показать] Spoiler: vady
vady писал(а):
ОТЧЕТ: по переделки управления стеклоподъемниками с водительского места.
По потребностям:
Блок управления 4-мя стеклоподъемниками (от Хая) – 2100 руб.;
Рамка на блок управления – 150 руб.;
Разъем на блок управления – 100 руб.;
Реле 12В 20Ампер 8шт (по 2 на дверь) – 300 руб.;
Реле 12В 30Ампер 1шт (для блокировки задних стеклоподъемников) – 80 руб.;
Монтажная коробка 3шт (для реле) – 300 руб.;
Провода сечением 0,5 и 2,5 мм. 20м – 300 руб.;
Еще: изолента, термоусадка, припои, пины и т.д.
1. Подготовительные работы:
Переделываем внутреннюю начинку блока управления 4-мя стеклоподъемниками. А именно:
• Убирается сопротивление с контактов подъема опускания (перемыкаются), прокладывается еще по дорожке от контакта к разъему, получается что управление с 4-х кнопок опускание и подъем забрал 8 пинов в разъеме;
• Один пин (№10) остается под массу;
• Пин (№9) подается питание +12В для подсветки кнопок;
• Монтируется на плату микрокнопка с фиксацией для блокировки задних стеклоподъемников, к выводам этой кнопки подключаются два SMD светодиота (желтый и красный) для сигнализации режимов, также от этой кнопки выводится отдельный провод (№11) для подачи сигнала на реле блокировки.
Затем все собирается и проверяется.
2. Приступаем к переделыванию управления на самой машине, а именно:
• На задних дверях, разбираем обшивку, в жгуте проводов прокладываем дополнительные два сигнальных провода (от каждой двери) от существующего разъема кнопки в двери до водительской двери, при этом разбирается обшивка порогов боковых стоек (где ремень безопасности), снимается заднее сидение для прокладки проводов по салону;
• На задних дверях, кнопки управления стеклоподъемниками разбираются и переделываются из переключателей в замыкающие в зависимости от команды на опускание или подъем, чтобы избавиться от подачи отрицательного постоянного напряжения в состоянии нейтрального положения кнопки;
• Существующие провода, идущие к кнопкам отсоединяются от штекера и к проводам присоединяется собранный из реле блок. Также к нему подводятся сигнальные провода от кнопки в двери и от главного блока в водительской двери;
• Блок из реле прикрепляется на внутренней части двери (в моем случае прятался между виброй и шумкой). Затем вся обшивка ставится на место;
• Правая передняя дверь не трогается, управление в ней остается без изменений;
• В водительскую дверь заводим сигнальные провода от задних дверей, к ним присоединяются пины и вставляются в разъем блока управления;
• Отсоединяем провода от старого разъема блока управления стеклоподъемниками и соединяем с собранным блоком реле, в котором установлено реле: блокировки задних стеклоподъемников, управления водительским и правым стеклоподъемниками;
• Сигнальные провода блокировки задних стеклоподъемников и передних стеклоподъемников также подключаем к блоку управления стеклоподъемниками через пины и разъем;
• Питание подводим в блок реле и блок управления стеклоподъемниками;
• Все это размещаем в двери под обшивкой, жгуты проводов перематываем изолентой, блока управления стеклоподъемниками устанавливаем в пластиковую обшивку и подключаем.
После проделанной работы у меня все заработало!
Подробная схема в пиркрепленном файле.

А номер рамки по каталогу можите подсказать?


 Профиль  
 
 

Не в сети
Опытный водитель
Аватара пользователя

Зарегистрирован: 24 сен 2012, 17:09
Сообщения: 177
Откуда: Нижний Новгород
Благодарил (а): 20 раз.
Поблагодарили: 73 раз.

Имя: Сергей
расплатившись с кредитом через пару месяцев я просто продам свой Trendline и куплю Hightline, чем этим заниматься. Либо другого типа, что то хотя бы из кроссоверов


 Профиль  
 
 

Не в сети
АвтоСтажер

Зарегистрирован: 07 мар 2013, 00:56
Сообщения: 3
Откуда: СПб
Благодарил (а): 0 раз.
Поблагодарили: 0 раз.
Подскажите пож-та, как вы перепаивали кнопки задних сп? И какую кнопку с фиксацией брали со сколькими контактами? Не понимаю как ее монтировать...


 Профиль  
 
 

Не в сети
АвтоЗнаток
Аватара пользователя

Зарегистрирован: 08 дек 2011, 22:27
Сообщения: 440
Изображения: 1
Откуда: Волжский
Благодарил (а): 121 раз.
Поблагодарили: 178 раз.
speedspider писал(а):
А номер рамки по каталогу можите подсказать?

Накладка на выключатель: 6RU8672559B9


 Профиль  
 
 

Показать сообщения за:  Поле сортировки  
Начать новую тему Ответить на тему  [ Сообщений: 133 ] 


Кто сейчас на конференции

Сейчас этот форум просматривают: Yandex [Bot] и гости: 0


Вы не можете начинать темы
Вы не можете отвечать на сообщения
Вы не можете редактировать свои сообщения
Вы не можете удалять свои сообщения
Вы не можете добавлять вложения

Найти:
Перейти:  
cron