Клубный полоподбор со скидкой до 35% Найдем Polo по вашим требованиям, с гарантией!






Начать новую тему Ответить на тему  [ Сообщений: 997 ] 
Автор Сообщение
Не в сети
АвтоЛюбитель

Зарегистрирован: 08 дек 2012, 15:21
Сообщения: 67
Откуда: Ростов-На-Дону
Благодарил (а): 10 раз.
Поблагодарили: 2 раз.
даа посмотрел в китайском магазине почти 1000 рэ, нет уж лучше кнопку куплю подешевке!даже можно не оригинальную!


 Профиль  
 
 

Не в сети
АвтоСтажер

Зарегистрирован: 01 апр 2014, 15:56
Сообщения: 8
Откуда: москва
Благодарил (а): 4 раз.
Поблагодарили: 2 раз.

Имя: Александр
Уважаемые однополчане! Прочитал тему но не нашел нужного мне ответа! Кто нибудь устанавливал ПТФ по фен шую так сказать?
Я имею в виду, чтобы установить реле и предохранитель на штатные места и каким то образом подключить все по CAN шине, что бы на приборке загорался индикатор включенных ПТФ. Предохранитель и реле воткнуть на штатные места не долго, и подвести к ним проводку тоже не составит труда, но вот задействовать индикатор вкленных ПТФ (если он вообще имеется) на приборке не знаю как. Может кто задавался таким вопросом?


 Профиль  
 
 

Не в сети
Модератор
Аватара пользователя

Зарегистрирован: 16 янв 2014, 09:49
Сообщения: 2967
Откуда: Псков
Благодарил (а): 918 раз.
Поблагодарили: 1625 раз.

Имя: Андрей
По фен-шую говорите? Для начала покурите этот блог.
Для установки ПТФ никакая CAN-шина не нужна (ПТФ не заведены на блок управления кузовной электроникой, он же блок BCM), в приборке на включение передних ПТФ никакие лампочки не загораются, т.к. там их просто нет (загорается лампа задней ПТФ при включении ее переключателем света), а горит только лампочка в переключателе света. Никаких реле кстати в схеме подключения ПТФ тоже нет, проводка, предохранители, да переключатель света.


 Профиль  
 
 

Не в сети
АвтоСтажер

Зарегистрирован: 01 апр 2014, 15:56
Сообщения: 8
Откуда: москва
Благодарил (а): 4 раз.
Поблагодарили: 2 раз.

Имя: Александр
mister_hat, Cпасибо за ответ! Все оказалось проще некуда!


 Профиль  
 
 

Не в сети
АвтоСтажер

Зарегистрирован: 24 дек 2014, 11:33
Сообщения: 28
Откуда: Москва
Благодарил (а): 0 раз.
Поблагодарили: 0 раз.

Имя: Олег
Тоже сегодня установил ПТФ Депо с галогеном Н11. Докупил решетки, решетку воздухозаборника с хромом. Свои родные выставлю на продажу. От купленного в клубном магазине переключателя света не в восторге, оставил родной запаралелив с задним ПТФ. Интересно можно ли сдать назад переключатель в клубный магазин ? При установке пользовался информацией изложенной по данной теме на этом форуме. Огромное спасибо первопроходцам, все четко и понятно изложено. Всем спасибо огромное!!


 Профиль  
 
 

Не в сети
АвтоСтажер

Зарегистрирован: 29 дек 2013, 19:56
Сообщения: 11
Откуда: Воронеж
Благодарил (а): 0 раз.
Поблагодарили: 0 раз.

Имя: Андрей
Уважаемые форумчане! Сразу извините если такой вопрос уже был. У меня такой вопрос, кто-нибудь подключал ПТФ без реле, напрямую с выключателя света через предохранитель? Выдержит ли штатный переключатель ток нагрузки ПТФ 110Вт/12В=9,17Ампер? Вчера забрал контакты переключателя уж очень они нежные мне показались..


 Профиль  
 
 

Не в сети
Модератор
Аватара пользователя

Зарегистрирован: 16 янв 2014, 09:49
Сообщения: 2967
Откуда: Псков
Благодарил (а): 918 раз.
Поблагодарили: 1625 раз.

Имя: Андрей
Mexanikdron писал(а):
Уважаемые форумчане! Сразу извините если такой вопрос уже был. У меня такой вопрос, кто-нибудь подключал ПТФ без реле, напрямую с выключателя света через предохранитель? Выдержит ли штатный переключатель ток нагрузки ПТФ 110Вт/12В=9,17Ампер? Вчера забрал контакты переключателя уж очень они нежные мне показались..

Так они штатно в хайлайне и стайле подключены без реле, проводка, предохранитель да переключатель. Единственное - в переключатель света приходит сигнальный провод от "реле разгрузки контакта X", чтобы при переключениях искрения не было.

Добавлено спустя 23 минуты 21 секунду:
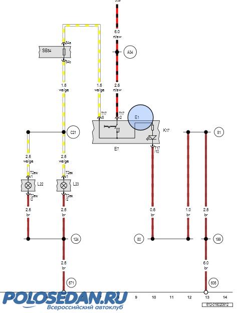
Кстати, в электросхеме подключения ПТФ нашел косяк - ну не могут 2 плюсовых провода сечением 2,5 мм2 приходить на 1 провод сечением 1,5 мм2. Я конечно не электрик по образованию, но что-то тут не так. Минусовые провода вроде правильно подключены - сечения одинаковы.


Вложения:
Все об установке ПТФ . VW Polo sedan
ПТФ.jpg [ 43.05 КБ | Просмотров: 90081 ]
 Профиль  
 
 

Не в сети
АвтоСтажер

Зарегистрирован: 29 дек 2013, 19:56
Сообщения: 11
Откуда: Воронеж
Благодарил (а): 0 раз.
Поблагодарили: 0 раз.

Имя: Андрей
mister_hat, Спасибо за ответ, мне кажется что Вы мне уже так отвечали на другом форуме. Я задал здесь этот вопрос чтобы убедиться что эта схема работает, именно интересует сколько уже проработали ПТФ без реле у одноПОЛОчан. Сегодня забрал новый переключатель и ПТФ, ну контактики прям детские...


Вложения:
Все об установке ПТФ . VW Polo sedan
IMG_20150202_203421.jpg [ 133.09 КБ | Просмотров: 90058 ]
Все об установке ПТФ . VW Polo sedan
IMG_20150202_203050.jpg [ 137.63 КБ | Просмотров: 90058 ]
 Профиль  
 
 

Не в сети
Модератор
Аватара пользователя

Зарегистрирован: 16 янв 2014, 09:49
Сообщения: 2967
Откуда: Псков
Благодарил (а): 918 раз.
Поблагодарили: 1625 раз.

Имя: Андрей
Mexanikdron писал(а):
Сегодня забрал новый переключатель и ПТФ, ну контактики прям детские...

Уверяю вас, все будет нормально, если это оригинальный переключатель. Немцы не дураки, хватило наверное мозгов посчитать сечение проводника в зависимости от силы тока. Подключите по штатной схеме - проблем не будет 100%.


 Профиль  
 
 

Не в сети
АвтоСтажер

Зарегистрирован: 29 дек 2013, 19:56
Сообщения: 11
Откуда: Воронеж
Благодарил (а): 0 раз.
Поблагодарили: 0 раз.

Имя: Андрей
Да, переключатель оригинал, не стал экономить, ну чуть потеплеет на улице и займусь...


 Профиль  
 
 

Не в сети
АвтоЭксперт
Аватара пользователя

Зарегистрирован: 15 июн 2012, 10:55
Сообщения: 1010
Изображения: 0
Откуда: г Белгород
Благодарил (а): 696 раз.
Поблагодарили: 825 раз.

Имя: Юрий
Решил прикупить ПТФ,посоветуйте какие лучше?
1 https://shop.polosedan.ru/index.php?rout ... uct_id=966
2 https://shop.polosedan.ru/index.php?rout ... uct_id=564


 Профиль  
 
 

Не в сети
Модератор
Аватара пользователя

Зарегистрирован: 18 фев 2011, 19:44
Сообщения: 4559
Откуда: Орёл
Благодарил (а): 8459 раз.
Поблагодарили: 3259 раз.

Имя: Максим
Юра, приценись к этому:
Valeo 045092 или Hella 1N0271289-031
Valeo 045093 или Hella 1N0271289-041
ST-VWP6-000G-0 viewtopic.php?f=59&t=7836&p=376208#p376208
ST-VWP6-219-1 и ST-VWP6-219-2


 Профиль  
 
 

Не в сети
АвтоГуру
Аватара пользователя
Volkswagen Polo седан (2011)

Зарегистрирован: 03 окт 2012, 08:13
Сообщения: 14207
Откуда: 23-93-123 RUS
Благодарил (а): 2450 раз.
Поблагодарили: 4887 раз.

Имя: Олег/Taos DSG7
К стати таки да-я тоже интересуюсь что есть дешево и сердито... мои родные ПТФ уже до такой степени отпескоструены...что и не светят толком...


 Профиль  
 
 

Не в сети
АвтоЗнаток
Аватара пользователя
Volkswagen Polo седан (2013)

Зарегистрирован: 27 сен 2013, 22:15
Сообщения: 443
Изображения: 1
Откуда: Мценск 57 регион
Благодарил (а): 478 раз.
Поблагодарили: 411 раз.

Имя: Алексей
Думаю реле не будет лишним. Выключатель целее будет, особенно если китай. вопрос копеечный.


 Профиль Персональный альбом  
 
 

Не в сети
АвтоСтажер

Зарегистрирован: 29 дек 2013, 19:56
Сообщения: 11
Откуда: Воронеж
Благодарил (а): 0 раз.
Поблагодарили: 0 раз.

Имя: Андрей
Уважаемые форумчане, начитавшись про оплавленные туманки Depo, хочу спросить. На фото, что встречал в интернете, нашел только оплавленные рефлекторные туманки Depo. Кто-нибудь видел чтоб оплавлялись линзованные? Купил себе линзованные, на сколько хватит или ксенон туда вставить чтоб на дольше хватило...


 Профиль  
 
 

Показать сообщения за:  Поле сортировки  
Начать новую тему Ответить на тему  [ Сообщений: 997 ] 


Кто сейчас на конференции

Сейчас этот форум просматривают: нет зарегистрированных пользователей и гости: 3


Вы не можете начинать темы
Вы не можете отвечать на сообщения
Вы не можете редактировать свои сообщения
Вы не можете удалять свои сообщения
Вы не можете добавлять вложения

Найти:
Перейти:  
cron