Клубный полоподбор со скидкой до 35% Найдем Polo по вашим требованиям, с гарантией!






Начать новую тему Ответить на тему  [ Сообщений: 133 ] 
Автор Сообщение
Не в сети
АвтоЗнаток
Аватара пользователя

Зарегистрирован: 08 дек 2011, 22:27
Сообщения: 440
Изображения: 1
Откуда: Волжский
Благодарил (а): 121 раз.
Поблагодарили: 178 раз.
Slav988 писал(а):
Подскажите пож-та, как вы перепаивали кнопки задних сп?

Не понятен вопрос!
Если Вы имеете в виду подключение кнопок, или как переделать кнопку из переключателя в замыкающий.
В принципе если разобрав кнопку и цешкой прозвонить, все поймете! (Нужно выпаять контактную подушку из платы переключателя чтобы в состоянии покоя не замыкалось и все.)
Slav988 писал(а):
какую кнопку с фиксацией брали со сколькими контактами? Не понимаю как ее монтировать...

Покупал обычную микро кнопочку в радио отделе, она должна иметь возможность переключения (для подсветки). Попозже сфоткаю и нарисую схему подключения.


 Профиль  
 
 

Не в сети
Опытный водитель
Аватара пользователя

Зарегистрирован: 27 ноя 2011, 17:08
Сообщения: 131
Откуда: Санкт-Петербург
Благодарил (а): 0 раз.
Поблагодарили: 0 раз.
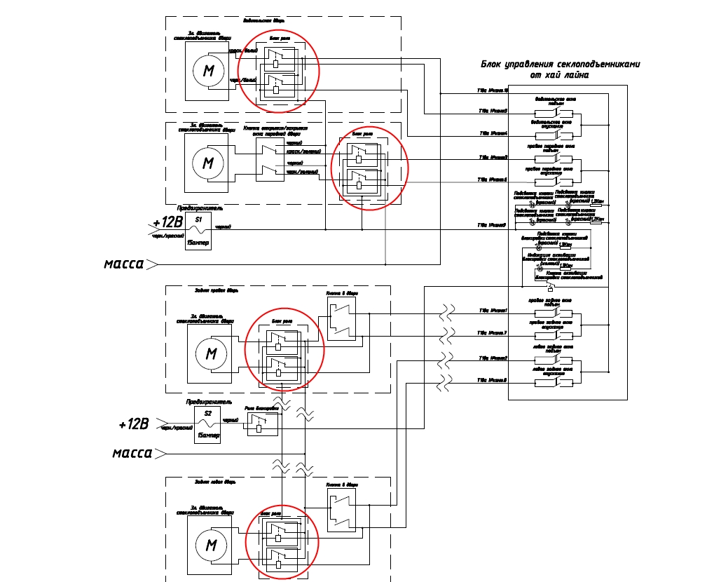
Уважаемый vady, помогите разобраться в вашей схеме
я начал затаряваться согласно вашему списку дабы реализовать блок управления 4 стеклами на вод.двери (у меня компл. Комфорт)

Если я правильно понял мне нужно будет поменять блок и поставить допом реле которые я обвел в кружки :) или я чего то упустил ?


Вложения:
Стеклоподъемники в Тренде, VW Polo седан.
sxema_0.jpg [ 243.99 КБ | Просмотров: 8950 ]
Комментарий к файлу: купил комплект кнопок
Стеклоподъемники в Тренде, VW Polo седан.
IMAG0112.jpg [ 1.18 МБ | Просмотров: 8950 ]
 Профиль  
 
 

Не в сети
АвтоСтажер

Зарегистрирован: 29 июл 2013, 18:24
Сообщения: 11
Откуда: Нижневартовск
Благодарил (а): 0 раз.
Поблагодарили: 1 раз.
А зачем маленькие кнопочки пассажирские купил? Они же вроде-бы одинаковые что комфорт, что хай, или я ошибаюсь?


 Профиль  
 
 

Не в сети
АвтоЗнаток
Аватара пользователя
Volkswagen Polo седан (2013)

Зарегистрирован: 24 июн 2013, 12:21
Сообщения: 318
Изображения: 2
Откуда: Москва (Волгоград)
Благодарил (а): 46 раз.
Поблагодарили: 88 раз.
vx86, У комфорта и тренда передняя пассажирская отличается от задних. Не принципиально, но всё же. Обе силовые и нет подсветки.
На хае кнопки с подсветкой и слаботочные, сигнальные. Сигнал по одному проводу, так же как и на водительском блоке.

speedspider, Помимо всего описанного vady, нужно будет переделать все пассажирские кнопки по аналогии с водительским блоком (т.е. "ввер" минус появляется на одном контакте, "вниз" - минус на другом контакте). В двери переднего пассажира схема будет такая же как у задних. У задних схема принципиально не изменится. По желанию протянуть подсветку в пассажирские кнопки.


 Профиль Персональный альбом  
 
 

Не в сети
АвтоЗнаток
Аватара пользователя

Зарегистрирован: 08 дек 2011, 22:27
Сообщения: 440
Изображения: 1
Откуда: Волжский
Благодарил (а): 121 раз.
Поблагодарили: 178 раз.
speedspider писал(а):
Если я правильно понял мне нужно будет поменять блок и поставить допом реле которые я обвел в кружки

Ну в принципе правильно, но забыл еще про реле блокировки задних стеклоподъемников, его тоже нужно ставить.
Если купил кнопки задних дверей, не беда, тоже меняй, я в своей переделке оставил от комфорта (очень затратно) тока доработал
Van Highlander писал(а):
У комфорта и тренда передняя пассажирская отличается от задних. Не принципиально, но всё же. Обе силовые и нет подсветки.
На хае кнопки с подсветкой и слаботочные, сигнальные. Сигнал по одному проводу, так же как и на водительском блоке.

Помимо всего описанного vady, нужно будет переделать все пассажирские кнопки по аналогии с водительским блоком (т.е. "ввер" минус появляется на одном контакте, "вниз" - минус на другом контакте). В двери переднего пассажира схема будет такая же как у задних. У задних схема принципиально не изменится. По желанию протянуть подсветку в пассажирские кнопки.

Все правильно!


 Профиль  
 
 

Не в сети
АвтоЗнаток
Аватара пользователя

Зарегистрирован: 08 дек 2011, 22:27
Сообщения: 440
Изображения: 1
Откуда: Волжский
Благодарил (а): 121 раз.
Поблагодарили: 178 раз.
Slav988
Для вас: фото кнопочки с фиксацией и схема подключения этой кнопочки.


Вложения:
Схема-Model.pdf [25.12 КБ]
Скачиваний: 296
Стеклоподъемники в Тренде, VW Polo седан.
DSC01657э.jpg [ 179.32 КБ | Просмотров: 8837 ]
 Профиль  
 
 

Не в сети
АвтоСтажер

Зарегистрирован: 29 июл 2013, 18:24
Сообщения: 11
Откуда: Нижневартовск
Благодарил (а): 0 раз.
Поблагодарили: 1 раз.
А передняя пассажирская в хае и комфорте одинаковые? (то есть две надо покупать?)
Подскажите, пожалуйста, номера пассажирских кнопок с подсветкой (от хая)


 Профиль  
 
 

Не в сети
АвтоСпециалист

Зарегистрирован: 25 фев 2013, 23:16
Сообщения: 692
Откуда: Рыбинск
Благодарил (а): 256 раз.
Поблагодарили: 141 раз.
У меня комфорт.... в электростеклоподъёмниках не вижу нужды.... тем более сзади..... если бюы можно было отказаться и снизить цену- или обменять на другую опцию - так бы и сделал- а так уж стоят .... дак пусть стоят..... пользуюсь крайне редко-- зимой холодно - летом пыльно......НЕ КУРЮ....


 Профиль  
 
 

Не в сети
АвтоГуру
Аватара пользователя

Зарегистрирован: 06 фев 2012, 22:28
Сообщения: 2191
Изображения: 5
Откуда: 35 регион
Благодарил (а): 345 раз.
Поблагодарили: 452 раз.
romancon писал(а):
У меня комфорт.... в электростеклоподъёмниках не вижу нужды.... тем более сзади..... если бюы можно было отказаться и снизить цену- или обменять на другую опцию - так бы и сделал- а так уж стоят .... дак пусть стоят..... пользуюсь крайне редко-- зимой холодно - летом пыльно......НЕ КУРЮ....

кнопочки для тех, кто денежку на кондер зажал. сам тоже ими не пользуюсь никогда и пассажирам не даю - пыль, грязь с улицы, шум, плюс бывают забывчивые, не закрывают до конца, когда выходят. кондер включил и хорошо, летом не жарко, осенью и летом в дождь стекла не потеют.


 Профиль Персональный альбом  
 
 

Не в сети
АвтоЗнаток
Аватара пользователя
Volkswagen Polo седан (2013)

Зарегистрирован: 24 июн 2013, 12:21
Сообщения: 318
Изображения: 2
Откуда: Москва (Волгоград)
Благодарил (а): 46 раз.
Поблагодарили: 88 раз.
vx86 писал(а):
А передняя пассажирская в хае и комфорте одинаковые? (то есть две надо покупать?)
Подскажите, пожалуйста, номера пассажирских кнопок с подсветкой (от хая)

Да нет же! У комфорта все кнопки силовые, рассчитаные на 10-15 ампер, коммутируют непосредственно цепь двигателей ЭСП.
На хае все кнопки слаботочные, рассчитаны на десятые или даже сотые ампер. Посылают только сигнал на БУ ЭСП, а БУ уже коммутирует цепь двигателей.

Если подсветка нужна, то покупай 3шт. Их тоже надо будет переделывать, как и кнопки в водительском блоке. Если подсветка не нужна, то покупай только водительский блок кнопок и реализуй схему vady (можно с моими рац. предложениями umnik )

Хаевская кнопка - 7L6 959 855 BREH

P.S. Лично я на одном китайском интернет-магазине ;) заказал себе менее чем за 1000 руб. китайский комплект блок водителя + 3шт пассажирских ;) Качество в общем нормальное.


UPDATE. Китайские кнопки отличаются от оригинальных. Оригинальные кнопки хоть и слаботочные, но с железными замыкателями. ФОТО Китайские кнопки резиновые, как в пультах.
Вывод. Если ставить китайские кнопки, то реле надо брать под пайку с пониженным током потребления. У авто-реле сопротивление обмотки ~80Ом, у рее под пайку - 200-400Ом (лучше 400). Или можно использовать обычные реле, но развязать кнопки транзисторами.
Короче, если не шарите, покупайте оригинальные кнопки :)


Последний раз редактировалось Van Highlander 02 окт 2013, 10:17, всего редактировалось 1 раз.

 Профиль Персональный альбом  
 
 

Не в сети
АвтоСтажер

Зарегистрирован: 07 мар 2013, 00:56
Сообщения: 3
Откуда: СПб
Благодарил (а): 0 раз.
Поблагодарили: 0 раз.
Vady благодарю Вас за сообщение!


 Профиль  
 
 

Не в сети
АвтоГуру
Аватара пользователя
Volkswagen Polo седан (2010)

Зарегистрирован: 25 июл 2010, 17:19
Сообщения: 9611
Изображения: 46
Откуда: Новосибирск.
Благодарил (а): 9223 раз.
Поблагодарили: 5285 раз.

Имя: Евгений
Slav988 писал(а):
Vady благодарю Вас за сообщение!
Высказывать благодарности за сообщения у нас принято посредством нажатия кнопки Стеклоподъемники в Тренде, VW Polo седан. Тренеруйтесь.


 Профиль Персональный альбом  
 
 

Не в сети
Опытный водитель
Аватара пользователя

Зарегистрирован: 27 ноя 2011, 17:08
Сообщения: 131
Откуда: Санкт-Петербург
Благодарил (а): 0 раз.
Поблагодарили: 0 раз.
vx86 писал(а):
А передняя пассажирская в хае и комфорте одинаковые? (то есть две надо покупать?)
Подскажите, пожалуйста, номера пассажирских кнопок с подсветкой (от хая)

ну на коробочке написано вот это 7L6 959 855 BREH

а кто подскажит распиновку кнопок


Вложения:
Стеклоподъемники в Тренде, VW Polo седан.
IMAG0142.jpg [ 597.06 КБ | Просмотров: 7490 ]


Последний раз редактировалось speedspider 30 сен 2013, 01:24, всего редактировалось 1 раз.
 Профиль  
 
 

Не в сети
Опытный водитель
Аватара пользователя

Зарегистрирован: 27 ноя 2011, 17:08
Сообщения: 131
Откуда: Санкт-Петербург
Благодарил (а): 0 раз.
Поблагодарили: 0 раз.
vady писал(а):
speedspider писал(а):
Если я правильно понял мне нужно будет поменять блок и поставить допом реле которые я обвел в кружки

Ну в принципе правильно, но забыл еще про реле блокировки задних стеклоподъемников, его тоже нужно ставить.
Если купил кнопки задних дверей, не беда, тоже меняй, я в своей переделке оставил от комфорта (очень затратно) тока доработал
Van Highlander писал(а):
У комфорта и тренда передняя пассажирская отличается от задних. Не принципиально, но всё же. Обе силовые и нет подсветки.
На хае кнопки с подсветкой и слаботочные, сигнальные. Сигнал по одному проводу, так же как и на водительском блоке.

Помимо всего описанного vady, нужно будет переделать все пассажирские кнопки по аналогии с водительским блоком (т.е. "ввер" минус появляется на одном контакте, "вниз" - минус на другом контакте). В двери переднего пассажира схема будет такая же как у задних. У задних схема принципиально не изменится. По желанию протянуть подсветку в пассажирские кнопки.

Все правильно!


так для каждой кнопки нужно релюху подвесить, тока не не могу понять, что обычную релюху 5-ти контактную вешать...


 Профиль  
 
 

Не в сети
АвтоЗнаток
Аватара пользователя
Volkswagen Polo седан (2013)

Зарегистрирован: 24 июн 2013, 12:21
Сообщения: 318
Изображения: 2
Откуда: Москва (Волгоград)
Благодарил (а): 46 раз.
Поблагодарили: 88 раз.
speedspider писал(а):
а кто подскажит распиновку кнопок

Так тебе всё равно разбирать и переделывать кнопки надо будет, сам и посмотришь.

А вот у меня крутиться вопрос. На моих китайкских блоках используются резиновые кнопки, как в пультах от бытовой техники. Оригинальные блоки тоже сделаны на резиновых кнопках? Если да, нормально ли для них будет нагрузка в 150мА? Не начнут ли подгорать контакты через год-полтора?..


 Профиль Персональный альбом  
 
 

Показать сообщения за:  Поле сортировки  
Начать новую тему Ответить на тему  [ Сообщений: 133 ] 


Кто сейчас на конференции

Сейчас этот форум просматривают: нет зарегистрированных пользователей и гости: 2


Вы не можете начинать темы
Вы не можете отвечать на сообщения
Вы не можете редактировать свои сообщения
Вы не можете удалять свои сообщения
Вы не можете добавлять вложения

Найти:
Перейти: