Клубный полоподбор со скидкой до 35% Найдем Polo по вашим требованиям, с гарантией!






Начать новую тему Ответить на тему  [ Сообщений: 323 ] 
Автор Сообщение
Не в сети
АвтоСтажер
Аватара пользователя

Зарегистрирован: 14 июл 2013, 14:38
Сообщения: 45
Откуда: Альметьевск
Благодарил (а): 4 раз.
Поблагодарили: 14 раз.
Берите 1.5 кв, с пиинудительной циркуляцией. Хватит вполне для двигателя 1.6!
И электроэнергию сэкономите.
А вещь полезная, очень! )


 Профиль  
 
 

Не в сети
АвтоГуру
Аватара пользователя

Зарегистрирован: 26 фев 2013, 20:26
Сообщения: 2866
Откуда: Челябинск
Благодарил (а): 451 раз.
Поблагодарили: 829 раз.

Имя: Илья
DRON 33,
Цитата:
система охлаждения отдельно взятого VW Polo Sedan сконструирована таким образом, что до достижения температуры 87 градусов ОЖ пускается по малому кругу: ГБЦ - Радиатор Системы отопления - Система подогрева вентиляции картера. И так по кругу до достижения температуры 102 градуса. Потом этот круг дополняется верхней частью радиатора охлаждения. Это сделано с одной стороны для того, чтобы зимой самая нагруженная часть мотора быстрее пришла в рабочие зазоры, а при рабочей температуре - чтоб лучьше охлаждалась.
Теперь ставим в этот круг подогреватель до 90-100 градусов. Что получаем: нагретую ОЖ до 90-100 градусов... и все. После пуска мотора - горячая жидкость сразу попадает на холодные части мотора вызывая повышенные термические напряжения в деталях, узлах и агрегатах (тем самым, ускоряя их износ) - раз. Второе - преждевременное расширение камеры сгорания и верха блока цилиндров.


Короче говоря. Пуская ТЭН в контур печки греем ГБЦ, печку, и верх БЦ.
ДВС с одним термостатом, печка уже в малом круге всего двигателя.


 Профиль  
 
 

Не в сети
АвтоГуру
Аватара пользователя

Зарегистрирован: 24 фев 2014, 16:43
Сообщения: 2449
Откуда: Владимирская губерния
Благодарил (а): 1046 раз.
Поблагодарили: 737 раз.

Имя: Андрей
888xx, атланты (который у меня) все с помпой идут

Добавлено спустя 1 минуту 19 секунд:
ilan, Илья , хоть об стену расшибись , но мой метод работает .
Если оставить на пару часов , то и масло прогреет и не только в двигателе , но и КПП comando
Кстать твоя ссыль так и не работает , но я подозреваю от куда ты это взял , дочитай тот форум полностью , до конца , а не приводи мне отдельные ссыли


 Профиль  
 
 

Не в сети
АвтоГуру
Аватара пользователя

Зарегистрирован: 26 фев 2013, 20:26
Сообщения: 2866
Откуда: Челябинск
Благодарил (а): 451 раз.
Поблагодарили: 829 раз.

Имя: Илья
DRON 33,
это сочинял не я, а технические специалисты в той ветке по ссылке. К ним все вопросы... ваше подключение неоптимально. вполне допускаю мысль, что у вас травит какой-то термостат...

Цитата:
Если оставить на пару часов , то и масло прогреет и не только в двигателе , но и КПП

А если оставить на день, то и масло ТАД17 в редукторе заднего моста))).


 Профиль  
 
 

Не в сети
АвтоГуру
Аватара пользователя

Зарегистрирован: 24 фев 2014, 16:43
Сообщения: 2449
Откуда: Владимирская губерния
Благодарил (а): 1046 раз.
Поблагодарили: 737 раз.

Имя: Андрей
ilan писал(а):
А если оставить на день, то и масло ТАД17 в редукторе заднего моста))).

Осталось его приладить :grin:

Добавлено спустя 1 минуту 26 секунд:
ilan писал(а):
у вас травит какой-то термостат...

Работа в штатном режиме

ПиСи : Илья , " тяжелый" ты человек , тебе А , а ты Б bt
Илья , когда тебя ждать в гости , для подтверждения моих слов ?


 Профиль  
 
 

Не в сети
АвтоСтажер
Аватара пользователя

Зарегистрирован: 14 июл 2013, 14:38
Сообщения: 45
Откуда: Альметьевск
Благодарил (а): 4 раз.
Поблагодарили: 14 раз.
DRON 33 писал(а):
888xx, атланты

Да атлант имел в виду. Отцу на гранту поставил перед зимой, не нарадуется сейчас, в сельской местности очень помогает.
Себе смысла нет, высоко живу. )))


 Профиль  
 
 

Не в сети
АвтоГуру
Аватара пользователя

Зарегистрирован: 24 фев 2014, 16:43
Сообщения: 2449
Откуда: Владимирская губерния
Благодарил (а): 1046 раз.
Поблагодарили: 737 раз.

Имя: Андрей
И всё-таки она вертится! :grin:


 Профиль  
 
 

Не в сети
АвтоСтажер

Зарегистрирован: 23 янв 2015, 05:40
Сообщения: 3
Откуда: Норильск
Благодарил (а): 3 раз.
Поблагодарили: 0 раз.

Имя: Виктор
DRON 33 писал(а):
ilan, .... .
И ссыль твоя (у меня) не работает.
.............

он указывал вот эту ссылку

DRON 33
Андрей, Вы можете на этой схеме стрелочками указать

Вложение:
Комментарий к файлу: Система охлаждения КПП - автомат
Предпусковой подогреватель двигателя на 220 В
Snap2.jpg [ 295.7 КБ | Просмотров: 9024 ]

Вложение:
Комментарий к файлу: Система охлаждения КПП - механика
Предпусковой подогреватель двигателя на 220 В
Snap3.jpg [ 265.76 КБ | Просмотров: 9022 ]


куда Вы подсоединяли электроподогреватель, и в каком направлении у Вас движется охлаждающая жидкость - нагляднее будет понятнее.


 Профиль  
 
 

Не в сети
АвтоГуру
Аватара пользователя

Зарегистрирован: 24 фев 2014, 16:43
Сообщения: 2449
Откуда: Владимирская губерния
Благодарил (а): 1046 раз.
Поблагодарили: 737 раз.

Имя: Андрей
Uncle, извините , я не знаю как рисовать на данных рисунках и потом это выкладывать , научите ?
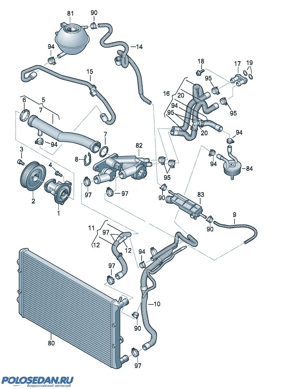
Попробую на пальцах . Подключал в "разрыв" верхнего шланга отопителя салона , который под номером 16 (рисунок номер 2 для МКПП) ,направление в сторону отопителя салона . На сколько я понимаю , малому кругу циркуляции ОЖ не мешают никакие термостаты , ни основной , ни дополнительный . Иначе ничего бы у меня не вышло с таким подключением . Напомню , подогреватель у меня с принудительной циркуляцией .


 Профиль  
 
 

Не в сети
АвтоЭксперт
Аватара пользователя

Зарегистрирован: 15 июн 2012, 10:55
Сообщения: 1010
Изображения: 0
Откуда: г Белгород
Благодарил (а): 696 раз.
Поблагодарили: 825 раз.

Имя: Юрий
DRON 33 писал(а):
Подключал в "разрыв" верхнего шланга отопителя салона , который под номером 16

Андрей,посмотрел ваши фото по подключению подогревателя и фото самого подогревателя,получается так, где на подогревателе написан выход -подключаем к ГБЦ, а где вход-к отопителю,если не так то поправте.


 Профиль  
 
 

Не в сети
АвтоГуру
Аватара пользователя

Зарегистрирован: 24 фев 2014, 16:43
Сообщения: 2449
Откуда: Владимирская губерния
Благодарил (а): 1046 раз.
Поблагодарили: 737 раз.

Имя: Андрей
chik31, наоборот , забор с ГБЦ


 Профиль  
 
 

Не в сети
АвтоЭксперт
Аватара пользователя

Зарегистрирован: 15 июн 2012, 10:55
Сообщения: 1010
Изображения: 0
Откуда: г Белгород
Благодарил (а): 696 раз.
Поблагодарили: 825 раз.

Имя: Юрий
Я ореентировался по шнуру питания


Вложения:
Предпусковой подогреватель двигателя на 220 В
1.1.jpg [ 29.82 КБ | Просмотров: 8860 ]
Предпусковой подогреватель двигателя на 220 В
1.2.jpg [ 70.62 КБ | Просмотров: 8860 ]
 Профиль  
 
 

Не в сети
АвтоГуру
Аватара пользователя

Зарегистрирован: 24 фев 2014, 16:43
Сообщения: 2449
Откуда: Владимирская губерния
Благодарил (а): 1046 раз.
Поблагодарили: 737 раз.

Имя: Андрей
Может здесь понятнее будет

Предпусковой подогреватель двигателя на 220 В

Тот который идет на вход нагревателя - это с ГБЦ , тот который с выхода - это на отопитель салона . Просто на фото они пересекают друг друга , один выше , другой ниже

А вот из этой фотки очень хорошо видно , что ни от каких термостатов малый круг не зависит , и из отопителя салона ОЖ беспрепятственно попадает в корпус термостатов (минуя их) , а далее в подводящую трубу насоса

Предпусковой подогреватель двигателя на 220 В


 Профиль  
 
 

Не в сети
АвтоЭксперт
Аватара пользователя

Зарегистрирован: 15 июн 2012, 10:55
Сообщения: 1010
Изображения: 0
Откуда: г Белгород
Благодарил (а): 696 раз.
Поблагодарили: 825 раз.

Имя: Юрий
Андрей спасибо,теперь все понятно.Будем приобретать и устанавливать.


 Профиль  
 
 

Не в сети
АвтоГуру
Аватара пользователя

Зарегистрирован: 24 фев 2014, 16:43
Сообщения: 2449
Откуда: Владимирская губерния
Благодарил (а): 1046 раз.
Поблагодарили: 737 раз.

Имя: Андрей
chik31, Удачи !!! Вопросы будут , прошу...


 Профиль  
 
 

Показать сообщения за:  Поле сортировки  
Начать новую тему Ответить на тему  [ Сообщений: 323 ] 


Кто сейчас на конференции

Сейчас этот форум просматривают: нет зарегистрированных пользователей и гости: 3


Вы не можете начинать темы
Вы не можете отвечать на сообщения
Вы не можете редактировать свои сообщения
Вы не можете удалять свои сообщения
Вы не можете добавлять вложения

Найти:
Перейти: