Клубный полоподбор со скидкой до 35% Найдем Polo по вашим требованиям, с гарантией!






Начать новую тему Ответить на тему  [ Сообщений: 1576 ] 
Автор Сообщение
Не в сети
АвтоЗнаток
Аватара пользователя
Volkswagen Polo седан (2011)

Зарегистрирован: 17 ноя 2011, 21:31
Сообщения: 412
Откуда: калининград
Благодарил (а): 200 раз.
Поблагодарили: 303 раз.

Имя: александр
функция скандинавского освещения включается как я понял программно т.е. у ОД. самому согласно инструкции ее включить нельзя тем более выключить (см инструкцию) если это получилось значит было уже предусмотрено, возможно случайно активировали данную функцию на заводе (дословно по инструкции: функцию постоянного освещения нельзя активировать или деактивировать вручную стр 84),а для второго варианта согласно инструкции (манипуляции с подрулевыми переключателями) должны быть дополнительные секции в блок фаре но их тоже нет и ОД ставит какой-то доп. предохранитель, так что наша фамилия МУХИН и мы в пролете…
Я у себя тоже пробовал не получилось.

п.с. кстати согласно инструкции при скандинавском освещении могут быть включены ближний свет или габаритные огни, а также освещение номерного знака, т.е. кому как повезет! Да и выигрыш получается только в отсутствии работы габаритов.

_________________
Volkswagen Polo Sedan мкпп Highline+Premium черный - продан 07.07.2014 претензий нет. катаюсь на OPEL MOKKA 1.8 энджой 5мт черный


Последний раз редактировалось swed 16 мар 2012, 11:12, всего редактировалось 5 раз(а).

 Профиль  
 
 

Не в сети
АвтоЛюбитель
Аватара пользователя

Зарегистрирован: 14 ноя 2011, 10:07
Сообщения: 83
Изображения: 0
Откуда: Ульяновск
Благодарил (а): 1 раз.
Поблагодарили: 17 раз.
Скоро даже думать самому не надо сама машина за тебя будет думать и решать!Уже тяжело переключатель включить!


 Профиль  
 
 

Не в сети
АвтоСпециалист

Зарегистрирован: 19 фев 2012, 17:59
Сообщения: 665
Откуда: 68 RUS
Благодарил (а): 932 раз.
Поблагодарили: 287 раз.

Имя: Николай
Artell,автоматическое включение,и,особенно,выключение-это ОЧЕНЬ полезная функция ,и я был бы признателен форумчанам в помощи реализовать её с минимальными затратами и без головоломок.На предыдущей ВАЗ-2115 пару раз в спешке забывал выключать ближний свет,аккум. сдыхал наглушняк,не говоря о неприятностях с гайцами.Потом самостоятельно установил реле включения-выключения ближн. света, и вот оно-счастье.На ФПС(тренд) пока гарантия-опасаюсь экспериментов bt


 Профиль  
 
 

Не в сети
АвтоГуру
Аватара пользователя

Зарегистрирован: 21 дек 2011, 20:53
Сообщения: 2344
Откуда: Краснодар
Благодарил (а): 334 раз.
Поблагодарили: 926 раз.
Sem писал(а):
Какая разница вырубаются фары при работе стартера или нет. Вы видите что vidik пишет, и продемонстрировал в ролике.

Вижу. Разница в том, что если верить схеме в Ельзе (а я не вижу поводов не верить ей), то фары (и ближний свет и дальний) запитываются напрямую от переключателя. И сколько ни мудри с программированием или рычагами/зажиганием, переключатель просто физически не способен поменять местами свои контакты. Поэтому я и советую проверить у ОД - это, скорее всего, неисправность, а не фишка.

_________________
автомобиль за свою цену - отличный. Хороший экстерьер, удобство, современный, но сбалансированный интерьер, динамика - все на уровне.


 Профиль  
 
 

Не в сети
АвтоЛюбитель
Аватара пользователя

Зарегистрирован: 31 янв 2012, 11:19
Сообщения: 101
Изображения: 0
Откуда: Воронеж
Благодарил (а): 16 раз.
Поблагодарили: 23 раз.
Реле ближнего света.

Далее провода 105 и 119 идут на лампу левой и правой (соответственно) фары ближнего света.


Вложения:
Комментарий к файлу: Позиция J331
Дневные ходовые огни на VW Polo седан
Ближний.jpg [ 327.52 КБ | Просмотров: 4853 ]
 Профиль  
 
 

Не в сети
АвтоГуру
Аватара пользователя

Зарегистрирован: 21 дек 2011, 20:53
Сообщения: 2344
Откуда: Краснодар
Благодарил (а): 334 раз.
Поблагодарили: 926 раз.
Taks71 писал(а):
Реле ближнего света.Далее провода 105 и 119 идут на лампу левой и правой (соответственно) фары ближнего света.

А почему Вы не написали, что там еще стоят предохранители? ;)
Реле запитывается от переключателя света, так что просто нет смысла его упоминать, как и предохранители.

_________________
автомобиль за свою цену - отличный. Хороший экстерьер, удобство, современный, но сбалансированный интерьер, динамика - все на уровне.


 Профиль  
 
 

Не в сети
АвтоСтажер

Зарегистрирован: 08 мар 2012, 18:49
Сообщения: 14
Откуда: Березник
Благодарил (а): 1 раз.
Поблагодарили: 5 раз.
Artell, я проводил манипуляции, которые указаны в инструкции, но в тот момент они не привели к ожидаемому результату, т.е. он был нулевым. Потом все само по себе заработало. Возможно это и неисправность, но полезная (если полик на воздух не взлетит ;) ) Живу на севере, бывет забираюсь далеко, как то раз наглухо посадил батарейку в 15 км от хоть какой то движухи. Просто повезло, что залетный попался, помог завести. На счет того, что стартер не тушит фары, то и на калине у меня они только приглушаются. Был какой то промежуток небольшой, радио вырубало, но прошло. AndyBig, свет загорается при включении зажигания, переключатель в моей ситуации нужен только для включения габаритов и остальной подсветки.


 Профиль  
 
 

Не в сети
АвтоЛюбитель
Аватара пользователя

Зарегистрирован: 31 янв 2012, 11:19
Сообщения: 101
Изображения: 0
Откуда: Воронеж
Благодарил (а): 16 раз.
Поблагодарили: 23 раз.
vidik писал(а):
Artell, я проводил манипуляции, которые указаны в инструкции, но в тот момент они не привели к ожидаемому результату, т.е. он был нулевым. Потом все само по себе заработало. Возможно это и неисправность, но полезная (если полик на воздух не взлетит ;) ) Живу на севере, бывет забираюсь далеко, как то раз наглухо посадил батарейку в 15 км от хоть какой то движухи. Просто повезло, что залетный попался, помог завести. На счет того, что стартер не тушит фары, то и на калине у меня они только приглушаются. Был какой то промежуток небольшой, радио вырубало, но прошло. AndyBig, свет загорается при включении зажигания, переключатель в моей ситуации нужен только для включения габаритов и остальной подсветки.


Похоже ваша машина полна сюрпризов! russian_roulette


 Профиль  
 
 

Не в сети
АвтоГуру
Аватара пользователя

Зарегистрирован: 21 дек 2011, 20:53
Сообщения: 2344
Откуда: Краснодар
Благодарил (а): 334 раз.
Поблагодарили: 926 раз.
vidik писал(а):
AndyBig, свет загорается при включении зажигания, переключатель в моей ситуации нужен только для включения габаритов и остальной подсветки.

Все правильно, потому что напряжение на переключатель света приходит от замка зажигания. Неисправен, скорее всего, переключатель габаритов/света/противотуманок. Или неисправно реле.
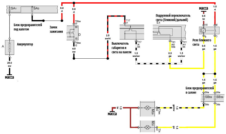
Блин, сейчас скомпилирую из Ельзы полную схему света от аккума до лампы, чтобы уже не было никаких сомнений :)
...Скомпилировал. Вот теперь покажите мне каким макаром тут вообще можно реализовать ДХО манипуляциями с компьютером.
ЗЫ: глянув схему в целом отметаю предположение о неисправности реле, неисправен все же переключатель габаритов/света на панели или проводка к нему.
ЗЗЫ: мне было бы неспокойно ездить на машине с неиправной электрикой, какой бы полезной ни была неисправность :)


Вложения:
Дневные ходовые огни на VW Polo седан
nearlight_scheme.gif [ 21.82 КБ | Просмотров: 4588 ]

_________________
автомобиль за свою цену - отличный. Хороший экстерьер, удобство, современный, но сбалансированный интерьер, динамика - все на уровне.
 Профиль  
 
 

Не в сети
АвтоЛюбитель

Зарегистрирован: 02 окт 2011, 19:34
Сообщения: 63
Откуда: г. Вологда
Благодарил (а): 38 раз.
Поблагодарили: 7 раз.
как вариант, выключатель можно продиагностировать, включив дальний. по логике ближний не должен выключиться тогда. должны гореть обе спирали.
так?


 Профиль  
 
 

Не в сети
АвтоГуру
Аватара пользователя

Зарегистрирован: 21 дек 2011, 20:53
Сообщения: 2344
Откуда: Краснодар
Благодарил (а): 334 раз.
Поблагодарили: 926 раз.
kiba35 писал(а):
как вариант, выключатель можно продиагностировать, включив дальний. по логике ближний не должен выключиться тогда. должны гореть обе спирали.

Сначала наврал, теперь поправляюсь :)
Нет, при включении дальнего подрулевой переключатель скинет напряжение с реле и ближний выключится.

_________________
автомобиль за свою цену - отличный. Хороший экстерьер, удобство, современный, но сбалансированный интерьер, динамика - все на уровне.


 Профиль  
 
 

Не в сети
АвтоЛюбитель

Зарегистрирован: 02 окт 2011, 19:34
Сообщения: 63
Откуда: г. Вологда
Благодарил (а): 38 раз.
Поблагодарили: 7 раз.
тогда можно попробовать завести машину отсоединив выключатель вообще:)
или попросив у собрата на время.


 Профиль  
 
 

Не в сети
АвтоГуру
Аватара пользователя

Зарегистрирован: 21 дек 2011, 20:53
Сообщения: 2344
Откуда: Краснодар
Благодарил (а): 334 раз.
Поблагодарили: 926 раз.
kiba35 писал(а):
тогда можно попробовать завести машину отсоединив выключатель вообще:)

Угу, как вариант :) Или при включенном зажигании включить дальний (переключатель габаритов/света должен быть в нуле), если включится - тогда точно неисправен переключатель габаритов/света :)

_________________
автомобиль за свою цену - отличный. Хороший экстерьер, удобство, современный, но сбалансированный интерьер, динамика - все на уровне.


 Профиль  
 
 

Не в сети
Опытный водитель
Аватара пользователя

Зарегистрирован: 19 дек 2010, 21:52
Сообщения: 224
Откуда: Краснодар
Благодарил (а): 23 раз.
Поблагодарили: 19 раз.
vidik писал(а):
Видео включения скандинавского освещения, кому интересно, можно посмотреть здесь http://vk.com/id94057043

Я в шоке, слов нет. Как? :?: :?: :?: :?: :?: У кого машина была произведена позже? Может проводку изменили?


 Профиль  
 
 

Не в сети
АвтоСпециалист

Зарегистрирован: 04 авг 2010, 18:25
Сообщения: 501
Откуда: Екатеринбург
Благодарил (а): 51 раз.
Поблагодарили: 37 раз.
AndyBig писал(а):
vidik писал(а):
ЗЗЫ: мне было бы неспокойно ездить на машине с неиправной электрикой, какой бы полезной ни была неисправность :)

Проверили в выключенном состоянии лишний ток не потребляет, и все... успокойтесь.

_________________
Пробег 70800 замечания были. комплектация Vebasto МКП Reflex, Pandora, парктроник, замена стартера была. блок управления ремонтировали. ПОмпа 70тыс ...


 Профиль  
 
 

Показать сообщения за:  Поле сортировки  
Начать новую тему Ответить на тему  [ Сообщений: 1576 ] 


Кто сейчас на конференции

Сейчас этот форум просматривают: нет зарегистрированных пользователей и гости: 3


Вы не можете начинать темы
Вы не можете отвечать на сообщения
Вы не можете редактировать свои сообщения
Вы не можете удалять свои сообщения
Вы не можете добавлять вложения

Найти:
Перейти:  
cron