Клубный полоподбор со скидкой до 35% Найдем Polo по вашим требованиям, с гарантией!






Начать новую тему Эта тема закрыта, вы не можете редактировать и оставлять сообщения в ней.  [ Сообщений: 139 ] 
Автор Сообщение
Не в сети
АвтоСтажер

Зарегистрирован: 11 окт 2012, 06:16
Сообщения: 9
Изображения: 30
Откуда: Казань
Благодарил (а): 0 раз.
Поблагодарили: 71 раз.
В данном фотоотчёте, я хочу рассказать о технологии ремонта рулевой рейки с электроусилителем фирмы NSK, которая установлена на Поло.
По фактам, это далеко не первый мой фотоотчёт, их уже достаточно много. Кому интересно могут сходить на ресурс AutoCommunity и посмотреть на них
По наблюдениям, рейка начинает заметно люфтить в 30 тык, стучать так, что её не услышит только глухой в 50-60 тык, и на пробеге примерно в 100 тык, ответственные развальщики отказываются делать развал из-за "болтанки" правого колеса.
Настоятельно советую НЕ ТРОГАТЬ правую рулевую тягу, как правило, она здесь не при чём. Люфтит во втулке.
Много сломано копий по поводу материала втулки. Я использую фторопласт, пробег ремонтных реек уже превысил 100 тык, что свидетельствует о том, что он свою задачу выполняет.
Любителям капролона ответственно заявляю, что имел личный отрицательный опыт установки втулки из этого материала, и форумчане с профильных форумов, столкнулись с "тугой" рейкой после установки втулки из капролона.
В общем, перейдём к главному.
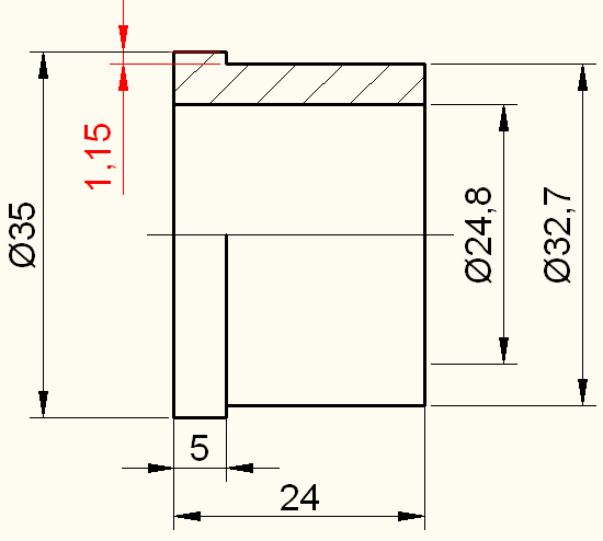
Нужно изготовить втулку по приведённому чертежу, внутренний размер специально уменьшен на 0,2 мм, а наружный увеличен, чтобы обеспечить длительный ресурс отремонтированной рейки.
Фотоотчет по ремонту рулевой рейки Фольксваген Поло седан

Нужно открутить рулевой карданчик в салоне и вынув ключ из замка зажигания, запереть руль, чтобы случайно не оборвать улитку SRS.
Фотоотчет по ремонту рулевой рейки Фольксваген Поло седан

На фото показан открученный подрамник со снятой рейкой. Подрамник остаётся висеть на шаровых опорах и стойках стабилизатора.
Фотоотчет по ремонту рулевой рейки Фольксваген Поло седан

Фотоотчет по ремонту рулевой рейки Фольксваген Поло седан

Фотоотчет по ремонту рулевой рейки Фольксваген Поло седан

Рейка японской фирмы NSK, сделанная в Китае для VAG.
Фотоотчет по ремонту рулевой рейки Фольксваген Поло седан

Фотоотчет по ремонту рулевой рейки Фольксваген Поло седан

На этом фото показано правильное расположение края пыльника рулевой тяги.
Фотоотчет по ремонту рулевой рейки Фольксваген Поло седан

Рулевой карданчик можно установить на вал только В ОДНОМ положениии, поэтому ОБЯЗАТЕЛЬНО нужно пометить положение вала до разборки рейки, об этом ниже
Фотоотчет по ремонту рулевой рейки Фольксваген Поло седан

Аккуратно выпрессовываем пластиковый пыльник вала.
Фотоотчет по ремонту рулевой рейки Фольксваген Поло седан

Откручиваем правую рулевую тягу.
Фотоотчет по ремонту рулевой рейки Фольксваген Поло седан

Теперь пришло время пометить расположение рулевого вала, для этого выкручиваем рейку максимально влево до упора и ставим метки маркером.
Фотоотчет по ремонту рулевой рейки Фольксваген Поло седан

Ослабляем регулировочную гайку, предварительно пометив её. Откручивать до конца необязательно.
Фотоотчет по ремонту рулевой рейки Фольксваген Поло седан

Теперь, откручиваем гайку крепления рулевого вала. Эта гайка на 36. Я использовал головку с квадратом на 3/4 дюйма и крепкий газовый ключ.
Фотоотчет по ремонту рулевой рейки Фольксваген Поло седан

Фотоотчет по ремонту рулевой рейки Фольксваген Поло седан

Вынимаем вал. В данной рейке достаточно усилия рук.
Фотоотчет по ремонту рулевой рейки Фольксваген Поло седан

Далее, нужно быть осторожным, стараться не ронять корпус рейки, избегать ударов по нему и стараться при дальнейших манипуляциях сохранять горизонтальное положение корпуса, чтобы не рассыпался игольчатый подшипник, установленный в глубине корпуса.
Фотоотчет по ремонту рулевой рейки Фольксваген Поло седан

Теперь видно штатную втулку.
Фотоотчет по ремонту рулевой рейки Фольксваген Поло седан

Нужно выпрессовать упорную шайбу, я собрал из старого болта ГБЦ и просверленного шестигранника вот такой обратный молоток.
Фотоотчет по ремонту рулевой рейки Фольксваген Поло седан

И выпрессовал шайбу. При выпрессовке нужно стараться, чтобы не было больших перекосов шайбы, иначе процесс останавливается, из-за того, что шайбу просто заклинивает от перекоса.
Фотоотчет по ремонту рулевой рейки Фольксваген Поло седан

Теперь втулку видно особенно хорошо. Выкорчёвываем её оттуда.
Фотоотчет по ремонту рулевой рейки Фольксваген Поло седан

Старая и новая втулки.
Фотоотчет по ремонту рулевой рейки Фольксваген Поло седан

Новую втулки необходимо доработать. Пропилы делаются ножовкой по металлу, а лишний буртик легко срезается канцелярским ножом. Дыхательный пропил ДЕЛАТЬ ОБЯЗАТЕЛЬНО, чтобы избежать вакууммирования пыльников рулевых тяг.
Фотоотчет по ремонту рулевой рейки Фольксваген Поло седан

Фотоотчет по ремонту рулевой рейки Фольксваген Поло седан

Для установки втулки в корпус, я вырезал оправку из обыкновенной пластиковой бутылки.
Фотоотчет по ремонту рулевой рейки Фольксваген Поло седан

Фотоотчет по ремонту рулевой рейки Фольксваген Поло седан

Болгаркой снимаем черновую фаску со скалки рейки, и вчистовую зашлифовываем наждачной бумагой.
Фотоотчет по ремонту рулевой рейки Фольксваген Поло седан

Смазав скалку тонким слоем смазки, аккуратно вставляем её, как бы ввинчивая во втулку С ПРАВОЙ СТОРОНЫ в корпус рейки, чтобы окончательно усадить втулку. Сделать это будет тяжеловато, но вполне выполнимо.
Фотоотчет по ремонту рулевой рейки Фольксваген Поло седан


Собираем рейку в обратной последовательности, смазывая все поверхности тонким слоем смазки без фанатизма. Я использую ШРУС, которым комплектуют оригинальные пыльники на Тойотах.
Вообще, рейка на Полике сложнее в ремонте, чем, например, на Рав4 или Х-Трейле, но всё выполнимо.

======================================================================
ЭТО ВАЖНО !!
Уважаемые форумчане ! Что касается реек неоригинальных производителей: все они являются восстановленными. Красивые слова, про то, что они отремонтированы в условиях завода, не более чем обман. Б/у рейки, скупленные в автосервисах, пескоструят, красят, меняют пыльники тяг, иногда сами тяги и продают. Внутренности рейки не меняют, потому что они не детализируются в каталогах. Т.е. это товар очень сомнительного качества, который нельзя вернуть обратно.
Либо берите новую ориг. рейку либо ищите б/у рейку в хорошем состоянии (главное, чтобы не было ржавчины на скалке) с разбора и ремонтируйте сами.
Я сам кручусь в этой теме и у токаря, который мне делает втулки, регулярно вижу рейки со ржавчиной внутри (я такие в работу не беру). Ему приносят их на перешлифовку с последующей заменой втулки из автосервисов, занимающихся ремонтом реек. Потом эти рейки продают и даже могут гарантию небольшую дать.
Я пытался чинить заржавевшие рейки. Бесполезное занятие.
Экономьте своё время, нервы и деньги.


Последний раз редактировалось Rust 116 13 дек 2012, 12:04, всего редактировалось 4 раз(а).

 Профиль Персональный альбом  
 
 

Не в сети
АвтоСпециалист
Аватара пользователя

Зарегистрирован: 15 апр 2011, 20:56
Сообщения: 834
Благодарил (а): 331 раз.
Поблагодарили: 173 раз.
Как правильно продефектировать рейку? Достал уже этот стук при проезде мелких неровностей. Ездил к ОД, но все там глухие и слепые!Сам поддомкрачивал передок и слушал, дергал-нет ощутимого люфта, но на неровностях стучит.подушки двигателя живые. наконечники тоже.
еще вопрос по подрамнику вот наткнулся на материал. не повлияет ли демонтаж на развал колес?где-то читал нужно использовать специальные болты для демонтажа подрамника.


Вложения:
vw-wi___rl_V.ru-RU.K00.5915.15.wi__49570204.xml_xsl=3.pdf [292 КБ]
Скачиваний: 4858
 Профиль  
 
 

Не в сети
АвтоСтажер

Зарегистрирован: 11 окт 2012, 06:16
Сообщения: 9
Изображения: 30
Откуда: Казань
Благодарил (а): 0 раз.
Поблагодарили: 71 раз.
vovanair писал(а):
Как правильно продефектировать рейку?

Вывернуть руль влево до упора, схватившись за правую рулевую тягу вплотную к пыльнику рейки, резко подёргать вверх-вниз. Будет ощущаться люфт.
Если пробег рейки больше 30 тык, её можно сразу чинить.
vovanair писал(а):
где-то читал нужно использовать специальные болты для демонтажа подрамника.

Это у фрицев любимое дело: для любой ремонтной операции - прописАть специнструмент.
Как показала практика, в спецболтах нет особой необходимости. Ставишь подрамник по старым следам и поправляешь после ремонта схождение.


 Профиль Персональный альбом  
 
 

Не в сети
АвтоСпециалист
Аватара пользователя

Зарегистрирован: 25 июн 2010, 19:35
Сообщения: 630
Изображения: 4
Откуда: Королёв М.О.
Благодарил (а): 644 раз.
Поблагодарили: 335 раз.

Имя: Дмитрий
Я работал на WV Т-4, когда там подстукивала рейка то делали подтяжку и всё.У нас такая ерунда не прокатит?


 Профиль  
 
 

Не в сети
АвтоСтажер

Зарегистрирован: 11 окт 2012, 06:16
Сообщения: 9
Изображения: 30
Откуда: Казань
Благодарил (а): 0 раз.
Поблагодарили: 71 раз.
ДИ.ман писал(а):
Я работал на WV Т-4, когда там подстукивала рейка то делали подтяжку и всё.У нас такая ерунда не прокатит?

Нет, потому что, подтянете Вы слева, а люфтит справа.


 Профиль Персональный альбом  
 
 

Не в сети
АвтоСпециалист
Аватара пользователя

Зарегистрирован: 15 апр 2011, 20:56
Сообщения: 834
Благодарил (а): 331 раз.
Поблагодарили: 173 раз.
Цитата:
ДИ.ман писал(а):
Я работал на WV Т-4, когда там подстукивала рейка то делали подтяжку и всё.У нас такая ерунда не прокатит?
Нет, потому что, подтянете Вы слева, а люфтит справа.

подтверждаю, сам подтягивал-не помогло!


 Профиль  
 
 

Не в сети
АвтоЗнаток
Аватара пользователя

Зарегистрирован: 13 окт 2010, 09:49
Сообщения: 432
Откуда: Архангельская обл. г. Котлас
Благодарил (а): 39 раз.
Поблагодарили: 111 раз.
Где бы взять фторопластовые втулки? А есть ли в продаже отдельно втулки?

_________________
Перчаточный ящик вроде как слышал , что охлаждаемый, но в нём как-то не очень было холодно . Ну вот пока всё.


 Профиль  
 
 

Не в сети
АвтоСпециалист
Аватара пользователя

Зарегистрирован: 15 апр 2011, 20:56
Сообщения: 834
Благодарил (а): 331 раз.
Поблагодарили: 173 раз.
Только заказывать на изготовление по чертежу ув.Rust 116. Кто сможет изготовить?пишите в личку


 Профиль  
 
 

Не в сети
АвтоЛюбитель

Зарегистрирован: 20 мар 2011, 17:19
Сообщения: 69
Откуда: Смоленск
Благодарил (а): 48 раз.
Поблагодарили: 3 раз.
Автору респект!!!У меня вопрос неужели после 30 т. рейки хана,и её нужно ремонтировать?Если так то это полный п....ц.(хотя бы сотку не отходит?)


 Профиль  
 
 

Не в сети
АвтоЗнаток
Аватара пользователя

Зарегистрирован: 13 окт 2010, 09:49
Сообщения: 432
Откуда: Архангельская обл. г. Котлас
Благодарил (а): 39 раз.
Поблагодарили: 111 раз.
Ещё вопрос: игольчатый подшипник (с которым надо быть аккуратным) - это тот в который упирается рулевой вал? И если он рассыпется(вывалится), можно его опять там собрать?

_________________
Перчаточный ящик вроде как слышал , что охлаждаемый, но в нём как-то не очень было холодно . Ну вот пока всё.


 Профиль  
 
 

Не в сети
АвтоСпециалист
Аватара пользователя

Зарегистрирован: 15 апр 2011, 20:56
Сообщения: 834
Благодарил (а): 331 раз.
Поблагодарили: 173 раз.
можно, но очень трудоемко и неудобно


 Профиль  
 
 

Не в сети
Опытный водитель

Зарегистрирован: 06 авг 2012, 13:19
Сообщения: 172
Откуда: Москва
Благодарил (а): 5 раз.
Поблагодарили: 25 раз.
Отходил 66000 км. С рейкой Все нормально


 Профиль  
 
 

Не в сети
АвтоСпециалист
Аватара пользователя

Зарегистрирован: 15 апр 2011, 20:56
Сообщения: 834
Благодарил (а): 331 раз.
Поблагодарили: 173 раз.
У меня застучала, после того как я в глубокую яму попал правым передним колесом, диск хорошо вмял, пришлось прокатывать.


 Профиль  
 
 

Не в сети
АвтоГуру
Аватара пользователя

Зарегистрирован: 13 июл 2010, 18:25
Сообщения: 3148
Откуда: Tver region
Благодарил (а): 223 раз.
Поблагодарили: 969 раз.
Mister_T писал(а):
Где бы взять фторопластовые втулки? А есть ли в продаже отдельно втулки?
Есть такие болванки. Из них точат разные детали. Пример на фото.


Вложения:
Комментарий к файлу: Разные болванки.
Фотоотчет по ремонту рулевой рейки Фольксваген Поло седан
Фторопласт.jpg [ 1.2 МБ | Просмотров: 80351 ]
 Профиль  
 
 

Не в сети
АвтоСпециалист
Аватара пользователя

Зарегистрирован: 15 апр 2011, 20:56
Сообщения: 834
Благодарил (а): 331 раз.
Поблагодарили: 173 раз.
Фторопласт сегодня уже приобрел-болванка диаметром 40мм, длиной 100мм=250руб. Токарь тоже нашелся. Возможно на майские праздники попробую заняться рейкой.
Вопрос к ув.Rust 116, построил в AutoCad втулку согласно Вашим размерам и смущает меня размер 1,15мм, не маловато ли?на фото кажется более 1,15мм?


Вложения:
Фотоотчет по ремонту рулевой рейки Фольксваген Поло седан
Эскиз втулки-1.PNG [ 13.94 КБ | Просмотров: 80261 ]
 Профиль  
 
 

Показать сообщения за:  Поле сортировки  
Начать новую тему Эта тема закрыта, вы не можете редактировать и оставлять сообщения в ней.  [ Сообщений: 139 ] 


Кто сейчас на конференции

Сейчас этот форум просматривают: нет зарегистрированных пользователей и гости: 2


Вы не можете начинать темы
Вы не можете отвечать на сообщения
Вы не можете редактировать свои сообщения
Вы не можете удалять свои сообщения
Вы не можете добавлять вложения

Найти:
Перейти:  
cron