Клубный полоподбор со скидкой до 35% Найдем Polo по вашим требованиям, с гарантией!






Начать новую тему Ответить на тему  [ Сообщений: 1092 ] 
Автор Сообщение
Не в сети
АвтоСпециалист
Аватара пользователя

Зарегистрирован: 16 дек 2012, 11:55
Сообщения: 579
Откуда: Нижегородская обл
Благодарил (а): 270 раз.
Поблагодарили: 192 раз.

Имя: Юрий
Skies писал(а):
Нет не какой разрядки АКБ при подключении к салонной кнопке и через 10 минут она засыпает, а через 30мин засыпает и сам автомобиль. Это тоже самое что Вы находитесь в автомобиле и решили закрыться из салона.

только что проверил все верно засыпает как и написали. тогда меня это устраивает даже более чем.


 Профиль  
 
 

Не в сети
АвтоСтажер

Зарегистрирован: 21 фев 2013, 22:28
Сообщения: 7
Откуда: Новомосковск
Благодарил (а): 1 раз.
Поблагодарили: 3 раз.
Dvemer писал(а):
только что проверил все верно засыпает как и написали. тогда меня это устраивает даже более чем.

Не засыпает. При такой постановке на охрану - можно открыть багажник с кнопки в салоне или подключив сигнал от сигналки к кнопке. Если закрыть центральным замком - багажник с кнопки не открыть - спит авто. Открытие багажник а тут только через реле.


 Профиль  
 
 

Не в сети
АвтоЭксперт
Аватара пользователя

Зарегистрирован: 26 окт 2012, 16:35
Сообщения: 1401
Изображения: 0
Откуда: г. Владимир
Благодарил (а): 56 раз.
Поблагодарили: 534 раз.
oli4 писал(а):
Dvemer писал(а):
только что проверил все верно засыпает как и написали. тогда меня это устраивает даже более чем.

Не засыпает. При такой постановке на охрану - можно открыть багажник с кнопки в салоне или подключив сигнал от сигналки к кнопке. Если закрыть центральным замком - багажник с кнопки не открыть - спит авто. Открытие багажник а тут только через реле.

Я о чем и говорю, что не все блоки электроники засыпают. Если найду время обязательно проверю потребление тока в обсуждаемых режимах.


 Профиль Персональный альбом  
 
 

Не в сети
АвтоСпециалист
Аватара пользователя

Зарегистрирован: 02 сен 2010, 16:11
Сообщения: 680
Изображения: 0
Откуда: Санкт-Петербург, Москва
Благодарил (а): 9 раз.
Поблагодарили: 110 раз.
oli4 писал(а):
Не засыпает. При такой постановке на охрану


А на АКБ токи замеряли, делая такие выводы?


 Профиль Персональный альбом  
 
 

Не в сети
АвтоСтажер

Зарегистрирован: 21 фев 2013, 22:28
Сообщения: 7
Откуда: Новомосковск
Благодарил (а): 1 раз.
Поблагодарили: 3 раз.
Skies писал(а):
А на АКБ токи замеряли, делая такие выводы?

Нет не замерял, но проверял. Как буду подключение ОДиллеров исправлять - запирание/отпирание на ЦЗ, подключу открытие багажника через реле - нравиться его открывать не снимая с охраны. Думаю при подключении постановки на охрану на кнопку внутри салона потребление тока маленькое - это к вопросу о разрядке АКБ. Ведь мне так официалы подключили имхо.


 Профиль  
 
 

Не в сети
Кулибин клуба
Аватара пользователя

Зарегистрирован: 14 сен 2011, 23:17
Сообщения: 1470
Откуда: М.О. Серпуховский район.
Благодарил (а): 1549 раз.
Поблагодарили: 1607 раз.

Имя: Сергей
Всем привет!
У меня возникла следующая проблема, я уже себе голову сломал и никто не может объяснить почему это происходит.
В общем суть проблемы: когда покупал машину, в салоне установили сигнализацию (StarLine). Все работало и работает нормально. Но. В феврале когда ставил мультируль и прописывал его, просканировал все на ошибки. все было хорошо, ошибок не было. Неделю назад поставил RCD 510. Подключил шнурок, прописал магнитолу. Решил проверить все на ошибки. И вот тут то вылезли две ошибки в блоке центральной электроники. Он ругается на поворотники, мол обрыв цепи или замыкание на плюс. Вот лог:
-------------------------------------------------------------------------------
Контроллер 09: Центр.Электроника (J519) Описания: 6R0-937-08x-09.clb
Номер детали SW: 6RU 937 085 A HW: 6RU 937 085
Компонент:: BCM25 IM M H46 0230
Ревизия: B4046001 Номер лицензии: 0338 109110369
Кодировка: 62904ABF08A10048000800003C0B04D10040414F60040000200000000000
Код сервиса:: WSC 01530 935 00200
VCID: 5EB98908492CB49

Подсистема 1 - Номер детали SW: 5K0 959 542 C HW: 5K0 959 542 C
Компонент:: E221__MFL-TAS H31 0033
Кодировка: 820000

2 ошибок найдено:
00968 - Правые указатели поворота
010 - Обрыв или замыкание на плюс - Периодически
Момент неисправности:
Статус ошибки: 00101010
Приоритет ошибки: 2
Частота ошибки: 254
Сброс счетчика: 54
Индикация времени: 0

00967 - Левые указатели поворота
010 - Обрыв или замыкание на плюс - Периодически
Момент неисправности:
Статус ошибки: 00101010
Приоритет ошибки: 2
Частота ошибки: 254
Сброс счетчика: 54
Индикация времени: 0


-------------------------------------------------------------------------------
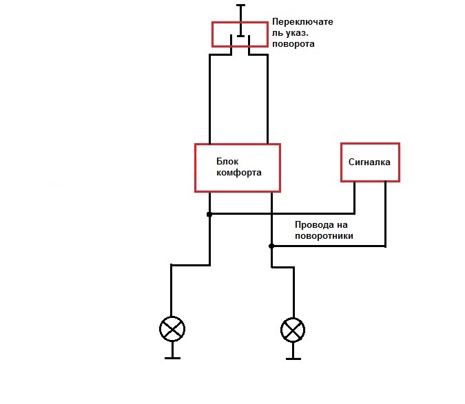
Данные ошибки вылазиют, когда ставишь машину на сигнализацию, когда при постановке на охрану моргают поворотники. Заметил вот как. Стер ошибки. Попользовался машиной без использования сигналки (поморгал поворотниками, аварийкой, машину закрывал ключем). После этого подключил шнурок - ошибок нет. Снова воспользовался сигналкой, и вот, они опять вылезли. Суда по частоте ошибок, данная фигня вылезла недавно (месяц-полтора), причем ни стого ни с сего. Провода идущие к поворотникам от блока сигнализации подключены аналогово, т.е. непосредственно к проводам идущим на фары (дла объективности схемка ниже). Вот и ломаю голову, с какого перепуга такая фигня. При этом повторюсь, все работает как положено и об ошибках можно узнать только подключив шнурок. Если есть люди которые могут объяснить что за глюк, буду очень признателен.


Вложения:
Установка сигнализации своими руками на VW Polo седан
Схемка подключения.jpg [ 31.28 КБ | Просмотров: 7695 ]
 Профиль  
 
 

Не в сети
АвтоЭксперт
Аватара пользователя

Зарегистрирован: 07 дек 2011, 19:40
Сообщения: 1361
Изображения: 1
Откуда: Москва - Саратов
Благодарил (а): 334 раз.
Поблагодарили: 912 раз.

Имя: Александр
Poloногий писал(а):
обрыв цепи или замыкание на плюс.
Это загадка природы. У кого есть, у кого нет. У меня "чисто". При закрытии ЦЗ ключем без использования сиги повороты моргают в качестве подтверждения?


 Профиль Персональный альбом  
 
 

Не в сети
Кулибин клуба
Аватара пользователя

Зарегистрирован: 14 сен 2011, 23:17
Сообщения: 1470
Откуда: М.О. Серпуховский район.
Благодарил (а): 1549 раз.
Поблагодарили: 1607 раз.

Имя: Сергей
Ага. :yes: В том то и дело, что работает все нормально, все моргает, все включается и выключается. Повторюсь, данный баг появился недавно, сам по себе. Я в машину (электрику) не лазил с января. Последнее, что это было - установка у дилера приборки. Но после этого все работало нормально и ошибок не было. И если посмотреть по кол-ву ошибок, то можно сказать, что этот глюк вылез не больше 1,5 месяцев назад. Вот и ломаю голову, что это может быть. С какого перепуга, блок электроники стал определять сигнал на поворотники (от сигнализации) как обрыв или замыкание на плюс. :?
Бог Войны писал(а):
Это загадка природы. У кого есть, у кого нет. У меня "чисто"
Т.е. я ни одинок? Такая же фигня еще у кого то есть?


 Профиль  
 
 

Не в сети
АвтоСтажер

Зарегистрирован: 24 апр 2012, 15:39
Сообщения: 15
Изображения: 3
Откуда: Полтава, Украина
Благодарил (а): 3 раз.
Поблагодарили: 4 раз.
У меня такой же трабл с ошибками, плюс такая же ошибка в цепи замка багажника. Появляется при пользовании сигналкой, хотя все вроде работает нормально. Как лечить - у нас в деревне никто не знает, оффициалы, которые сигналку ставили, советуют не мешать машине ездить...
Где-то натыкался на пост про диодную развязку (вроде подобную ошибку должно пофиксить), но теперь найти не могу...


 Профиль Персональный альбом  
 
 

Не в сети
Кулибин клуба
Аватара пользователя

Зарегистрирован: 14 сен 2011, 23:17
Сообщения: 1470
Откуда: М.О. Серпуховский район.
Благодарил (а): 1549 раз.
Поблагодарили: 1607 раз.

Имя: Сергей
Я вот теперь тоже думаю, стоит ломать голову или нет. Вроде все работает. Просто на подсознании знаешь, что какая то фигня есть и мозг себе выносишь по этому поводу. :grin: А главное понять не могу - ведь не было ее, а теперь вылезла.


 Профиль  
 
 

Не в сети
АвтоЭксперт
Аватара пользователя

Зарегистрирован: 26 окт 2012, 16:35
Сообщения: 1401
Изображения: 0
Откуда: г. Владимир
Благодарил (а): 56 раз.
Поблагодарили: 534 раз.
waz писал(а):
Где-то натыкался на пост про диодную развязку (вроде подобную ошибку должно пофиксить), но теперь найти не могу...

Да, с помощью диодов можно избавиться от многих проблем, главное правильно их внедрить. А вообще, если позволяет сига лучше подключить не по аналоговой схеме, а цифровой. Оно и проще в разы.


 Профиль Персональный альбом  
 
 

Не в сети
Кулибин клуба
Аватара пользователя

Зарегистрирован: 14 сен 2011, 23:17
Сообщения: 1470
Откуда: М.О. Серпуховский район.
Благодарил (а): 1549 раз.
Поблагодарили: 1607 раз.

Имя: Сергей
Ro....maN писал(а):
А вообще, если позволяет сига лучше подключить не по аналоговой схеме, а цифровой. Оно и проще в разы.
В том то и оно. Я понимаю что, проще. Только когда машину брал сигналку эту поставили, а она ставится по аналоговой схеме.


 Профиль  
 
 

Не в сети
АвтоЭксперт
Аватара пользователя

Зарегистрирован: 07 дек 2011, 19:40
Сообщения: 1361
Изображения: 1
Откуда: Москва - Саратов
Благодарил (а): 334 раз.
Поблагодарили: 912 раз.

Имя: Александр
Poloногий, эта ситуация есть у многих. Установщики об этом знают, но не особо "парятся", поскольку на работу систем никак не влияет. Если есть возможность, можно попробовать программно отключить штатную функцию автомобиля "подтверждение открытия / закрытия ЦЗ сигналами поворота". У меня отключена, ошибок нет. Касательно замка багажника - делал через диодную развязку, тоже все ОК.


 Профиль Персональный альбом  
 
 

Не в сети
Кулибин клуба
Аватара пользователя

Зарегистрирован: 14 сен 2011, 23:17
Сообщения: 1470
Откуда: М.О. Серпуховский район.
Благодарил (а): 1549 раз.
Поблагодарили: 1607 раз.

Имя: Сергей
Бог Войны, спасибо за совет! Увидел бы твой пост пораньше, попробовал бы (только что домой со шнурком из машины вернулся :grin: ). Ладно, при случае попробую.


 Профиль  
 
 

Не в сети
АвтоЭксперт
Аватара пользователя

Зарегистрирован: 07 дек 2011, 19:40
Сообщения: 1361
Изображения: 1
Откуда: Москва - Саратов
Благодарил (а): 334 раз.
Поблагодарили: 912 раз.

Имя: Александр
очень интересно будет узнать результат !


 Профиль Персональный альбом  
 
 

Показать сообщения за:  Поле сортировки  
Начать новую тему Ответить на тему  [ Сообщений: 1092 ] 


Кто сейчас на конференции

Сейчас этот форум просматривают: нет зарегистрированных пользователей и гости: 2


Вы не можете начинать темы
Вы не можете отвечать на сообщения
Вы не можете редактировать свои сообщения
Вы не можете удалять свои сообщения
Вы не можете добавлять вложения

Найти:
Перейти: