Клубный полоподбор со скидкой до 35% Найдем Polo по вашим требованиям, с гарантией!






Начать новую тему Ответить на тему  [ Сообщений: 133 ] 
Автор Сообщение
Не в сети
АвтоЗнаток
Аватара пользователя

Зарегистрирован: 08 дек 2011, 22:27
Сообщения: 440
Изображения: 1
Откуда: Волжский
Благодарил (а): 121 раз.
Поблагодарили: 178 раз.
speedspider писал(а):
а кто подскажит распиновку кнопок

Смотри:


Вложения:
Стеклоподъемники в Тренде, VW Polo седан.
Безымянный.JPG [ 72.09 КБ | Просмотров: 7487 ]
 Профиль  
 
 

Не в сети
АвтоЗнаток
Аватара пользователя

Зарегистрирован: 08 дек 2011, 22:27
Сообщения: 440
Изображения: 1
Откуда: Волжский
Благодарил (а): 121 раз.
Поблагодарили: 178 раз.
speedspider,
Для каждой двери, монтируется два реле: одно реле на подъем стекла, другое на опускание стекла (смотри мою схему), или одно реле двух канальное с разными катушками и перемыкателями к примеру фирмы OMRON, которая установлена в блоке управления водительской двери от комфорта.


 Профиль  
 
 

Не в сети
Опытный водитель
Аватара пользователя

Зарегистрирован: 27 ноя 2011, 17:08
Сообщения: 131
Откуда: Санкт-Петербург
Благодарил (а): 0 раз.
Поблагодарили: 0 раз.
vady писал(а):
speedspider,
Для каждой двери, монтируется два реле: одно реле на подъем стекла, другое на опускание стекла (смотри мою схему), или одно реле двух канальное с разными катушками и перемыкателями к примеру фирмы OMRON, которая установлена в блоке управления водительской двери от комфорта.

вот набросал схемку вроде правильно

и ни как ни могу понять сколько реле будет в водительской двери?


Вложения:
Стеклоподъемники в Тренде, VW Polo седан.
e271108s-480.jpg [ 36.49 КБ | Просмотров: 7475 ]
 Профиль  
 
 

Не в сети
АвтоЗнаток
Аватара пользователя

Зарегистрирован: 08 дек 2011, 22:27
Сообщения: 440
Изображения: 1
Откуда: Волжский
Благодарил (а): 121 раз.
Поблагодарили: 178 раз.
speedspider,
В водительской двери будет два комплекта реле: на водительскую дверь и на пассажирскую и еще реле блокировки пассажирских задних дверей.


 Профиль  
 
 

Не в сети
Опытный водитель
Аватара пользователя

Зарегистрирован: 27 ноя 2011, 17:08
Сообщения: 131
Откуда: Санкт-Петербург
Благодарил (а): 0 раз.
Поблагодарили: 0 раз.
если честно в схеме ни фига не понял по распиновке кнопки
итого в водительской двери будет 6 релюх чтоли ???


 Профиль  
 
 

Не в сети
АвтоЗнаток
Аватара пользователя
Volkswagen Polo седан (2013)

Зарегистрирован: 24 июн 2013, 12:21
Сообщения: 318
Изображения: 2
Откуда: Москва (Волгоград)
Благодарил (а): 46 раз.
Поблагодарили: 88 раз.
Нет сил молчать ))
speedspider, Уточни пожалуйста, ты всё-таки используешь родные пассажирские кнопки, или ХАЙевские?

vady, Так всё-таки, в оригинальном блоке кнопки (сами кнопки) резиновые (как в пультах) или стандартные силовые?


 Профиль Персональный альбом  
 
 

Не в сети
Опытный водитель
Аватара пользователя

Зарегистрирован: 27 ноя 2011, 17:08
Сообщения: 131
Откуда: Санкт-Петербург
Благодарил (а): 0 раз.
Поблагодарили: 0 раз.
Van Highlander писал(а):
Нет сил молчать ))
speedspider, Уточни пожалуйста, ты всё-таки используешь родные пассажирские кнопки, или ХАЙевские?

vady, Так всё-таки, в оригинальном блоке кнопки (сами кнопки) резиновые (как в пультах) или стандартные силовые?

ХАЙевские с подсветкой


 Профиль  
 
 

Не в сети
АвтоЗнаток
Аватара пользователя
Volkswagen Polo седан (2013)

Зарегистрирован: 24 июн 2013, 12:21
Сообщения: 318
Изображения: 2
Откуда: Москва (Волгоград)
Благодарил (а): 46 раз.
Поблагодарили: 88 раз.
speedspider писал(а):
ХАЙевские с подсветкой

Тогда в каждой двери по 2 реле.

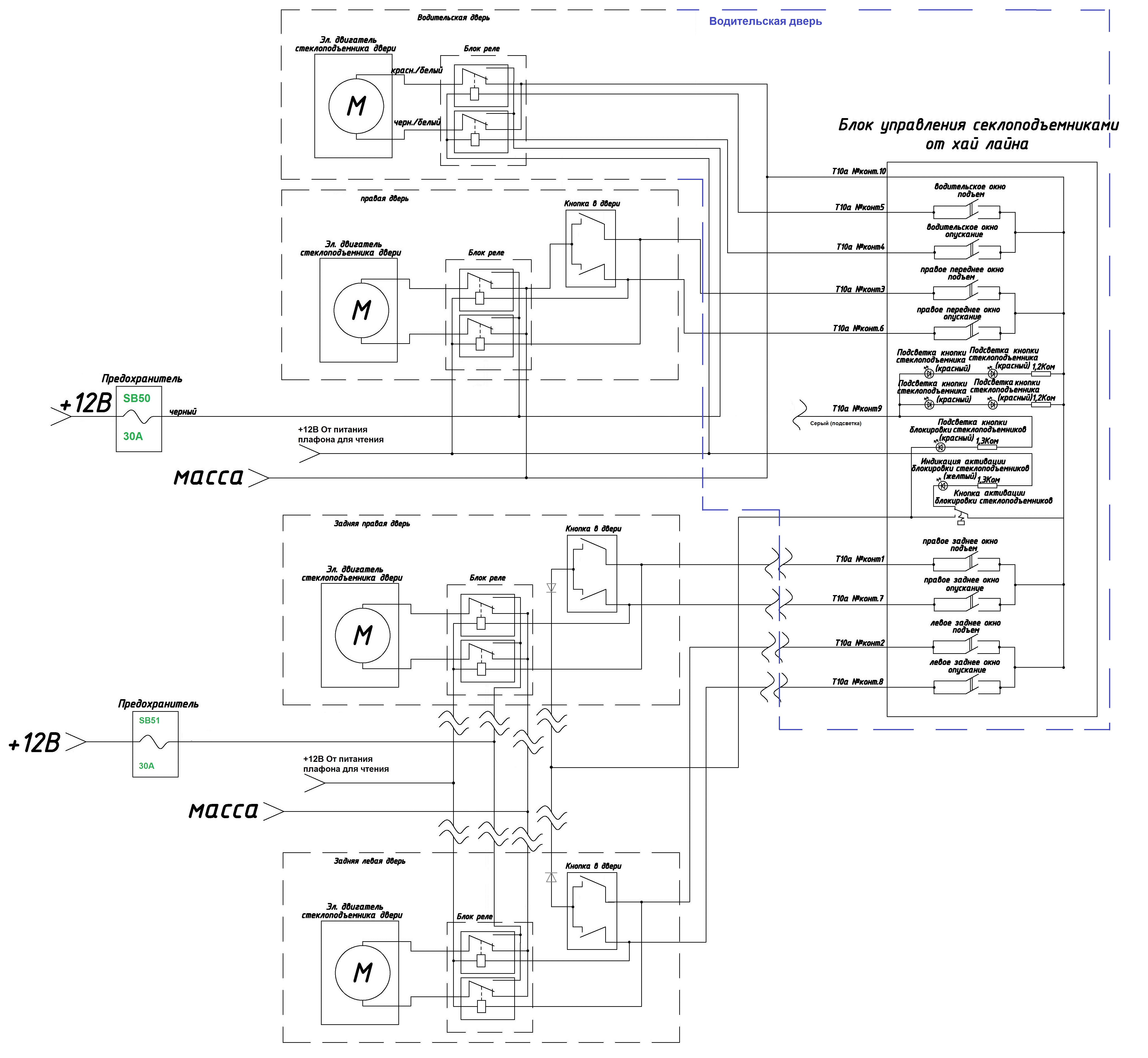
Я тут наваял схему со своими рац. предложениями. За основу взята схема vady,
  • Для предов SB50, SB51 уже есть шина с постоянным плюсом. Надо только подвести провода и вставить второй контакт (N 907 326 03).
  • Силовой +12 для задних ЭСП больше не проходит через водительскую дверь.
    • Освободившийся ПИН в водительской двери используем для входа "+12 от плафона".
    • Освободившийся жёлто-чёрный провод от водительской двери до задних вместе с ПИНами используем для передачи "массы" для задних кнопок.
  • +12 от плафона можно найти в жгуте возле площадки отдыха левой ноги. Тонкий красно-чёрный провод (может быть 2, если есть штатная сигналка)
  • В блоке кнопок водителя у меня получается 12 ПИНов. 11-12ый надо выводить отдельно, т.к. раъём на 10 ПИНов.
    • Можно обойтись 11ю ПИНами (см. исходную схему), но индикация блокировки будет только при включённой подсветке.
  • Диоды, локализующие задние кнопки, желательно поставить. Должны выдерживать прямой ток не менее 0,2А и обратное напряжение не менее 16В.
  • На схеме не отражена проводка подсветки для всех пассажирских дверей
  • Все реле крайне желательно снабдить шунтирующими диодами (см. рисунок) Диод должен выдерживать обратное напряжение не менее 15В и прямой ток... скорее всего 1А хватит. Бывают в продаже колодки для реле с уже внедрённым диодом.
Повторюсь, все кнопки (водительский блок и пассажирские) так или иначе надо переделывать. На схеме отражён конечный результат.


Вложения:
Стеклоподъемники в Тренде, VW Polo седан.
Схема2.jpg [ 1.93 МБ | Просмотров: 7413 ]


Последний раз редактировалось Van Highlander 03 окт 2013, 17:39, всего редактировалось 1 раз.
 Профиль Персональный альбом  
 
 

Не в сети
АвтоЗнаток
Аватара пользователя

Зарегистрирован: 08 дек 2011, 22:27
Сообщения: 440
Изображения: 1
Откуда: Волжский
Благодарил (а): 121 раз.
Поблагодарили: 178 раз.
Van Highlander писал(а):
Так всё-таки, в оригинальном блоке кнопки (сами кнопки) резиновые (как в пультах) или стандартные силовые?

Смотри мой пост на 3 странице, там на фото блок оригинальный от ХАЯ в разобранном виде, в качестве замыкателей - там мет. пластинки, но не силовые, на токи для питания катушки реле хватит.


 Профиль  
 
 

Не в сети
АвтоЗнаток
Аватара пользователя
Volkswagen Polo седан (2013)

Зарегистрирован: 24 июн 2013, 12:21
Сообщения: 318
Изображения: 2
Откуда: Москва (Волгоград)
Благодарил (а): 46 раз.
Поблагодарили: 88 раз.
vady писал(а):
Смотри мой пост на 3 странице, там на фото блок оригинальный от ХАЯ в разобранном виде, в качестве замыкателей - там мет. пластинки, но не силовые, на токи для питания катушки реле хватит.

Ага, ясненько... Значит если ставить китайские кнопки, то реле надо брать под пайку с пониженным током потребления. У авто-реле сопротивление обмотки ~80Ом, у рее под пайку - 200-400Ом (лучше 400). Или можно использовать обычные реле, но развязать кнопки транзисторами.
Короче, если не шарите, покупайте оригинальные кнопки :)

Но вот ещё один момент... В реле используется катушка индуктивности, которая обладает известными физическими свойствами. Опустив подробности, скажу, что в катушке возникает ЭДС с такой полярностью, что добавляется к напряжению АКБ. Причём ЭДС не хилая, когда играюсь с реле иногда шарашит как от пьезозажигалки. Всё это может приводить к искрам на размыкающейся кнопке и сокращать её ресурс. Решается это впайкой диода. Некоторые колодки для реле продаются уже с подпаянными диодами (главное полярность не перепутать).

P.S. Если кому интересно, за курсом физики (кажется 10ый класс) обращаться в личку :)


Вложения:
Стеклоподъемники в Тренде, VW Polo седан.
Диод.jpg [ 15.11 КБ | Просмотров: 7367 ]
 Профиль Персональный альбом  
 
 

Не в сети
АвтоЗнаток
Аватара пользователя

Зарегистрирован: 08 дек 2011, 22:27
Сообщения: 440
Изображения: 1
Откуда: Волжский
Благодарил (а): 121 раз.
Поблагодарили: 178 раз.
Van Highlander,
Если в твоем (китайском) блоке метало-графитовые напыленные контакты, я боюсь что на протикающие токи, даже через 400 Омное сопротивление катушки, твои кнопки не выдержат, верный способ пустить через логическую схему (так называемые электронные кнопки).


 Профиль  
 
 

Не в сети
АвтоЗнаток
Аватара пользователя
Volkswagen Polo седан (2013)

Зарегистрирован: 24 июн 2013, 12:21
Сообщения: 318
Изображения: 2
Откуда: Москва (Волгоград)
Благодарил (а): 46 раз.
Поблагодарили: 88 раз.
Говорят есть токопроводящий клей. Или фольгу качественно на момент посадить. Если всё это не выдержит, просто куплю 14 микрокнопок и вкорячу их :crazy:


 Профиль Персональный альбом  
 
 

Не в сети
АвтоЗнаток
Аватара пользователя

Зарегистрирован: 08 дек 2011, 22:27
Сообщения: 440
Изображения: 1
Откуда: Волжский
Благодарил (а): 121 раз.
Поблагодарили: 178 раз.
Van Highlander
Микрокнопки - установленные колхозным методом - ненадежная конструкция! Я бы заморочился вот с этой схемой:

Электронный выключатель


В настоящее время в радиоэлектронной аппаратуре часто применяют электронные выключатели, в которых одной кнопкой можно осуществлять как ее включение, так и выключение. Сделать такой выключатель мощным, экономичным и малогабаритным можно, если применить полевой переключательный транзистор и цифровую КМОП микросхему.

Схема простого выключателя приведена на рис. 1. Транзистор VT1 выполняет функции электронного ключа, а триггер DD1 им управляет. Устройство постоянно подключено к источнику питания и потребляет небольшой ток — единицы или десятки микроампер.



Если на прямом выходе триггера высокий логический уровень, то транзистор закрыт, нагрузка обесточена. При замыкании контактов кнопки SB1 триггер переключится в противоположное состояние, на его выходе появится низкий логический уровень. Транзистор VT1 откроется, и напряжение поступит на нагрузку. В таком состоянии устройство будет находиться до тех пор, пока снова не окажутся замкнутыми контакты кнопки. Тогда транзистор закроется, нагрузка обесточится.

Указанный на схеме транзистор имеет сопротивление канала 0,11 Ом, а максимальный ток стока может достигать 18 А. Следует учитывать, что напряжение затвор-сток, при котором транзистор открывается, составляет 4...4,5 В. При напряжении питания 5...7 В ток нагрузки не должен превышать 5 А, в противном случае падение напряжения на транзисторе может превысить 1 В. Если напряжение питания больше, ток нагрузки может достигать 10...12 А.

Когда ток нагрузки не превышает 4 А, транзистор можно использовать без теплоотвода. Если ток больше, необходим теплоотвод, либо следует применить транзистор с меньшим сопротивлением канала.
Кстати для реле транзистор из схемы выкидывается!


Вложения:
Стеклоподъемники в Тренде, VW Polo седан.
Снимок.PNG [ 9 КБ | Просмотров: 6508 ]
 Профиль  
 
 

Не в сети
АвтоЗнаток
Аватара пользователя
Volkswagen Polo седан (2013)

Зарегистрирован: 24 июн 2013, 12:21
Сообщения: 318
Изображения: 2
Откуда: Москва (Волгоград)
Благодарил (а): 46 раз.
Поблагодарили: 88 раз.
vady, Во-первых, схема сложновата для меня (в плане не охота заморачиваться). Плюс, она же с "залипанием"? По моему легче внедрить разгрузочных транзисторы. Ток уже снизится до 0,5мА.

P.S. Посмотрел миниатюрные кнопки. У них рабочий ток 0,05А в основном, у некоторых 0,1мА. Для реле с 400Ом обмоткой нормально будет. В то же время, очевидно, что у резиновых кнопок намного меньше допустимый ток (в интеренете так и не нашёл никаких данных).
Буду либо мини-кнопки внедрять, либо усиливать уже имеющиеся.


Вложения:
Стеклоподъемники в Тренде, VW Polo седан.
Снимок.JPG [ 19.01 КБ | Просмотров: 6499 ]
 Профиль Персональный альбом  
 
 

Не в сети
Опытный водитель
Аватара пользователя

Зарегистрирован: 27 ноя 2011, 17:08
Сообщения: 131
Откуда: Санкт-Петербург
Благодарил (а): 0 раз.
Поблагодарили: 0 раз.
Ого вы мега мозги... ни чего не понял из последних постов ))))


 Профиль  
 
 

Показать сообщения за:  Поле сортировки  
Начать новую тему Ответить на тему  [ Сообщений: 133 ] 


Кто сейчас на конференции

Сейчас этот форум просматривают: нет зарегистрированных пользователей и гости: 2


Вы не можете начинать темы
Вы не можете отвечать на сообщения
Вы не можете редактировать свои сообщения
Вы не можете удалять свои сообщения
Вы не можете добавлять вложения

Найти:
Перейти: