Клубный полоподбор со скидкой до 35% Найдем Polo по вашим требованиям, с гарантией!






Начать новую тему Ответить на тему  [ Сообщений: 1588 ] 
Автор Сообщение
Не в сети
АвтоСтажер

Зарегистрирован: 01 июл 2010, 13:38
Сообщения: 51
Откуда: Питер
Благодарил (а): 0 раз.
Поблагодарили: 5 раз.
Здесь выкладываем фотки оптики.Я думаю как и на все VW будут в скором времени.какие нибудь светодиодные фонарики будут наверно отпад как смотреться ;)
_____________________________________________________________________________________________________
Полезные ссылки по замене штатной оптики,прежде чем задать вопрос ,просмотрите их,возможно ответ где то рядом:

Дневные ходовые огни DRL в Главной дороге на НТВ
фары от хетча у AvdeeFF
установка фар by AvdeeFF
как светят фары у AvdeeFF
фары GTI у wrill
схема фары от AvdeeFF
электро-схема POLO GTI 6R1 от AvdeeFF
Биксенон от ===TAT===
куда подключать адаптивку (датчик руля) от AvdeeFF
фары от GTI у grafik
полная схема коммутации БС и ДС для штатной оптики и для фары хетча от Wart_123
установка фар с БС/ДС от leha---83
фары Дектан, черные у vadiasnz
отчет по фарам Дектан by vadiasnz
фары DayLine у Golubets
Биксенон у Dinamit
пошаговая инструкция установки оптики от wrill


 Профиль  
 
 

Не в сети
АвтоЛюбитель

Зарегистрирован: 02 мар 2012, 09:49
Сообщения: 110
Откуда: Санкт-Петербург
Благодарил (а): 28 раз.
Поблагодарили: 34 раз.
Олег151 писал(а):
https://www.drive2.ru/market/offers/253130
Мож кому надо)))

Новый к-т можно за 10800р. купить.


 Профиль  
 
 

Не в сети
АвтоЭксперт
Аватара пользователя

Зарегистрирован: 01 фев 2015, 16:22
Сообщения: 1214
Изображения: 0
Благодарил (а): 336 раз.
Поблагодарили: 134 раз.

Имя: сергей
skydiver писал(а):
Новый к-т можно за 10800р. купить.

там же с переходниками.за 10800 я думаю навряд ли.я сам долго искал и за такую цену купил бы тоже.но увы и ах.нет таких цен


 Профиль Персональный альбом  
 
 

Не в сети
АвтоЗнаток
Аватара пользователя

Зарегистрирован: 10 май 2013, 20:44
Сообщения: 393
Откуда: Нижний Новгород
Благодарил (а): 105 раз.
Поблагодарили: 110 раз.

Имя: Серёга
skydiver писал(а):
Новый к-т можно за 10800р. купить.

Где это? Может DEPO какое нибудь?


 Профиль  
 
 

Не в сети
АвтоСтажер

Зарегистрирован: 07 мар 2020, 14:06
Сообщения: 1
Откуда: В.Уфалей
Благодарил (а): 0 раз.
Поблагодарили: 0 раз.
Ты занимаешься еще изготовлением переходников?


 Профиль  
 
 

Не в сети
АвтоСтажер
Аватара пользователя

Зарегистрирован: 11 окт 2020, 10:16
Сообщения: 3
Откуда: США, Miami
Благодарил (а): 1 раз.
Поблагодарили: 0 раз.
Ro....maN писал(а):
Для тех, кто сам не решается замутить себе оригинальные фары от GTI могу посодействовать. Все приобрету сам, спаяю проводку, вышлю транспортной компанией. Останется только их установить, воткнуть все разъемы и вперед :)
Занедорого :)


Привет. Понимаю что тема старая. Но все же спрошу. В настоящее время занимаешься изготовлением переходников для фар?


 Профиль  
 
 

Не в сети
АвтоСтажер
Аватара пользователя

Зарегистрирован: 11 окт 2020, 10:16
Сообщения: 3
Откуда: США, Miami
Благодарил (а): 1 раз.
Поблагодарили: 0 раз.
VOLT, привет. Почему я не могу написать личное сообщение участнику этой темы?

Добавлено спустя 4 минуты 16 секунд:
Ro....maN, привет. Ещё делаешь переходники для фар?


 Профиль  
 
 

Не в сети
АвтоСтажер

Зарегистрирован: 22 июл 2024, 10:43
Сообщения: 6
Откуда: г. Воронеж
Благодарил (а): 0 раз.
Поблагодарили: 0 раз.

Имя: Юрий
Wart_123, Добрый день, Сергей!
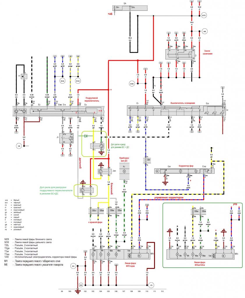
У меня поло седан 2010 г/в. Купил не новый, в прошлом году. Заморочился с переходом с Н4 на Н7. Поставил фары Hella Р7. Не нравится , что при включении ДС БС гаснет. Нашел выложенную Вами схему для фар от хеча с доп установкой двух реле и диодом. Вопрос о реализации данной схемы: где провести данные изменения в схеме? Где проходят нужные мне провода физически, а не на схеме?
Тюнинг Оптика - Стр 19


 Профиль  
 
 

Не в сети
АвтоЗнаток

Зарегистрирован: 04 окт 2011, 23:45
Сообщения: 370
Благодарил (а): 392 раз.
Поблагодарили: 72 раз.

Имя: Александр
На драйве2 посмотри, там расписано всё, где поставить перемычку, или как сделать штатно!


 Профиль  
 
 

Не в сети
АвтоСтажер

Зарегистрирован: 22 июл 2024, 10:43
Сообщения: 6
Откуда: г. Воронеж
Благодарил (а): 0 раз.
Поблагодарили: 0 раз.

Имя: Юрий
На драйве 2 много инфы про перемычки и пин в продолжение желтого провода , отрезанного в подрулевом переключателе, пинуемого в переключатель света. По установке доп. реле, как на этой схеме, не нашел. Может ссылку кинете?


 Профиль  
 
 

Не в сети
АвтоСпециалист

Зарегистрирован: 15 сен 2013, 08:55
Сообщения: 858
Откуда: Пермь
Благодарил (а): 136 раз.
Поблагодарили: 237 раз.

Имя: Артем
VW Yuri, правильный алгоритм для работы фар с раздельным светом
1. снять руль
2. снять верхнюю часть кожуха
3. будет виден белый разъем буквой Г
4. найти в нем в ряд идущие 4 плоских больших контакта (нас интересуют 2 провода желтый 0.5 мм пин 40 и черно-белый 1.5 мм пин 41)
5. на выбор
5.1. вытаскиваем желтый провод и подсоединяем его к черно-белому (черно-белый обязательно должен остаться в разъеме)
5.2. просто эти контакты соединить

И будет счастье

При такой схеме:
1. при повороте выключателя света в положение фары, на черно-белом появляется напряжение
2. оно сразу передается на реле ближнего света (при любом положении стрекозы ближний/дальний)
3. при положении стрекозы дальний свет питание с черно-белого передается на белый провод который идет через предохранители на лампы дальнего света
4. если выключатель света не включен и вы мигаете дальним, то питание для дальнего света берется с красного провода (на котором питание есть всегда) при этом лампы ближнего света не участвуют


 Профиль  
 
 

Не в сети
АвтоСтажер

Зарегистрирован: 22 июл 2024, 10:43
Сообщения: 6
Откуда: г. Воронеж
Благодарил (а): 0 раз.
Поблагодарили: 0 раз.

Имя: Юрий
Спасибо Вам Артем! Предлагаемый Вами вариант есть на Drive2. Но многие пишут, что из-за отсутствия реле на ДС, подгорают контакты в стрекозе. Поэтому я больше склоняюсь к схеме подключения Сергея с установкой дополнительных 2х реле и диода. Я понимаю, что так как Вы предлагаете проще реализовать ДС+БС. Но хочется сделать ближе к заводу. Недавно реализовал хотелку с обогревом зеркал с отдельной кнопкой.


 Профиль  
 
 

Не в сети
АвтоСпециалист

Зарегистрирован: 15 сен 2013, 08:55
Сообщения: 858
Откуда: Пермь
Благодарил (а): 136 раз.
Поблагодарили: 237 раз.

Имя: Артем
VW Yuri, Предлагаемый мной вариант был разработан на данном форуме лет 10 назад (возможно не в этой ветке) и кстати вроде как с данной схемы все пошло, а потом уже он распространился по инету, в том числе и на drive2
Просто поверьте это самый близкий вариант к заводской схеме, где БС и ДС не идут через блок комфорта.
Реализация с квадратом в котором реле и диод имеет кучу минусов и ни как не влияет на проблему подгорания контактов в стрекозе. А вот второй квадрат с одним реле, да, призван убрать данную проблему, так как почему-то VW решил, что ближний должен идти через реле, а вот дальний напрямую на лампы.

Что касается подгорания контактов в стрекозе: данная проблема касается не только фар с раздельным светом, но фар одной лампой БД/ДС. И ее решение ни как не влияет на предложенный вариант реализации раздельного света.

Для того, чтоб разгрузить стрекозу на включение дальнего света (т.е. сделать его слаботочным) нужно:
1. снять руль
2. снять верхнюю часть кожуха
3. будет виден белый разъем буквой Г
4. найти в нем в ряд идущие 4 плоских больших контакта (нас интересуют 2 провода белый 1.5 мм пин 39 и красный 1.5 мм пин 38)
5.1. берем дополнительный провод 1.5 мм и делаем скрутку с красным проводом, дополнительно пропаеваем (обязательно, так как это питание ламп ДС)
5.2. данный провод соединяем с первым силовым пином реле
6. разрезаем белый провод либо вытаскиваем и в место него втыкаем дополнительный провод на 0.5 мм:
6.1. провод идущий от предохранителей соединяем со вторым силовым пином реле
6.2. провод идущий от стрекозы соединяем с первым управляющим пином реле
7.1. берем дополнительный провод 0.5 мм и соединяем с вторым управляющим пином реле
7.2. данный провод соединяем с массой на руле, там болт толи на 4 толи на 6 (кожух снимите сразу увидите болт и коричневый провод)
Реле поместить тут же у руля, ну или заморочиться и протянуть все в блок реле.

В итоге:
Когда со стрекозы приходит сигнал на включение ДС, начинает работать реле, соединяя красный провод (на котором всегда есть питание) с проводом идущим через предохранители на лампы ДС.

Вуаля и вот теперь у вас в стрекозе слаботочные контакты: что для БС (было с завода), что для ДС (текущая реализация)


 Профиль  
 
 

Не в сети
АвтоСтажер

Зарегистрирован: 22 июл 2024, 10:43
Сообщения: 6
Откуда: г. Воронеж
Благодарил (а): 0 раз.
Поблагодарили: 0 раз.

Имя: Юрий
Добрый день, Артем! Спасибо Вам огромное!


 Профиль  
 
 

Показать сообщения за:  Поле сортировки  
Начать новую тему Ответить на тему  [ Сообщений: 1588 ] 


Кто сейчас на конференции

Сейчас этот форум просматривают: нет зарегистрированных пользователей и гости: 7


Вы не можете начинать темы
Вы не можете отвечать на сообщения
Вы не можете редактировать свои сообщения
Вы не можете удалять свои сообщения
Вы не можете добавлять вложения

Найти:
Перейти: