Клубный полоподбор со скидкой до 35% Найдем Polo по вашим требованиям, с гарантией!






Начать новую тему Ответить на тему  [ Сообщений: 644 ] 
Автор Сообщение
Не в сети
Опытный водитель

Зарегистрирован: 17 июн 2010, 00:55
Сообщения: 174
Благодарил (а): 1 раз.
Поблагодарили: 47 раз.
Друзья, многие теплят надежду что можно будет доставить кондей у дилера, боюсь вас разочаровать, но такой услуги и возможности скорее всего не будет , максимум это " колхозить" на свой страх и риск с попаданием с гарантией , поэтому если вы живете в южных регионах еще раз подумайте нужна ли Вам машина без кондея, может все же сделать выбор в пользу рено логана/сандеро

Владельцы трендалйнов, поскажите, тяжело ли вам ездить без кондера? и как работает вентилятор? хватает ли его?



===================================
Также есть темы:
Без кондиционера, с кондиционером, с климат-контролем??? - здесь будем собирать отзывы о правильной настройки работы кондиционера и климат контроля.
тяжело ли вам ездить без кондера? - здесь можем жаловаться как нам без него плохо у кого нет.
Кондиционер. Работа и обслуживание - здесь делиться опытом работы кондиционера, т.е. как его обслуживать, что когда менять, проверять и где это лучше делать.
пост виден на всех страницах вверху!

Добавил Борисович.


 Профиль  
 
 

Не в сети
АвтоГуру
Аватара пользователя

Зарегистрирован: 06 фев 2012, 22:28
Сообщения: 2189
Изображения: 5
Откуда: 35 регион
Благодарил (а): 345 раз.
Поблагодарили: 452 раз.
igrik
умный маркетинг - тот, который работает. Судя по тому, что от желающих купить Поло Седан отбою нет, маркетинг очень даже умный. Не очень человечный - может быть, но он работающий. А сделано так, чтобы покупали все 3 комплектации, а не одну самую дешевую


 Профиль Персональный альбом  
 
 

Не в сети
Опытный водитель

Зарегистрирован: 23 ноя 2011, 23:17
Сообщения: 233
Откуда: Санкт-Петербург
Благодарил (а): 38 раз.
Поблагодарили: 52 раз.
Azzteck лично я думал купить Соларис, Поло, или Рио(как много кто). Выбор пал в пользу Поло только из-за двигателя 1,6, потому как для меня это принципиально(на 1,4 откатал до этого 3 года. УГ редкостное)


 Профиль  
 
 

Не в сети
АвтоЛюбитель
Аватара пользователя

Зарегистрирован: 13 дек 2011, 16:40
Сообщения: 94
Благодарил (а): 1 раз.
Поблагодарили: 12 раз.
prostoy писал(а):
Можно и мозги обойти. Хочется минимум колхоза, вот всё. А это кроме трубок, компрессора ит.д. ещё замена центрального блока и ещё на сколько я знаю приборка каким-то образом участвует...
Для меня правильное "сопряжение" кондёра с мотором - основная задача, т.к. железо я представляю как сделать чтоб работало...

Во первых во всех прошивках мозги кондер поддерживают, требуется подключить два пина, первый от кнопки включения , второй выход на реле.
впринципе можно обойтись и без этого двиг как увидит нагрузку сам добавит оборотов. единственное не будет отключение кондера при перегреве.

во вторых всю остальную цепь с датчиками высокого и низкого давления подключаем последовательно с муфтой (или клапаном) компрессора.

в третих корпус печки судя по каталогу менять не надо

Вот номера известные мне (цены exist с доставкой 22 дня)

1) Осушитель - то что ставиться в печку -
6Q0 820 103 C Испаритель с расширительным клапаном - 13 361,32р.

2) резинки в моторный щит и перед ним
2.1) 6Q0 820 751 Насадка/наконечник - 169,45р.
2.2) 6Q0 820 061 Прокладка - 315,56р.
2.3) 6Q0 820 139 Прокладка - 364,36р.

3) Провод контура хладагента (расширительный клапан > конденсатор клим. установки) -
Трубопроводы 6RU 820 743 и 6RU 820 741 - по 5 740,35р. и 5 874,03р. соответсвенно

4) Провод контура хладагента 6RU 820 721 - 3 944,92р.

5) Радиатор под капотом (Конденсатор хладагента с осушителем) 6R0 820 411 E - 8 748,91р.

6) Kомпрессор кондиционера с электро-магнитной муфтой 6R0 820 803 A - 32 978,01р.

это как минимум то что надо купить и получается уже 71тр с лишним, а еще кронштейт , ролики , ремень и всякие уплотнительные колечки.

Сам хочу кондей, буду смотреть может от хетча приколхозить.... да кстате те кто пишут что сразу купить тачку с кондеем, ну не было на момент покупки без ожидания комфорта с кондеем , но был тренд ...


 Профиль  
 
 

Не в сети
Кулибин клуба

Зарегистрирован: 21 янв 2011, 21:38
Сообщения: 693
Откуда: Нижний Новгород
Благодарил (а): 154 раз.
Поблагодарили: 1547 раз.

Имя: Сергей
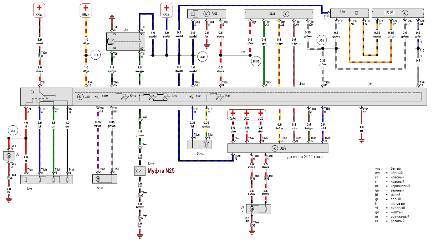
Электрическая схема кондиционера на ФПС в комплектации комфорт - собрана из схем в Эльзе.

Вложение:
Доустановка кондиционера в базу VW Polo sedan
Электрическая схема кондиционера_1.jpg [ 215.83 КБ | Просмотров: 5430 ]


Вложение:
Доустановка кондиционера в базу VW Polo sedan
Электрическая схема кондиционера_2.jpg [ 207.34 КБ | Просмотров: 5430 ]


Штатный кондиционер ФПС - самый простейший фен-морозильник, даже рядом не стоял с полуавтоматическим Climatic с хетча, т.к. отсутствует привод заслонки регулирования температуры воздуха V68 и датчики температуры воздуха G191 и G192.

Вложение:
Доустановка кондиционера в базу VW Polo sedan
Структура установки климатика на хетче.jpg [ 206.34 КБ | Просмотров: 5430 ]


Датчик высокого и низкого давления хладона G65 - электронный и работает только через блок управления кондиционера J301. Совсем не уверен, что ЭБУ двигателя на авто без кондиционера что-то узнает об доустановленном компрессоре и будет увеличивать обороты ХХ при набросе нагрузки. Общение между блоками управления двигателя и кондиционера идет по шине CAN-comfort, её еще тянуть придётся, но об этом уже подробно описано в теме автозвука. Если всё ставить по полной, то придётся доставлять блок управления вентилятором охлаждения радиатора СО J293, но при желании можно что-нибудь сотворить и без него.

ИМХО если не заморачиваться с набросом нагрузки на двигателя, то любой нештатный комплект для доустановки кондиционера на авто можно приколхозить на ФПС, желательно только использовать к нашему корпусу блока отопителя-охладителя подходящий испаритель с расширительным клапаном (оптимально от ФПС, но вероятно и от хетчей начиная с моделей 2002 года, ведь дырки в моторном щите придется резать по месту).

P.S.: Про компрессор на ФПС случайно ранее отписался в теме "Система охлаждения двигателя", совсем запутали эти немецкие умники - только по электросхеме и разобрался. :? за что с нас от 150 тыр хочет ОД за доустановку холода взять?


Последний раз редактировалось Wart_123 06 апр 2012, 21:49, всего редактировалось 1 раз.

 Профиль  
 
 

Не в сети
АвтоЛюбитель

Зарегистрирован: 04 мар 2011, 12:09
Сообщения: 84
Изображения: 1
Откуда: планета Земля
Благодарил (а): 22 раз.
Поблагодарили: 107 раз.
КотЭ писал(а):
Сам хочу кондей

Я уже выше писал,что ТОЛЬЯТТИНСКАЯ фирма разработала подходящий комплект кондиционера на поло седан.
Wart_123 писал(а):
Штатный кондиционер ФПС - самый простейший фен-морозильник, даже рядом не стоял с полуавтоматическим Climatic с хетча, т.к. отсутствует привод заслонки регулирования температуры воздуха V68 и датчики температуры воздуха G191 и G192.

Судя по сообщению осведомленного человека,не так страшен черт,как его малюют.


 Профиль Персональный альбом  
 
 

Не в сети
АвтоГуру

Зарегистрирован: 17 июн 2010, 00:54
Сообщения: 2171
Откуда: Пермь,Киров
Благодарил (а): 409 раз.
Поблагодарили: 273 раз.
спрос рождает предложение. рано или поздно найдутся умельцы, которые на этом подзаработают. )

_________________
ожидал большего


 Профиль  
 
 

Не в сети
АвтоЛюбитель

Зарегистрирован: 04 мар 2011, 12:09
Сообщения: 84
Изображения: 1
Откуда: планета Земля
Благодарил (а): 22 раз.
Поблагодарили: 107 раз.
ALK писал(а):
фрост.

А вот кстати и официальный сайт разработчика кондиционера,только надо звонить и узнавать подробности.


 Профиль Персональный альбом  
 
 

Не в сети
АвтоЛюбитель

Зарегистрирован: 04 мар 2011, 12:09
Сообщения: 84
Изображения: 1
Откуда: планета Земля
Благодарил (а): 22 раз.
Поблагодарили: 107 раз.
Ссылка не открывается,тогда полная информация на странице 7 этой темы.


 Профиль Персональный альбом  
 
 

Не в сети
АвтоЛюбитель
Аватара пользователя

Зарегистрирован: 05 фев 2012, 00:13
Сообщения: 115
Откуда: Москва
Благодарил (а): 25 раз.
Поблагодарили: 36 раз.
я думаю надо составлять окончательный список exist-кодов совместимых аналогов или оригиналов всех комплектующих для того что бы с этим списком обратиться в ближайший хороший сервис(не ОД), список кодов который выкладывался ранее не катит т.к. он идет для хэтча и тогда еще не было понимания что на хэтче все совсем по другому
выкладывайте кто что знает, я готов взяться за сбор и упорядочивание этой информации


 Профиль  
 
 

Не в сети
АвтоЭксперт
Аватара пользователя

Зарегистрирован: 16 ноя 2010, 22:58
Сообщения: 1303
Откуда: Казань
Благодарил (а): 671 раз.
Поблагодарили: 355 раз.
Для уменьшения цены итоговой кондёра я буду делать так: всё что в подкапотном пространстве буду заказывать и ставить родное (некоторые коды я фото ранее выкладывал с комфорта) для того, чтобы было как можно ближе к оригиналу, корме компрессора(цена космос). Компрессор с разборки.

По правильному нужно еще кроме замены блока упр климатом поменять еще центральный блок электроники (для невкл кондёра при больших нагрузках на мотор и при большой t - об этом писали выше)., блок управления вентилятором.
Однако это ещё сложнее и дороже.
Предполагаю, что в простых вариантах реализации кондёра к мозгам вообще нет подключеня, 2-а датчика(high? low), реле муфты, реле вентилятора...(схему могу из автодаты дёрнуть от любой машины) и кнопка.
Для составления списка можно попросить Етка-профессионала Andreeff для списка.

_________________
Получил по сути что ожидал


 Профиль  
 
 

Не в сети
АвтоЛюбитель
Аватара пользователя

Зарегистрирован: 05 фев 2012, 00:13
Сообщения: 115
Откуда: Москва
Благодарил (а): 25 раз.
Поблагодарили: 36 раз.
можно составить два списка - бюджетный(без коннекта к мозгам) и полный все как на хайлайнах, а народ сам будет решать какой вариант реализовывать

так как на exist нет пока раздела Polo sedan 2010 (не нашел),для поиска артикулов можно пользоваться запросом по vin http://exist.ru/Profile/Car/?Target=1
но это занимает время - до двух дней и к тому же обладатели трендлайнов наверно не смогут получить коды используя вин своей машины,но это нужно проверить


 Профиль  
 
 

Не в сети
Модератор
Аватара пользователя

Зарегистрирован: 18 фев 2011, 19:44
Сообщения: 4559
Откуда: Орёл
Благодарил (а): 8459 раз.
Поблагодарили: 3259 раз.

Имя: Максим
sam07, http://www.Магазин автозапчастей/cat/TO/Cars/Volkswa ... D=6D70002B и вот например http://vagcats.info/base/vw/3/1830/672/9


 Профиль  
 
 

Не в сети
АвтоЛюбитель
Аватара пользователя

Зарегистрирован: 05 фев 2012, 00:13
Сообщения: 115
Откуда: Москва
Благодарил (а): 25 раз.
Поблагодарили: 36 раз.
mkovalevskiy
первая exist-ссылка ведет на раздел "запчасти для ТО"

и по второй ссылке не нашел комплектующих для кондея


 Профиль  
 
 

Не в сети
Модератор
Аватара пользователя

Зарегистрирован: 18 фев 2011, 19:44
Сообщения: 4559
Откуда: Орёл
Благодарил (а): 8459 раз.
Поблагодарили: 3259 раз.

Имя: Максим
sam07
http://vagcats.info/base/vw/3/1832/678/ ... 0820803A#3
http://vagcats.info/base/vw/3/1832/678/2/512
вот немного, ищите и будет Вам счастье


 Профиль  
 
 

Не в сети
АвтоЛюбитель
Аватара пользователя

Зарегистрирован: 05 фев 2012, 00:13
Сообщения: 115
Откуда: Москва
Благодарил (а): 25 раз.
Поблагодарили: 36 раз.
пробил по вин в экзисте первые позиции

6RD820803 Компрессор кондиционера
1K0 959 126 D -- Датчик давления кондиционера
6R0 820 411 D --Конденсатор хладагента с осушителем


 Профиль  
 
 

Показать сообщения за:  Поле сортировки  
Начать новую тему Ответить на тему  [ Сообщений: 644 ] 


Кто сейчас на конференции

Сейчас этот форум просматривают: нет зарегистрированных пользователей и гости: 3


Вы не можете начинать темы
Вы не можете отвечать на сообщения
Вы не можете редактировать свои сообщения
Вы не можете удалять свои сообщения
Вы не можете добавлять вложения

Найти:
Перейти:  
cron