Клубный полоподбор со скидкой до 35% Найдем Polo по вашим требованиям, с гарантией!






Начать новую тему Ответить на тему  [ Сообщений: 656 ] 
Автор Сообщение
Не в сети
АвтоСтажер

Зарегистрирован: 18 окт 2010, 23:23
Сообщения: 57
Благодарил (а): 0 раз.
Поблагодарили: 73 раз.
Вот что нашел Может кому пригодится
Вложение:
О том, как самому снять/отремонтировать/установить ...
IMG_0035.JPG [ 1.63 МБ | Просмотров: 504285 ]

Вложение:
О том, как самому снять/отремонтировать/установить ...
IMG_0036.JPG [ 1.78 МБ | Просмотров: 504285 ]

Вложение:
О том, как самому снять/отремонтировать/установить ...
IMG_0037.JPG [ 1.75 МБ | Просмотров: 504285 ]

______________________________________________________________________________

Чтобы не искать по всему форуму сделал такую подборку-поисковик ,кликабельно.

С ув. ОлегV


Что бы увидеть скрытое сообщение Вам необходимо зарегистрироваться и войти на форум официально


 Профиль  
 
 

Не в сети
Опытный водитель
Аватара пользователя

Зарегистрирован: 13 сен 2010, 22:24
Сообщения: 211
Откуда: Ростов
Благодарил (а): 72 раз.
Поблагодарили: 97 раз.
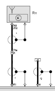
ElsaWin, такие картинки выдает по поводу антены, одна антена Trendline и Comfortline, две антены могут быть у Comfortline и Highline, соответственно по рисунку усилитель есть а фактически, устанавливал китайскую 2dn, без идущего в комплекте усилителя 2-3 станции ловит с усилителем 8-10.


Вложения:
О том, как самому снять/отремонтировать/установить ...
Ант крыша и на стекле2.jpg [ 4.14 КБ | Просмотров: 20765 ]
О том, как самому снять/отремонтировать/установить ...
Ант крыша и на стекле.jpg [ 10.03 КБ | Просмотров: 20765 ]
О том, как самому снять/отремонтировать/установить ...
Ант.jpg [ 7.25 КБ | Просмотров: 20765 ]
 Профиль  
 
 

Не в сети
АвтоЛюбитель
Аватара пользователя

Зарегистрирован: 03 сен 2011, 07:54
Сообщения: 87
Откуда: МСК СЗАО
Благодарил (а): 7 раз.
Поблагодарили: 11 раз.
Коллеги, как аккуратно снять накладку передней стойки, у кого есть мануал выложите пожалуйста. Спасибо..


 Профиль  
 
 

Не в сети
Модератор
Аватара пользователя

Зарегистрирован: 05 янв 2011, 21:14
Сообщения: 8090
Изображения: 6
Откуда: Клин, МО
Благодарил (а): 1339 раз.
Поблагодарили: 1816 раз.

Имя: Олег
wsh писал(а):
Коллеги, как аккуратно снять накладку передней стойки, у кого есть мануал выложите пожалуйста. Спасибо..


Вот всё ,что в Эльзе

Снятие и установка верхней облицовки стойки А
Снятие
УказаниеНиже описаны работы по снятию и установке с правой стороны автомобиля. Работы по снятию и установке с левой стороны проводятся аналогичным образом.

Выполнить следующие работы:
– Извлечь облицовку стойки А -1- из гнёзд стойки А, начиная сверху.
– Если облицовка с динамиком, отсоединить разъём.

Изображение

Установка
– Установка осуществляется в обратной последовательности.
Выполнить следующие работы:
Указание: Перед сборкой проверить все элементы крепления, повреждённые элементы заменить.
После сборки проверить правильность установки облицовки в кромке уплотнителя проёма двери.

_________________
Вот и всё. Надеюсь теперь вы имеете представление о Polo Sedan'е.


 Профиль  
 
 

Не в сети
Модератор
Аватара пользователя

Зарегистрирован: 05 янв 2011, 21:14
Сообщения: 8090
Изображения: 6
Откуда: Клин, МО
Благодарил (а): 1339 раз.
Поблагодарили: 1816 раз.

Имя: Олег
vovanair писал(а):
Помогите пожалуйста снять левую кик -панель-буду сигнализацию сам ставить!С уважением!


Снятие и установка нижней облицовки стойки A со стороны водителя
УказаниеНиже описываются работы по снятию и установке облицовки стойки A со стороны водителя для а/м с правым расположением рулевого колеса. Снятие и установка для а/м с левым расположением рулевого колеса выполняются аналогично.
Снятие
Выполнить следующие работы:
– Снять рычаг открывания капота -1- Снятие и установка рукоятки открытия капота
– Извлечь из креплений в кузове накладку порога в зоне перехода к нижней облицовке стойки А.

– Снять распорный пистон -2-.
– Извлечь облицовку -3- из креплений в кузове, потянув её вовнутрь.
УказаниеПеред сборкой проверить целостность распорного пистона -2-. Повреждённый пистон заменить.

Изображение

Установка
– Установка осуществляется в обратной последовательности.
Выполнить следующие работы:
Указание После сборки проверить правильность установки облицовки в кромке уплотнителя проёма двери.

_________________
Вот и всё. Надеюсь теперь вы имеете представление о Polo Sedan'е.


 Профиль  
 
 

Не в сети
АвтоСтажер

Зарегистрирован: 20 дек 2010, 17:48
Сообщения: 8
Благодарил (а): 0 раз.
Поблагодарили: 2 раз.
Как снять плюсовую клемму с аккумулятора


 Профиль  
 
 

Не в сети
Опытный водитель
Аватара пользователя

Зарегистрирован: 09 фев 2011, 17:18
Сообщения: 196
Откуда: СПб
Благодарил (а): 47 раз.
Поблагодарили: 49 раз.
152829 писал(а):
Как снять плюсовую клемму с аккумулятора

viewtopic.php?p=92514#p92514


 Профиль  
 
 

Не в сети
АвтоСпециалист
Аватара пользователя

Зарегистрирован: 15 апр 2011, 20:56
Сообщения: 834
Благодарил (а): 331 раз.
Поблагодарили: 173 раз.
Подскажите пожалуста, как снять комбинацию приборов?


 Профиль  
 
 

Не в сети
Модератор
Аватара пользователя

Зарегистрирован: 05 янв 2011, 21:14
Сообщения: 8090
Изображения: 6
Откуда: Клин, МО
Благодарил (а): 1339 раз.
Поблагодарили: 1816 раз.

Имя: Олег
vovanair писал(а):
Подскажите пожалуста, как снять комбинацию приборов?


viewtopic.php?p=117626#p117626

_________________
Вот и всё. Надеюсь теперь вы имеете представление о Polo Sedan'е.


 Профиль  
 
 

Не в сети
АвтоЛюбитель
Аватара пользователя

Зарегистрирован: 03 сен 2011, 07:54
Сообщения: 87
Откуда: МСК СЗАО
Благодарил (а): 7 раз.
Поблагодарили: 11 раз.
Коллеги поставил на сервер ElsaWin и не пойму что здесь заполнять, если кто знаком просветите пож.


Вложения:
О том, как самому снять/отремонтировать/установить ...
1.jpg [ 137.83 КБ | Просмотров: 20504 ]
 Профиль  
 
 

Не в сети
Модератор
Аватара пользователя

Зарегистрирован: 05 янв 2011, 21:14
Сообщения: 8090
Изображения: 6
Откуда: Клин, МО
Благодарил (а): 1339 раз.
Поблагодарили: 1816 раз.

Имя: Олег
wsh

с этим сюда: viewtopic.php?f=20&t=537&hilit=Elsa+Win

_________________
Вот и всё. Надеюсь теперь вы имеете представление о Polo Sedan'е.


 Профиль  
 
 

Не в сети
АвтоСпециалист
Аватара пользователя

Зарегистрирован: 15 апр 2011, 20:56
Сообщения: 834
Благодарил (а): 331 раз.
Поблагодарили: 173 раз.
valek44444 писал(а):
а как снять часть панели под рулем?
там где предохранители. снимается ли она вообще?


 Профиль  
 
 

Не в сети
Модератор
Аватара пользователя

Зарегистрирован: 05 янв 2011, 21:14
Сообщения: 8090
Изображения: 6
Откуда: Клин, МО
Благодарил (а): 1339 раз.
Поблагодарили: 1816 раз.

Имя: Олег
vovanair писал(а):
valek44444 писал(а):
а как снять часть панели под рулем?
там где предохранители. снимается ли она вообще?


это всё единое целое

Изображение

_________________
Вот и всё. Надеюсь теперь вы имеете представление о Polo Sedan'е.


 Профиль  
 
 

Не в сети
АвтоСтажер

Зарегистрирован: 20 янв 2011, 19:19
Сообщения: 31
Откуда: г.Уфа
Благодарил (а): 27 раз.
Поблагодарили: 4 раз.
как снять защиту днища с правой стороны и где заказать,помогите пожайлуста. :-(


 Профиль  
 
 

Не в сети
АвтоЛюбитель
Аватара пользователя

Зарегистрирован: 03 сен 2011, 07:54
Сообщения: 87
Откуда: МСК СЗАО
Благодарил (а): 7 раз.
Поблагодарили: 11 раз.
У вас нет случайно как снять поводки стеклоочистителей, я имею ввиду мануал такого содержания, так понимаю это эльза?...Спасибо.


 Профиль  
 
 

Не в сети
Модератор
Аватара пользователя

Зарегистрирован: 05 янв 2011, 21:14
Сообщения: 8090
Изображения: 6
Откуда: Клин, МО
Благодарил (а): 1339 раз.
Поблагодарили: 1816 раз.

Имя: Олег
Цитата:
У вас нет случайно как снять поводки стеклоочистителей, я имею ввиду мануал такого содержания,


Вложения:
Детали и узлы стеклоочистителя ветрового стекла.doc [106 КБ]
Скачиваний: 749
Снятие и установка поводков.doc [281 КБ]
Скачиваний: 869

_________________
Вот и всё. Надеюсь теперь вы имеете представление о Polo Sedan'е.
 Профиль  
 
 

Показать сообщения за:  Поле сортировки  
Начать новую тему Ответить на тему  [ Сообщений: 656 ] 


Кто сейчас на конференции

Сейчас этот форум просматривают: нет зарегистрированных пользователей и гости: 3


Вы не можете начинать темы
Вы не можете отвечать на сообщения
Вы не можете редактировать свои сообщения
Вы не можете удалять свои сообщения
Вы не можете добавлять вложения

Найти:
Перейти:  
cron