Клубный полоподбор со скидкой до 35% Найдем Polo по вашим требованиям, с гарантией!






Начать новую тему Ответить на тему  [ Сообщений: 233 ] 
Автор Сообщение
Не в сети
АвтоЗнаток
Аватара пользователя

Зарегистрирован: 06 авг 2010, 21:53
Сообщения: 332
Изображения: 0
Откуда: г. Орел
Благодарил (а): 279 раз.
Поблагодарили: 238 раз.
Вот информация с форума гольф, может будет полезна:
установил себе вот такой задний плафончик. на всю замену ушло 3 минуты =)
из плюсов: левая и правая сторона включается отдельно, при открытии дверей загорается три лампочки вместо двух.
вот ссылка: http://www.vw-golfclub.ru/forum/showthread.php?t=584


 Профиль  
 
 

Не в сети
Опытный водитель
Аватара пользователя

Зарегистрирован: 12 ноя 2011, 08:51
Сообщения: 145
Откуда: Новосибирск
Благодарил (а): 188 раз.
Поблагодарили: 36 раз.
Ребята подскажире номер разъёма для плафона 3C0 947 291D Y20.


 Профиль  
 
 

Не в сети
Кулибин клуба
Аватара пользователя

Зарегистрирован: 30 июн 2010, 05:15
Сообщения: 1391
Изображения: 1
Откуда: Барнаул
Благодарил (а): 786 раз.
Поблагодарили: 2089 раз.

Имя: Илья
opeum
Скорее всего корпус 893 971 635 + 5 контактных проводов 000 979 133 E (1,0 мм ²) или 000 979 225 E (2,5 мм ²). Посмотрите здесь - всё с фотками.
Вообще, к примеру на Jetta 2010 использовался жгут проводов 1K0 971 100 G.


 Профиль Персональный альбом  
 
 

Не в сети
АвтоСтажер
Аватара пользователя

Зарегистрирован: 12 апр 2011, 08:47
Сообщения: 10
Откуда: Ярославль
Благодарил (а): 0 раз.
Поблагодарили: 3 раз.
корпус разъема- 893 971 635 не подходит. нужен кабель-адаптер 1K0 971 100 G крыши: а такой можно найти только в сборе. Так что нужно колхозить - одевать через изоляцию по 1-му проводу со штеккером на контакт плафона.
Провод с контактами- 000979131E - 2 шт. (нужно 2 провода разрезать пополам для получения 3-х контактов)


Последний раз редактировалось umma 20 апр 2012, 11:53, всего редактировалось 3 раз(а).

 Профиль  
 
 

Не в сети
АвтоСпециалист

Зарегистрирован: 28 дек 2011, 14:40
Сообщения: 581
Откуда: Киев
Благодарил (а): 28 раз.
Поблагодарили: 143 раз.
Я тоже заказал себе плафон он хетча. Приедет - буду "кромсать" потолок dolf_ru_
Все уже установлено, поставлены светодиодные лампы спереди и сзади. Ночью теперь в авто - почти как днем :grin:
Потолок не снимал - вырезал отверстие и протянул провода к левой передней стойке. Снять пришлось заднюю левую ручку на потолке, и стойки слева переднюю и среднюю.
Подсветку в ноги задним пассажирам делать теперь не буду bt


 Профиль  
 
 

Не в сети
АвтоСтажер
Аватара пользователя

Зарегистрирован: 30 июн 2011, 23:23
Сообщения: 31
Откуда: Киев
Благодарил (а): 16 раз.
Поблагодарили: 8 раз.
Сделал себе тоже плафон как у kulibin, потолок не снимал.
Как разбирать и вырезать рассказал Riv_2000.
Но некто не сказал что эти два плафона работать одновременно в разных режимах не хотят.
Поделюсь опытом, как я решил эту задачу.
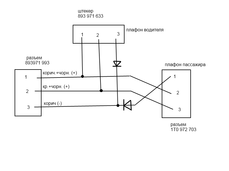
1. Нужно внимательно изучить схему подключения плафона заднего пассажира так как контакты 1,2,3, не соответствуют плафону водителя и простое параллельное подключение будет работать некорректно.
Контакты плафона пассажира: 1- коричневый провод (-), 2-коричневый+черный провод (упр. на откр. двери), 3- красный+черный провод (+). Схему подключения см. ниже.
2. В провода "-" впаял два диода. Для того чтобы каждый плафон работал независимо друг от друга.
Теперь работает все нормально 8-) .


Вложения:
Комментарий к файлу: Схема подключения проводов к разъемам
Отсутствие света для задних пассажиров
Схема_Поло_свет.png [ 16.42 КБ | Просмотров: 10537 ]
Отсутствие света для задних пассажиров
DSC00036.JPG [ 654.9 КБ | Просмотров: 10537 ]
Отсутствие света для задних пассажиров
DSC00035.JPG [ 569.5 КБ | Просмотров: 10537 ]
 Профиль  
 
 

Не в сети
АвтоСпециалист

Зарегистрирован: 28 дек 2011, 14:40
Сообщения: 581
Откуда: Киев
Благодарил (а): 28 раз.
Поблагодарили: 143 раз.
Что-то вы напутали с подключением - диодов никаких точно не нужно. Все работает как вместе, так и отдельно.


 Профиль  
 
 

Не в сети
АвтоСтажер
Аватара пользователя

Зарегистрирован: 30 июн 2011, 23:23
Сообщения: 31
Откуда: Киев
Благодарил (а): 16 раз.
Поблагодарили: 8 раз.
Нечего я не напутал!!
Посмотрите эл.схему подключения хетча. И сравните с нашей схемой. У хетча подключение реализовано двумя отдельными жгутами проводов, отдельно к водителю и отдельно к пассажиру. А мы делаем ответвление от водительского плафона.
Saboter -я понимаю ты реализовал идею с плафоном для пассажиров. Проделай следующее: плафон водителя поставь в режим подсветки при открытие двери а плафон пассажиров включи в режим постоянной подсветки на две стороны. После того как выставил эти режимы открой и закрой все двери. Отпишись что у тебя происходит со светом в плафонах?


 Профиль  
 
 

Не в сети
АвтоСпециалист

Зарегистрирован: 28 дек 2011, 14:40
Сообщения: 581
Откуда: Киев
Благодарил (а): 28 раз.
Поблагодарили: 143 раз.
Эксперимент проведен - спереди свет потух, сзади горит. Все согласно положению переключателей.


 Профиль  
 
 

Не в сети
АвтоСпециалист
Аватара пользователя

Зарегистрирован: 02 дек 2011, 14:02
Сообщения: 593
Откуда: Москва-Чебоксары
Благодарил (а): 68 раз.
Поблагодарили: 160 раз.
че то я смотрю, смотрю, а разобраться не могу
Viver79
мне понравилось, как сделал ты, увидеть бы тебя на какой-нить клубной встрече и разузнать все и увидеть.


 Профиль  
 
 

Не в сети
Опытный водитель
Аватара пользователя

Зарегистрирован: 12 ноя 2011, 08:51
Сообщения: 145
Откуда: Новосибирск
Благодарил (а): 188 раз.
Поблагодарили: 36 раз.
Viver79
Сейчас в руках держу этот плафон (6Q0 947 291 AY20). У него распайка получается 3 контакт "-", 2 - открывание дверей, а 3 - постоянный +.


 Профиль  
 
 

Не в сети
АвтоСтажер
Аватара пользователя

Зарегистрирован: 08 июн 2012, 10:37
Сообщения: 6
Изображения: 2
Откуда: Украина, Донецк
Благодарил (а): 0 раз.
Поблагодарили: 6 раз.
Sokolik писал(а):
Народ, помогите, поставил плафон 3C0 947 291D Y20 для задних пассажиров, так вот.. Всебы хорошо, только при включении одновременно ламп левого и правого пассажира, обе гаснут и загорается свет по центру в средней лампе (оч. тускло) и передний плафон (тоже тускло). Подключал провод к переднему плафону 3 контактами:1-й это (+) открытия дверей, 2-й это (+) постоянный на кнопки и 3-й это (-). Проблема в том, что при включении у задних пассажиров освещения с обоих сторон, (+) от центральной лампочки плафона подаётся и на передний плафон, зажигая его... Скажите, что не так сделал и как подключить чтобы задний плафон не зажигал передний.. Можен реле какое нужно или ещё чего...


А вот это не подойдет? - http://www.drive2.ru/cars/volkswagen/po ... 152619981/


 Профиль Персональный альбом  
 
 

Не в сети
Супермодератор
Аватара пользователя

Зарегистрирован: 21 июн 2010, 10:56
Сообщения: 3491
Изображения: 86
Откуда: СПб
Благодарил (а): 1897 раз.
Поблагодарили: 1867 раз.
Вопрос передний плафон от хая, по высоте пройдет, если поставить назад?
Кто нибудь мерил его высоту?
+[Показать] Spoiler: Фото плафона
Изображение


 Профиль Персональный альбом  
 
 

Не в сети
АвтоЭксперт

Зарегистрирован: 27 ноя 2011, 10:41
Сообщения: 1038
Откуда: Москва
Благодарил (а): 116 раз.
Поблагодарили: 512 раз.
Борисович писал(а):
Вопрос передний плафон от хая, по высоте пройдет, если поставить назад?
Кто нибудь мерил его высоту?
+[Показать] Spoiler: Фото плафона
Изображение


лучше поставить от Гольфа или от хетча.


 Профиль  
 
 

Не в сети
Супермодератор
Аватара пользователя

Зарегистрирован: 21 июн 2010, 10:56
Сообщения: 3491
Изображения: 86
Откуда: СПб
Благодарил (а): 1897 раз.
Поблагодарили: 1867 раз.
Дык, почему лучше?

Ведь здесь площадь светильников больше, значит световой поток будет больше, ну а мощность можно отрегулировать, чтобы не слепил свет задних пассажиров.


 Профиль Персональный альбом  
 
 

Показать сообщения за:  Поле сортировки  
Начать новую тему Ответить на тему  [ Сообщений: 233 ] 


Кто сейчас на конференции

Сейчас этот форум просматривают: нет зарегистрированных пользователей и гости: 2


Вы не можете начинать темы
Вы не можете отвечать на сообщения
Вы не можете редактировать свои сообщения
Вы не можете удалять свои сообщения
Вы не можете добавлять вложения

Найти:
Перейти: