Клубный полоподбор со скидкой до 35% Найдем Polo по вашим требованиям, с гарантией!






Начать новую тему Ответить на тему  [ Сообщений: 1576 ] 
Автор Сообщение
Не в сети
АвтоСтажер

Зарегистрирован: 12 сен 2014, 14:20
Сообщения: 2
Откуда: Юрга
Благодарил (а): 0 раз.
Поблагодарили: 0 раз.
Приветствую всех. Подключил свет следующим образом с 3 контакта переключателя света взял + и подключил на обмотку реле, второй вывод обмотки за питал - от ручника. Также от 3 контакта сделал перемычку чечерез замкнутое реле на 4 контакт бпереключателя света(б.с.). Все работает отлично,но есть одно но при включенном ближнем свете и поднятом ручнике пищит реле. Кто что может посоветовать?


Вложения:
Комментарий к файлу: схема
Дневные ходовые огни на VW Polo седан
1.jpg [ 15.05 КБ | Просмотров: 7994 ]
 Профиль  
 
 

Не в сети
АвтоЗнаток

Зарегистрирован: 13 мар 2011, 10:11
Сообщения: 319
Откуда: г.Подольск МО
Благодарил (а): 43 раз.
Поблагодарили: 121 раз.
vady писал(а):
... Проблема в том что (suki) китайцы во внутрь ДХО вкрячили драйвер (даже не драйвер) на 3,3В который при поданном на него напряжении сильно издает радиочастотные помехи и невозможно при этом слушать радио....

Может стоило попробовать избавиться от помех с помощью фмльтров и емкостей, на которых китайцы любят экономить, хотя место для установки обычно бывает?


 Профиль  
 
 

Не в сети
АвтоЗнаток
Аватара пользователя

Зарегистрирован: 08 дек 2011, 22:27
Сообщения: 440
Изображения: 1
Откуда: Волжский
Благодарил (а): 121 раз.
Поблагодарили: 178 раз.
garikello писал(а):
vady писал(а):
... Проблема в том что (suki) китайцы во внутрь ДХО вкрячили драйвер (даже не драйвер) на 3,3В который при поданном на него напряжении сильно издает радиочастотные помехи и невозможно при этом слушать радио....

Может стоило попробовать избавиться от помех с помощью фмльтров и емкостей, на которых китайцы любят экономить, хотя место для установки обычно бывает?

Пробывал, эксперементировал! Но все без успешно, так что не стал долго и нудно схемы собирать, заменил драйверы!


 Профиль  
 
 

Не в сети
АвтоСтажер

Зарегистрирован: 28 фев 2013, 20:15
Сообщения: 20
Откуда: Екатеринбург
Благодарил (а): 0 раз.
Поблагодарили: 9 раз.
Так как старые ДХО пришлось снять, решил сделать новые.
Заказал на всем знакомом сайте aliexpress.com вот такие светодиоды типа ДХО, уже готовое ТИПА!..
http://www.aliexpress.com/snapsh…ml?orderId=65358683505578
Но не тут то было если их взять как они есть прикрепить к автомобилю, ТУПА просто подключить провода, то ратовать и наслаждаться придется не долго, хоть там и написано, что ВОДОНЕПРОНИЦАЕМЫЕ и все такое… уверяю вас это чушь.
Чтобы данные светодиодные матрицы светили долго и исправно необходимо:
— ПРАВИЛЬНЫЙ ток.Так как в бортовой сети при работающем двигателе ≈ 14.4В наши светодиоды долго не протянут, нужен стабилизатор тока, вольтаж как многие уже знают не важен, но ток должен быть ограниченным. Для данных светодиодных матриц он составляет 350 мА как заявлено на сайте продавца.
Вывод: Без светодиодного драйвера ни как нельзя, значит будем делать…
— ОХЛАЖДЕНИЕ. Данной алюминиевой подложки будет не достаточно для охлаждения, даже если у нас будет правильный светодиодный драйвер, матрица нагревается, чтобы рассеивать лишнее тепло изготовим дополнительный радиатор.
— ВОДОГРЯЗЕЗАЩИЩЕННОСТЬ. Герметичность будет обеспечиваться с помощью герметика и термоусадки.

Смотреть на youtube.com


Все сделал, установил, пока нравится, первую мойку пережили на отлично.
Для герметизации, светодиодные матрицы спрятал в прозрачную термоусадку.
Также сделал дополнительное охлаждение.
Драйвера покупал тут!
http://www.ebay.com/itm/18140986…geName=STRK%3AMEBIDX%3AIT
Если что то не понятно спрашивайте!

Дневные ходовые огни на VW Polo седан

Смотреть на youtube.com


Дневные ходовые огни на VW Polo седан
Дневные ходовые огни на VW Polo седан
Дневные ходовые огни на VW Polo седан
Дневные ходовые огни на VW Polo седан
Дневные ходовые огни на VW Polo седан
Дневные ходовые огни на VW Polo седан
Дневные ходовые огни на VW Polo седан
Дневные ходовые огни на VW Polo седан
Дневные ходовые огни на VW Polo седан
Дневные ходовые огни на VW Polo седан
Дневные ходовые огни на VW Polo седан
Дневные ходовые огни на VW Polo седан


 Профиль  
 
 

Не в сети
Модератор
Аватара пользователя

Зарегистрирован: 05 янв 2011, 21:14
Сообщения: 8087
Изображения: 6
Откуда: Клин, МО
Благодарил (а): 1338 раз.
Поблагодарили: 1815 раз.

Имя: Олег
Kalyaider,
габариты включил - ДХО потухли ?

_________________
Вот и всё. Надеюсь теперь вы имеете представление о Polo Sedan'е.


 Профиль  
 
 

Не в сети
АвтоЗнаток

Зарегистрирован: 02 мар 2013, 20:46
Сообщения: 267
Откуда: Санкт-Петербург
Благодарил (а): 19 раз.
Поблагодарили: 48 раз.
Почитал тему... не всю конечно, но.
Много вариантов есть хороших. Но ДХО в поворотниках - это дичайший колхоз tuzemec
Светодиодные ленты в решётку радиатора - тоже не особо нравится. Думаю, всех уже тошнит от диодов повсюду. Тем более, от которых пахнет рисовым полем.

В общем, больше всего нравится реализация ДХО через нити дальнего света. Выглядит как будто ближний включен. К тому же нити дальнего света почти не используются, а лампы меняются из-за перегорания ближнего всегда. Так что сам Бог велел их использовать под это дело. Можно взять какое-нибудь РХО-22, но за них ценник вломили под 2 рубля. Это дорого, я считаю, для такой простой вещи. Можно собрать последовательное включение на 2-х реле и 2-х диодах, что будет бюджетно. Вроде как при последовательном включении будет как раз необходимая яркость (25% мощности).
Интересен такой момент. Я вот хочу схему собрать чисто под капотом ,чтобы провод не тащить из салона. Это очень геморно, я это делал, когда ПТФ ставил. Хочу задействовать синий провод генератора. Если подключить к нему реле, то на приборке не будет гореть лампа незаряда АКБ? Где-то читал, что люди с этим сталкивались на каких-то машинах.

_________________
Отзыв-сравнение Поло седан и Лада Калина


 Профиль  
 
 

Не в сети
Модератор
Аватара пользователя

Зарегистрирован: 05 янв 2011, 21:14
Сообщения: 8087
Изображения: 6
Откуда: Клин, МО
Благодарил (а): 1338 раз.
Поблагодарили: 1815 раз.

Имя: Олег
Madest писал(а):
....Можно собрать последовательное включение на 2-х реле и 2-х диодах, что будет бюджетно.....
о-очень интересен будет результат .
А диоды какие будут стоять ?

_________________
Вот и всё. Надеюсь теперь вы имеете представление о Polo Sedan'е.


 Профиль  
 
 

Не в сети
АвтоЗнаток

Зарегистрирован: 02 мар 2013, 20:46
Сообщения: 267
Откуда: Санкт-Петербург
Благодарил (а): 19 раз.
Поблагодарили: 48 раз.
ОлегV писал(а):
о-очень интересен будет результат .
А диоды какие будут стоять ?

Это хорошо, что кому-то это интересно. og_+1
Идея такая. Одно 5-контактное реле при возбуждении генератора отключает землю одной из ламп и подключает к ней +12В. Ток идёт через обе лампы последовательно на землю второй лампы. А второе реле служит для отключения первого реле при условиях:
1) Включены габариты
2) Включен дальний свет (моргаем подрулевым переключателем)
Диоды почти любые подойдут. Они нужны для питания катушки 2-го реле, так что ток пойдёт через них маленький. Кстати, 2-е реле необязательно должно быть таким же как перове (но могут быть и 2 одинаковых). Второе реле может быть и 4-х контактным с нормально замкнутыми контактами. И вообще второе реле может быть любым, даже маленьким и слаботочным.

_________________
Отзыв-сравнение Поло седан и Лада Калина


 Профиль  
 
 

Не в сети
Модератор
Аватара пользователя

Зарегистрирован: 05 янв 2011, 21:14
Сообщения: 8087
Изображения: 6
Откуда: Клин, МО
Благодарил (а): 1338 раз.
Поблагодарили: 1815 раз.

Имя: Олег
ещё бы схемку, для ясности ...

_________________
Вот и всё. Надеюсь теперь вы имеете представление о Polo Sedan'е.


 Профиль  
 
 

Не в сети
АвтоЗнаток

Зарегистрирован: 02 мар 2013, 20:46
Сообщения: 267
Откуда: Санкт-Петербург
Благодарил (а): 19 раз.
Поблагодарили: 48 раз.
Я вот схемку набросал в Paint'е, так что ногами не бейте 12_1
Вложение:
Дневные ходовые огни на VW Polo седан
DRL.png [ 20.63 КБ | Просмотров: 7018 ]


Косяк в том, что у нас ближний и дальний в одной лампе, поэтому при таком включении на 25% мощности включатся и ближний и дальний в обеих фарах :-(
Конечно можно и так оставить. Но в идеале конечно надо сделать чтобы только дальний включался. Для этого нужно разрывать ещё дополнительно цепь ближнего света у той же лампочки, что мы землю разрываем. Реализация? Либо реле Р1 должно быть какое-нибудь 7 или 8-контактное, либо нужно ещё третье реле Р3 tuzemec . Обмотку которого включим параллельно обмотке реле Р1.

_________________
Отзыв-сравнение Поло седан и Лада Калина


 Профиль  
 
 

Не в сети
АвтоСпециалист

Зарегистрирован: 19 фев 2012, 17:59
Сообщения: 665
Откуда: 68 RUS
Благодарил (а): 932 раз.
Поблагодарили: 287 раз.

Имя: Николай
Madest,
Интересный вариант,а реализация планируется?


 Профиль  
 
 

Не в сети
АвтоЗнаток

Зарегистрирован: 02 мар 2013, 20:46
Сообщения: 267
Откуда: Санкт-Петербург
Благодарил (а): 19 раз.
Поблагодарили: 48 раз.
veteran52,
Да, планируется. В ближайшее время. Я хочу всё разместить в районе левой фары. Там рядом аккумулятор, что удобно. И подключение к проводке сделать можно всё там же. Единственное - синий провод от гены. Он идёт тоже куда-то в левую часть машины, нужно как-то будет его найти в одном из жгутов и сделать врезку. Вот это мне видится самым сложным.
Ещё интересный момент заметил, глядя на свою схему. Во время работы ДХО, на катушку реле Р2 будет поступать около 6В (Напряжение бортсети 14,5В/2=7,25В минус падение на диоде 1,4В). Надеюсь, этого не хватит для срабатывания реле. Если всё равно будет срабатывать - придётся ещё резистор ставить, слава Богу там мощный резюк не нужен :-)

Я если сделаю, обязательно фотки здесь выложу, как получилось.

_________________
Отзыв-сравнение Поло седан и Лада Калина


 Профиль  
 
 

Не в сети
АвтоСпециалист

Зарегистрирован: 19 фев 2012, 17:59
Сообщения: 665
Откуда: 68 RUS
Благодарил (а): 932 раз.
Поблагодарили: 287 раз.

Имя: Николай
Madest,
Ждём-с.


 Профиль  
 
 

Не в сети
АвтоЗнаток

Зарегистрирован: 02 мар 2013, 20:46
Сообщения: 267
Откуда: Санкт-Петербург
Благодарил (а): 19 раз.
Поблагодарили: 48 раз.
Полная версия схемы получилась вот такая:
Вложение:
Дневные ходовые огни на VW Polo седан
DRL2.png [ 16.22 КБ | Просмотров: 6980 ]


Во всём виновата архаичная лампа H4. Из-за неё нужно третье реле Р3, которое отключит цепь ближнего света при включении ДХО.

_________________
Отзыв-сравнение Поло седан и Лада Калина


 Профиль  
 
 

Не в сети
АвтоЗнаток

Зарегистрирован: 02 мар 2013, 20:46
Сообщения: 267
Откуда: Санкт-Петербург
Благодарил (а): 19 раз.
Поблагодарили: 48 раз.
Это снова я! og_luzhok
Сегодня приобрёл реле и собрал дома их коммутацию. Выглядит это вот так:
Вложение:
Дневные ходовые огни на VW Polo седан
IMG_4553.JPG [ 310.09 КБ | Просмотров: 6921 ]
bayan
Цвета проводов не соответствуют схеме, ну что поделать. Делал из того что было под рукой. Тонким проводом делал разводку к катушкам реле, а толстым - силовую цепь.
Планирую завтра установку на автомобиль. Всё будет подогнано по месту (длина проводов), заизолировано и закреплено. Ну и протестировано.

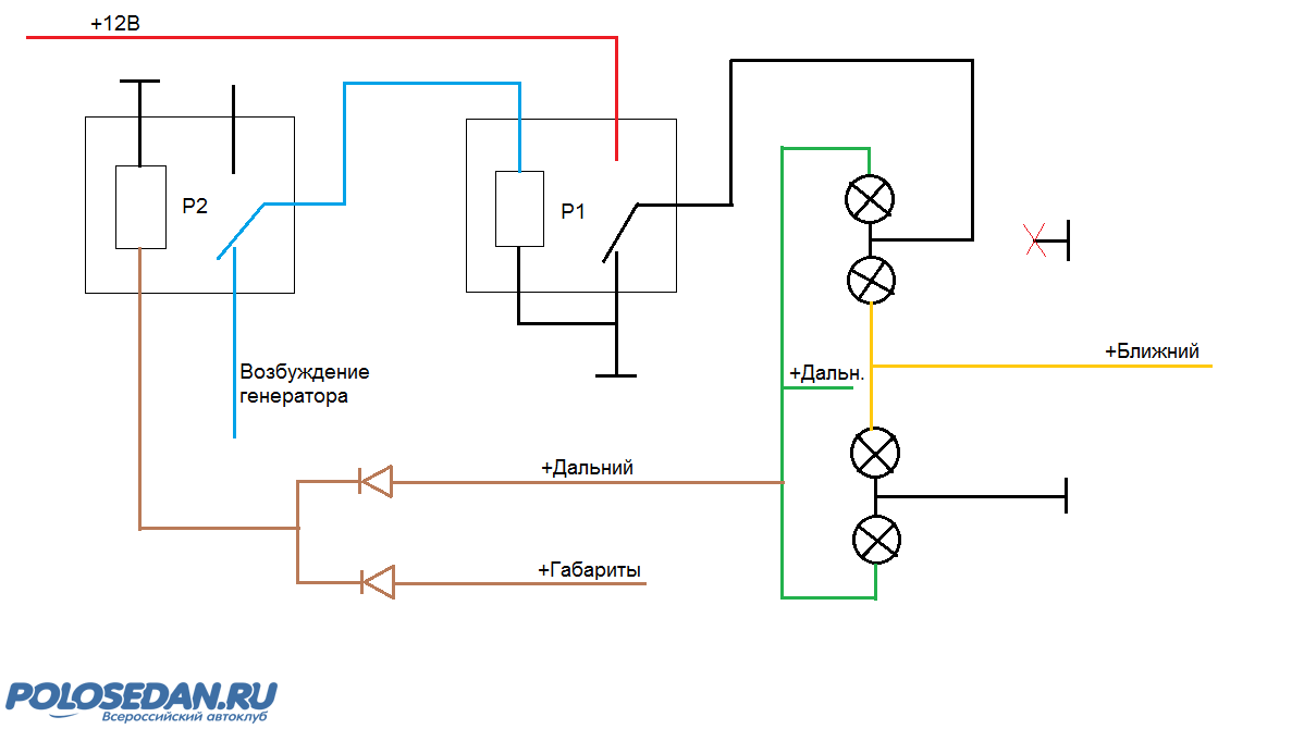
Схему я снова немного доработал и чуть оптимизировал. Получилось, что нужен всего один диод. Я использовал диод Шоттки, потому что на нём очень маленькое падение напряжения (около 0,2В). В данной схеме это важно, т.к. Реле Р1 должно срабатывать как от полного напряжения бортсети, так и от его половины при работе в режиме ДХО (средняя точка между лампами используется для определения, включен дальний свет или нет). У меня все 3 реле одинаковые, 5-контактные. Я проверил их на срабатывание от 5В - все уверенно щёлкают (хотя это критично только для Р1). В реальности будет около 7В по моим подсчётам, так что проблем со срабатыванием не должно быть.
Вот так выглядит доработанная схема:
Вложение:
Дневные ходовые огни на VW Polo седан
DRL3.png [ 14.39 КБ | Просмотров: 6921 ]


Поясню отличия новой версии схемы.
1) Когда купил реле и обнаружил, что они срабатывают даже от 5В и ниже, сразу понял что в предыдущей версии схемы возникли бы проблемы, связанные с этим. Пришлось бы вешать дополнительные резисторы, что усложнило бы схему и ухудшило бы её стабильность. Было решено переделать включение обмоток реле Р1 и Р2.
2) Оптимизировал работу реле Р3 - теперь цепь ближнего света "по умолчанию" разобрана. Теперь она собирается только при включении ближнего света, т.е. тогда, когда она нужна :-)

Ещё есть такой момент. В штатной проводке провода к фарам тянутся из монтажного блока, который находится в салоне, особенно волнует ближний свет. Завтра будет произведён замер - насколько сильно отличается напряжение на аккумуляторе от фактического напряжения, которое "доходит" до ламп. Проводка очень длинная! Если обнаружу, что падение сильное, то тогда снова пересмотрю схему реле Р3. Можно сделать так, чтобы питание на левую нить БС подавалось этим реле напрямую от аккумулятора. Это разгрузит штатную проводку Поло и тогда на правой фаре напряжение тоже поднимется. Думаю ,что нельзя упускать такой шанс улучшить свет. В общем, завтра буду смотреть, насколько это необходимо.

_________________
Отзыв-сравнение Поло седан и Лада Калина


Последний раз редактировалось Madest 23 фев 2015, 23:31, всего редактировалось 1 раз.

 Профиль  
 
 

Показать сообщения за:  Поле сортировки  
Начать новую тему Ответить на тему  [ Сообщений: 1576 ] 


Кто сейчас на конференции

Сейчас этот форум просматривают: нет зарегистрированных пользователей и гости: 2


Вы не можете начинать темы
Вы не можете отвечать на сообщения
Вы не можете редактировать свои сообщения
Вы не можете удалять свои сообщения
Вы не можете добавлять вложения

Найти:
Перейти: